Part Number Hot Search : 
20ETS DEVIC MLL5233 62WV5128 QL5130 MAX8798 TC7W02F M200V35X
Product Description
Full Text Search

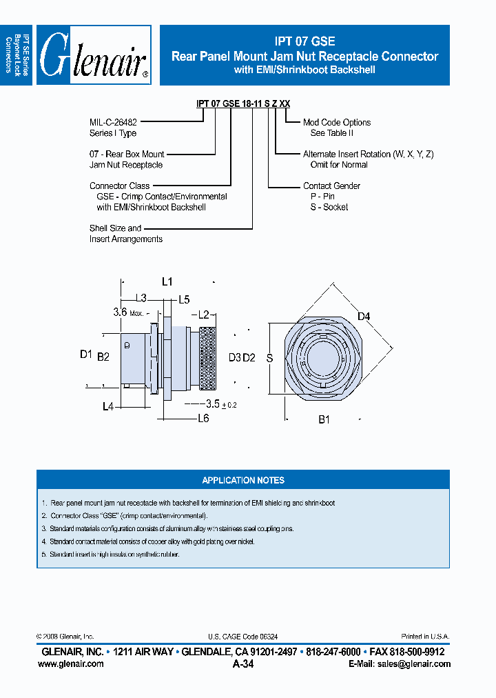
IPT07GSE18-11SZ - Rear Panel Mount Jam Nut Receptacle Connector

IPT07GSE18-11SZ_4635399.PDF Datasheet


 Full text search : Rear Panel Mount Jam Nut Receptacle Connector
 Product Description search : Rear Panel Mount Jam Nut Receptacle Connector


 Related Part Number
PART Description Maker
IPT07SE18-11SZ Rear Panel Mount Jam Nut Receptacle Connector with Backshell
Glenair, Inc.
900-014NF25-1P1 Receptacle, Jam-Nut Mount
Glenair, Inc.
MS27470 Jam Nut Mount Hermetic Receptacle
Glenair, Inc.
947-050T11-35PA 947-050NF15-35PA 947-050T9-35PA 94 Jam Nut Mount Shorting Receptacle
Glenair, Inc.
MS27477Y16D MS27477Y16E MS27477Y16N MS27477Y12D MS Jam Nut Mount Hermetic Receptacle
Glenair, Inc.
230-025FT8-3PW 230-025FT8-3PY 230-025FT24-3PW 230- Bayonet Coupling Jam-Nut Mount Receptacle
Glenair, Inc.
http://
237-033 Jam Nut Mount Hermetic with Double O-Rings
Glenair, Inc.
231-103-H7FT09-35PA-01 231-103-H7FT09-35PA0109 231 Jam Nut Mount Hermetic Bulkhead Feed-Thru
Glenair, Inc.
232-103-H7FT24-35PA-01 232-103-H7FT24-35SA-01 232- Jam Nut Mount Hermetic Bulkhead Feed-Thru
Glenair, Inc.
http://
230-029FT8-3PW 230-029FT8-3PX 230-029ZL22-3PW 230- Threaded Coupling Jam-Nut Mount Receptacle
Glenair, Inc.
http://
240-515-JTNF36-4PS 240-515-JM36-4PS 240-515-JM36-4 Jam Nut Mount Filtered Receptacle Connector
Glenair, Inc.
MDIN03G MDIN04G MDIN05G MDIN06G MDIN08G 180隆? PTH Jam-Nut Socket
180° PTH Jam-Nut Socket
Yamaichi Electronics Co., Ltd.
 
 Related keyword From Full Text Search System
IPT07GSE18-11SZ ptc data IPT07GSE18-11SZ Number IPT07GSE18-11SZ Output IPT07GSE18-11SZ laser diode IPT07GSE18-11SZ 资料
IPT07GSE18-11SZ Circuit IPT07GSE18-11SZ motor IPT07GSE18-11SZ Output IPT07GSE18-11SZ ptc data IPT07GSE18-11SZ video monitor
 

 

Price & Availability of IPT07GSE18-11SZ

All Rights Reserved © IC-ON-LINE 2003 - 2022  

[Add Bookmark] [Contact Us] [Link exchange] [Privacy policy]
Mirror Sites :  [www.datasheet.hk]   [www.maxim4u.com]  [www.ic-on-line.cn] [www.ic-on-line.com] [www.ic-on-line.net] [www.alldatasheet.com.cn] [www.gdcy.com]  [www.gdcy.net]


 . . . . .
  We use cookies to deliver the best possible web experience and assist with our advertising efforts. By continuing to use this site, you consent to the use of cookies. For more information on cookies, please take a look at our Privacy Policy. X
0.31012606620789