Part Number Hot Search : 
GL5PR44 721C1 DS24B33 CEFL101 A8523F STB0210 AS11131 PJSMS15C
Product Description
Full Text Search

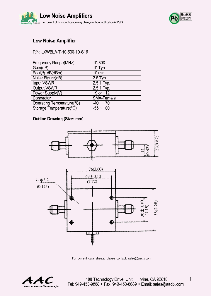
JXWBLA-T-10-500-10-S16 - Low Noise Amplifier

JXWBLA-T-10-500-10-S16_4607003.PDF Datasheet


 Full text search : Low Noise Amplifier
 Product Description search : Low Noise Amplifier


 Related Part Number
PART Description Maker
2SK117 E001317 From old datasheet system
LOW NOISE AUDIO AMPLIFIER APPLICATONS
N CHANNEL JUNCTIONS TYPE (LOW NOISE AUDIO AMPLIFIER APPLICATIONS)
Toshiba Semiconductor
CHA2194-99F_00 CHA2194 CHA2194-99F/00 CHA2193-99F0 36-44GHz Low Noise Amplifier 36 - 44GHz低噪声放大器
20-30GHz low noise amplifier
United Monolithic Semicondu...
United Monolithic Semiconductors GmbH
UMS[United Monolithic Semiconductors]
MGA-665P8-BLK MGA-665P8-TR1 MGA-665P8 MGA-665P8-TR GaAs Enhancement-Mode PHEMT 0.5 6 GHz Low Noise Amplifier GaAs增强型PHEMT.56 GHz的低噪声放大
GaAs Enhancement-Mode PHEMT 0.5 - 6 GHz Low Noise Amplifier
From old datasheet system
MGA-665P8 · MGA-665P8 0.5-6GHz Low Noise Amplifier
Avago Technologies, Ltd.
Agilent(Hewlett-Packard)
Agilent (Hewlett-Packard)
AA028N1-99 230 GHz Low Noise Amplifier
GT 14C 10#12 4#16 SKT PLUG
23-30 GHz Low Noise Amplifier
Alpha Industries Inc
Alpha Industries, Inc.
ALPHA[Alpha Industries]
http://
TGA8310 TGA8310-SCC Low-Noise Amplifier
Monolithic low - noise distributed amplifier
TriQuint Semiconductor,Inc.
TRIQUINT[TriQuint Semiconductor]
IDT70914S25PI IDT70914S25PB IDT70914S25P 70914_DS_ Low-Noise JFET-Input Operational Amplifier 14-PDIP 0 to 70 高6KK的9)同步双端口RAM
High Speed Low-Noise JFET-Input Quad Operational Amplifier 14-CFP -55 to 125 4K X 9 DUAL-PORT SRAM, 25 ns, PQCC68
High Speed Low-Noise JFET-Input Quad Operational Amplifier 14-CDIP -55 to 125 4K X 9 MULTI-PORT SRAM, 25 ns, PQCC68
High Speed Low-Noise JFET-Input Quad Operational Amplifier 20-LCCC -55 to 125
HIGH SPEED 36K (4K X 9) SYNCHRONOUS DUAL-PORT RAM
From old datasheet system
Integrated Device Technology, Inc.
IDT[Integrated Device Technology]
MAAM12021 MAAM12021RTR MAAM12021SMB MAAM12021TR 1.5-1.6 GHz, low noise amplifier
Low Noise Amplifier 1.5 - 1.6 GHz
GT 35C 7#12,28#16 SKT RECP
MA-Com
MACOM[Tyco Electronics]
5962R9569001VXC 5962R9569001V9A HS1-5104ARH/PROTO Op Amp, Quad 8MHz, Low Noise, Slew Rate 2V/s, Rad-Hard
Radiation Hardened Low Noise Quad Operational Amplifier
http://
Intersil Corporation
AN-940 Low Noise Amplifier Selection Guide for Optimal Noise Performance
Analog Devices
ZRL-2150 IC FLASH 8MX16 90NS TSOP 85
LOW NOISE AMPLIFIER 50з 950 to 2150 MHz
LOW NOISE AMPLIFIER 50 950 to 2150 MHz
MINI[Mini-Circuits]
2SK30ATM Low Noise Pre-Amplifier, Tone Control Amplifier and DC-AC High Input Impedance Amplifier Circuit Applications
Tiger Electronic Co.,Lt...
 
 Related keyword From Full Text Search System
JXWBLA-T-10-500-10-S16 Vout JXWBLA-T-10-500-10-S16 capacitors JXWBLA-T-10-500-10-S16 device JXWBLA-T-10-500-10-S16 nec JXWBLA-T-10-500-10-S16 Type
JXWBLA-T-10-500-10-S16 Octal JXWBLA-T-10-500-10-S16 purpose JXWBLA-T-10-500-10-S16 specs JXWBLA-T-10-500-10-S16 device JXWBLA-T-10-500-10-S16 Fixed
 

 

Price & Availability of JXWBLA-T-10-500-10-S16

All Rights Reserved © IC-ON-LINE 2003 - 2022  

[Add Bookmark] [Contact Us] [Link exchange] [Privacy policy]
Mirror Sites :  [www.datasheet.hk]   [www.maxim4u.com]  [www.ic-on-line.cn] [www.ic-on-line.com] [www.ic-on-line.net] [www.alldatasheet.com.cn] [www.gdcy.com]  [www.gdcy.net]


 . . . . .
  We use cookies to deliver the best possible web experience and assist with our advertising efforts. By continuing to use this site, you consent to the use of cookies. For more information on cookies, please take a look at our Privacy Policy. X
0.10191416740417