Part Number Hot Search : 
02MUM DB70ZE OP37GS 74X04 31312DG TZS4684 GL3ED8 SMBJ5230
Product Description
Full Text Search

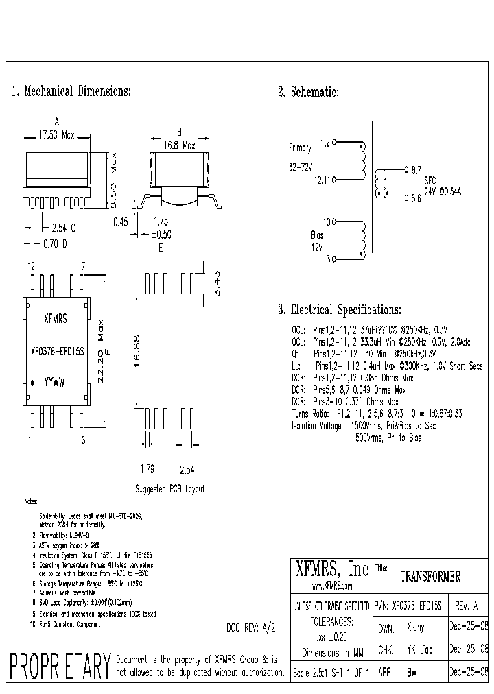
XF0376-EFD15S - TRANSFORMER

XF0376-EFD15S_4595731.PDF Datasheet


 Full text search : TRANSFORMER
 Product Description search : TRANSFORMER


 Related Part Number
PART Description Maker
2779H T1/E1 Transformer TELECOM TRANSFORMER
HIGH FREQUECY MAGNETICS T1/E1 Surface Mount Transformer
Bel Fuse, Inc.
BEL[Bel Fuse Inc.]
Z2603 Z2612 Z2610 Z2613 TRANSFORMER 6VA 2X 18V
TRANSFORMER 4VA 2X 12V 12V的变压器4VA 2
TRANSFORMER 6VA 2X 24V 24V的变压器6VA
TRANSFORMER 6VA 2X 12V 12V的变压器6VA 2
Toshiba, Corp.
Lattice Semiconductor, Corp.
Y8844-AL Z9260-AL NOT RoHS. Transformer, for ON NCP1200, 3.5W (add 'L' for compliant version) 3.5 W, SMPS TRANSFORMER
Transformer, for ON NCP1200, 70W, RoHS 67 W, SMPS TRANSFORMER
Coilcraft, Inc.
PL-12 PL-13 PL-14 PL-11 PL-34 PL-1101AS PL-33 PL-3 POWER TRANSFORMER, 0.75 VA
POWER TRANSFORMER, 4.5 VA
POWER TRANSFORMER, 1.5 VA ROHS COMPLIANT
POWER TRANSFORMER, 10 VA ROHS COMPLIANT
Low Power Transformers Single Primary, Input 115 Volts Dual Secondary: PL-11 thru -14, Single Secondary: PL-32 thru -34
VISHAY DALE
Vishay Intertechnology, Inc.
Vishay Siliconix
S553-6500-C7 T1/E1 Transformer Miniature
HIGH FREQUENCY MAGNETICS T1/E1 Mini-Octal Transformer Module
Bel Fuse Inc.
DA2025-ALD DA2025-ALB Transformer, for NSC LM5035, SMT, RoHS 100 W, SMPS TRANSFORMER
Coilcraft, Inc.
HA3801-AL HA3802-AL HA3803-AL HA3801-ALB HA3801-AL Flyback Transformers
Transformer, for TI TPS23753, SMT, RoHS 10 W, SMPS TRANSFORMER
Coilcraft lnc.
Coilcraft, Inc.
COILCRAFT INC
A9786-ALD DSL transformer, for AD20MSP910/918, not RoHS 150 W, SMPS TRANSFORMER
Coilcraft, Inc.
H27650-A H28224-B H27695-A H28223-B H27649-B H2815 HDSL2 Transformers
DSL transformer, for Level One SK7074x, SMT, not RoHS TELECOM TRANSFORMER
Coilcraft lnc.
Coilcraft, Inc.
PM61300-4-RC TRANSFORMER CCFL INVERT 13V SMD 13 V DC, 6 W, INVERTER TRANSFORMER
Bourns, Inc.
S5394-CL U6982-CL Q4470-CL S5499-DL T6437-DL T6650 Miniature SMT Transformers
Transformer, miniature, 5-24V, SMT, RoHS PULSE TRANSFORMER FOR GATE DRIVE; RS-485, RS-232 DATA INTERFACE APPLICATION(S)
Transformer, miniature, 3.3-5V, SMT, RoHS
Coilcraft lnc.
Coilcraft, Inc.
COILCRAFT INC
 
 Related keyword From Full Text Search System
XF0376-EFD15S filetype:pdf XF0376-EFD15S circuit XF0376-EFD15S Circuit XF0376-EFD15S XF0376-EFD15S Converter
XF0376-EFD15S Dual XF0376-EFD15S 参数 封装 XF0376-EFD15S IC在线 XF0376-EFD15S Precision XF0376-EFD15S usb charger circuit
 

 

Price & Availability of XF0376-EFD15S

All Rights Reserved © IC-ON-LINE 2003 - 2022  

[Add Bookmark] [Contact Us] [Link exchange] [Privacy policy]
Mirror Sites :  [www.datasheet.hk]   [www.maxim4u.com]  [www.ic-on-line.cn] [www.ic-on-line.com] [www.ic-on-line.net] [www.alldatasheet.com.cn] [www.gdcy.com]  [www.gdcy.net]


 . . . . .
  We use cookies to deliver the best possible web experience and assist with our advertising efforts. By continuing to use this site, you consent to the use of cookies. For more information on cookies, please take a look at our Privacy Policy. X
0.03783392906189