Part Number Hot Search : 
M3005 02100 S15A30PT 18000 37848 0150CT MAX2387 11010
Product Description
Full Text Search

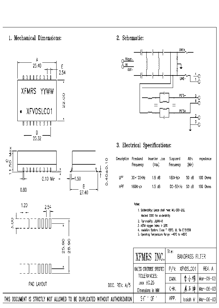
XFVDSLCO1 - BANDPASS FILTER

XFVDSLCO1_4566617.PDF Datasheet


 Full text search : BANDPASS FILTER
 Product Description search : BANDPASS FILTER


 Related Part Number
PART Description Maker
MAX268 MAX264ACPI MAX264BCPI MAX267BCNG MAX263ACWI    Pin Programmable Universal and Bandpass Filters
FILTER|AP/BP/HP/LP/NOTCH|CMOS|DIP|28PIN|PLASTIC
Monostable multivibrator with Schmitt-trigger inputs 14-PDIP 0 to 70
Quad 2-input Positive-NOR gates 14-PDIP 0 to 70
Pin Programmable Universal and Bandpass Filters DUAL SWITCHED CAPACITOR FILTER, PIN PROGRAMMABLE, BANDPASS, CDIP24
Pin Programmable Universal and Bandpass Filters DUAL SWITCHED CAPACITOR FILTER, PIN PROGRAMMABLE, BANDPASS, PDSO24
Pin Programmable Universal and Bandpass Filters DUAL SWITCHED CAPACITOR FILTER, PIN PROGRAMMABLE, BANDPASS, PDIP24
Pin Programmable Universal and Bandpass Filters DUAL SWITCHED CAPACITOR FILTER, PIN PROGRAMMABLE, UNIVERSAL, PDSO28
Maxim Integrated Produc...
Maxim Integrated Products, Inc.
模拟滤波
MAXIM INTEGRATED PRODUCTS INC
X6756M B39234-X6756-M100 SAW bandpass filter Bandpass Filter for Digital Cable Applications
EPCOS[EPCOS]
MF8CCJ 4th-Order Switched Capacitor Bandpass Filter DUAL SWITCHED CAPACITOR FILTER, RESISTOR PROGRAMMABLE, BANDPASS, CDIP18
Harris, Corp.
X6753M B39358-X6753-M100 SAW bandpass filter Bandpass filters for terrestrial TV applications
EPCOS AG
EPCOS[EPCOS]
SF0185BA02302S    185.76 MHz SAW Bandpass Filter 185.76 MHz SAW Bandpass Filter
SAW Filters for Wireless Access
185.76 MHz SAW Bandpass Filter 4.48 MHz bandwidth
API Technologies Corp
ICS
Integrated Circuit Systems
TMXAT11 SAW Bandpass Filter - WCDMA Tx - RF 1 FUNCTIONS, 1950 MHz, SAW FILTER
Rakon France SAS
TEMEX
FAR-F3DA-44M736-G999 FAR-F1DA FAR-F1DA-12M624-G201 TIMING EXTRACTION BANDPASS FILTER (1.5 to 100MHz) BAND PASS FILTER
Octal D-type Transparent Latches with 3-state Outputs 20-SOIC 0 to 70 定时提取带通滤波器1.5100MHz
Octal D-type Transparent Latches with 3-state Outputs 20-SOIC 0 to 70 定时提取带通滤波器.500MHz
TIMING EXTRACTION BANDPASS FILTER (1.5 to 100MHz) 定时提取带通滤波器1.5100MHz
TIMING EXTRACTION BANDPASS FILTER (1.5 to 100MHz) 定时提取带通滤波器.500MHz
DIODE SMALL-SIGNAL 75V 300MA AXIAL DO-35 定时提取带通滤波器.500MHz
Octal D-type Transparent Latches with 3-state Outputs 20-PDIP 0 to 70
900301001
DIODE SWITCHING SINGLE 75V 150mA-Io 500mW 4ns-trr DO35-GLASS 10K/REEL-13
MAC7111 EXT BUS,16CH A/D
DIODE SWITCHING SINGLE 75V 150mA-Io 500mW 4ns-trr DO35-GLASS 10K/AMMO
RECTIFIER STANDARD SINGLE 1A 1000V 1000 30A-ifsm 5uA-ir 1V-vf DO-41 5K/REEL-13
Timing extraction bandpass filter (1,5 to 100MHz)
Fujitsu, Ltd.
Fujitsu Limited
Fujitsu Component Limited.
FUJITSU[Fujitsu Media Devices Limited]
Fujitsu Microelectronics
XF6007A BANDPASS FILTER
XFMRS Inc.
X6964M Bandpass Filter
List of Unclassifed Manufacturers
ETC[ETC]
2562 Bandpass Filter
KR Electronics, Inc.
2480 Bandpass Filter
KR Electronics, Inc.
 
 Related keyword From Full Text Search System
XFVDSLCO1 Polarity XFVDSLCO1 Pass XFVDSLCO1 Mode XFVDSLCO1 protection ic XFVDSLCO1 Specification
XFVDSLCO1 noise XFVDSLCO1 single cell XFVDSLCO1 Adjustable XFVDSLCO1 outputs XFVDSLCO1 device
 

 

Price & Availability of XFVDSLCO1

All Rights Reserved © IC-ON-LINE 2003 - 2022  

[Add Bookmark] [Contact Us] [Link exchange] [Privacy policy]
Mirror Sites :  [www.datasheet.hk]   [www.maxim4u.com]  [www.ic-on-line.cn] [www.ic-on-line.com] [www.ic-on-line.net] [www.alldatasheet.com.cn] [www.gdcy.com]  [www.gdcy.net]


 . . . . .
  We use cookies to deliver the best possible web experience and assist with our advertising efforts. By continuing to use this site, you consent to the use of cookies. For more information on cookies, please take a look at our Privacy Policy. X
0.49104690551758