Part Number Hot Search : 
P0J33 W10NK60Z MMBD355W KSQ30A04 SF8A01F 90160 18063 N6152A
Product Description
Full Text Search

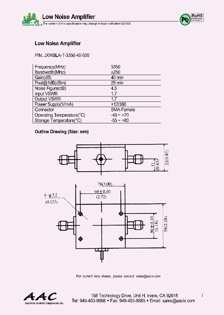
JXWBLA-T-3350-40-500 - Low Noise Amplifier

JXWBLA-T-3350-40-500_4519394.PDF Datasheet


 Full text search : Low Noise Amplifier
 Product Description search : Low Noise Amplifier


 Related Part Number
PART Description Maker
HA2-5137883 HA7-5137883 HA-5137_883 HA4-5137883 FN DIODE SCHOTTKY DUAL COMMON-CATHODE 30V 350mW 0.38V-vf 200mA-IFM 1mA-IF 0.2uA-IR SOT-23 3K/REEL
60MHz/ Ultra Low Noise/ Precision Operational Amplifier
60MHz, Ultra Low Noise, Precision Operational Amplifier
60MHz Ultra Low Noise Precision Operational Amplifier
From old datasheet system
INTERSIL[Intersil Corporation]
AD603SQ/883B AD603 AD603SQ883B Low noise, 90 MHz variable-gain amplifier
Low Noise, 90 MHz Variable Gain Amplifier
Low Noise, Voltage-Controlled Amplifier For Use In RF And IF AGC Systems
Analog Devices, Inc.
AM-162PIN AMC-162SMA AMC-AMS-162 AMS-162PIN 10-100 MHz, low noise amplifier, 12.5 dB gain
Low Noise Amplifier/ 12.5 dB Gain/ 10 - 100 MHz
JT 12C 8#20 4#16 SKT RECP
Circular Connector; No. of Contacts:18; Series:MS27508; Body Material:Aluminum; Connecting Termination:Crimp; Connector Shell Size:14; Circular Contact Gender:Socket; Circular Shell Style:Box Mount Receptacle RoHS Compliant: No
Low Noise Amplifier, 12.5 dB Gain, 10 - 100 MHz
MA-Com
Tyco Electronics
EL5134 EL5135 EL5235IS-T7 EL5235IS-T13 EL5235IS EL Single, 630MHz Low Noise Amplifier with Enable
Dual, 630MHz, Low Noise Amplifier with Enable
From old datasheet system
630MHz Gain of 5 Low Noise Amplifiers
630MHz, Gain of 5, Low Noise Amplifiers
INTERSIL[Intersil Corporation]
MAX2650 MAX2650EUS-T DC-to-Microwave / 5V Low-Noise Amplifier
DC-to-Microwave, 5V Low-Noise Amplifier 800 MHz - 1000 MHz RF/MICROWAVE WIDE BAND LOW POWER AMPLIFIER
MAXIM - Dallas Semiconductor
MAXIM[Maxim Integrated Products]
Maxim Integrated Products, Inc.
SBFP420M UHF to C Band Low-Noise Amplifier Low Phase Noise Osc.Applications
SANYO[Sanyo Semicon Device]
AD605-EB AD605ACHIPS AD605AR-REEL AD605AR-REEL7 AD Accurate, Low Noise, Dual Channel Linear-In-dB Variable Gain Amplifier, Optimized For Any Application Requiring High Performance
Dual, Low Noise, Single-Supply Variable Gain Amplifier
http://
Analog Devices, Inc.
ANALOG DEVICES INC
IDT70914S25PI IDT70914S25PB IDT70914S25P 70914_DS_ Low-Noise JFET-Input Operational Amplifier 14-PDIP 0 to 70 高6KK的9)同步双端口RAM
High Speed Low-Noise JFET-Input Quad Operational Amplifier 14-CFP -55 to 125 4K X 9 DUAL-PORT SRAM, 25 ns, PQCC68
High Speed Low-Noise JFET-Input Quad Operational Amplifier 14-CDIP -55 to 125 4K X 9 MULTI-PORT SRAM, 25 ns, PQCC68
High Speed Low-Noise JFET-Input Quad Operational Amplifier 20-LCCC -55 to 125
HIGH SPEED 36K (4K X 9) SYNCHRONOUS DUAL-PORT RAM
From old datasheet system
Integrated Device Technology, Inc.
IDT[Integrated Device Technology]
2SC4095 2SC4095-T1 2SC4095R 2SC4095R-T2 2SC4095R-T For amplify microwave and low noise.
MICROWAVE LOW NOISE AMPLIFIER NPN SILICON EPITAXIAL TRANSISTOR 4 PINS MINI MOLD
NEC[NEC]
2SJ109 E001254 P CAHNNEL JUNCTION TYPE (LOW NOISE AUDIO AMPLIFIER/ DIFFERENTIAL AMPLIFIER APPLICATIONS)
P CAHNNEL JUNCTION TYPE (LOW NOISE AUDIO AMPLIFIER, DIFFERENTIAL AMPLIFIER APPLICATIONS)
LOW NOISE AUDIO AMPLIFIER APPLICATIONS DIFFERENTIAL AMPLIFIER APPLICATIONS
From old datasheet system
TOSHIBA[Toshiba Semiconductor]
AN-940 Low Noise Amplifier Selection Guide for Optimal Noise Performance
Analog Devices
 
 Related keyword From Full Text Search System
JXWBLA-T-3350-40-500 Battery MCU JXWBLA-T-3350-40-500 Data JXWBLA-T-3350-40-500 data JXWBLA-T-3350-40-500 Step JXWBLA-T-3350-40-500 替换的
JXWBLA-T-3350-40-500 silicon JXWBLA-T-3350-40-500 package JXWBLA-T-3350-40-500 filtran xfmr JXWBLA-T-3350-40-500 electronics JXWBLA-T-3350-40-500 microprocessor
 

 

Price & Availability of JXWBLA-T-3350-40-500

All Rights Reserved © IC-ON-LINE 2003 - 2022  

[Add Bookmark] [Contact Us] [Link exchange] [Privacy policy]
Mirror Sites :  [www.datasheet.hk]   [www.maxim4u.com]  [www.ic-on-line.cn] [www.ic-on-line.com] [www.ic-on-line.net] [www.alldatasheet.com.cn] [www.gdcy.com]  [www.gdcy.net]


 . . . . .
  We use cookies to deliver the best possible web experience and assist with our advertising efforts. By continuing to use this site, you consent to the use of cookies. For more information on cookies, please take a look at our Privacy Policy. X
0.040644884109497