Part Number Hot Search : 
05204GOA PN8534 SW12140 LVY12243 EL513407 2SK2746 SA943460 TGT100
Product Description
Full Text Search

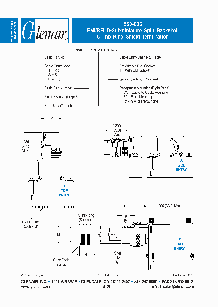
550E006M - EMI/RFI D-Subminiature Split Backshell Crimp Ring Shield Termination

550E006M_4522209.PDF Datasheet


 Full text search : EMI/RFI D-Subminiature Split Backshell Crimp Ring Shield Termination
 Product Description search : EMI/RFI D-Subminiature Split Backshell Crimp Ring Shield Termination


 Related Part Number
PART Description Maker
550T007M EMI/RFI D-Subminiature Split Backshell with Pre-Terminated Overall Shield Sock
Glenair, Inc.
501-001 500-016NA 500-016NB EMI/RFI Conical-Ring Type Split Backshell
Glenair, Inc.
507-164M2104FB 507-164J1506FB 507-164E2105EB 507-1 EMI/RFI Split Banding Micro-D Backshell Elliptical Entry
Glenair, Inc.
550S100M 550T100M Non-EMI D-Subminiature Split Backshell
Glenair, Inc.
557S110M 557E110M EMI/RFI D-Subminiature Solid Backshell
Glenair, Inc.
550E101M 550T101M D-Subminiature Retro-Fit Non-EMI Strain-Relief Split Backshell
Glenair, Inc.
4400-040 4200-012 4400-005 EMI/RFI FILTER 1 FUNCTIONS, 50 V, 10 A, FEED THROUGH CAPACITOR
EMI/RFI FILTER Bushing #4 1 FUNCTIONS, 200 V, 3 A, DATA LINE FILTER
TUSONIX, Inc.
TUSONIX INC
440SH086M10 440SH086M12 440SH086M14 440SH086M16 44 EMI/RFI Tinel-Lock垄莽 Ring Adapter
EMI/RFI Tinel-Lock庐 Ring Adapter
EMI/RFI Tinel-Lock? Ring Adapter
   EMI/RFI Tinel-Lock? Ring Adapter
Glenair, Inc.
550T039M 550E039M 550S039M D-Subminiature Banding Split Backshell
Glenair, Inc.
550-031M2 550-200M2 D-Subminiature Shorting Cap Split Backshells
Glenair, Inc.
4201-067 EMI/RFI FILTER
TUSONIX INC
 
 Related keyword From Full Text Search System
550E006M Hex 550E006M sonardyne 550E006M clock 550E006M inductors 550E006M step-down converter
550E006M reserved 550E006M Module 550E006M Vcc 550E006M reserved 550E006M vsen gate
 

 

Price & Availability of 550E006M

All Rights Reserved © IC-ON-LINE 2003 - 2022  

[Add Bookmark] [Contact Us] [Link exchange] [Privacy policy]
Mirror Sites :  [www.datasheet.hk]   [www.maxim4u.com]  [www.ic-on-line.cn] [www.ic-on-line.com] [www.ic-on-line.net] [www.alldatasheet.com.cn] [www.gdcy.com]  [www.gdcy.net]


 . . . . .
  We use cookies to deliver the best possible web experience and assist with our advertising efforts. By continuing to use this site, you consent to the use of cookies. For more information on cookies, please take a look at our Privacy Policy. X
0.034435987472534