Part Number Hot Search : 
49150 82551250 STBC08 CS5530 MAX196 14D06 2SK897 BU2725
Product Description
Full Text Search

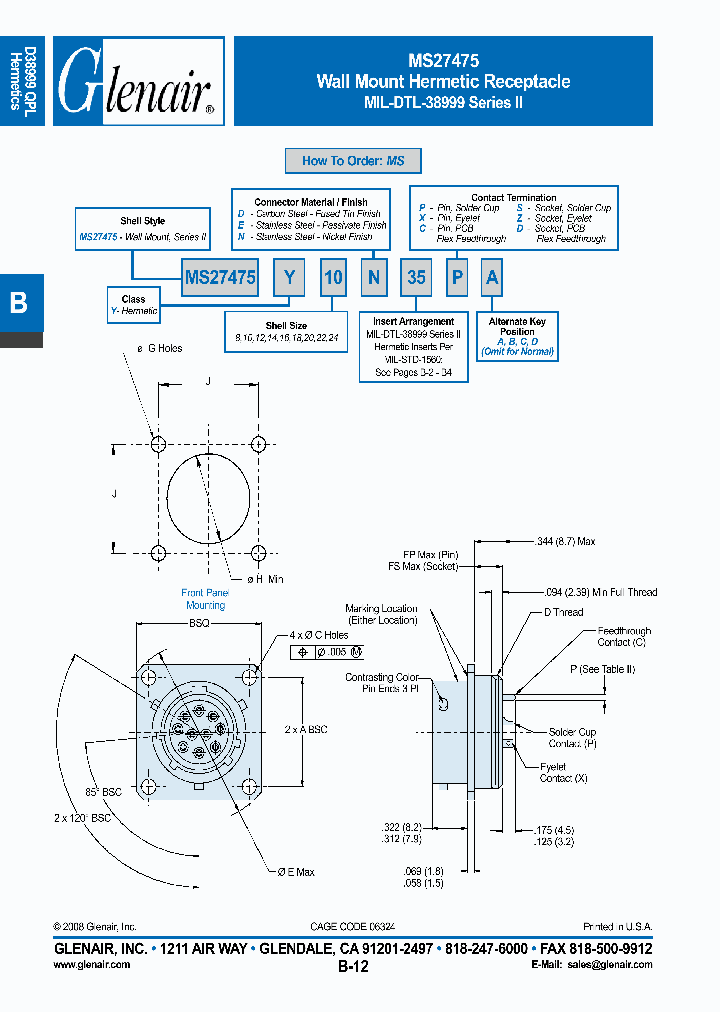
MS27475Y19D - Wall Mount Hermetic Receptacle

MS27475Y19D_4474033.PDF Datasheet

 
Part No. MS27475Y19D MS27475Y19E MS27475Y19N MS27475Y17D MS27475Y17E MS27475Y17N MS27475Y9D MS27475Y9E MS27475Y9N MS27475Y25D MS27475Y25E MS27475Y25N MS27475Y23D MS27475Y23E MS27475Y23N MS27475Y21D MS27475Y21E MS27475Y21N MS27475Y13D MS27475Y13E MS27475Y13N MS27475Y11D MS27475Y11E MS27475Y11N MS27475Y15D MS27475Y15E MS27475Y15N
Description Wall Mount Hermetic Receptacle

File Size 454.35K  /  2 Page  

Maker


Glenair, Inc.



Homepage http://www.glenair.com/
Download [ ]
[ MS27475Y19D MS27475Y19E MS27475Y19N MS27475Y17D MS27475Y17E MS27475Y17N MS27475Y9D MS27475Y9E MS2747 Datasheet PDF Downlaod from Datasheet.HK ]
[MS27475Y19D MS27475Y19E MS27475Y19N MS27475Y17D MS27475Y17E MS27475Y17N MS27475Y9D MS27475Y9E MS2747 Datasheet PDF Downlaod from Maxim4U.com ] :-)


[ View it Online ]   [ Search more for MS27475Y19D ]

[ Price & Availability of MS27475Y19D by FindChips.com ]

 Full text search : Wall Mount Hermetic Receptacle
 Product Description search : Wall Mount Hermetic Receptacle


 Related Part Number
PART Description Maker
GS72116AJ GS72116AJ-10 GS72116AJ-10I GS72116AJ-12 8ns 128K x 16 2Mb asynchronous SRAM
ACB 9C 9#16 SKT RECP WALL
ACB 5C 5#16S SKT RECP WALL
ACB 10C 10#16 PIN RECP WALL
Circular Connector; MIL SPEC:MIL-C-5015; Body Material:Aluminum Alloy; Series:ACA-B Reverse Bayonet; No. of Contacts:2; Connector Shell Size:12S; Connecting Termination:Solder; Circular Shell Style:Wall Mount Receptacle
128K x 16 2Mb Asynchronous SRAM 128K的16异步SRAMMb
ACB 19C 19#16 SKT RECP WALL 128K的16异步SRAMMb
ACB 4C 4#16 SKT RECP WALL 128K的16异步SRAMMb
ACB 8C 8#16 SKT RECP WALL 128K的16异步SRAMMb
http://
ETC[ETC]
GSI Technology
Electronic Theatre Controls, Inc.
ADE3000SX ADE3050SX ADE3050T ADE3100 ADE3050SXT AD    LCD Display Engines with Integrated DVI, ADC and YUV Ports
Circular Connector; MIL SPEC:MIL-DTL-38999 Series I; Body Material:Metal; Series:LJT; No. of Contacts:19; Connector Shell Size:25; Connecting Termination:Crimp; Circular Shell Style:Wall Mount Receptacle; Body Style:Straight RoHS Compliant: No
Contact Gender:Pin; Circular Shell Style:Wall Mount Receptacle; Insert Arrangement:23-35
Contact Gender:Pin; Circular Shell Style:Wall Mount Receptacle; Insert Arrangement:21-16
LCD Display Engines with Integrated DVI/ ADC and YUV Ports
意法半导
STMicroelectronics
D38999-21 Box Mount Hermetic Receptacle
Glenair, Inc.
257-288ZL17-26PN 257-288Z117-26SB 257-288ZL17-26SB Box Mount Hermetic Receptacle
Glenair, Inc.
1N5226B-LCC3 1N5242B-LCC3 1N5241B-LCC3 1N5244B-LCC 5.1V, 0.02A Reference diode
MSTBW 2.5/13-G
FKC 2.5/3-STF
FAN 24VDC SPRINT ST24A3
MS (MIL-C-5015)/97 SERIES 3102A BOX MOUNTING RECEPTACLES, STRAIGHT BODY STYLE, SOLDER TERMINATION, 28 SHELL SIZE, 28-15 INSERT ARRANGEMENT, RECEPTACLE GENDER, 35 CONTACTS
Cabinet Rack; Leaded Process Compatible:No; Peak Reflow Compatible (260 C):No RoHS Compliant: No
MS (MIL-C-5015)/97 SERIES 3102A BOX MOUNTING RECEPTACLES, STRAIGHT BODY STYLE, SOLDER TERMINATION, 28 SHELL SIZE, 28-19 INSERT ARRANGEMENT, RECEPTACLE GENDER, 10 CONTACTS
ZENER VOLTAGE REGULATOR DIODE IN HERMETIC CERAMIC SURFACE MOUNT PACKAGE FOR HIGH RELIABILITY APPLICATIONS 160 V, 0.5 W, SILICON, UNIDIRECTIONAL VOLTAGE REGULATOR DIODE
ZENER VOLTAGE REGULATOR DIODE IN HERMETIC CERAMIC SURFACE MOUNT PACKAGE FOR HIGH RELIABILITY APPLICATIONS 8.2 V, 0.5 W, SILICON, UNIDIRECTIONAL VOLTAGE REGULATOR DIODE
ZENER VOLTAGE REGULATOR DIODE IN HERMETIC CERAMIC SURFACE MOUNT PACKAGE FOR HIGH RELIABILITY APPLICATIONS 2.7 V, 0.5 W, SILICON, UNIDIRECTIONAL VOLTAGE REGULATOR DIODE
ZENER VOLTAGE REGULATOR DIODE IN HERMETIC CERAMIC SURFACE MOUNT PACKAGE FOR HIGH RELIABILITY APPLICATIONS 6 V, 0.5 W, SILICON, UNIDIRECTIONAL VOLTAGE REGULATOR DIODE
Power Supply 120 V, 0.5 W, SILICON, UNIDIRECTIONAL VOLTAGE REGULATOR DIODE
ZENER VOLTAGE REGULATOR DIODE IN HERMETIC CERAMIC SURFACE MOUNT PACKAGE FOR HIGH RELIABILITY APPLICATIONS 13 V, 0.5 W, SILICON, UNIDIRECTIONAL VOLTAGE REGULATOR DIODE
ZENER VOLTAGE REGULATOR DIODE IN HERMETIC CERAMIC SURFACE MOUNT PACKAGE FOR HIGH RELIABILITY APPLICATIONS 25 V, 0.5 W, SILICON, UNIDIRECTIONAL VOLTAGE REGULATOR DIODE
ZENER VOLTAGE REGULATOR DIODE IN HERMETIC CERAMIC SURFACE MOUNT PACKAGE FOR HIGH RELIABILITY APPLICATIONS 56 V, 0.5 W, SILICON, UNIDIRECTIONAL VOLTAGE REGULATOR DIODE
ZENER VOLTAGE REGULATOR DIODE IN HERMETIC CERAMIC SURFACE MOUNT PACKAGE FOR HIGH RELIABILITY APPLICATIONS 9.1 V, 0.5 W, SILICON, UNIDIRECTIONAL VOLTAGE REGULATOR DIODE
ZENER VOLTAGE REGULATOR DIODE IN HERMETIC CERAMIC SURFACE MOUNT PACKAGE FOR HIGH RELIABILITY APPLICATIONS 180 V, 0.5 W, SILICON, UNIDIRECTIONAL VOLTAGE REGULATOR DIODE
ZENER VOLTAGE REGULATOR DIODE IN HERMETIC CERAMIC SURFACE MOUNT PACKAGE FOR HIGH RELIABILITY APPLICATIONS 43 V, 0.5 W, SILICON, UNIDIRECTIONAL VOLTAGE REGULATOR DIODE
ZENER VOLTAGE REGULATOR DIODE IN HERMETIC CERAMIC SURFACE MOUNT PACKAGE FOR HIGH RELIABILITY APPLICATIONS 稳压稳压二极管朗格陶瓷表面安装高可靠性的应用工具
ZENER VOLTAGE REGULATOR DIODE IN HERMETIC CERAMIC SURFACE MOUNT PACKAGE FOR HIGH RELIABILITY APPLICATIONS 51 V, 0.5 W, SILICON, UNIDIRECTIONAL VOLTAGE REGULATOR DIODE
ZENER VOLTAGE REGULATOR DIODE IN HERMETIC CERAMIC SURFACE MOUNT PACKAGE FOR HIGH RELIABILITY APPLICATIONS 10 V, 0.5 W, SILICON, UNIDIRECTIONAL VOLTAGE REGULATOR DIODE
Battery, Lead-Acid, Sealed, Flame Retardant, Rechargeable, NPX ser. 12V, 150 WPC - 1.67VPC 15 Min - FR 稳压稳压二极管朗格陶瓷表面安装高可靠性的应用工具
ZENER VOLTAGE REGULATOR DIODE IN HERMETIC CERAMIC SURFACE MOUNT PACKAGE FOR HIGH RELIABILITY APPLICATIONS 20 V, 0.5 W, SILICON, UNIDIRECTIONAL VOLTAGE REGULATOR DIODE
ZENER VOLTAGE REGULATOR DIODE IN HERMETIC CERAMIC SURFACE MOUNT PACKAGE FOR HIGH RELIABILITY APPLICATIONS 12 V, 0.5 W, SILICON, UNIDIRECTIONAL VOLTAGE REGULATOR DIODE
http://
SEME-LAB[Seme LAB]
TT electronics Semelab Limited
TT electronics Semelab, Ltd.
Coilcraft, Inc.
SEMELAB LTD
230-015Z1-106P 230-015Z1-106X 230-015Z1-106S 230-0 Hermetic Receptacle, Jam Nut Mount
Glenair, Inc.
230-016FT-106P 230-016FT-126P 230-016FT-86P 230-01 Hermetic Receptacle, Narrow Flange Mount
Glenair, Inc.
MS27477Y16D MS27477Y16E MS27477Y16N MS27477Y12D MS Jam Nut Mount Hermetic Receptacle
Glenair, Inc.
227-162H Hermetic Receptacle with Triangular Flange Mount
Glenair, Inc.
MS27470Y11D MS27470Y11E MS27470Y11N MS27470Y13D MS Jam Nut Mount Hermetic Receptacle
Glenair, Inc.
 
 Related keyword From Full Text Search System
MS27475Y19D C代码 MS27475Y19D 技术资料下载 MS27475Y19D digital ic MS27475Y19D circuit diagram MS27475Y19D flash
MS27475Y19D BLDC motor driver MS27475Y19D Crystals MS27475Y19D Range MS27475Y19D filetype:pdf MS27475Y19D level converter
 

 

Price & Availability of MS27475Y19D

All Rights Reserved © IC-ON-LINE 2003 - 2022  

[Add Bookmark] [Contact Us] [Link exchange] [Privacy policy]
Mirror Sites :  [www.datasheet.hk]   [www.maxim4u.com]  [www.ic-on-line.cn] [www.ic-on-line.com] [www.ic-on-line.net] [www.alldatasheet.com.cn] [www.gdcy.com]  [www.gdcy.net]


 . . . . .
  We use cookies to deliver the best possible web experience and assist with our advertising efforts. By continuing to use this site, you consent to the use of cookies. For more information on cookies, please take a look at our Privacy Policy. X
0.47067403793335