Part Number Hot Search : 
EBV05B 8A610 LTC2448 27C10 EA0911 MTP7N18 ADE8155 10013
Product Description
Full Text Search

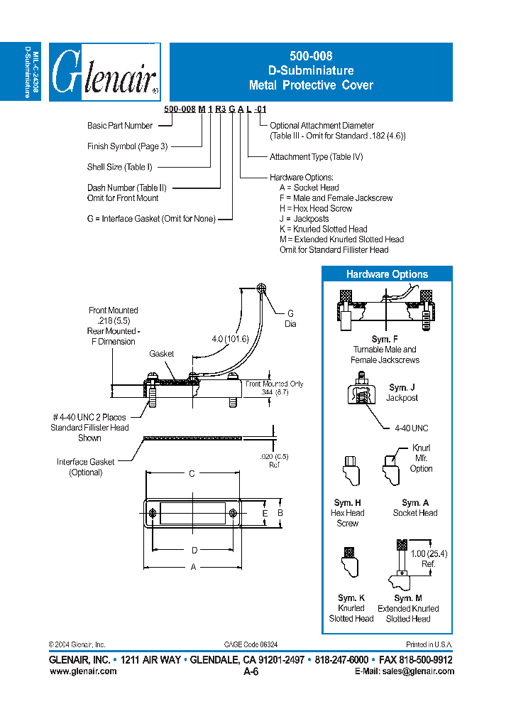
500-008M1R3GJL-01 - D-Subminiature Metal Protective Cover

500-008M1R3GJL-01_4466708.PDF Datasheet

 
Part No. 500-008M1R3GJL-01 500-008M2R3GJL-01 500-008M3R3GJL-01 500-008M4R3GJL-01 500-008M5R3GJL-01 500-008M6R3GJL-01 500-008M1R3GME-01 500-008M2R3GME-01 500-008M3R3GME-01 500-008M4R3GME-01 500-008M5R3GME-01 500-008M6R3GME-01 500-008M6R3GMU-01 500-008M6R3GMT-01 500-008M6R3GHE-01 500-008M5R3GKS-01 500-008M5R3GJE-01 500-008M4R3GJR-01 500-008M4R3GJD-01 500-008M2R3GKZ-01 500-008M2R3GAL-01 500-008M1R3GJR-01 500-008M1R3GHE-01 500-008M1R3GAL-01 500-008M1R3GAE-01 500-008M1R3GAT-01 500-008M2R3GAT-01 500-008M3R3GAT-01 500-008M4R3GAT-01 500-008M5R3GAT-01 500-008M6R3GAT-01
Description D-Subminiature Metal Protective Cover

File Size 76.28K  /  2 Page  

Maker


Glenair, Inc.
http://



Homepage http://www.glenair.com/
Download [ ]
[ 500-008M1R3GJL-01 500-008M2R3GJL-01 500-008M3R3GJL-01 500-008M4R3GJL-01 500-008M5R3GJL-01 500-008M6R Datasheet PDF Downlaod from Datasheet.HK ]
[500-008M1R3GJL-01 500-008M2R3GJL-01 500-008M3R3GJL-01 500-008M4R3GJL-01 500-008M5R3GJL-01 500-008M6R Datasheet PDF Downlaod from Maxim4U.com ] :-)


[ View it Online ]   [ Search more for 500-008M1R3GJL-01 ]

[ Price & Availability of 500-008M1R3GJL-01 by FindChips.com ]

 Full text search : D-Subminiature Metal Protective Cover
 Product Description search : D-Subminiature Metal Protective Cover


 Related Part Number
PART Description Maker
500-008M1R3GJL-01 500-008M2R3GJL-01 500-008M3R3GJL D-Subminiature Metal Protective Cover
Glenair, Inc.
http://
HF7FF_048-1ZXXX HF7FF HF7FF_005-1HFXXX HF7FF_005-1 Radial-leaded Metal Oxide Varistor ( ROV ); ROV10H101K-2 ( Raychem )
Radial-leaded Metal Oxide Varistor ( ROV ); ROV10H151K-2 ( Raychem )
Radial-leaded Metal Oxide Varistor ( ROV ); ROV10H112K-2 ( Raychem )
Radial-leaded Metal Oxide Varistor ( ROV ); ROV10H181K-2 ( Raychem )
Radial-leaded Metal Oxide Varistor ( ROV ); ROV10H220L-2 ( Raychem )
Radial-leaded Metal Oxide Varistor ( ROV ); ROV10H271K-2 ( Raychem )
Radial-leaded Metal Oxide Varistor ( ROV ); ROV10H112K-S ( Raychem )
Radial-leaded Metal Oxide Varistor ( ROV ); ROV10-471K-S-2 ( Raychem )
Radial-leaded Metal Oxide Varistor ( ROV ); ROV10-621K-S ( Raychem )
Radial-leaded Metal Oxide Varistor ( ROV ); ROV10H101K-S ( Raychem )
Radial-leaded Metal Oxide Varistor ( ROV ); ROV10H220L-S ( Raychem )
Radial-leaded Metal Oxide Varistor ( ROV ); ROV10-680K-2 ( Raychem )
Radial-leaded Metal Oxide Varistor ( ROV ); ROV10H102K-2 ( Raychem )
Radial-leaded Metal Oxide Varistor ( ROV ); ROV10H180M-2 ( Raychem )
Radial-leaded Metal Oxide Varistor ( ROV ); ROV10H221K-2 ( Raychem )
Radial-leaded Metal Oxide Varistor ( ROV ); ROV10H301K-2 ( Raychem )
Radial-leaded Metal Oxide Varistor ( ROV ); ROV10H201K-S-2 ( Raychem )
Radial-leaded Metal Oxide Varistor ( ROV ); ROV10H121K-S-2 ( Raychem )
Radial-leaded Metal Oxide Varistor ( ROV ); ROV10H180M-S-2 ( Raychem )
Radial-leaded Metal Oxide Varistor ( ROV ); ROV10H102K-S-2 ( Raychem )
Radial-leaded Metal Oxide Varistor ( ROV ); ROV10H331K-S ( Raychem )
Radial-leaded Metal Oxide Varistor ( ROV ); ROV10H271K-S-2 ( Raychem )
Radial-leaded Metal Oxide Varistor ( ROV ); ROV10H330K-S-2 ( Raychem )
Radial-leaded Metal Oxide Varistor ( ROV ); ROV10H331K-S-2 ( Raychem )
Radial-leaded Metal Oxide Varistor ( ROV ); ROV10H221K-S-2 ( Raychem )
Radial-leaded Metal Oxide Varistor ( ROV ); ROV10H270K-S-2 ( Raychem )
Radial-leaded Metal Oxide Varistor ( ROV ); ROV10H301K-S ( Raychem )
Radial-leaded Metal Oxide Varistor ( ROV ); ROV10H121K-2 ( Raychem ) 超小型大功率继电
Radial-leaded Metal Oxide Varistor ( ROV ); ROV10H112K-S-2 ( Raychem ) 超小型大功率继电
Radial-leaded Metal Oxide Varistor ( ROV ); ROV10H101K-S-2 ( Raychem ) 超小型大功率继电
Radial-leaded Metal Oxide Varistor ( ROV ); ROV10H270K-S ( Raychem ) 超小型大功率继电
Radial-leaded Metal Oxide Varistor ( ROV ); ROV10H151K-S-2 ( Raychem ) 超小型大功率继电
Radial-leaded Metal Oxide Varistor ( ROV ); ROV10H181K-S-2 ( Raychem ) 超小型大功率继电
Radial-leaded Metal Oxide Varistor ( ROV ); ROV10H220L-S-2 ( Raychem ) 超小型大功率继电
Radial-leaded Metal Oxide Varistor ( ROV ); ROV10H102K-S ( Raychem ) 超小型大功率继电
Radial-leaded Metal Oxide Varistor ( ROV ); ROV10H221K-S ( Raychem ) 超小型大功率继电
Radial-leaded Metal Oxide Varistor ( ROV ); ROV10H121K-S ( Raychem ) 超小型大功率继电
Radial-leaded Metal Oxide Varistor ( ROV ); ROV10H201K-S ( Raychem ) 超小型大功率继电
Radial-leaded Metal Oxide Varistor ( ROV ); ROV10-621K-5-2 ( Raychem ) 超小型大功率继电
Radial-leaded Metal Oxide Varistor ( ROV ); ROV10H241K-S-2 ( Raychem ) 超小型大功率继电
Radial-leaded Metal Oxide Varistor ( ROV ); ROV10H180M-S ( Raychem ) 超小型大功率继电
SUBMINIATURE HIGH POWER RELAY 超小型大功率继电
Radial-leaded Metal Oxide Varistor ( ROV ); ROV10-781K-S-2 ( Raychem ) 超小型大功率继电
Radial-leaded Metal Oxide Varistor ( ROV ); ROV10H151K-S ( Raychem ) 超小型大功率继电
Radial-leaded Metal Oxide Varistor ( ROV ); ROV10H271K-S ( Raychem ) 超小型大功率继电
Radial-leaded Metal Oxide Varistor ( ROV ); ROV10-680K-S-2 ( Raychem ) 超小型大功率继电
Radial-leaded Metal Oxide Varistor ( ROV ); ROV10-681K-2 ( Raychem ) 超小型大功率继电
Radial-leaded Metal Oxide Varistor ( ROV ); ROV10-751K-S-2 ( Raychem ) 超小型大功率继电
Radial-leaded Metal Oxide Varistor ( ROV ); ROV10-781K-2 ( Raychem ) 超小型大功率继电
Radial-leaded Metal Oxide Varistor ( ROV ); ROV10-511K ( Raychem ) 超小型大功率继电
Radial-leaded Metal Oxide Varistor ( ROV ); ROV10H330K-2 ( Raychem ) 超小型大功率继电
Radial-leaded Metal Oxide Varistor ( ROV ); ROV10-820K ( Raychem ) 超小型大功率继电
Radial-leaded Metal Oxide Varistor ( ROV ); ROV10H181K-S ( Raychem ) 超小型大功率继电
Radial-leaded Metal Oxide Varistor ( ROV ); ROV10-561K-2 ( Raychem ) 超小型大功率继电
Radial-leaded Metal Oxide Varistor ( ROV ); ROV10-681K-S ( Raychem ) 超小型大功率继电
Radial-leaded Metal Oxide Varistor ( ROV ); ROV10H241K ( Raychem ) 超小型大功率继电
Radial-leaded Metal Oxide Varistor ( ROV ); ROV10-911K-S-2 ( Raychem ) 超小型大功率继电
Radial-leaded Metal Oxide Varistor ( ROV ); ROV10-751K-S ( Raychem ) 超小型大功率继电
HONGFA[Hongfa Technology]
厦门宏发电声股份有限公司
Xiamen Hongfa Electroacoustic Co., Ltd.
FP002P2K74F9256EA FP002P1K74F9256CH FP002P1K74F925 RESISTOR, METAL FILM, 2 W, 1 %, 2740 ohm, THROUGH HOLE MOUNT AXIAL LEADED, ROHS COMPLIANT
RESISTOR, METAL FILM, 2 W, 1 %, 1740 ohm, THROUGH HOLE MOUNT AXIAL LEADED, ROHS COMPLIANT
RESISTOR, METAL FILM, 0.5 W, 1 %, 69.8 ohm, THROUGH HOLE MOUNT AXIAL LEADED, ROHS COMPLIANT
RESISTOR, METAL FILM, 0.5 W, 1 %, 95.3 ohm, THROUGH HOLE MOUNT AXIAL LEADED, ROHS COMPLIANT
RESISTOR, METAL FILM, 0.5 W, 1 %, 97.6 ohm, THROUGH HOLE MOUNT AXIAL LEADED, ROHS COMPLIANT
RESISTOR, METAL FILM, 0.5 W, 2 %, 100 ohm, THROUGH HOLE MOUNT AXIAL LEADED, ROHS COMPLIANT
RESISTOR, METAL FILM, 0.5 W, 2 %, 100000 ohm, THROUGH HOLE MOUNT AXIAL LEADED, ROHS COMPLIANT
RESISTOR, METAL FILM, 0.5 W, 2 %, 10000 ohm, THROUGH HOLE MOUNT AXIAL LEADED, ROHS COMPLIANT
RESISTOR, METAL FILM, 0.5 W, 1 %, 93.1 ohm, THROUGH HOLE MOUNT AXIAL LEADED, ROHS COMPLIANT
RESISTOR, METAL FILM, 0.5 W, 2 %, 110000 ohm, THROUGH HOLE MOUNT AXIAL LEADED, ROHS COMPLIANT
RESISTOR, METAL FILM, 0.5 W, 2 %, 10 ohm, THROUGH HOLE MOUNT AXIAL LEADED, ROHS COMPLIANT
RESISTOR, METAL FILM, 0.5 W, 1 %, 127000 ohm, THROUGH HOLE MOUNT AXIAL LEADED, ROHS COMPLIANT
RESISTOR, METAL FILM, 0.5 W, 1 %, 107000 ohm, THROUGH HOLE MOUNT AXIAL LEADED, ROHS COMPLIANT
RESISTOR, METAL FILM, 0.5 W, 1 %, 147000 ohm, THROUGH HOLE MOUNT AXIAL LEADED, ROHS COMPLIANT
RESISTOR, METAL FILM, 0.5 W, 1 %, 17800 ohm, THROUGH HOLE MOUNT AXIAL LEADED, ROHS COMPLIANT
RESISTOR, METAL FILM, 0.5 W, 1 %, 137000 ohm, THROUGH HOLE MOUNT AXIAL LEADED, ROHS COMPLIANT
RESISTOR, METAL FILM, 0.5 W, 1 %, 17400 ohm, THROUGH HOLE MOUNT AXIAL LEADED, ROHS COMPLIANT
RESISTOR, METAL FILM, 0.5 W, 1 %, 12400 ohm, THROUGH HOLE MOUNT AXIAL LEADED
RESISTOR, METAL FILM, 0.5 W, 1 %, 34.8 ohm, THROUGH HOLE MOUNT AXIAL LEADED, ROHS COMPLIANT
RESISTOR, METAL FILM, 0.5 W, 1 %, 187000 ohm, THROUGH HOLE MOUNT AXIAL LEADED
RESISTOR, METAL FILM, 0.5 W, 1 %, 34 ohm, THROUGH HOLE MOUNT AXIAL LEADED, ROHS COMPLIANT
RESISTOR, METAL FILM, 3 W, 1 %, 412000 ohm, THROUGH HOLE MOUNT AXIAL LEADED, ROHS COMPLIANT
RESISTOR, METAL FILM, 3 W, 1 %, 402000 ohm, THROUGH HOLE MOUNT AXIAL LEADED, ROHS COMPLIANT
RESISTOR, METAL FILM, 3 W, 1 %, 40.2 ohm, THROUGH HOLE MOUNT AXIAL LEADED, ROHS COMPLIANT
RESISTOR, METAL FILM, 3 W, 1 %, 442 ohm, THROUGH HOLE MOUNT AXIAL LEADED, ROHS COMPLIANT
RESISTOR, METAL FILM, 3 W, 1 %, 46.4 ohm, THROUGH HOLE MOUNT AXIAL LEADED, ROHS COMPLIANT
RESISTOR, METAL FILM, 3 W, 1 %, 40200 ohm, THROUGH HOLE MOUNT AXIAL LEADED, ROHS COMPLIANT
RESISTOR, METAL FILM, 3 W, 1 %, 42200 ohm, THROUGH HOLE MOUNT AXIAL LEADED, ROHS COMPLIANT
RESISTOR, METAL FILM, 3 W, 1 %, 41200 ohm, THROUGH HOLE MOUNT AXIAL LEADED, ROHS COMPLIANT
RESISTOR, METAL FILM, 2 W, 1 %, 475000 ohm, THROUGH HOLE MOUNT AXIAL LEADED, ROHS COMPLIANT
RESISTOR, METAL FILM, 2 W, 1 %, 47.5 ohm, THROUGH HOLE MOUNT AXIAL LEADED, ROHS COMPLIANT
RESISTOR, METAL FILM, 2 W, 1 %, 475 ohm, THROUGH HOLE MOUNT AXIAL LEADED, ROHS COMPLIANT
RESISTOR, METAL FILM, 3 W, 1 %, 422000 ohm, THROUGH HOLE MOUNT AXIAL LEADED, ROHS COMPLIANT
RESISTOR, METAL FILM, 3 W, 1 %, 412 ohm, THROUGH HOLE MOUNT AXIAL LEADED, ROHS COMPLIANT
RESISTOR, METAL FILM, 3 W, 1 %, 402 ohm, THROUGH HOLE MOUNT AXIAL LEADED, ROHS COMPLIANT
RESISTOR, METAL FILM, 3 W, 1 %, 4420 ohm, THROUGH HOLE MOUNT AXIAL LEADED, ROHS COMPLIANT
RESISTOR, METAL FILM, 3 W, 1 %, 422 ohm, THROUGH HOLE MOUNT AXIAL LEADED, ROHS COMPLIANT
RESISTOR, METAL FILM, 3 W, 1 %, 442000 ohm, THROUGH HOLE MOUNT AXIAL LEADED, ROHS COMPLIANT
RESISTOR, METAL FILM, 0.5 W, 1 %, 2050 ohm, THROUGH HOLE MOUNT AXIAL LEADED, ROHS COMPLIANT
RESISTOR, METAL FILM, 0.5 W, 1 %, 21500 ohm, THROUGH HOLE MOUNT AXIAL LEADED, ROHS COMPLIANT
RESISTOR, METAL FILM, 0.5 W, 1 %, 25.5 ohm, THROUGH HOLE MOUNT AXIAL LEADED, ROHS COMPLIANT
RESISTOR, METAL FILM, 2 W, 1 %, 76.8 ohm, THROUGH HOLE MOUNT AXIAL LEADED, ROHS COMPLIANT
RESISTOR, METAL FILM, 0.5 W, 1 %, 20500 ohm, THROUGH HOLE MOUNT AXIAL LEADED, ROHS COMPLIANT
RESISTOR, METAL FILM, 0.5 W, 1 %, 25500 ohm, THROUGH HOLE MOUNT AXIAL LEADED, ROHS COMPLIANT
RESISTOR, METAL FILM, 3 W, 1 %, 41.2 ohm, THROUGH HOLE MOUNT AXIAL LEADED, ROHS COMPLIANT
RESISTOR, METAL FILM, 0.5 W, 1 %, 20.5 ohm, THROUGH HOLE MOUNT AXIAL LEADED, ROHS COMPLIANT
RESISTOR, METAL FILM, 0.5 W, 1 %, 80.6 ohm, THROUGH HOLE MOUNT AXIAL LEADED, ROHS COMPLIANT
RESISTOR, METAL FILM, 0.5 W, 1 %, 2150 ohm, THROUGH HOLE MOUNT AXIAL LEADED, ROHS COMPLIANT
RESISTOR, METAL FILM, 0.5 W, 1 %, 21.5 ohm, THROUGH HOLE MOUNT AXIAL LEADED, ROHS COMPLIANT
RESISTOR, METAL FILM, 2 W, 1 %, 158 ohm, THROUGH HOLE MOUNT AXIAL LEADED
RESISTOR, METAL FILM, 2 W, 1 %, 28 ohm, THROUGH HOLE MOUNT AXIAL LEADED
RESISTOR, METAL FILM, 2 W, 1 %, 48.7 ohm, THROUGH HOLE MOUNT AXIAL LEADED
RESISTOR, METAL FILM, 2 W, 5 %, 18 ohm, THROUGH HOLE MOUNT AXIAL LEADED
RESISTOR, METAL FILM, 2 W, 1 %, 28.7 ohm, THROUGH HOLE MOUNT AXIAL LEADED
RESISTOR, METAL FILM, 2 W, 5 %, 68 ohm, THROUGH HOLE MOUNT AXIAL LEADED
RESISTOR, METAL FILM, 2 W, 1 %, 88.7 ohm, THROUGH HOLE MOUNT AXIAL LEADED
RESISTOR, METAL FILM, 2 W, 1 %, 768 ohm, THROUGH HOLE MOUNT AXIAL LEADED
RESISTOR, METAL FILM, 2 W, 1 %, 178 ohm, THROUGH HOLE MOUNT AXIAL LEADED
RESISTOR, METAL FILM, 2 W, 1 %, 348 ohm, THROUGH HOLE MOUNT AXIAL LEADED
RESISTOR, METAL FILM, 2 W, 1 %, 8.25 ohm, THROUGH HOLE MOUNT AXIAL LEADED
RESISTOR, METAL FILM, 2 W, 1 %, 68.1 ohm, THROUGH HOLE MOUNT AXIAL LEADED
RESISTOR, METAL FILM, 2 W, 1 %, 8.45 ohm, THROUGH HOLE MOUNT AXIAL LEADED
RESISTOR, METAL FILM, 2 W, 1 %, 38.3 ohm, THROUGH HOLE MOUNT AXIAL LEADED
RESISTOR, METAL FILM, 2 W, 1 %, 8.66 ohm, THROUGH HOLE MOUNT AXIAL LEADED
RESISTOR, METAL FILM, 2 W, 1 %, 698 ohm, THROUGH HOLE MOUNT AXIAL LEADED
RESISTOR, METAL FILM, 2 W, 1 %, 18.7 ohm, THROUGH HOLE MOUNT AXIAL LEADED
RESISTOR, METAL FILM, 2 W, 1 %, 8.06 ohm, THROUGH HOLE MOUNT AXIAL LEADED
Vishay Intertechnology, Inc.
HF21FF_-1ZXXX HF21FF HF21FF_-1HFXXX HF21FF_-1HSFXX SUBMINIATURE HIGH POWER RELAY
Radial-leaded Metal Oxide Varistor ( ROV ); ROV20H391K ( Raychem )
Radial-leaded Metal Oxide Varistor ( ROV ); ROV20H470L-2 ( Raychem )
Radial-leaded Metal Oxide Varistor ( ROV ); ROV20H391K-2 ( Raychem )
Radial-leaded Metal Oxide Varistor ( ROV ); ROV20H431K-S ( Raychem )
Radial-leaded Metal Oxide Varistor ( ROV ); ROV20H390L-S ( Raychem )
Radial-leaded Metal Oxide Varistor ( ROV ); ROV20H390L-2 ( Raychem )
Radial-leaded Metal Oxide Varistor ( ROV ); ROV20H390L-S-2 ( Raychem )
Radial-leaded Metal Oxide Varistor ( ROV ); ROV20H390L ( Raychem )
Radial-leaded Metal Oxide Varistor ( ROV ); ROV20H431K-S-2 ( Raychem ) 超小型大功率继电
HONGFA[Hongfa Technology]
厦门宏发电声股份有限公司
Xiamen Hongfa Electroacoustic Co., Ltd.
PO591-05T1.6R PO595-05T1.6R PO593-05T1.6R PO595-05 RESISTOR, METAL OXIDE FILM, 4 W, 5 %, 200 ppm, 1.6 ohm, THROUGH HOLE MOUNT AXIAL LEADED
RESISTOR, METAL OXIDE FILM, 1 W, 5 %, 200 ppm, 1.6 ohm, THROUGH HOLE MOUNT AXIAL LEADED
RESISTOR, METAL OXIDE FILM, 2 W, 5 %, 200 ppm, 1.6 ohm, THROUGH HOLE MOUNT AXIAL LEADED
RESISTOR, METAL OXIDE FILM, 1 W, 5 %, 200 ppm, 3.6 ohm, THROUGH HOLE MOUNT AXIAL LEADED
RESISTOR, METAL OXIDE FILM, 3 W, 5 %, 200 ppm, 2.7 ohm, THROUGH HOLE MOUNT AXIAL LEADED
RESISTOR, METAL OXIDE FILM, 1 W, 5 %, 200 ppm, 2.7 ohm, THROUGH HOLE MOUNT AXIAL LEADED
RESISTOR, METAL OXIDE FILM, 4 W, 5 %, 200 ppm, 2.7 ohm, THROUGH HOLE MOUNT AXIAL LEADED
RESISTOR, METAL OXIDE FILM, 2 W, 5 %, 200 ppm, 3.6 ohm, THROUGH HOLE MOUNT AXIAL LEADED
RESISTOR, METAL OXIDE FILM, 4 W, 5 %, 200 ppm, 3.6 ohm, THROUGH HOLE MOUNT AXIAL LEADED
RESISTOR, METAL OXIDE FILM, 3 W, 2 %, 200 ppm, 2.15 ohm, THROUGH HOLE MOUNT AXIAL LEADED
RESISTOR, METAL OXIDE FILM, 3 W, 5 %, 200 ppm, 3.6 ohm, THROUGH HOLE MOUNT AXIAL LEADED
RESISTOR, METAL OXIDE FILM, 4 W, 2 %, 200 ppm, 5.9 ohm, THROUGH HOLE MOUNT AXIAL LEADED
RESISTOR, METAL OXIDE FILM, 4 W, 5 %, 200 ppm, 3.9 ohm, THROUGH HOLE MOUNT AXIAL LEADED
RESISTOR, METAL OXIDE FILM, 2 W, 5 %, 200 ppm, 6.8 ohm, THROUGH HOLE MOUNT AXIAL LEADED
RESISTOR, METAL OXIDE FILM, 4 W, 2 %, 200 ppm, 2.15 ohm, THROUGH HOLE MOUNT AXIAL LEADED
RESISTOR, METAL OXIDE FILM, 4 W, 5 %, 200 ppm, 6.8 ohm, THROUGH HOLE MOUNT AXIAL LEADED
RESISTOR, METAL OXIDE FILM, 1 W, 5 %, 200 ppm, 3.9 ohm, THROUGH HOLE MOUNT AXIAL LEADED
RESISTOR, METAL OXIDE FILM, 2 W, 2 %, 200 ppm, 2.15 ohm, THROUGH HOLE MOUNT AXIAL LEADED
RESISTOR, METAL OXIDE FILM, 3 W, 5 %, 200 ppm, 6.8 ohm, THROUGH HOLE MOUNT AXIAL LEADED
RESISTOR, METAL OXIDE FILM, 3 W, 5 %, 200 ppm, 4.3 ohm, THROUGH HOLE MOUNT AXIAL LEADED
RESISTOR, METAL OXIDE FILM, 1 W, 1 %, 50 ppm, 45.3 ohm, THROUGH HOLE MOUNT AXIAL LEADED
RESISTOR, METAL OXIDE FILM, 2 W, 2 %, 200 ppm, 6.81 ohm, THROUGH HOLE MOUNT AXIAL LEADED
RESISTOR, METAL OXIDE FILM, 1 W, 1 %, 50 ppm, 61.9 ohm, THROUGH HOLE MOUNT AXIAL LEADED
RESISTOR, METAL OXIDE FILM, 4 W, 5 %, 200 ppm, 4.3 ohm, THROUGH HOLE MOUNT AXIAL LEADED
RESISTOR, METAL OXIDE FILM, 1 W, 1 %, 50 ppm, 63.4 ohm, THROUGH HOLE MOUNT AXIAL LEADED
RESISTOR, METAL OXIDE FILM, 2 W, 5 %, 200 ppm, 4.3 ohm, THROUGH HOLE MOUNT AXIAL LEADED
RESISTOR, METAL OXIDE FILM, 1 W, 5 %, 200 ppm, 4.3 ohm, THROUGH HOLE MOUNT AXIAL LEADED
RESISTOR, METAL OXIDE FILM, 3 W, 2 %, 200 ppm, 7.5 ohm, THROUGH HOLE MOUNT AXIAL LEADED
RESISTOR, METAL OXIDE FILM, 1 W, 5 %, 200 ppm, 6.8 ohm, THROUGH HOLE MOUNT AXIAL LEADED
RESISTOR, METAL OXIDE FILM, 2 W, 2 %, 200 ppm, 61.9 ohm, THROUGH HOLE MOUNT AXIAL LEADED
RESISTOR, METAL OXIDE FILM, 2 W, 5 %, 200 ppm, 3.9 ohm, THROUGH HOLE MOUNT AXIAL LEADED
RESISTOR, METAL OXIDE FILM, 2 W, 5 %, 200 ppm, 2.7 ohm, THROUGH HOLE MOUNT AXIAL LEADED
RESISTOR, METAL OXIDE FILM, 3 W, 5 %, 200 ppm, 3.9 ohm, THROUGH HOLE MOUNT AXIAL LEADED
RESISTOR, METAL OXIDE FILM, 4 W, 2 %, 200 ppm, 7.5 ohm, THROUGH HOLE MOUNT AXIAL LEADED
RESISTOR, METAL OXIDE FILM, 3 W, 2 %, 200 ppm, 61.9 ohm, THROUGH HOLE MOUNT AXIAL LEADED
RESISTOR, METAL OXIDE FILM, 4 W, 5 %, 200 ppm, 0.91 ohm, THROUGH HOLE MOUNT AXIAL LEADED
RESISTOR, METAL OXIDE FILM, 2 W, 2 %, 200 ppm, 3.32 ohm, THROUGH HOLE MOUNT AXIAL LEADED
RESISTOR, METAL OXIDE FILM, 3 W, 2 %, 200 ppm, 6.81 ohm, THROUGH HOLE MOUNT AXIAL LEADED
RESISTOR, METAL OXIDE FILM, 1 W, 5 %, 200 ppm, 9.1 ohm, THROUGH HOLE MOUNT AXIAL LEADED
RESISTOR, METAL OXIDE FILM, 3 W, 2 %, 200 ppm, 86.6 ohm, THROUGH HOLE MOUNT AXIAL LEADED
RESISTOR, METAL OXIDE FILM, 2 W, 2 %, 200 ppm, 7.5 ohm, THROUGH HOLE MOUNT AXIAL LEADED
RESISTOR, METAL OXIDE FILM, 3 W, 2 %, 200 ppm, 9090 ohm, THROUGH HOLE MOUNT AXIAL LEADED
RESISTOR, METAL OXIDE FILM, 2 W, 2 %, 200 ppm, 86.6 ohm, THROUGH HOLE MOUNT AXIAL LEADED
RESISTOR, METAL OXIDE FILM, 3 W, 5 %, 200 ppm, 9.1 ohm, THROUGH HOLE MOUNT AXIAL LEADED
RESISTOR, METAL OXIDE FILM, 3 W, 2 %, 200 ppm, 8.25 ohm, THROUGH HOLE MOUNT AXIAL LEADED
RESISTOR, METAL OXIDE FILM, 3 W, 2 %, 200 ppm, 953 ohm, THROUGH HOLE MOUNT AXIAL LEADED
RESISTOR, METAL OXIDE FILM, 3 W, 2 %, 200 ppm, 95.3 ohm, THROUGH HOLE MOUNT AXIAL LEADED
RESISTOR, METAL OXIDE FILM, 3 W, 5 %, 200 ppm, 91000 ohm, THROUGH HOLE MOUNT AXIAL LEADED
RESISTOR, METAL OXIDE FILM, 4 W, 2 %, 200 ppm, 3.32 ohm, THROUGH HOLE MOUNT AXIAL LEADED
RESISTOR, METAL OXIDE FILM, 3 W, 2 %, 200 ppm, 9530 ohm, THROUGH HOLE MOUNT AXIAL LEADED
RESISTOR, METAL OXIDE FILM, 4 W, 2 %, 200 ppm, 9.09 ohm, THROUGH HOLE MOUNT AXIAL LEADED
RESISTOR, METAL OXIDE FILM, 4 W, 2 %, 200 ppm, 953 ohm, THROUGH HOLE MOUNT AXIAL LEADED
RESISTOR, METAL OXIDE FILM, 3 W, 2 %, 200 ppm, 9.09 ohm, THROUGH HOLE MOUNT AXIAL LEADED
RESISTOR, METAL OXIDE FILM, 4 W, 2 %, 200 ppm, 8.25 ohm, THROUGH HOLE MOUNT AXIAL LEADED
RESISTOR, METAL OXIDE FILM, 3 W, 5 %, 200 ppm, 9100 ohm, THROUGH HOLE MOUNT AXIAL LEADED
RESISTOR, METAL OXIDE FILM, 2 W, 5 %, 200 ppm, 9.1 ohm, THROUGH HOLE MOUNT AXIAL LEADED
RESISTOR, METAL OXIDE FILM, 2 W, 2 %, 200 ppm, 5.9 ohm, THROUGH HOLE MOUNT AXIAL LEADED
RESISTOR, METAL OXIDE FILM, 3 W, 5 %, 200 ppm, 910 ohm, THROUGH HOLE MOUNT AXIAL LEADED
RESISTOR, METAL OXIDE FILM, 4 W, 2 %, 200 ppm, 9.53 ohm, THROUGH HOLE MOUNT AXIAL LEADED
RESISTOR, METAL OXIDE FILM, 3 W, 2 %, 200 ppm, 3.32 ohm, THROUGH HOLE MOUNT AXIAL LEADED
RESISTOR, METAL OXIDE FILM, 3 W, 2 %, 200 ppm, 90900 ohm, THROUGH HOLE MOUNT AXIAL LEADED
RESISTOR, METAL OXIDE FILM, 1 W, 1 %, 50 ppm, 84.5 ohm, THROUGH HOLE MOUNT AXIAL LEADED
RESISTOR, METAL OXIDE FILM, 4 W, 2 %, 200 ppm, 909 ohm, THROUGH HOLE MOUNT AXIAL LEADED
RESISTOR, METAL OXIDE FILM, 4 W, 2 %, 200 ppm, 86.6 ohm, THROUGH HOLE MOUNT AXIAL LEADED
RESISTOR, METAL OXIDE FILM, 4 W, 5 %, 200 ppm, 91 ohm, THROUGH HOLE MOUNT AXIAL LEADED
RESISTOR, METAL OXIDE FILM, 3 W, 2 %, 200 ppm, 9.53 ohm, THROUGH HOLE MOUNT AXIAL LEADED
RESISTOR, METAL OXIDE FILM, 2 W, 2 %, 200 ppm, 8.25 ohm, THROUGH HOLE MOUNT AXIAL LEADED
RESISTOR, METAL OXIDE FILM, 3 W, 2 %, 200 ppm, 95300 ohm, THROUGH HOLE MOUNT AXIAL LEADED
RESISTOR, METAL OXIDE FILM, 4 W, 2 %, 200 ppm, 90.9 ohm, THROUGH HOLE MOUNT AXIAL LEADED
RESISTOR, METAL OXIDE FILM, 4 W, 2 %, 200 ppm, 13.3 ohm, THROUGH HOLE MOUNT AXIAL LEADED
RESISTOR, METAL OXIDE FILM, 1 W, 1 %, 50 ppm, 13.3 ohm, THROUGH HOLE MOUNT AXIAL LEADED
RESISTOR, METAL OXIDE FILM, 2 W, 5 %, 200 ppm, 13 ohm, THROUGH HOLE MOUNT AXIAL LEADED
RESISTOR, METAL OXIDE FILM, 3 W, 2 %, 200 ppm, 13.3 ohm, THROUGH HOLE MOUNT AXIAL LEADED
RESISTOR, METAL OXIDE FILM, 2 W, 2 %, 200 ppm, 28.7 ohm, THROUGH HOLE MOUNT AXIAL LEADED
RESISTOR, METAL OXIDE FILM, 1 W, 1 %, 50 ppm, 13.7 ohm, THROUGH HOLE MOUNT AXIAL LEADED
RESISTOR, METAL OXIDE FILM, 3 W, 2 %, 200 ppm, 287 ohm, THROUGH HOLE MOUNT AXIAL LEADED
RESISTOR, METAL OXIDE FILM, 1 W, 1 %, 50 ppm, 28.7 ohm, THROUGH HOLE MOUNT AXIAL LEADED
RESISTOR, METAL OXIDE FILM, 4 W, 5 %, 200 ppm, 13 ohm, THROUGH HOLE MOUNT AXIAL LEADED
RESISTOR, METAL OXIDE FILM, 1 W, 5 %, 200 ppm, 10000000 ohm, THROUGH HOLE MOUNT AXIAL LEADED
RESISTOR, METAL OXIDE FILM, 3 W, 5 %, 200 ppm, 91 ohm, THROUGH HOLE MOUNT AXIAL LEADED
RESISTOR, METAL OXIDE FILM, 4 W, 2 %, 200 ppm, 61.9 ohm, THROUGH HOLE MOUNT AXIAL LEADED
RESISTOR, METAL OXIDE FILM, 1 W, 1 %, 50 ppm, 28 ohm, THROUGH HOLE MOUNT AXIAL LEADED
RESISTOR, METAL OXIDE FILM, 3 W, 2 %, 200 ppm, 28.7 ohm, THROUGH HOLE MOUNT AXIAL LEADED
RESISTOR, METAL OXIDE FILM, 3 W, 5 %, 200 ppm, 13 ohm, THROUGH HOLE MOUNT AXIAL LEADED
RESISTOR, METAL OXIDE FILM, 1 W, 1 %, 50 ppm, 13 ohm, THROUGH HOLE MOUNT AXIAL LEADED
RESISTOR, METAL OXIDE FILM, 4 W, 2 %, 200 ppm, 24.9 ohm, THROUGH HOLE MOUNT AXIAL LEADED
RESISTOR, METAL OXIDE FILM, 4 W, 5 %, 200 ppm, 0.24 ohm, THROUGH HOLE MOUNT AXIAL LEADED
RESISTOR, METAL OXIDE FILM, 1 W, 1 %, 50 ppm, 24.3 ohm, THROUGH HOLE MOUNT AXIAL LEADED
RESISTOR, METAL OXIDE FILM, 2 W, 2 %, 200 ppm, 13.3 ohm, THROUGH HOLE MOUNT AXIAL LEADED
RESISTOR, METAL OXIDE FILM, 2 W, 2 %, 200 ppm, 24.9 ohm, THROUGH HOLE MOUNT AXIAL LEADED
RESISTOR, METAL OXIDE FILM, 1 W, 5 %, 200 ppm, 0.24 ohm, THROUGH HOLE MOUNT AXIAL LEADED
RESISTOR, METAL OXIDE FILM, 4 W, 2 %, 200 ppm, 28.7 ohm, THROUGH HOLE MOUNT AXIAL LEADED
RESISTOR, METAL OXIDE FILM, 1 W, 5 %, 200 ppm, 24 ohm, THROUGH HOLE MOUNT AXIAL LEADED
RESISTOR, METAL OXIDE FILM, 4 W, 5 %, 200 ppm, 9.1 ohm, THROUGH HOLE MOUNT AXIAL LEADED
RESISTOR, METAL OXIDE FILM, 3 W, 5 %, 200 ppm, 0.24 ohm, THROUGH HOLE MOUNT AXIAL LEADED
RESISTOR, METAL OXIDE FILM, 4 W, 5 %, 200 ppm, 24 ohm, THROUGH HOLE MOUNT AXIAL LEADED
RESISTOR, METAL OXIDE FILM, 2 W, 5 %, 200 ppm, 0.24 ohm, THROUGH HOLE MOUNT AXIAL LEADED
RESISTOR, METAL OXIDE FILM, 3 W, 5 %, 200 ppm, 24 ohm, THROUGH HOLE MOUNT AXIAL LEADED
RESISTOR, METAL OXIDE FILM, 3 W, 2 %, 200 ppm, 909 ohm, THROUGH HOLE MOUNT AXIAL LEADED
RESISTOR, METAL OXIDE FILM, 3 W, 2 %, 200 ppm, 24.9 ohm, THROUGH HOLE MOUNT AXIAL LEADED
RESISTOR, METAL OXIDE FILM, 2 W, 5 %, 200 ppm, 24 ohm, THROUGH HOLE MOUNT AXIAL LEADED
RESISTOR, METAL OXIDE FILM, 2 W, 2 %, 200 ppm, 59 ohm, THROUGH HOLE MOUNT AXIAL LEADED
RESISTOR, METAL OXIDE FILM, 1 W, 1 %, 50 ppm, 59 ohm, THROUGH HOLE MOUNT AXIAL LEADED
RESISTOR, METAL OXIDE FILM, 3 W, 2 %, 200 ppm, 59 ohm, THROUGH HOLE MOUNT AXIAL LEADED
RESISTOR, METAL OXIDE FILM, 4 W, 2 %, 200 ppm, 59 ohm, THROUGH HOLE MOUNT AXIAL LEADED
RESISTOR, METAL OXIDE FILM, 3 W, 2 %, 200 ppm, 4.02 ohm, THROUGH HOLE MOUNT AXIAL LEADED
RESISTOR, METAL OXIDE FILM, 4 W, 2 %, 200 ppm, 4.02 ohm, THROUGH HOLE MOUNT AXIAL LEADED
RESISTOR, METAL OXIDE FILM, 2 W, 2 %, 200 ppm, 4.02 ohm, THROUGH HOLE MOUNT AXIAL LEADED
RESISTOR, METAL OXIDE FILM, 4 W, 2 %, 200 ppm, 215 ohm, THROUGH HOLE MOUNT AXIAL LEADED
RESISTOR, METAL OXIDE FILM, 4 W, 2 %, 200 ppm, 1210 ohm, THROUGH HOLE MOUNT AXIAL LEADED
RESISTOR, METAL OXIDE FILM, 3 W, 2 %, 200 ppm, 215 ohm, THROUGH HOLE MOUNT AXIAL LEADED
RESISTOR, METAL OXIDE FILM, 2 W, 2 %, 200 ppm, 121 ohm, THROUGH HOLE MOUNT AXIAL LEADED
RESISTOR, METAL OXIDE FILM, 4 W, 2 %, 200 ppm, 1.15 ohm, THROUGH HOLE MOUNT AXIAL LEADED
RESISTOR, METAL OXIDE FILM, 3 W, 2 %, 200 ppm, 7.15 ohm, THROUGH HOLE MOUNT AXIAL LEADED
RESISTOR, METAL OXIDE FILM, 4 W, 5 %, 200 ppm, 7.5 ohm, THROUGH HOLE MOUNT AXIAL LEADED
RESISTOR, METAL OXIDE FILM, 1 W, 1 %, 50 ppm, 25.5 ohm, THROUGH HOLE MOUNT AXIAL LEADED
RESISTOR, METAL OXIDE FILM, 1 W, 5 %, 200 ppm, 20 ohm, THROUGH HOLE MOUNT AXIAL LEADED
RESISTOR, METAL OXIDE FILM, 2 W, 2 %, 200 ppm, 2.37 ohm, THROUGH HOLE MOUNT AXIAL LEADED
RESISTOR, METAL OXIDE FILM, 3 W, 2 %, 200 ppm, 1.15 ohm, THROUGH HOLE MOUNT AXIAL LEADED
RESISTOR, METAL OXIDE FILM, 1 W, 1 %, 50 ppm, 23.7 ohm, THROUGH HOLE MOUNT AXIAL LEADED
RESISTOR, METAL OXIDE FILM, 2 W, 2 %, 200 ppm, 4.22 ohm, THROUGH HOLE MOUNT AXIAL LEADED
RESISTOR, METAL OXIDE FILM, 2 W, 5 %, 200 ppm, 20 ohm, THROUGH HOLE MOUNT AXIAL LEADED
RESISTOR, METAL OXIDE FILM, 2 W, 2 %, 200 ppm, 1.15 ohm, THROUGH HOLE MOUNT AXIAL LEADED
RESISTOR, METAL OXIDE FILM, 4 W, 2 %, 200 ppm, 7.15 ohm, THROUGH HOLE MOUNT AXIAL LEADED
RESISTOR, METAL OXIDE FILM, 2 W, 5 %, 200 ppm, 3.3 ohm, THROUGH HOLE MOUNT AXIAL LEADED
RESISTOR, METAL OXIDE FILM, 3 W, 2 %, 200 ppm, 21500 ohm, THROUGH HOLE MOUNT AXIAL LEADED
RESISTOR, METAL OXIDE FILM, 4 W, 2 %, 200 ppm, 3.01 ohm, THROUGH HOLE MOUNT AXIAL LEADED
RESISTOR, METAL OXIDE FILM, 2 W, 2 %, 200 ppm, 121000 ohm, THROUGH HOLE MOUNT AXIAL LEADED
RESISTOR, METAL OXIDE FILM, 3 W, 2 %, 200 ppm, 121 ohm, THROUGH HOLE MOUNT AXIAL LEADED
RESISTOR, METAL OXIDE FILM, 3 W, 2 %, 200 ppm, 1210 ohm, THROUGH HOLE MOUNT AXIAL LEADED
RESISTOR, METAL OXIDE FILM, 2 W, 2 %, 200 ppm, 1.33 ohm, THROUGH HOLE MOUNT AXIAL LEADED
RESISTOR, METAL OXIDE FILM, 4 W, 2 %, 200 ppm, 121 ohm, THROUGH HOLE MOUNT AXIAL LEADED
RESISTOR, METAL OXIDE FILM, 1 W, 5 %, 200 ppm, 7.5 ohm, THROUGH HOLE MOUNT AXIAL LEADED
RESISTOR, METAL OXIDE FILM, 4 W, 2 %, 200 ppm, 2.05 ohm, THROUGH HOLE MOUNT AXIAL LEADED
RESISTOR, METAL OXIDE FILM, 2 W, 2 %, 200 ppm, 21500 ohm, THROUGH HOLE MOUNT AXIAL LEADED
RESISTOR, METAL OXIDE FILM, 4 W, 2 %, 200 ppm, 20.5 ohm, THROUGH HOLE MOUNT AXIAL LEADED
RESISTOR, METAL OXIDE FILM, 4 W, 2 %, 200 ppm, 21.5 ohm, THROUGH HOLE MOUNT AXIAL LEADED
RESISTOR, METAL OXIDE FILM, 2 W, 2 %, 200 ppm, 21.5 ohm, THROUGH HOLE MOUNT AXIAL LEADED
RESISTOR, METAL OXIDE FILM, 4 W, 2 %, 200 ppm, 23.7 ohm, THROUGH HOLE MOUNT AXIAL LEADED
RESISTOR, METAL OXIDE FILM, 3 W, 2 %, 200 ppm, 20.5 ohm, THROUGH HOLE MOUNT AXIAL LEADED
RESISTOR, METAL OXIDE FILM, 2 W, 2 %, 200 ppm, 20.5 ohm, THROUGH HOLE MOUNT AXIAL LEADED
RESISTOR, METAL OXIDE FILM, 1 W, 1 %, 50 ppm, 21 ohm, THROUGH HOLE MOUNT AXIAL LEADED
RESISTOR, METAL OXIDE FILM, 4 W, 2 %, 200 ppm, 21500 ohm, THROUGH HOLE MOUNT AXIAL LEADED
RESISTOR, METAL OXIDE FILM, 2 W, 2 %, 200 ppm, 3.83 ohm, THROUGH HOLE MOUNT AXIAL LEADED
RESISTOR, METAL OXIDE FILM, 1 W, 1 %, 50 ppm, 21.5 ohm, THROUGH HOLE MOUNT AXIAL LEADED
RESISTOR, METAL OXIDE FILM, 3 W, 2 %, 200 ppm, 4.22 ohm, THROUGH HOLE MOUNT AXIAL LEADED
RESISTOR, METAL OXIDE FILM, 1 W, 1 %, 50 ppm, 20.5 ohm, THROUGH HOLE MOUNT AXIAL LEADED
RESISTOR, METAL OXIDE FILM, 3 W, 2 %, 200 ppm, 21.5 ohm, THROUGH HOLE MOUNT AXIAL LEADED
RESISTOR, METAL OXIDE FILM, 2 W, 2 %, 200 ppm, 1210 ohm, THROUGH HOLE MOUNT AXIAL LEADED
RESISTOR, METAL OXIDE FILM, 3 W, 5 %, 200 ppm, 7.5 ohm, THROUGH HOLE MOUNT AXIAL LEADED
RESISTOR, METAL OXIDE FILM, 4 W, 2 %, 200 ppm, 1.54 ohm, THROUGH HOLE MOUNT AXIAL LEADED
RESISTOR, METAL OXIDE FILM, 4 W, 2 %, 200 ppm, 4.22 ohm, THROUGH HOLE MOUNT AXIAL LEADED
RESISTOR, METAL OXIDE FILM, 2 W, 2 %, 200 ppm, 9.53 ohm, THROUGH HOLE MOUNT AXIAL LEADED
RESISTOR, METAL OXIDE FILM, 2 W, 2 %, 200 ppm, 1.54 ohm, THROUGH HOLE MOUNT AXIAL LEADED
RESISTOR, METAL OXIDE FILM, 2 W, 2 %, 200 ppm, 23.7 ohm, THROUGH HOLE MOUNT AXIAL LEADED
RESISTOR, METAL OXIDE FILM, 3 W, 2 %, 200 ppm, 1.33 ohm, THROUGH HOLE MOUNT AXIAL LEADED
RESISTOR, METAL OXIDE FILM, 4 W, 2 %, 200 ppm, 1.47 ohm, THROUGH HOLE MOUNT AXIAL LEADED
RESISTOR, METAL OXIDE FILM, 2 W, 5 %, 200 ppm, 0.47 ohm, THROUGH HOLE MOUNT AXIAL LEADED
RESISTOR, METAL OXIDE FILM, 1 W, 1 %, 50 ppm, 845 ohm, THROUGH HOLE MOUNT AXIAL LEADED
RESISTOR, METAL OXIDE FILM, 2 W, 2 %, 200 ppm, 1.47 ohm, THROUGH HOLE MOUNT AXIAL LEADED
RESISTOR, METAL OXIDE FILM, 1 W, 1 %, 50 ppm, 23.2 ohm, THROUGH HOLE MOUNT AXIAL LEADED
RESISTOR, METAL OXIDE FILM, 4 W, 2 %, 200 ppm, 365 ohm, THROUGH HOLE MOUNT AXIAL LEADED
RESISTOR, METAL OXIDE FILM, 2 W, 2 %, 200 ppm, 365000 ohm, THROUGH HOLE MOUNT AXIAL LEADED
RESISTOR, METAL OXIDE FILM, 1 W, 1 %, 50 ppm, 665 ohm, THROUGH HOLE MOUNT AXIAL LEADED
RESISTOR, METAL OXIDE FILM, 2 W, 2 %, 200 ppm, 215 ohm, THROUGH HOLE MOUNT AXIAL LEADED
RESISTOR, METAL OXIDE FILM, 4 W, 2 %, 200 ppm, 3650 ohm, THROUGH HOLE MOUNT AXIAL LEADED
RESISTOR, METAL OXIDE FILM, 3 W, 5 %, 200 ppm, 0.47 ohm, THROUGH HOLE MOUNT AXIAL LEADED
RESISTOR, METAL OXIDE FILM, 1 W, 1 %, 50 ppm, 453 ohm, THROUGH HOLE MOUNT AXIAL LEADED
RESISTOR, METAL OXIDE FILM, 2 W, 2 %, 200 ppm, 3650 ohm, THROUGH HOLE MOUNT AXIAL LEADED
RESISTOR, METAL OXIDE FILM, 1 W, 1 %, 50 ppm, 845000 ohm, THROUGH HOLE MOUNT AXIAL LEADED
RESISTOR, METAL OXIDE FILM, 1 W, 1 %, 50 ppm, 165000 ohm, THROUGH HOLE MOUNT AXIAL LEADED
RESISTOR, METAL OXIDE FILM, 1 W, 1 %, 50 ppm, 365 ohm, THROUGH HOLE MOUNT AXIAL LEADED
RESISTOR, METAL OXIDE FILM, 3 W, 2 %, 200 ppm, 365 ohm, THROUGH HOLE MOUNT AXIAL LEADED
RESISTOR, METAL OXIDE FILM, 1 W, 1 %, 50 ppm, 3650 ohm, THROUGH HOLE MOUNT AXIAL LEADED
RESISTOR, METAL OXIDE FILM, 1 W, 1 %, 50 ppm, 365000 ohm, THROUGH HOLE MOUNT AXIAL LEADED
RESISTOR, METAL OXIDE FILM, 4 W, 2 %, 200 ppm, 1.33 ohm, THROUGH HOLE MOUNT AXIAL LEADED
RESISTOR, METAL OXIDE FILM, 2 W, 2 %, 200 ppm, 7.15 ohm, THROUGH HOLE MOUNT AXIAL LEADED
RESISTOR, METAL OXIDE FILM, 1 W, 1 %, 50 ppm, 8450 ohm, THROUGH HOLE MOUNT AXIAL LEADED
RESISTOR, METAL OXIDE FILM, 2 W, 2 %, 200 ppm, 365 ohm, THROUGH HOLE MOUNT AXIAL LEADED
RESISTOR, METAL OXIDE FILM, 2 W, 5 %, 200 ppm, 1.3 ohm, THROUGH HOLE MOUNT AXIAL LEADED
RESISTOR, METAL OXIDE FILM, 3 W, 2 %, 200 ppm, 3650 ohm, THROUGH HOLE MOUNT AXIAL LEADED
RESISTOR, METAL OXIDE FILM, 2 W, 2 %, 200 ppm, 5.36 ohm, THROUGH HOLE MOUNT AXIAL LEADED
RESISTOR, METAL OXIDE FILM, 4 W, 5 %, 200 ppm, 20 ohm, THROUGH HOLE MOUNT AXIAL LEADED
RESISTOR, METAL OXIDE FILM, 1 W, 1 %, 50 ppm, 20 ohm, THROUGH HOLE MOUNT AXIAL LEADED
RESISTOR, METAL OXIDE FILM, 1 W, 1 %, 50 ppm, 45300 ohm, THROUGH HOLE MOUNT AXIAL LEADED
RESISTOR, METAL OXIDE FILM, 1 W, 1 %, 50 ppm, 1650 ohm, THROUGH HOLE MOUNT AXIAL LEADED
RESISTOR, METAL OXIDE FILM, 3 W, 5 %, 200 ppm, 20 ohm, THROUGH HOLE MOUNT AXIAL LEADED
RESISTOR, METAL OXIDE FILM, 2 W, 5 %, 200 ppm, 7.5 ohm, THROUGH HOLE MOUNT AXIAL LEADED
RESISTOR, METAL OXIDE FILM, 3 W, 2 %, 200 ppm, 1.47 ohm, THROUGH HOLE MOUNT AXIAL LEADED
RESISTOR, METAL OXIDE FILM, 3 W, 2 %, 200 ppm, 23.7 ohm, THROUGH HOLE MOUNT AXIAL LEADED
RESISTOR, METAL OXIDE FILM, 1 W, 1 %, 50 ppm, 6650 ohm, THROUGH HOLE MOUNT AXIAL LEADED
RESISTOR, METAL OXIDE FILM, 1 W, 1 %, 50 ppm, 665000 ohm, THROUGH HOLE MOUNT AXIAL LEADED
RESISTOR, METAL OXIDE FILM, 1 W, 1 %, 50 ppm, 165 ohm, THROUGH HOLE MOUNT AXIAL LEADED
Yageo, Corp.
Welwyn Components, Ltd.
DAU-15PTI-FO DAUE-15PTI-FO DDU-50P DBUE-25S 15 CONTACT(S), MALE, D SUBMINIATURE CONNECTOR, CRIMP, PLUG
D-Subminiature Connector; D Sub Shell Size:DB50; Leaded Process Compatible:No; Peak Reflow Compatible (260 C):No RoHS Compliant: No 50 CONTACT(S), MALE, D SUBMINIATURE CONNECTOR, CRIMP, PLUG
25 CONTACT(S), FEMALE, D SUBMINIATURE CONNECTOR, CRIMP, SOCKET
Cinch Connectors
247-1679PJB 247-1679PJC 247-1679PMB 247-1679PMC 24 D-Subminiature Connector, Right Angle EMI Filtered European Footprint
9 CONTACT(S), MALE, D SUBMINIATURE CONNECTOR, SOLDER
15 CONTACT(S), MALE, D SUBMINIATURE CONNECTOR, SOLDER
25 CONTACT(S), FEMALE, D SUBMINIATURE CONNECTOR, SOLDER
15 CONTACT(S), FEMALE, D SUBMINIATURE CONNECTOR, SOLDER
26 CONTACT(S), MALE, D SUBMINIATURE CONNECTOR, SOLDER
25 CONTACT(S), MALE, D SUBMINIATURE CONNECTOR, SOLDER
44 CONTACT(S), MALE, D SUBMINIATURE CONNECTOR, SOLDER
Glenair, Inc.
GLENAIR INC
FCE17-E09PE-9B0G FCE17-A15PE-9B0G FCE17-B25PE-9B0G FCEC17 SERIES FILTERED D-SUB CONNECTOR, PIN & SOCKET,VERTICAL MOUNT PCB TAIL, VARIOUS MOUNTING OPTIONS , RoHS COMPLIANT
9 CONTACT(S), MALE, D SUBMINIATURE CONNECTOR, SOLDER ROHS COMPLIANT
37 CONTACT(S), FEMALE, D SUBMINIATURE CONNECTOR, SOLDER ROHS COMPLIANT
37 CONTACT(S), MALE, D SUBMINIATURE CONNECTOR, SOLDER ROHS COMPLIANT
25 CONTACT(S), FEMALE, D SUBMINIATURE CONNECTOR, SOLDER ROHS COMPLIANT
15 CONTACT(S), MALE, D SUBMINIATURE CONNECTOR, SOLDER ROHS COMPLIANT
25 CONTACT(S), MALE, D SUBMINIATURE CONNECTOR, SOLDER ROHS COMPLIANT
9 CONTACT(S), FEMALE, D SUBMINIATURE CONNECTOR, SOLDER ROHS COMPLIANT
15 CONTACT(S), FEMALE, D SUBMINIATURE CONNECTOR, SOLDER ROHS COMPLIANT
Amphenol Corporation
Amphenol, Corp.
FCC17-XXXXM-XX0X FCC17-E09PM-2O0G FCC17-A15PM-2O0G FCC 17 FILTERED D-SUB CONNECTOR, PIN & SOCKET, SOLDER CUP CONTACTS
9 CONTACT(S), FEMALE, D SUBMINIATURE CONNECTOR, SOLDER
9 CONTACT(S), MALE, D SUBMINIATURE CONNECTOR, SOLDER
15 CONTACT(S), MALE, D SUBMINIATURE CONNECTOR, SOLDER
25 CONTACT(S), MALE, D SUBMINIATURE CONNECTOR, SOLDER
37 CONTACT(S), MALE, D SUBMINIATURE CONNECTOR, SOLDER
15 CONTACT(S), FEMALE, D SUBMINIATURE CONNECTOR, SOLDER
Amphenol Corporation
280-014K1P-1 280-014K1P-3 280-014K4P-1 280-014K4P- O-Ring Panel Sealing Glass-Sealed D-Subminiature Connector
25 CONTACT(S), MALE, D SUBMINIATURE CONNECTOR
Glenair, Inc.
GLENAIR INC
AZ821 AZ831-2C-9DSE AZ821-2C-12DE AZ821-2C-24DE AZ Nominal coil VCD: 6: subminiature DIP relay
Nominal coil VCD: 12: subminiature DIP relay
SUBMINIATURE DIP RELAY 微型双酯继电
(AZ831 / AZ821) SUBMINIATURE DIP RELAY
From old datasheet system
Nominal coil VCD: 48: subminiature DIP relay
Nominal coil VCD: 24: subminiature DIP relay
Nominal coil VCD: 9: subminiature DIP relay
Electronic Theatre Controls, Inc.
List of Unclassifed Manufacturers
ETC[ETC]
ZETTLER electronics
 
 Related keyword From Full Text Search System
500-008M1R3GJL-01 Pin 500-008M1R3GJL-01 semicon 500-008M1R3GJL-01 DATASHEET PDF 500-008M1R3GJL-01 control 500-008M1R3GJL-01 EEprom
500-008M1R3GJL-01 serial 500-008M1R3GJL-01 prezzo baumer 500-008M1R3GJL-01 bus 500-008M1R3GJL-01 infineon 500-008M1R3GJL-01 voltage vgs
 

 

Price & Availability of 500-008M1R3GJL-01

All Rights Reserved © IC-ON-LINE 2003 - 2022  

[Add Bookmark] [Contact Us] [Link exchange] [Privacy policy]
Mirror Sites :  [www.datasheet.hk]   [www.maxim4u.com]  [www.ic-on-line.cn] [www.ic-on-line.com] [www.ic-on-line.net] [www.alldatasheet.com.cn] [www.gdcy.com]  [www.gdcy.net]


 . . . . .
  We use cookies to deliver the best possible web experience and assist with our advertising efforts. By continuing to use this site, you consent to the use of cookies. For more information on cookies, please take a look at our Privacy Policy. X
0.027263879776001