Part Number Hot Search : 
25160 FX602 LSE22441 STI90 IRF6622 USB2514I ON3731 OZ9995
Product Description
Full Text Search

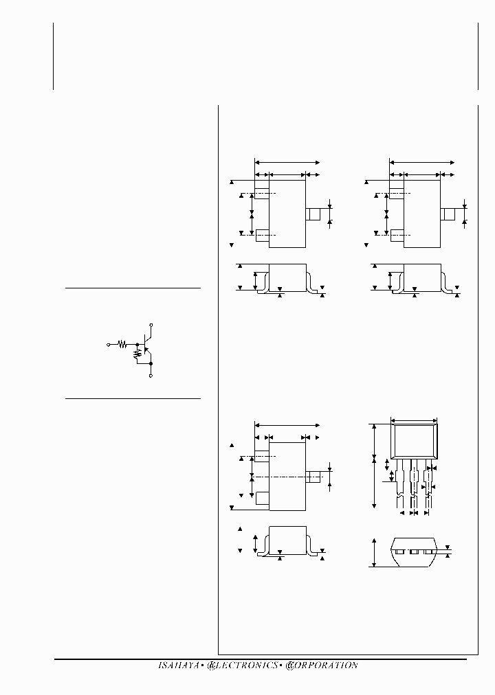
RT1P431C - Transistor With Resistor For Switching Application Silicon PNP Epitaxial Type

RT1P431C_4413176.PDF Datasheet


 Full text search : Transistor With Resistor For Switching Application Silicon PNP Epitaxial Type
 Product Description search : Transistor With Resistor For Switching Application Silicon PNP Epitaxial Type


 Related Part Number
PART Description Maker
WA84-6R8JI WA84-22RJI WA84-220RJI WA84-1R0JI WA84- RESISTOR 6.8R 3W
RESISTOR 22R 3W
RESISTOR 220R 3W
RESISTOR 1R 3W
RESISTOR 3.3R 3W
RESISTOR 2.2R 3W
RESISTOR 1.2K 3W
RESISTOR 1.8K 3W
RESISTOR 12R 3W
RESISTOR 8.2R 3W
RESISTOR 3.9R 3W
RESISTOR 1.5K 3W
RESISTOR 1.2R 3W
RESISTOR 1.5R 3W
RESISTOR 1.8R 3W
电阻4.7R 3W
电阻390R 3W
RESISTOR 150R 3W 电阻150R 3W
Welwyn Components, Ltd.
PDTC114E PDTC114EE PDTC114EEF PDTC114EK PDTC114EM 100 mA, 50 V, NPN, Si, SMALL SIGNAL TRANSISTOR, TO-236
NPN resistor-equipped transistors; R1 = 10 kOhm, R2 = 10 kOhm NPN配电阻型晶体R1=10千欧姆,R2=10千欧
NPN resistor-equipped transistor; R1 = 10 kΩ, R2 = 10 kΩ
NPN resistor-equipped transistor; R1 = 10 k楼?, R2 = 10 k楼?
NXP Semiconductors N.V.
DTA114YE ON0278 Bias Resistor Transistor PNP Silicon Surface Mount Transistor with Monolithic Bias Resistor Network
From old datasheet system
Motorola Inc
MOTOROLA[Motorola, Inc]
LMUN2234LT1 LMUN2234LT1G LMUN2231LT1 LMUN2231LT1G BIAS RESISTOR TRANSISTOR, NPN SILICON SURFACE MOUNT TRANSISTOR WITH MONOLITHIC BIAS RESISTOR NETWORK
乐山无线电股份有限公
LRC[Leshan Radio Company]
DTC144WET1G DTC114EET1 DTC114EET1_06 DTC114EET1G D Bias Resistor Transistor NPN Silicon Surface Mount Transistor with Monolithic Bias Resistor Network
ONSEMI[ON Semiconductor]
UP1/4TA62.60.05A UP1/4TB62.60.05A UP1/4TB62.60.05R RESISTOR, METAL FILM, 0.25 W, 0.05 %, 5 ppm, 62.6 ohm, THROUGH HOLE MOUNT AXIAL LEADED
RESISTOR, METAL FILM, 0.25 W, 0.05 %, 10 ppm, 62.6 ohm, THROUGH HOLE MOUNT AXIAL LEADED
RESISTOR, METAL FILM, 0.25 W, 1 %, 50 ppm, 3.7 ohm, THROUGH HOLE MOUNT AXIAL LEADED
RESISTOR, METAL FILM, 0.25 W, 0.05 %, 5 ppm, 48.1 ohm, THROUGH HOLE MOUNT AXIAL LEADED
RESISTOR, METAL FILM, 0.25 W, 0.05 %, 5 ppm, 37.9 ohm, THROUGH HOLE MOUNT AXIAL LEADED
RESISTOR, METAL FILM, 0.25 W, 0.05 %, 5 ppm, 10.6 ohm, THROUGH HOLE MOUNT AXIAL LEADED
RESISTOR, METAL FILM, 0.25 W, 0.05 %, 5 ppm, 36.5 ohm, THROUGH HOLE MOUNT AXIAL LEADED
RESISTOR, METAL FILM, 0.25 W, 0.05 %, 5 ppm, 3970 ohm, THROUGH HOLE MOUNT AXIAL LEADED
RESISTOR, METAL FILM, 0.25 W, 0.05 %, 5 ppm, 36.1 ohm, THROUGH HOLE MOUNT AXIAL LEADED
RESISTOR, METAL FILM, 0.25 W, 0.05 %, 5 ppm, 35.7 ohm, THROUGH HOLE MOUNT AXIAL LEADED
RESISTOR, METAL FILM, 0.25 W, 0.05 %, 5 ppm, 52300 ohm, THROUGH HOLE MOUNT AXIAL LEADED
RESISTOR, METAL FILM, 0.25 W, 0.05 %, 5 ppm, 3570 ohm, THROUGH HOLE MOUNT AXIAL LEADED
RESISTOR, METAL FILM, 0.25 W, 0.05 %, 5 ppm, 36500 ohm, THROUGH HOLE MOUNT AXIAL LEADED
RESISTOR, METAL FILM, 0.25 W, 0.05 %, 5 ppm, 3650 ohm, THROUGH HOLE MOUNT AXIAL LEADED
RESISTOR, METAL FILM, 0.25 W, 0.05 %, 5 ppm, 3830 ohm, THROUGH HOLE MOUNT AXIAL LEADED
RESISTOR, METAL FILM, 0.25 W, 0.05 %, 5 ppm, 35700 ohm, THROUGH HOLE MOUNT AXIAL LEADED
RESISTOR, METAL FILM, 0.25 W, 0.05 %, 5 ppm, 36100 ohm, THROUGH HOLE MOUNT AXIAL LEADED
RESISTOR, METAL FILM, 0.25 W, 0.05 %, 5 ppm, 8250 ohm, THROUGH HOLE MOUNT AXIAL LEADED
RESISTOR, METAL FILM, 0.25 W, 0.05 %, 5 ppm, 6650 ohm, THROUGH HOLE MOUNT AXIAL LEADED
RESISTOR, METAL FILM, 0.25 W, 0.05 %, 5 ppm, 20.8 ohm, THROUGH HOLE MOUNT AXIAL LEADED
RESISTOR, METAL FILM, 0.25 W, 0.05 %, 5 ppm, 20800 ohm, THROUGH HOLE MOUNT AXIAL LEADED
RESISTOR, METAL FILM, 0.25 W, 0.05 %, 5 ppm, 3610 ohm, THROUGH HOLE MOUNT AXIAL LEADED
RESISTOR, METAL FILM, 0.25 W, 0.05 %, 5 ppm, 37.4 ohm, THROUGH HOLE MOUNT AXIAL LEADED
RESISTOR, METAL FILM, 0.25 W, 0.05 %, 5 ppm, 3740 ohm, THROUGH HOLE MOUNT AXIAL LEADED
RESISTOR, METAL FILM, 0.25 W, 0.05 %, 5 ppm, 4750 ohm, THROUGH HOLE MOUNT AXIAL LEADED
RESISTOR, METAL FILM, 0.25 W, 0.05 %, 5 ppm, 3790 ohm, THROUGH HOLE MOUNT AXIAL LEADED
RESISTOR, METAL FILM, 0.25 W, 0.05 %, 5 ppm, 20.3 ohm, THROUGH HOLE MOUNT AXIAL LEADED
RESISTOR, METAL FILM, 0.25 W, 0.05 %, 5 ppm, 20300 ohm, THROUGH HOLE MOUNT AXIAL LEADED
RESISTOR, METAL FILM, 0.25 W, 0.05 %, 5 ppm, 7590 ohm, THROUGH HOLE MOUNT AXIAL LEADED
RESISTOR, METAL FILM, 0.25 W, 0.05 %, 5 ppm, 8450 ohm, THROUGH HOLE MOUNT AXIAL LEADED
RESISTOR, METAL FILM, 0.25 W, 0.05 %, 5 ppm, 6570 ohm, THROUGH HOLE MOUNT AXIAL LEADED
RESISTOR, METAL FILM, 0.25 W, 0.05 %, 5 ppm, 3920 ohm, THROUGH HOLE MOUNT AXIAL LEADED
RESISTOR, METAL FILM, 0.25 W, 0.05 %, 5 ppm, 7500 ohm, THROUGH HOLE MOUNT AXIAL LEADED
RESISTOR, METAL FILM, 0.25 W, 0.05 %, 5 ppm, 42700 ohm, THROUGH HOLE MOUNT AXIAL LEADED
RESISTOR, METAL FILM, 0.25 W, 0.05 %, 5 ppm, 42.7 ohm, THROUGH HOLE MOUNT AXIAL LEADED
RESISTOR, METAL FILM, 0.25 W, 0.05 %, 5 ppm, 3700 ohm, THROUGH HOLE MOUNT AXIAL LEADED
RESISTOR, METAL FILM, 0.25 W, 0.05 %, 5 ppm, 3880 ohm, THROUGH HOLE MOUNT AXIAL LEADED
RESISTOR, METAL FILM, 0.25 W, 0.05 %, 5 ppm, 4590 ohm, THROUGH HOLE MOUNT AXIAL LEADED
RESISTOR, METAL FILM, 0.25 W, 0.05 %, 5 ppm, 7150 ohm, THROUGH HOLE MOUNT AXIAL LEADED
RESISTOR, METAL FILM, 0.5 W, 1 %, 50 ppm, 3.7 ohm, THROUGH HOLE MOUNT AXIAL LEADED
RESISTOR, METAL FILM, 0.25 W, 0.05 %, 5 ppm, 8560 ohm, THROUGH HOLE MOUNT AXIAL LEADED
RESISTOR, METAL FILM, 0.25 W, 0.05 %, 5 ppm, 52.3 ohm, THROUGH HOLE MOUNT AXIAL LEADED
RESISTOR, METAL FILM, 0.25 W, 0.05 %, 5 ppm, 4530 ohm, THROUGH HOLE MOUNT AXIAL LEADED
RESISTOR, METAL FILM, 0.25 W, 0.05 %, 5 ppm, 62600 ohm, THROUGH HOLE MOUNT AXIAL LEADED
RESISTOR, METAL FILM, 0.25 W, 0.05 %, 5 ppm, 20.5 ohm, THROUGH HOLE MOUNT AXIAL LEADED
RESISTOR, METAL FILM, 0.25 W, 0.1 %, 15 ppm, 35.7 ohm, THROUGH HOLE MOUNT AXIAL LEADED
RESISTOR, METAL FILM, 0.25 W, 0.05 %, 5 ppm, 47500 ohm, THROUGH HOLE MOUNT AXIAL LEADED
RESISTOR, METAL FILM, 0.25 W, 0.05 %, 5 ppm, 37900 ohm, THROUGH HOLE MOUNT AXIAL LEADED
RESISTOR, METAL FILM, 0.25 W, 0.05 %, 5 ppm, 71500 ohm, THROUGH HOLE MOUNT AXIAL LEADED
RESISTOR, METAL FILM, 0.25 W, 0.05 %, 5 ppm, 66500 ohm, THROUGH HOLE MOUNT AXIAL LEADED
RESISTOR, METAL FILM, 0.25 W, 0.05 %, 5 ppm, 8350 ohm, THROUGH HOLE MOUNT AXIAL LEADED
RESISTOR, METAL FILM, 0.25 W, 0.05 %, 5 ppm, 37400 ohm, THROUGH HOLE MOUNT AXIAL LEADED
RESISTOR, METAL FILM, 0.25 W, 0.05 %, 5 ppm, 20500 ohm, THROUGH HOLE MOUNT AXIAL LEADED
RESISTOR, METAL FILM, 0.25 W, 0.05 %, 5 ppm, 38.3 ohm, THROUGH HOLE MOUNT AXIAL LEADED
RESISTOR, METAL FILM, 0.25 W, 0.05 %, 5 ppm, 12.6 ohm, THROUGH HOLE MOUNT AXIAL LEADED
RESISTOR, METAL FILM, 0.25 W, 0.05 %, 10 ppm, 3440 ohm, THROUGH HOLE MOUNT AXIAL LEADED
RESISTOR, METAL FILM, 0.25 W, 0.1 %, 15 ppm, 3360000 ohm, THROUGH HOLE MOUNT AXIAL LEADED
RESISTOR, METAL FILM, 0.25 W, 0.1 %, 15 ppm, 12.1 ohm, THROUGH HOLE MOUNT AXIAL LEADED
RESISTOR, METAL FILM, 0.25 W, 0.1 %, 15 ppm, 3360 ohm, THROUGH HOLE MOUNT AXIAL LEADED
RESISTOR, METAL FILM, 0.25 W, 0.05 %, 10 ppm, 36.1 ohm, THROUGH HOLE MOUNT AXIAL LEADED
RESISTOR, METAL FILM, 0.25 W, 0.05 %, 5 ppm, 38300 ohm, THROUGH HOLE MOUNT AXIAL LEADED
RESISTOR, METAL FILM, 0.25 W, 0.1 %, 15 ppm, 10.2 ohm, THROUGH HOLE MOUNT AXIAL LEADED
RESISTOR, METAL FILM, 0.25 W, 0.1 %, 15 ppm, 11.1 ohm, THROUGH HOLE MOUNT AXIAL LEADED
RESISTOR, METAL FILM, 0.25 W, 0.1 %, 15 ppm, 13.2 ohm, THROUGH HOLE MOUNT AXIAL LEADED
RESISTOR, METAL FILM, 0.25 W, 0.05 %, 10 ppm, 1110 ohm, THROUGH HOLE MOUNT AXIAL LEADED
RESISTOR, METAL FILM, 0.25 W, 0.05 %, 10 ppm, 1210 ohm, THROUGH HOLE MOUNT AXIAL LEADED
RESISTOR, METAL FILM, 0.25 W, 0.05 %, 10 ppm, 10.5 ohm, THROUGH HOLE MOUNT AXIAL LEADED
RESISTOR, METAL FILM, 0.25 W, 0.05 %, 10 ppm, 10500 ohm, THROUGH HOLE MOUNT AXIAL LEADED
RESISTOR, METAL FILM, 0.25 W, 0.05 %, 10 ppm, 101000 ohm, THROUGH HOLE MOUNT AXIAL LEADED
RESISTOR, METAL FILM, 0.25 W, 0.05 %, 10 ppm, 111 ohm, THROUGH HOLE MOUNT AXIAL LEADED
RESISTOR, METAL FILM, 0.25 W, 0.05 %, 10 ppm, 114000 ohm, THROUGH HOLE MOUNT AXIAL LEADED
RESISTOR, METAL FILM, 0.25 W, 0.05 %, 10 ppm, 121 ohm, THROUGH HOLE MOUNT AXIAL LEADED
RESISTOR, METAL FILM, 0.25 W, 0.05 %, 10 ppm, 121000 ohm, THROUGH HOLE MOUNT AXIAL LEADED
RESISTOR, METAL FILM, 0.25 W, 0.05 %, 10 ppm, 20500 ohm, THROUGH HOLE MOUNT AXIAL LEADED
RESISTOR, METAL FILM, 0.25 W, 0.05 %, 10 ppm, 218000 ohm, THROUGH HOLE MOUNT AXIAL LEADED
RESISTOR, METAL FILM, 0.25 W, 0.05 %, 10 ppm, 21000 ohm, THROUGH HOLE MOUNT AXIAL LEADED
RESISTOR, METAL FILM, 0.25 W, 0.05 %, 10 ppm, 12.9 ohm, THROUGH HOLE MOUNT AXIAL LEADED
RESISTOR, METAL FILM, 0.25 W, 1 %, 50 ppm, 15.6 ohm, THROUGH HOLE MOUNT AXIAL LEADED
RESISTOR, METAL FILM, 0.25 W, 0.1 %, 15 ppm, 15.6 ohm, THROUGH HOLE MOUNT AXIAL LEADED
RESISTOR, METAL FILM, 0.25 W, 0.05 %, 10 ppm, 113 ohm, THROUGH HOLE MOUNT AXIAL LEADED
RESISTOR, METAL FILM, 0.25 W, 0.05 %, 5 ppm, 56.2 ohm, THROUGH HOLE MOUNT AXIAL LEADED
Stackpole Electronics, Inc.
MMA0204-501VGO3B03.01 MMA0204-501VGO3B09.09 MMA020 RESISTOR, THIN FILM, 0.25 W, 1 %, 50 ppm, 3.01 ohm, SURFACE MOUNT MELF, GREEN
RESISTOR, THIN FILM, 0.25 W, 1 %, 50 ppm, 9.09 ohm, SURFACE MOUNT MELF, GREEN
RESISTOR, THIN FILM, 0.25 W, 1 %, 50 ppm, 6.04 ohm, SURFACE MOUNT MELF, GREEN
RESISTOR, THIN FILM, 0.25 W, 1 %, 50 ppm, 56.2 ohm, SURFACE MOUNT MELF, GREEN
RESISTOR, THIN FILM, 0.25 W, 1 %, 50 ppm, 63.4 ohm, SURFACE MOUNT MELF, GREEN
RESISTOR, THIN FILM, 0.25 W, 1 %, 50 ppm, 8.06 ohm, SURFACE MOUNT MELF, GREEN
RESISTOR, THIN FILM, 0.25 W, 1 %, 50 ppm, 39.2 ohm, SURFACE MOUNT MELF, GREEN
RESISTOR, THIN FILM, 0.2 W, 1 %, 50 ppm, 39200 ohm, SURFACE MOUNT MELF, GREEN
RESISTOR, THIN FILM, 0.2 W, 1 %, 50 ppm, 392000 ohm, SURFACE MOUNT MELF, GREEN
RESISTOR, THIN FILM, 0.25 W, 0.1 %, 15 ppm, 76.8 ohm, SURFACE MOUNT MELF, GREEN
RESISTOR, THIN FILM, 0.2 W, 1 %, 50 ppm, 392 ohm, SURFACE MOUNT MELF, GREEN
RESISTOR, THIN FILM, 0.25 W, 1 %, 50 ppm, 2.61 ohm, SURFACE MOUNT MELF, GREEN
RESISTOR, THIN FILM, 0.25 W, 1 %, 50 ppm, 95300 ohm, SURFACE MOUNT MELF, GREEN
RESISTOR, THIN FILM, 0.25 W, 1 %, 50 ppm, 25.5 ohm, SURFACE MOUNT MELF, GREEN
RESISTOR, THIN FILM, 0.25 W, 1 %, 50 ppm, 2.21 ohm, SURFACE MOUNT MELF, GREEN
RESISTOR, THIN FILM, 0.25 W, 1 %, 50 ppm, 95.3 ohm, SURFACE MOUNT MELF, GREEN
RESISTOR, THIN FILM, 0.25 W, 1 %, 50 ppm, 1.21 ohm, SURFACE MOUNT MELF, GREEN
RESISTOR, THIN FILM, 0.2 W, 1 %, 50 ppm, 5230 ohm, SURFACE MOUNT MELF, GREEN
RESISTOR, THIN FILM, 0.25 W, 1 %, 50 ppm, 1.96 ohm, SURFACE MOUNT MELF, GREEN
RESISTOR, THIN FILM, 0.2 W, 1 %, 50 ppm, 5110 ohm, SURFACE MOUNT MELF, GREEN
RESISTOR, THIN FILM, 0.25 W, 1 %, 50 ppm, 10.2 ohm, SURFACE MOUNT MELF, GREEN
RESISTOR, THIN FILM, 0.25 W, 1 %, 50 ppm, 10.5 ohm, SURFACE MOUNT MELF, GREEN
RESISTOR, THIN FILM, 0.25 W, 1 %, 50 ppm, 10.7 ohm, SURFACE MOUNT MELF, GREEN
RESISTOR, THIN FILM, 0.25 W, 1 %, 50 ppm, 2.32 ohm, SURFACE MOUNT MELF, GREEN
RESISTOR, THIN FILM, 0.25 W, 1 %, 50 ppm, 10 ohm, SURFACE MOUNT MELF, GREEN
RESISTOR, THIN FILM, 0.25 W, 1 %, 50 ppm, 953 ohm, SURFACE MOUNT MELF, GREEN
RESISTOR, THIN FILM, 0.25 W, 1 %, 50 ppm, 75 ohm, SURFACE MOUNT MELF, GREEN
RESISTOR, THIN FILM, 0.25 W, 1 %, 50 ppm, 3.83 ohm, SURFACE MOUNT MELF, GREEN
RESISTOR, THIN FILM, 0.25 W, 1 %, 50 ppm, 953000 ohm, SURFACE MOUNT MELF, GREEN
RESISTOR, THIN FILM, 0.25 W, 1 %, 50 ppm, 78.7 ohm, SURFACE MOUNT MELF, GREEN
RESISTOR, THIN FILM, 0.25 W, 1 %, 50 ppm, 3.24 ohm, SURFACE MOUNT MELF, GREEN
RESISTOR, THIN FILM, 0.25 W, 1 %, 50 ppm, 4.12 ohm, SURFACE MOUNT MELF, GREEN
RESISTOR, THIN FILM, 0.25 W, 1 %, 50 ppm, 7.87 ohm, SURFACE MOUNT MELF, GREEN
RESISTOR, THIN FILM, 0.25 W, 1 %, 50 ppm, 29.4 ohm, SURFACE MOUNT MELF, GREEN
RESISTOR, THIN FILM, 0.25 W, 0.1 %, 15 ppm, 78.7 ohm, SURFACE MOUNT MELF, GREEN
RESISTOR, THIN FILM, 0.25 W, 1 %, 50 ppm, 27.4 ohm, SURFACE MOUNT MELF, GREEN
RESISTOR, THIN FILM, 0.25 W, 1 %, 50 ppm, 1.4 ohm, SURFACE MOUNT MELF, GREEN
RESISTOR, THIN FILM, 0.25 W, 1 %, 50 ppm, 17.4 ohm, SURFACE MOUNT MELF, GREEN
RESISTOR, THIN FILM, 0.25 W, 1 %, 50 ppm, 3.4 ohm, SURFACE MOUNT MELF, GREEN
RESISTOR, THIN FILM, 0.25 W, 1 %, 50 ppm, 37.4 ohm, SURFACE MOUNT MELF, GREEN
RESISTOR, THIN FILM, 0.25 W, 1 %, 50 ppm, 46.4 ohm, SURFACE MOUNT MELF, GREEN
RESISTOR, THIN FILM, 0.25 W, 1 %, 50 ppm, 12.4 ohm, SURFACE MOUNT MELF, GREEN
RESISTOR, THIN FILM, 0.2 W, 1 %, 50 ppm, 1270 ohm, SURFACE MOUNT MELF, GREEN
RESISTOR, THIN FILM, 0.25 W, 0.1 %, 15 ppm, 86.6 ohm, SURFACE MOUNT MELF, GREEN
RESISTOR, THIN FILM, 0.25 W, 0.1 %, 15 ppm, 80.6 ohm, SURFACE MOUNT MELF, GREEN
RESISTOR, THIN FILM, 0.2 W, 1 %, 50 ppm, 1130000 ohm, SURFACE MOUNT MELF, GREEN
RESISTOR, THIN FILM, 0.2 W, 1 %, 50 ppm, 1240 ohm, SURFACE MOUNT MELF, GREEN
RESISTOR, THIN FILM, 0.2 W, 1 %, 50 ppm, 1020 ohm, SURFACE MOUNT MELF, GREEN
RESISTOR, THIN FILM, 0.25 W, 1 %, 50 ppm, 22.6 ohm, SURFACE MOUNT MELF, GREEN
RESISTOR, THIN FILM, 0.2 W, 1 %, 50 ppm, 1050 ohm, SURFACE MOUNT MELF, GREEN
RESISTOR, THIN FILM, 0.2 W, 1 %, 50 ppm, 1070 ohm, SURFACE MOUNT MELF, GREEN
RESISTOR, THIN FILM, 0.25 W, 1 %, 50 ppm, 60.4 ohm, SURFACE MOUNT MELF, GREEN
RESISTOR, THIN FILM, 0.25 W, 1 %, 50 ppm, 32.4 ohm, SURFACE MOUNT MELF, GREEN
RESISTOR, THIN FILM, 0.25 W, 1 %, 50 ppm, 15.4 ohm, SURFACE MOUNT MELF, GREEN
RESISTOR, THIN FILM, 0.2 W, 1 %, 50 ppm, 1100 ohm, SURFACE MOUNT MELF, GREEN
RESISTOR, THIN FILM, 0.25 W, 1 %, 50 ppm, 4.75 ohm, SURFACE MOUNT MELF, GREEN
RESISTOR, THIN FILM, 0.2 W, 1 %, 50 ppm, 1070000 ohm, SURFACE MOUNT MELF, GREEN
RESISTOR, THIN FILM, 0.2 W, 1 %, 50 ppm, 1150 ohm, SURFACE MOUNT MELF, GREEN
RESISTOR, THIN FILM, 0.2 W, 1 %, 50 ppm, 1210 ohm, SURFACE MOUNT MELF, GREEN
RESISTOR, THIN FILM, 0.2 W, 1 %, 50 ppm, 1210000 ohm, SURFACE MOUNT MELF, GREEN
RESISTOR, THIN FILM, 0.25 W, 1 %, 50 ppm, 1.24 ohm, SURFACE MOUNT MELF, GREEN
RESISTOR, THIN FILM, 0.25 W, 1 %, 50 ppm, 4.64 ohm, SURFACE MOUNT MELF, GREEN
RESISTOR, THIN FILM, 0.25 W, 1 %, 50 ppm, 19.6 ohm, SURFACE MOUNT MELF, GREEN
RESISTOR, THIN FILM, 0.2 W, 1 %, 50 ppm, 1180 ohm, SURFACE MOUNT MELF, GREEN
RESISTOR, THIN FILM, 0.25 W, 1 %, 50 ppm, 57.6 ohm, SURFACE MOUNT MELF, GREEN
RESISTOR, THIN FILM, 0.25 W, 0.1 %, 15 ppm, 97.6 ohm, SURFACE MOUNT MELF, GREEN
RESISTOR, THIN FILM, 0.2 W, 1 %, 50 ppm, 1150000 ohm, SURFACE MOUNT MELF, GREEN
RESISTOR, THIN FILM, 0.2 W, 1 %, 50 ppm, 1180000 ohm, SURFACE MOUNT MELF, GREEN
RESISTOR, THIN FILM, 0.2 W, 1 %, 50 ppm, 1100000 ohm, SURFACE MOUNT MELF, GREEN
RESISTOR, THIN FILM, 0.2 W, 1 %, 50 ppm, 1130 ohm, SURFACE MOUNT MELF, GREEN
RESISTOR, THIN FILM, 0.25 W, 1 %, 50 ppm, 53.6 ohm, SURFACE MOUNT MELF, GREEN
RESISTOR, THIN FILM, 0.25 W, 1 %, 50 ppm, 6.65 ohm, SURFACE MOUNT MELF, GREEN
RESISTOR, THIN FILM, 0.2 W, 1 %, 50 ppm, 1050000 ohm, SURFACE MOUNT MELF, GREEN
RESISTOR, THIN FILM, 0.2 W, 1 %, 50 ppm, 1020000 ohm, SURFACE MOUNT MELF, GREEN
RESISTOR, THIN FILM, 0.25 W, 1 %, 50 ppm, 31.6 ohm, SURFACE MOUNT MELF, GREEN
RESISTOR, THIN FILM, 0.2 W, 1 %, 50 ppm, 165000 ohm, SURFACE MOUNT MELF, GREEN
Vishay Intertechnology, Inc.
UN8231A UN8231 UNR8231A UNR8231 0706 UNR8231/UNR82 UNR8231/UNR8231A (UN8231/UN8231A) - NPN Transistor with built-in Resistor
From old datasheet system
Transistors with built-in Resistor
Matsshita / Panasonic
CNS020135MOHM0.05 CNS020205MOHM0.05 CNS020105MOHM0 RESISTOR, THIN FILM, 0.25 W, 0.05 %, 10 ppm, 1350000 ohm, THROUGH HOLE MOUNT RADIAL LEADED
RESISTOR, THIN FILM, 0.25 W, 0.05 %, 10 ppm, 2050000 ohm, THROUGH HOLE MOUNT RADIAL LEADED
RESISTOR, THIN FILM, 0.25 W, 0.1 %, 10 ppm, 1050000 ohm, THROUGH HOLE MOUNT RADIAL LEADED
RESISTOR, THIN FILM, 0.25 W, 0.05 %, 10 ppm, 1450000 ohm, THROUGH HOLE MOUNT RADIAL LEADED
RESISTOR, THIN FILM, 0.25 W, 1 %, 10 ppm, 1050000 ohm, THROUGH HOLE MOUNT RADIAL LEADED
RESISTOR, THIN FILM, 0.25 W, 1 %, 10 ppm, 1650000 ohm, THROUGH HOLE MOUNT RADIAL LEADED
RESISTOR, THIN FILM, 0.25 W, 0.1 %, 10 ppm, 1450000 ohm, THROUGH HOLE MOUNT RADIAL LEADED
RESISTOR, THIN FILM, 0.25 W, 1 %, 10 ppm, 1500000 ohm, THROUGH HOLE MOUNT RADIAL LEADED
RESISTOR, THIN FILM, 0.25 W, 1 %, 10 ppm, 2050000 ohm, THROUGH HOLE MOUNT RADIAL LEADED
RESISTOR, THIN FILM, 0.25 W, 0.05 %, 10 ppm, 1150000 ohm, THROUGH HOLE MOUNT RADIAL LEADED
RESISTOR, THIN FILM, 0.25 W, 1 %, 10 ppm, 1150000 ohm, THROUGH HOLE MOUNT RADIAL LEADED
RESISTOR, THIN FILM, 0.25 W, 0.1 %, 10 ppm, 2050000 ohm, THROUGH HOLE MOUNT RADIAL LEADED
RESISTOR, THIN FILM, 0.25 W, 0.05 %, 10 ppm, 1650000 ohm, THROUGH HOLE MOUNT RADIAL LEADED
RESISTOR, THIN FILM, 0.25 W, 0.05 %, 10 ppm, 1050000 ohm, THROUGH HOLE MOUNT RADIAL LEADED
RESISTOR, THIN FILM, 0.25 W, 0.1 %, 10 ppm, 1350000 ohm, THROUGH HOLE MOUNT RADIAL LEADED
RESISTOR, THIN FILM, 0.25 W, 0.1 %, 10 ppm, 1650000 ohm, THROUGH HOLE MOUNT RADIAL LEADED
RESISTOR, THIN FILM, 0.25 W, 0.1 %, 10 ppm, 1150000 ohm, THROUGH HOLE MOUNT RADIAL LEADED
RESISTOR, THIN FILM, 0.25 W, 0.05 %, 10 ppm, 2150000 ohm, THROUGH HOLE MOUNT RADIAL LEADED
RESISTOR, THIN FILM, 0.25 W, 0.05 %, 10 ppm, 1500000 ohm, THROUGH HOLE MOUNT RADIAL LEADED
RESISTOR, THIN FILM, 0.25 W, 0.05 %, 10 ppm, 105000 ohm, THROUGH HOLE MOUNT RADIAL LEADED
RESISTOR, THIN FILM, 0.25 W, 0.05 %, 10 ppm, 205000 ohm, THROUGH HOLE MOUNT RADIAL LEADED
RESISTOR, THIN FILM, 0.25 W, 0.05 %, 10 ppm, 305000 ohm, THROUGH HOLE MOUNT RADIAL LEADED
RESISTOR, THIN FILM, 0.25 W, 0.05 %, 10 ppm, 5050000 ohm, THROUGH HOLE MOUNT RADIAL LEADED
RESISTOR, THIN FILM, 0.25 W, 0.05 %, 10 ppm, 505000 ohm, THROUGH HOLE MOUNT RADIAL LEADED
RESISTOR, THIN FILM, 0.25 W, 0.05 %, 10 ppm, 3050000 ohm, THROUGH HOLE MOUNT RADIAL LEADED
RESISTOR, THIN FILM, 0.25 W, 0.05 %, 10 ppm, 988000 ohm, THROUGH HOLE MOUNT RADIAL LEADED
RESISTOR, THIN FILM, 0.25 W, 0.05 %, 10 ppm, 208000 ohm, THROUGH HOLE MOUNT RADIAL LEADED
RESISTOR, THIN FILM, 0.25 W, 0.05 %, 10 ppm, 258000 ohm, THROUGH HOLE MOUNT RADIAL LEADED
RESISTOR, THIN FILM, 0.25 W, 0.05 %, 10 ppm, 388000 ohm, THROUGH HOLE MOUNT RADIAL LEADED
RESISTOR, THIN FILM, 0.25 W, 0.05 %, 10 ppm, 178000 ohm, THROUGH HOLE MOUNT RADIAL LEADED
RESISTOR, THIN FILM, 0.25 W, 0.05 %, 10 ppm, 698000 ohm, THROUGH HOLE MOUNT RADIAL LEADED
RESISTOR, THIN FILM, 0.25 W, 0.05 %, 10 ppm, 298000 ohm, THROUGH HOLE MOUNT RADIAL LEADED
RESISTOR, THIN FILM, 0.25 W, 0.05 %, 10 ppm, 328000 ohm, THROUGH HOLE MOUNT RADIAL LEADED
RESISTOR, THIN FILM, 0.25 W, 0.05 %, 10 ppm, 138000 ohm, THROUGH HOLE MOUNT RADIAL LEADED
RESISTOR, THIN FILM, 0.25 W, 0.05 %, 10 ppm, 348000 ohm, THROUGH HOLE MOUNT RADIAL LEADED
RESISTOR, THIN FILM, 0.25 W, 0.05 %, 10 ppm, 218000 ohm, THROUGH HOLE MOUNT RADIAL LEADED
RESISTOR, THIN FILM, 0.25 W, 0.05 %, 10 ppm, 768000 ohm, THROUGH HOLE MOUNT RADIAL LEADED
RESISTOR, THIN FILM, 0.25 W, 0.05 %, 10 ppm, 158000 ohm, THROUGH HOLE MOUNT RADIAL LEADED
RESISTOR, THIN FILM, 0.25 W, 0.05 %, 10 ppm, 1800000 ohm, THROUGH HOLE MOUNT RADIAL LEADED
RESISTOR, THIN FILM, 0.25 W, 0.05 %, 10 ppm, 9880000 ohm, THROUGH HOLE MOUNT RADIAL LEADED
RESISTOR, THIN FILM, 0.25 W, 0.05 %, 10 ppm, 1180000 ohm, THROUGH HOLE MOUNT RADIAL LEADED
RESISTOR, THIN FILM, 0.25 W, 0.05 %, 10 ppm, 2800000 ohm, THROUGH HOLE MOUNT RADIAL LEADED
RESISTOR, THIN FILM, 0.25 W, 0.05 %, 10 ppm, 2580000 ohm, THROUGH HOLE MOUNT RADIAL LEADED
RESISTOR, THIN FILM, 0.25 W, 0.05 %, 10 ppm, 4480000 ohm, THROUGH HOLE MOUNT RADIAL LEADED
RESISTOR, THIN FILM, 0.25 W, 0.05 %, 10 ppm, 2180000 ohm, THROUGH HOLE MOUNT RADIAL LEADED
RESISTOR, THIN FILM, 0.25 W, 0.05 %, 10 ppm, 198000 ohm, THROUGH HOLE MOUNT RADIAL LEADED
RESISTOR, THIN FILM, 0.25 W, 0.05 %, 10 ppm, 448000 ohm, THROUGH HOLE MOUNT RADIAL LEADED
RESISTOR, THIN FILM, 0.25 W, 0.05 %, 10 ppm, 898000 ohm, THROUGH HOLE MOUNT RADIAL LEADED
RESISTOR, THIN FILM, 0.25 W, 0.05 %, 10 ppm, 3280000 ohm, THROUGH HOLE MOUNT RADIAL LEADED
RESISTOR, THIN FILM, 0.25 W, 0.05 %, 10 ppm, 3880000 ohm, THROUGH HOLE MOUNT RADIAL LEADED
RESISTOR, THIN FILM, 0.25 W, 0.05 %, 10 ppm, 118000 ohm, THROUGH HOLE MOUNT RADIAL LEADED
RESISTOR, THIN FILM, 0.25 W, 0.05 %, 10 ppm, 8980000 ohm, THROUGH HOLE MOUNT RADIAL LEADED
RESISTOR, THIN FILM, 0.25 W, 0.05 %, 10 ppm, 1980000 ohm, THROUGH HOLE MOUNT RADIAL LEADED
RESISTOR, THIN FILM, 0.25 W, 0.05 %, 10 ppm, 2980000 ohm, THROUGH HOLE MOUNT RADIAL LEADED
RESISTOR, THIN FILM, 0.25 W, 0.05 %, 10 ppm, 1580000 ohm, THROUGH HOLE MOUNT RADIAL LEADED
RESISTOR, THIN FILM, 0.25 W, 0.05 %, 10 ppm, 6980000 ohm, THROUGH HOLE MOUNT RADIAL LEADED
RESISTOR, THIN FILM, 0.25 W, 0.05 %, 10 ppm, 2080000 ohm, THROUGH HOLE MOUNT RADIAL LEADED
RESISTOR, THIN FILM, 0.25 W, 0.05 %, 10 ppm, 1380000 ohm, THROUGH HOLE MOUNT RADIAL LEADED
RESISTOR, THIN FILM, 0.25 W, 0.05 %, 10 ppm, 3480000 ohm, THROUGH HOLE MOUNT RADIAL LEADED
RESISTOR, THIN FILM, 0.25 W, 0.05 %, 10 ppm, 7680000 ohm, THROUGH HOLE MOUNT RADIAL LEADED
Vishay Intertechnology, Inc.
NY51.14KOHM/-0.5BO2500 NY589.8/-0.5A5 NY511.8OHM/- RESISTOR, METAL FILM, 0.5 W, 0.5 %, 50 ppm, 1140 ohm, THROUGH HOLE MOUNT AXIAL LEADED
RESISTOR, METAL FILM, 0.5 W, 0.5 %, 50 ppm, 89.8 ohm, THROUGH HOLE MOUNT AXIAL LEADED
RESISTOR, METAL FILM, 0.5 W, 0.5 %, 50 ppm, 11.8 ohm, THROUGH HOLE MOUNT AXIAL LEADED
RESISTOR, METAL FILM, 0.25 W, 1 %, 50 ppm, 90.9 ohm, THROUGH HOLE MOUNT AXIAL LEADED
RESISTOR, METAL FILM, 0.25 W, 0.5 %, 50 ppm, 90.9 ohm, THROUGH HOLE MOUNT AXIAL LEADED
RESISTOR, METAL FILM, 0.5 W, 0.5 %, 50 ppm, 92 ohm, THROUGH HOLE MOUNT AXIAL LEADED
RESISTOR, METAL FILM, 0.25 W, 0.5 %, 50 ppm, 1330 ohm, THROUGH HOLE MOUNT AXIAL LEADED
RESISTOR, METAL FILM, 0.25 W, 1 %, 50 ppm, 1330 ohm, THROUGH HOLE MOUNT AXIAL LEADED
RESISTOR, METAL FILM, 0.25 W, 1 %, 50 ppm, 1330000 ohm, THROUGH HOLE MOUNT AXIAL LEADED
RESISTOR, METAL FILM, 0.5 W, 0.5 %, 50 ppm, 1330 ohm, THROUGH HOLE MOUNT AXIAL LEADED
RESISTOR, METAL FILM, 0.5 W, 1 %, 50 ppm, 100 ohm, THROUGH HOLE MOUNT AXIAL LEADED
RESISTOR, METAL FILM, 0.5 W, 1 %, 50 ppm, 100000 ohm, THROUGH HOLE MOUNT AXIAL LEADED
RESISTOR, METAL FILM, 0.5 W, 1 %, 50 ppm, 102000 ohm, THROUGH HOLE MOUNT AXIAL LEADED
RESISTOR, METAL FILM, 0.5 W, 1 %, 50 ppm, 105 ohm, THROUGH HOLE MOUNT AXIAL LEADED
RESISTOR, METAL FILM, 0.5 W, 1 %, 50 ppm, 105000 ohm, THROUGH HOLE MOUNT AXIAL LEADED
RESISTOR, METAL FILM, 0.5 W, 1 %, 50 ppm, 107 ohm, THROUGH HOLE MOUNT AXIAL LEADED
RESISTOR, METAL FILM, 0.5 W, 1 %, 50 ppm, 107000 ohm, THROUGH HOLE MOUNT AXIAL LEADED
RESISTOR, METAL FILM, 0.5 W, 1 %, 50 ppm, 10000 ohm, THROUGH HOLE MOUNT AXIAL LEADED
RESISTOR, METAL FILM, 0.5 W, 1 %, 50 ppm, 110 ohm, THROUGH HOLE MOUNT AXIAL LEADED
RESISTOR, METAL FILM, 0.5 W, 1 %, 50 ppm, 110000 ohm, THROUGH HOLE MOUNT AXIAL LEADED
RESISTOR, METAL FILM, 0.25 W, 0.5 %, 50 ppm, 1010 ohm, THROUGH HOLE MOUNT AXIAL LEADED
RESISTOR, METAL FILM, 0.25 W, 0.5 %, 50 ppm, 1050 ohm, THROUGH HOLE MOUNT AXIAL LEADED
RESISTOR, METAL FILM, 0.25 W, 1 %, 50 ppm, 1050 ohm, THROUGH HOLE MOUNT AXIAL LEADED
RESISTOR, METAL FILM, 0.25 W, 0.5 %, 50 ppm, 1060 ohm, THROUGH HOLE MOUNT AXIAL LEADED
RESISTOR, METAL FILM, 0.25 W, 0.5 %, 50 ppm, 1070 ohm, THROUGH HOLE MOUNT AXIAL LEADED
RESISTOR, METAL FILM, 0.25 W, 1 %, 50 ppm, 1070 ohm, THROUGH HOLE MOUNT AXIAL LEADED
RESISTOR, METAL FILM, 0.25 W, 0.5 %, 50 ppm, 1090 ohm, THROUGH HOLE MOUNT AXIAL LEADED
RESISTOR, METAL FILM, 0.25 W, 0.5 %, 50 ppm, 1110 ohm, THROUGH HOLE MOUNT AXIAL LEADED
RESISTOR, METAL FILM, 0.25 W, 1 %, 50 ppm, 1130 ohm, THROUGH HOLE MOUNT AXIAL LEADED
RESISTOR, METAL FILM, 0.25 W, 0.5 %, 50 ppm, 1140 ohm, THROUGH HOLE MOUNT AXIAL LEADED
RESISTOR, METAL FILM, 0.25 W, 0.5 %, 50 ppm, 1150 ohm, THROUGH HOLE MOUNT AXIAL LEADED
RESISTOR, METAL FILM, 0.25 W, 1 %, 50 ppm, 1150 ohm, THROUGH HOLE MOUNT AXIAL LEADED
RESISTOR, METAL FILM, 0.25 W, 0.5 %, 50 ppm, 1180 ohm, THROUGH HOLE MOUNT AXIAL LEADED
RESISTOR, METAL FILM, 0.5 W, 0.5 %, 50 ppm, 63.4 ohm, THROUGH HOLE MOUNT AXIAL LEADED
RESISTOR, METAL FILM, 0.25 W, 0.5 %, 50 ppm, 63400 ohm, THROUGH HOLE MOUNT AXIAL LEADED
RESISTOR, METAL FILM, 0.25 W, 0.5 %, 50 ppm, 63.4 ohm, THROUGH HOLE MOUNT AXIAL LEADED
RESISTOR, METAL FILM, 0.25 W, 0.5 %, 50 ppm, 634 ohm, THROUGH HOLE MOUNT AXIAL LEADED
RESISTOR, METAL FILM, 0.5 W, 0.5 %, 50 ppm, 634000 ohm, THROUGH HOLE MOUNT AXIAL LEADED
RESISTOR, METAL FILM, 0.5 W, 0.5 %, 50 ppm, 634 ohm, THROUGH HOLE MOUNT AXIAL LEADED
RESISTOR, METAL FILM, 0.25 W, 0.5 %, 50 ppm, 634000 ohm, THROUGH HOLE MOUNT AXIAL LEADED
RESISTOR, METAL FILM, 0.5 W, 0.5 %, 50 ppm, 1110 ohm, THROUGH HOLE MOUNT AXIAL LEADED
RESISTOR, METAL FILM, 0.5 W, 0.5 %, 50 ppm, 1130 ohm, THROUGH HOLE MOUNT AXIAL LEADED
RESISTOR, METAL FILM, 0.5 W, 0.5 %, 50 ppm, 1150 ohm, THROUGH HOLE MOUNT AXIAL LEADED
RESISTOR, METAL FILM, 0.5 W, 0.5 %, 50 ppm, 1170 ohm, THROUGH HOLE MOUNT AXIAL LEADED
RESISTOR, METAL FILM, 0.5 W, 0.5 %, 50 ppm, 1180 ohm, THROUGH HOLE MOUNT AXIAL LEADED
RESISTOR, METAL FILM, 0.5 W, 0.5 %, 50 ppm, 1260 ohm, THROUGH HOLE MOUNT AXIAL LEADED
RESISTOR, METAL FILM, 0.5 W, 0.5 %, 50 ppm, 1290 ohm, THROUGH HOLE MOUNT AXIAL LEADED
RESISTOR, METAL FILM, 0.5 W, 0.5 %, 50 ppm, 1200 ohm, THROUGH HOLE MOUNT AXIAL LEADED
RESISTOR, METAL FILM, 0.5 W, 0.5 %, 50 ppm, 1320 ohm, THROUGH HOLE MOUNT AXIAL LEADED
RESISTOR, METAL FILM, 0.5 W, 0.5 %, 50 ppm, 1350 ohm, THROUGH HOLE MOUNT AXIAL LEADED
RESISTOR, METAL FILM, 0.5 W, 0.5 %, 50 ppm, 1370 ohm, THROUGH HOLE MOUNT AXIAL LEADED
RESISTOR, METAL FILM, 0.5 W, 0.5 %, 50 ppm, 1380 ohm, THROUGH HOLE MOUNT AXIAL LEADED
RESISTOR, METAL FILM, 0.25 W, 1 %, 50 ppm, 25.5 ohm, THROUGH HOLE MOUNT AXIAL LEADED
RESISTOR, METAL FILM, 0.5 W, 0.5 %, 50 ppm, 1100 ohm, THROUGH HOLE MOUNT AXIAL LEADED
RESISTOR, METAL FILM, 0.5 W, 0.5 %, 50 ppm, 1430 ohm, THROUGH HOLE MOUNT AXIAL LEADED
RESISTOR, METAL FILM, 0.5 W, 0.5 %, 50 ppm, 1470 ohm, THROUGH HOLE MOUNT AXIAL LEADED
RESISTOR, METAL FILM, 0.5 W, 0.5 %, 50 ppm, 1640 ohm, THROUGH HOLE MOUNT AXIAL LEADED
RESISTOR, METAL FILM, 0.5 W, 0.5 %, 50 ppm, 1690 ohm, THROUGH HOLE MOUNT AXIAL LEADED
RESISTOR, METAL FILM, 0.5 W, 0.5 %, 50 ppm, 1600 ohm, THROUGH HOLE MOUNT AXIAL LEADED
RESISTOR, METAL FILM, 0.5 W, 0.5 %, 50 ppm, 1760 ohm, THROUGH HOLE MOUNT AXIAL LEADED
RESISTOR, METAL FILM, 0.25 W, 0.5 %, 50 ppm, 82.5 ohm, THROUGH HOLE MOUNT AXIAL LEADED
RESISTOR, METAL FILM, 0.25 W, 0.5 %, 50 ppm, 1820 ohm, THROUGH HOLE MOUNT AXIAL LEADED
RESISTOR, METAL FILM, 0.25 W, 0.5 %, 50 ppm, 182000 ohm, THROUGH HOLE MOUNT AXIAL LEADED
RESISTOR, METAL FILM, 0.25 W, 0.5 %, 50 ppm, 182 ohm, THROUGH HOLE MOUNT AXIAL LEADED
RESISTOR, METAL FILM, 0.25 W, 0.5 %, 50 ppm, 82500 ohm, THROUGH HOLE MOUNT AXIAL LEADED
RESISTOR, METAL FILM, 0.25 W, 0.5 %, 50 ppm, 825000 ohm, THROUGH HOLE MOUNT AXIAL LEADED
RESISTOR, METAL FILM, 0.25 W, 0.5 %, 50 ppm, 825 ohm, THROUGH HOLE MOUNT AXIAL LEADED
RESISTOR, METAL FILM, 0.5 W, 0.5 %, 50 ppm, 1820 ohm, THROUGH HOLE MOUNT AXIAL LEADED
RESISTOR, METAL FILM, 0.5 W, 0.5 %, 50 ppm, 182000 ohm, THROUGH HOLE MOUNT AXIAL LEADED
RESISTOR, METAL FILM, 0.5 W, 0.5 %, 50 ppm, 82500 ohm, THROUGH HOLE MOUNT AXIAL LEADED
RESISTOR, METAL FILM, 0.5 W, 0.5 %, 50 ppm, 825 ohm, THROUGH HOLE MOUNT AXIAL LEADED
RESISTOR, METAL FILM, 0.5 W, 0.5 %, 50 ppm, 68.1 ohm, THROUGH HOLE MOUNT AXIAL LEADED
RESISTOR, METAL FILM, 0.25 W, 0.5 %, 50 ppm, 47 ohm, THROUGH HOLE MOUNT AXIAL LEADED
RESISTOR, METAL FILM, 0.5 W, 0.5 %, 50 ppm, 47.5 ohm, THROUGH HOLE MOUNT AXIAL LEADED
RESISTOR, METAL FILM, 0.25 W, 0.5 %, 50 ppm, 1470 ohm, THROUGH HOLE MOUNT AXIAL LEADED
RESISTOR, METAL FILM, 0.25 W, 0.5 %, 50 ppm, 147 ohm, THROUGH HOLE MOUNT AXIAL LEADED
RESISTOR, METAL FILM, 0.25 W, 0.5 %, 50 ppm, 47500 ohm, THROUGH HOLE MOUNT AXIAL LEADED
RESISTOR, METAL FILM, 0.25 W, 0.5 %, 50 ppm, 47.5 ohm, THROUGH HOLE MOUNT AXIAL LEADED
RESISTOR, METAL FILM, 0.25 W, 0.5 %, 50 ppm, 470 ohm, THROUGH HOLE MOUNT AXIAL LEADED
RESISTOR, METAL FILM, 0.25 W, 0.5 %, 50 ppm, 475000 ohm, THROUGH HOLE MOUNT AXIAL LEADED
RESISTOR, METAL FILM, 0.5 W, 0.5 %, 50 ppm, 56.2 ohm, THROUGH HOLE MOUNT AXIAL LEADED
RESISTOR, METAL FILM, 0.5 W, 0.5 %, 50 ppm, 56.9 ohm, THROUGH HOLE MOUNT AXIAL LEADED
RESISTOR, METAL FILM, 0.5 W, 1 %, 50 ppm, 11 ohm, THROUGH HOLE MOUNT AXIAL LEADED
RESISTOR, METAL FILM, 0.25 W, 0.5 %, 50 ppm, 470000 ohm, THROUGH HOLE MOUNT AXIAL LEADED
RESISTOR, METAL FILM, 0.25 W, 0.5 %, 50 ppm, 1210 ohm, THROUGH HOLE MOUNT AXIAL LEADED
RESISTOR, METAL FILM, 0.25 W, 1 %, 50 ppm, 1020 ohm, THROUGH HOLE MOUNT AXIAL LEADED
RESISTOR, METAL FILM, 0.25 W, 0.5 %, 50 ppm, 1130 ohm, THROUGH HOLE MOUNT AXIAL LEADED
RESISTOR, METAL FILM, 0.25 W, 0.5 %, 50 ppm, 39.7 ohm, THROUGH HOLE MOUNT AXIAL LEADED
RESISTOR, METAL FILM, 0.5 W, 0.5 %, 50 ppm, 1400 ohm, THROUGH HOLE MOUNT AXIAL LEADED
RESISTOR, METAL FILM, 0.5 W, 0.5 %, 50 ppm, 39.2 ohm, THROUGH HOLE MOUNT AXIAL LEADED
RESISTOR, METAL FILM, 0.5 W, 1 %, 50 ppm, 10 ohm, THROUGH HOLE MOUNT AXIAL LEADED
RESISTOR, METAL FILM, 0.5 W, 0.5 %, 50 ppm, 1240 ohm, THROUGH HOLE MOUNT AXIAL LEADED
RESISTOR, METAL FILM, 0.25 W, 0.5 %, 50 ppm, 68.1 ohm, THROUGH HOLE MOUNT AXIAL LEADED
RESISTOR, METAL FILM, 0.5 W, 0.5 %, 50 ppm, 1670 ohm, THROUGH HOLE MOUNT AXIAL LEADED
RESISTOR, METAL FILM, 0.25 W, 0.5 %, 50 ppm, 1270 ohm, THROUGH HOLE MOUNT AXIAL LEADED
RESISTOR, METAL FILM, 0.25 W, 0.5 %, 50 ppm, 1290 ohm, THROUGH HOLE MOUNT AXIAL LEADED
RESISTOR, METAL FILM, 0.25 W, 0.5 %, 50 ppm, 1370 ohm, THROUGH HOLE MOUNT AXIAL LEADED
RESISTOR, METAL FILM, 0.25 W, 0.5 %, 50 ppm, 1040 ohm, THROUGH HOLE MOUNT AXIAL LEADED
RESISTOR, METAL FILM, 0.5 W, 0.5 %, 50 ppm, 63400 ohm, THROUGH HOLE MOUNT AXIAL LEADED
RESISTOR, METAL FILM, 0.25 W, 0.5 %, 50 ppm, 1020 ohm, THROUGH HOLE MOUNT AXIAL LEADED
RESISTOR, METAL FILM, 0.25 W, 0.5 %, 50 ppm, 56.9 ohm, THROUGH HOLE MOUNT AXIAL LEADED
RESISTOR, METAL FILM, 0.5 W, 0.5 %, 50 ppm, 1210 ohm, THROUGH HOLE MOUNT AXIAL LEADED
RESISTOR, METAL FILM, 0.25 W, 0.5 %, 50 ppm, 22.9 ohm, THROUGH HOLE MOUNT AXIAL LEADED
RESISTOR, METAL FILM, 0.25 W, 0.5 %, 50 ppm, 1170 ohm, THROUGH HOLE MOUNT AXIAL LEADED
RESISTOR, METAL FILM, 0.25 W, 0.5 %, 50 ppm, 22.3 ohm, THROUGH HOLE MOUNT AXIAL LEADED
RESISTOR, METAL FILM, 0.5 W, 0.5 %, 50 ppm, 22.6 ohm, THROUGH HOLE MOUNT AXIAL LEADED
RESISTOR, METAL FILM, 0.25 W, 0.5 %, 50 ppm, 1230 ohm, THROUGH HOLE MOUNT AXIAL LEADED
RESISTOR, METAL FILM, 0.25 W, 0.5 %, 50 ppm, 1320 ohm, THROUGH HOLE MOUNT AXIAL LEADED
RESISTOR, METAL FILM, 0.5 W, 0.5 %, 50 ppm, 182 ohm, THROUGH HOLE MOUNT AXIAL LEADED
RESISTOR, METAL FILM, 0.25 W, 0.5 %, 50 ppm, 1200 ohm, THROUGH HOLE MOUNT AXIAL LEADED
RESISTOR, METAL FILM, 0.25 W, 0.5 %, 50 ppm, 1100 ohm, THROUGH HOLE MOUNT AXIAL LEADED
RESISTOR, METAL FILM, 0.25 W, 0.5 %, 50 ppm, 39.2 ohm, THROUGH HOLE MOUNT AXIAL LEADED
RESISTOR, METAL FILM, 0.5 W, 0.5 %, 50 ppm, 22.1 ohm, THROUGH HOLE MOUNT AXIAL LEADED
RESISTOR, METAL FILM, 0.5 W, 0.5 %, 50 ppm, 47 ohm, THROUGH HOLE MOUNT AXIAL LEADED
RESISTOR, METAL FILM, 0.25 W, 1 %, 50 ppm, 1180 ohm, THROUGH HOLE MOUNT AXIAL LEADED
RESISTOR, METAL FILM, 0.5 W, 1 %, 50 ppm, 102 ohm, THROUGH HOLE MOUNT AXIAL LEADED
RESISTOR, METAL FILM, 0.25 W, 0.5 %, 50 ppm, 22.1 ohm, THROUGH HOLE MOUNT AXIAL LEADED
RESISTOR, METAL FILM, 0.5 W, 0.5 %, 50 ppm, 1740 ohm, THROUGH HOLE MOUNT AXIAL LEADED
RESISTOR, METAL FILM, 0.25 W, 0.5 %, 50 ppm, 147000 ohm, THROUGH HOLE MOUNT AXIAL LEADED
RESISTOR, METAL FILM, 0.5 W, 0.5 %, 50 ppm, 39.7 ohm, THROUGH HOLE MOUNT AXIAL LEADED
RESISTOR, METAL FILM, 0.5 W, 0.5 %, 50 ppm, 1230 ohm, THROUGH HOLE MOUNT AXIAL LEADED
RESISTOR, METAL FILM, 0.5 W, 0.5 %, 50 ppm, 1270 ohm, THROUGH HOLE MOUNT AXIAL LEADED
RESISTOR, METAL FILM, 0.5 W, 0.5 %, 50 ppm, 50.5 ohm, THROUGH HOLE MOUNT AXIAL LEADED
RESISTOR, METAL FILM, 0.25 W, 1 %, 50 ppm, 2260 ohm, THROUGH HOLE MOUNT AXIAL LEADED
RESISTOR, METAL FILM, 0.5 W, 0.5 %, 50 ppm, 1300 ohm, THROUGH HOLE MOUNT AXIAL LEADED
RESISTOR, METAL FILM, 0.5 W, 0.5 %, 50 ppm, 825000 ohm, THROUGH HOLE MOUNT AXIAL LEADED
RESISTOR, METAL FILM, 0.25 W, 0.5 %, 50 ppm, 50.5 ohm, THROUGH HOLE MOUNT AXIAL LEADED
RESISTOR, METAL FILM, 0.5 W, 0.5 %, 50 ppm, 1490 ohm, THROUGH HOLE MOUNT AXIAL LEADED
RESISTOR, METAL FILM, 0.5 W, 0.5 %, 50 ppm, 82.5 ohm, THROUGH HOLE MOUNT AXIAL LEADED
RESISTOR, METAL FILM, 0.5 W, 0.5 %, 50 ppm, 22.9 ohm, THROUGH HOLE MOUNT AXIAL LEADED
RESISTOR, METAL FILM, 0.5 W, 1 %, 50 ppm, 1330 ohm, THROUGH HOLE MOUNT AXIAL LEADED
RESISTOR, METAL FILM, 0.25 W, 0.5 %, 50 ppm, 56.2 ohm, THROUGH HOLE MOUNT AXIAL LEADED
RESISTOR, METAL FILM, 0.5 W, 0.5 %, 50 ppm, 22.3 ohm, THROUGH HOLE MOUNT AXIAL LEADED
RESISTOR, METAL FILM, 0.25 W, 0.5 %, 50 ppm, 1260 ohm, THROUGH HOLE MOUNT AXIAL LEADED
RESISTOR, METAL FILM, 0.5 W, 1 %, 50 ppm, 93.1 ohm, THROUGH HOLE MOUNT AXIAL LEADED
RESISTOR, METAL FILM, 0.5 W, 1 %, 50 ppm, 93100 ohm, THROUGH HOLE MOUNT AXIAL LEADED
RESISTOR, METAL FILM, 0.5 W, 1 %, 50 ppm, 9310 ohm, THROUGH HOLE MOUNT AXIAL LEADED
RESISTOR, METAL FILM, 0.25 W, 1 %, 50 ppm, 93100 ohm, THROUGH HOLE MOUNT AXIAL LEADED
RESISTOR, METAL FILM, 0.25 W, 1 %, 50 ppm, 9310 ohm, THROUGH HOLE MOUNT AXIAL LEADED
RESISTOR, METAL FILM, 0.25 W, 0.5 %, 50 ppm, 22.6 ohm, THROUGH HOLE MOUNT AXIAL LEADED
RESISTOR, METAL FILM, 0.25 W, 1 %, 50 ppm, 93.1 ohm, THROUGH HOLE MOUNT AXIAL LEADED
RESISTOR, METAL FILM, 0.5 W, 1 %, 50 ppm, 12.1 ohm, THROUGH HOLE MOUNT AXIAL LEADED
RESISTOR, METAL FILM, 0.5 W, 0.5 %, 50 ppm, 12.1 ohm, THROUGH HOLE MOUNT AXIAL LEADED
Vishay Intertechnology, Inc.
 
 Related keyword From Full Text Search System
RT1P431C ram RT1P431C ic资料查询 RT1P431C Crystals RT1P431C Chip RT1P431C corporation
RT1P431C audio RT1P431C mosfet RT1P431C dual RT1P431C maker RT1P431C Mode
 

 

Price & Availability of RT1P431C

All Rights Reserved © IC-ON-LINE 2003 - 2022  

[Add Bookmark] [Contact Us] [Link exchange] [Privacy policy]
Mirror Sites :  [www.datasheet.hk]   [www.maxim4u.com]  [www.ic-on-line.cn] [www.ic-on-line.com] [www.ic-on-line.net] [www.alldatasheet.com.cn] [www.gdcy.com]  [www.gdcy.net]


 . . . . .
  We use cookies to deliver the best possible web experience and assist with our advertising efforts. By continuing to use this site, you consent to the use of cookies. For more information on cookies, please take a look at our Privacy Policy. X
1.1227991580963