Part Number Hot Search : 
AT2101 ZD5245B ENA0976 ZL9101M 6475348 FN4683 1F100 3KE18CA
Product Description
Full Text Search

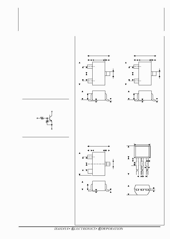
RT1N14HC - Transistor With Resistor For Switching Application Silicon NPN Epitaxial Type

RT1N14HC_4384247.PDF Datasheet


 Full text search : Transistor With Resistor For Switching Application Silicon NPN Epitaxial Type
 Product Description search : Transistor With Resistor For Switching Application Silicon NPN Epitaxial Type


 Related Part Number
PART Description Maker
WA84-6R8JI WA84-22RJI WA84-220RJI WA84-1R0JI WA84- RESISTOR 6.8R 3W
RESISTOR 22R 3W
RESISTOR 220R 3W
RESISTOR 1R 3W
RESISTOR 3.3R 3W
RESISTOR 2.2R 3W
RESISTOR 1.2K 3W
RESISTOR 1.8K 3W
RESISTOR 12R 3W
RESISTOR 8.2R 3W
RESISTOR 3.9R 3W
RESISTOR 1.5K 3W
RESISTOR 1.2R 3W
RESISTOR 1.5R 3W
RESISTOR 1.8R 3W
电阻4.7R 3W
电阻390R 3W
RESISTOR 150R 3W 电阻150R 3W
Welwyn Components, Ltd.
MUN5111T1 MUN5134T1 MUN51XXT1 MUN5111T1G MUN5112T1 Bias Resistor Transistor PNP
PNP SILICON BIAS RESISTOR TRANSISTOR
Bias Resistor Transistor 100 mA, 50 V, PNP, Si, SMALL SIGNAL TRANSISTOR
ONSEMI[ON Semiconductor]
PDTD113ZT PDTD113ZT215 PDTD113ZT-13 PDTD113ZT-15 NPN 500 mA, 50 V resistor-equipped transistor; R1 = 1 kOhm, R2 = 10 kOhm
NPN 500 mA, 50 V resistor-equipped transistor R1 = 1 kW, R2 = 10 kW
NPN 500 mA, 50 V resistor-equipped transistors; R1 = 1 kOhm, R2 = 10 kOhm; Package: SOT23 (TO-236AB); Container: Tape reel smd 500 mA, 50 V, NPN, Si, SMALL SIGNAL TRANSISTOR, TO-236AB
NPN 500 mA, 50 V resistor-equipped transistor; R1 = 1 kW, R2 = 10 kW
NXP Semiconductors N.V.
DTC144WET1G DTC114EET1 DTC114EET1_06 DTC114EET1G D Bias Resistor Transistor NPN Silicon Surface Mount Transistor with Monolithic Bias Resistor Network
ONSEMI[ON Semiconductor]
UP1/4TA62.60.05A UP1/4TB62.60.05A UP1/4TB62.60.05R RESISTOR, METAL FILM, 0.25 W, 0.05 %, 5 ppm, 62.6 ohm, THROUGH HOLE MOUNT AXIAL LEADED
RESISTOR, METAL FILM, 0.25 W, 0.05 %, 10 ppm, 62.6 ohm, THROUGH HOLE MOUNT AXIAL LEADED
RESISTOR, METAL FILM, 0.25 W, 1 %, 50 ppm, 3.7 ohm, THROUGH HOLE MOUNT AXIAL LEADED
RESISTOR, METAL FILM, 0.25 W, 0.05 %, 5 ppm, 48.1 ohm, THROUGH HOLE MOUNT AXIAL LEADED
RESISTOR, METAL FILM, 0.25 W, 0.05 %, 5 ppm, 37.9 ohm, THROUGH HOLE MOUNT AXIAL LEADED
RESISTOR, METAL FILM, 0.25 W, 0.05 %, 5 ppm, 10.6 ohm, THROUGH HOLE MOUNT AXIAL LEADED
RESISTOR, METAL FILM, 0.25 W, 0.05 %, 5 ppm, 36.5 ohm, THROUGH HOLE MOUNT AXIAL LEADED
RESISTOR, METAL FILM, 0.25 W, 0.05 %, 5 ppm, 3970 ohm, THROUGH HOLE MOUNT AXIAL LEADED
RESISTOR, METAL FILM, 0.25 W, 0.05 %, 5 ppm, 36.1 ohm, THROUGH HOLE MOUNT AXIAL LEADED
RESISTOR, METAL FILM, 0.25 W, 0.05 %, 5 ppm, 35.7 ohm, THROUGH HOLE MOUNT AXIAL LEADED
RESISTOR, METAL FILM, 0.25 W, 0.05 %, 5 ppm, 52300 ohm, THROUGH HOLE MOUNT AXIAL LEADED
RESISTOR, METAL FILM, 0.25 W, 0.05 %, 5 ppm, 3570 ohm, THROUGH HOLE MOUNT AXIAL LEADED
RESISTOR, METAL FILM, 0.25 W, 0.05 %, 5 ppm, 36500 ohm, THROUGH HOLE MOUNT AXIAL LEADED
RESISTOR, METAL FILM, 0.25 W, 0.05 %, 5 ppm, 3650 ohm, THROUGH HOLE MOUNT AXIAL LEADED
RESISTOR, METAL FILM, 0.25 W, 0.05 %, 5 ppm, 3830 ohm, THROUGH HOLE MOUNT AXIAL LEADED
RESISTOR, METAL FILM, 0.25 W, 0.05 %, 5 ppm, 35700 ohm, THROUGH HOLE MOUNT AXIAL LEADED
RESISTOR, METAL FILM, 0.25 W, 0.05 %, 5 ppm, 36100 ohm, THROUGH HOLE MOUNT AXIAL LEADED
RESISTOR, METAL FILM, 0.25 W, 0.05 %, 5 ppm, 8250 ohm, THROUGH HOLE MOUNT AXIAL LEADED
RESISTOR, METAL FILM, 0.25 W, 0.05 %, 5 ppm, 6650 ohm, THROUGH HOLE MOUNT AXIAL LEADED
RESISTOR, METAL FILM, 0.25 W, 0.05 %, 5 ppm, 20.8 ohm, THROUGH HOLE MOUNT AXIAL LEADED
RESISTOR, METAL FILM, 0.25 W, 0.05 %, 5 ppm, 20800 ohm, THROUGH HOLE MOUNT AXIAL LEADED
RESISTOR, METAL FILM, 0.25 W, 0.05 %, 5 ppm, 3610 ohm, THROUGH HOLE MOUNT AXIAL LEADED
RESISTOR, METAL FILM, 0.25 W, 0.05 %, 5 ppm, 37.4 ohm, THROUGH HOLE MOUNT AXIAL LEADED
RESISTOR, METAL FILM, 0.25 W, 0.05 %, 5 ppm, 3740 ohm, THROUGH HOLE MOUNT AXIAL LEADED
RESISTOR, METAL FILM, 0.25 W, 0.05 %, 5 ppm, 4750 ohm, THROUGH HOLE MOUNT AXIAL LEADED
RESISTOR, METAL FILM, 0.25 W, 0.05 %, 5 ppm, 3790 ohm, THROUGH HOLE MOUNT AXIAL LEADED
RESISTOR, METAL FILM, 0.25 W, 0.05 %, 5 ppm, 20.3 ohm, THROUGH HOLE MOUNT AXIAL LEADED
RESISTOR, METAL FILM, 0.25 W, 0.05 %, 5 ppm, 20300 ohm, THROUGH HOLE MOUNT AXIAL LEADED
RESISTOR, METAL FILM, 0.25 W, 0.05 %, 5 ppm, 7590 ohm, THROUGH HOLE MOUNT AXIAL LEADED
RESISTOR, METAL FILM, 0.25 W, 0.05 %, 5 ppm, 8450 ohm, THROUGH HOLE MOUNT AXIAL LEADED
RESISTOR, METAL FILM, 0.25 W, 0.05 %, 5 ppm, 6570 ohm, THROUGH HOLE MOUNT AXIAL LEADED
RESISTOR, METAL FILM, 0.25 W, 0.05 %, 5 ppm, 3920 ohm, THROUGH HOLE MOUNT AXIAL LEADED
RESISTOR, METAL FILM, 0.25 W, 0.05 %, 5 ppm, 7500 ohm, THROUGH HOLE MOUNT AXIAL LEADED
RESISTOR, METAL FILM, 0.25 W, 0.05 %, 5 ppm, 42700 ohm, THROUGH HOLE MOUNT AXIAL LEADED
RESISTOR, METAL FILM, 0.25 W, 0.05 %, 5 ppm, 42.7 ohm, THROUGH HOLE MOUNT AXIAL LEADED
RESISTOR, METAL FILM, 0.25 W, 0.05 %, 5 ppm, 3700 ohm, THROUGH HOLE MOUNT AXIAL LEADED
RESISTOR, METAL FILM, 0.25 W, 0.05 %, 5 ppm, 3880 ohm, THROUGH HOLE MOUNT AXIAL LEADED
RESISTOR, METAL FILM, 0.25 W, 0.05 %, 5 ppm, 4590 ohm, THROUGH HOLE MOUNT AXIAL LEADED
RESISTOR, METAL FILM, 0.25 W, 0.05 %, 5 ppm, 7150 ohm, THROUGH HOLE MOUNT AXIAL LEADED
RESISTOR, METAL FILM, 0.5 W, 1 %, 50 ppm, 3.7 ohm, THROUGH HOLE MOUNT AXIAL LEADED
RESISTOR, METAL FILM, 0.25 W, 0.05 %, 5 ppm, 8560 ohm, THROUGH HOLE MOUNT AXIAL LEADED
RESISTOR, METAL FILM, 0.25 W, 0.05 %, 5 ppm, 52.3 ohm, THROUGH HOLE MOUNT AXIAL LEADED
RESISTOR, METAL FILM, 0.25 W, 0.05 %, 5 ppm, 4530 ohm, THROUGH HOLE MOUNT AXIAL LEADED
RESISTOR, METAL FILM, 0.25 W, 0.05 %, 5 ppm, 62600 ohm, THROUGH HOLE MOUNT AXIAL LEADED
RESISTOR, METAL FILM, 0.25 W, 0.05 %, 5 ppm, 20.5 ohm, THROUGH HOLE MOUNT AXIAL LEADED
RESISTOR, METAL FILM, 0.25 W, 0.1 %, 15 ppm, 35.7 ohm, THROUGH HOLE MOUNT AXIAL LEADED
RESISTOR, METAL FILM, 0.25 W, 0.05 %, 5 ppm, 47500 ohm, THROUGH HOLE MOUNT AXIAL LEADED
RESISTOR, METAL FILM, 0.25 W, 0.05 %, 5 ppm, 37900 ohm, THROUGH HOLE MOUNT AXIAL LEADED
RESISTOR, METAL FILM, 0.25 W, 0.05 %, 5 ppm, 71500 ohm, THROUGH HOLE MOUNT AXIAL LEADED
RESISTOR, METAL FILM, 0.25 W, 0.05 %, 5 ppm, 66500 ohm, THROUGH HOLE MOUNT AXIAL LEADED
RESISTOR, METAL FILM, 0.25 W, 0.05 %, 5 ppm, 8350 ohm, THROUGH HOLE MOUNT AXIAL LEADED
RESISTOR, METAL FILM, 0.25 W, 0.05 %, 5 ppm, 37400 ohm, THROUGH HOLE MOUNT AXIAL LEADED
RESISTOR, METAL FILM, 0.25 W, 0.05 %, 5 ppm, 20500 ohm, THROUGH HOLE MOUNT AXIAL LEADED
RESISTOR, METAL FILM, 0.25 W, 0.05 %, 5 ppm, 38.3 ohm, THROUGH HOLE MOUNT AXIAL LEADED
RESISTOR, METAL FILM, 0.25 W, 0.05 %, 5 ppm, 12.6 ohm, THROUGH HOLE MOUNT AXIAL LEADED
RESISTOR, METAL FILM, 0.25 W, 0.05 %, 10 ppm, 3440 ohm, THROUGH HOLE MOUNT AXIAL LEADED
RESISTOR, METAL FILM, 0.25 W, 0.1 %, 15 ppm, 3360000 ohm, THROUGH HOLE MOUNT AXIAL LEADED
RESISTOR, METAL FILM, 0.25 W, 0.1 %, 15 ppm, 12.1 ohm, THROUGH HOLE MOUNT AXIAL LEADED
RESISTOR, METAL FILM, 0.25 W, 0.1 %, 15 ppm, 3360 ohm, THROUGH HOLE MOUNT AXIAL LEADED
RESISTOR, METAL FILM, 0.25 W, 0.05 %, 10 ppm, 36.1 ohm, THROUGH HOLE MOUNT AXIAL LEADED
RESISTOR, METAL FILM, 0.25 W, 0.05 %, 5 ppm, 38300 ohm, THROUGH HOLE MOUNT AXIAL LEADED
RESISTOR, METAL FILM, 0.25 W, 0.1 %, 15 ppm, 10.2 ohm, THROUGH HOLE MOUNT AXIAL LEADED
RESISTOR, METAL FILM, 0.25 W, 0.1 %, 15 ppm, 11.1 ohm, THROUGH HOLE MOUNT AXIAL LEADED
RESISTOR, METAL FILM, 0.25 W, 0.1 %, 15 ppm, 13.2 ohm, THROUGH HOLE MOUNT AXIAL LEADED
RESISTOR, METAL FILM, 0.25 W, 0.05 %, 10 ppm, 1110 ohm, THROUGH HOLE MOUNT AXIAL LEADED
RESISTOR, METAL FILM, 0.25 W, 0.05 %, 10 ppm, 1210 ohm, THROUGH HOLE MOUNT AXIAL LEADED
RESISTOR, METAL FILM, 0.25 W, 0.05 %, 10 ppm, 10.5 ohm, THROUGH HOLE MOUNT AXIAL LEADED
RESISTOR, METAL FILM, 0.25 W, 0.05 %, 10 ppm, 10500 ohm, THROUGH HOLE MOUNT AXIAL LEADED
RESISTOR, METAL FILM, 0.25 W, 0.05 %, 10 ppm, 101000 ohm, THROUGH HOLE MOUNT AXIAL LEADED
RESISTOR, METAL FILM, 0.25 W, 0.05 %, 10 ppm, 111 ohm, THROUGH HOLE MOUNT AXIAL LEADED
RESISTOR, METAL FILM, 0.25 W, 0.05 %, 10 ppm, 114000 ohm, THROUGH HOLE MOUNT AXIAL LEADED
RESISTOR, METAL FILM, 0.25 W, 0.05 %, 10 ppm, 121 ohm, THROUGH HOLE MOUNT AXIAL LEADED
RESISTOR, METAL FILM, 0.25 W, 0.05 %, 10 ppm, 121000 ohm, THROUGH HOLE MOUNT AXIAL LEADED
RESISTOR, METAL FILM, 0.25 W, 0.05 %, 10 ppm, 20500 ohm, THROUGH HOLE MOUNT AXIAL LEADED
RESISTOR, METAL FILM, 0.25 W, 0.05 %, 10 ppm, 218000 ohm, THROUGH HOLE MOUNT AXIAL LEADED
RESISTOR, METAL FILM, 0.25 W, 0.05 %, 10 ppm, 21000 ohm, THROUGH HOLE MOUNT AXIAL LEADED
RESISTOR, METAL FILM, 0.25 W, 0.05 %, 10 ppm, 12.9 ohm, THROUGH HOLE MOUNT AXIAL LEADED
RESISTOR, METAL FILM, 0.25 W, 1 %, 50 ppm, 15.6 ohm, THROUGH HOLE MOUNT AXIAL LEADED
RESISTOR, METAL FILM, 0.25 W, 0.1 %, 15 ppm, 15.6 ohm, THROUGH HOLE MOUNT AXIAL LEADED
RESISTOR, METAL FILM, 0.25 W, 0.05 %, 10 ppm, 113 ohm, THROUGH HOLE MOUNT AXIAL LEADED
RESISTOR, METAL FILM, 0.25 W, 0.05 %, 5 ppm, 56.2 ohm, THROUGH HOLE MOUNT AXIAL LEADED
Stackpole Electronics, Inc.
FP002P2K74F9256EA FP002P1K74F9256CH FP002P1K74F925 RESISTOR, METAL FILM, 2 W, 1 %, 2740 ohm, THROUGH HOLE MOUNT AXIAL LEADED, ROHS COMPLIANT
RESISTOR, METAL FILM, 2 W, 1 %, 1740 ohm, THROUGH HOLE MOUNT AXIAL LEADED, ROHS COMPLIANT
RESISTOR, METAL FILM, 0.5 W, 1 %, 69.8 ohm, THROUGH HOLE MOUNT AXIAL LEADED, ROHS COMPLIANT
RESISTOR, METAL FILM, 0.5 W, 1 %, 95.3 ohm, THROUGH HOLE MOUNT AXIAL LEADED, ROHS COMPLIANT
RESISTOR, METAL FILM, 0.5 W, 1 %, 97.6 ohm, THROUGH HOLE MOUNT AXIAL LEADED, ROHS COMPLIANT
RESISTOR, METAL FILM, 0.5 W, 2 %, 100 ohm, THROUGH HOLE MOUNT AXIAL LEADED, ROHS COMPLIANT
RESISTOR, METAL FILM, 0.5 W, 2 %, 100000 ohm, THROUGH HOLE MOUNT AXIAL LEADED, ROHS COMPLIANT
RESISTOR, METAL FILM, 0.5 W, 2 %, 10000 ohm, THROUGH HOLE MOUNT AXIAL LEADED, ROHS COMPLIANT
RESISTOR, METAL FILM, 0.5 W, 1 %, 93.1 ohm, THROUGH HOLE MOUNT AXIAL LEADED, ROHS COMPLIANT
RESISTOR, METAL FILM, 0.5 W, 2 %, 110000 ohm, THROUGH HOLE MOUNT AXIAL LEADED, ROHS COMPLIANT
RESISTOR, METAL FILM, 0.5 W, 2 %, 10 ohm, THROUGH HOLE MOUNT AXIAL LEADED, ROHS COMPLIANT
RESISTOR, METAL FILM, 0.5 W, 1 %, 127000 ohm, THROUGH HOLE MOUNT AXIAL LEADED, ROHS COMPLIANT
RESISTOR, METAL FILM, 0.5 W, 1 %, 107000 ohm, THROUGH HOLE MOUNT AXIAL LEADED, ROHS COMPLIANT
RESISTOR, METAL FILM, 0.5 W, 1 %, 147000 ohm, THROUGH HOLE MOUNT AXIAL LEADED, ROHS COMPLIANT
RESISTOR, METAL FILM, 0.5 W, 1 %, 17800 ohm, THROUGH HOLE MOUNT AXIAL LEADED, ROHS COMPLIANT
RESISTOR, METAL FILM, 0.5 W, 1 %, 137000 ohm, THROUGH HOLE MOUNT AXIAL LEADED, ROHS COMPLIANT
RESISTOR, METAL FILM, 0.5 W, 1 %, 17400 ohm, THROUGH HOLE MOUNT AXIAL LEADED, ROHS COMPLIANT
RESISTOR, METAL FILM, 0.5 W, 1 %, 12400 ohm, THROUGH HOLE MOUNT AXIAL LEADED
RESISTOR, METAL FILM, 0.5 W, 1 %, 34.8 ohm, THROUGH HOLE MOUNT AXIAL LEADED, ROHS COMPLIANT
RESISTOR, METAL FILM, 0.5 W, 1 %, 187000 ohm, THROUGH HOLE MOUNT AXIAL LEADED
RESISTOR, METAL FILM, 0.5 W, 1 %, 34 ohm, THROUGH HOLE MOUNT AXIAL LEADED, ROHS COMPLIANT
RESISTOR, METAL FILM, 3 W, 1 %, 412000 ohm, THROUGH HOLE MOUNT AXIAL LEADED, ROHS COMPLIANT
RESISTOR, METAL FILM, 3 W, 1 %, 402000 ohm, THROUGH HOLE MOUNT AXIAL LEADED, ROHS COMPLIANT
RESISTOR, METAL FILM, 3 W, 1 %, 40.2 ohm, THROUGH HOLE MOUNT AXIAL LEADED, ROHS COMPLIANT
RESISTOR, METAL FILM, 3 W, 1 %, 442 ohm, THROUGH HOLE MOUNT AXIAL LEADED, ROHS COMPLIANT
RESISTOR, METAL FILM, 3 W, 1 %, 46.4 ohm, THROUGH HOLE MOUNT AXIAL LEADED, ROHS COMPLIANT
RESISTOR, METAL FILM, 3 W, 1 %, 40200 ohm, THROUGH HOLE MOUNT AXIAL LEADED, ROHS COMPLIANT
RESISTOR, METAL FILM, 3 W, 1 %, 42200 ohm, THROUGH HOLE MOUNT AXIAL LEADED, ROHS COMPLIANT
RESISTOR, METAL FILM, 3 W, 1 %, 41200 ohm, THROUGH HOLE MOUNT AXIAL LEADED, ROHS COMPLIANT
RESISTOR, METAL FILM, 2 W, 1 %, 475000 ohm, THROUGH HOLE MOUNT AXIAL LEADED, ROHS COMPLIANT
RESISTOR, METAL FILM, 2 W, 1 %, 47.5 ohm, THROUGH HOLE MOUNT AXIAL LEADED, ROHS COMPLIANT
RESISTOR, METAL FILM, 2 W, 1 %, 475 ohm, THROUGH HOLE MOUNT AXIAL LEADED, ROHS COMPLIANT
RESISTOR, METAL FILM, 3 W, 1 %, 422000 ohm, THROUGH HOLE MOUNT AXIAL LEADED, ROHS COMPLIANT
RESISTOR, METAL FILM, 3 W, 1 %, 412 ohm, THROUGH HOLE MOUNT AXIAL LEADED, ROHS COMPLIANT
RESISTOR, METAL FILM, 3 W, 1 %, 402 ohm, THROUGH HOLE MOUNT AXIAL LEADED, ROHS COMPLIANT
RESISTOR, METAL FILM, 3 W, 1 %, 4420 ohm, THROUGH HOLE MOUNT AXIAL LEADED, ROHS COMPLIANT
RESISTOR, METAL FILM, 3 W, 1 %, 422 ohm, THROUGH HOLE MOUNT AXIAL LEADED, ROHS COMPLIANT
RESISTOR, METAL FILM, 3 W, 1 %, 442000 ohm, THROUGH HOLE MOUNT AXIAL LEADED, ROHS COMPLIANT
RESISTOR, METAL FILM, 0.5 W, 1 %, 2050 ohm, THROUGH HOLE MOUNT AXIAL LEADED, ROHS COMPLIANT
RESISTOR, METAL FILM, 0.5 W, 1 %, 21500 ohm, THROUGH HOLE MOUNT AXIAL LEADED, ROHS COMPLIANT
RESISTOR, METAL FILM, 0.5 W, 1 %, 25.5 ohm, THROUGH HOLE MOUNT AXIAL LEADED, ROHS COMPLIANT
RESISTOR, METAL FILM, 2 W, 1 %, 76.8 ohm, THROUGH HOLE MOUNT AXIAL LEADED, ROHS COMPLIANT
RESISTOR, METAL FILM, 0.5 W, 1 %, 20500 ohm, THROUGH HOLE MOUNT AXIAL LEADED, ROHS COMPLIANT
RESISTOR, METAL FILM, 0.5 W, 1 %, 25500 ohm, THROUGH HOLE MOUNT AXIAL LEADED, ROHS COMPLIANT
RESISTOR, METAL FILM, 3 W, 1 %, 41.2 ohm, THROUGH HOLE MOUNT AXIAL LEADED, ROHS COMPLIANT
RESISTOR, METAL FILM, 0.5 W, 1 %, 20.5 ohm, THROUGH HOLE MOUNT AXIAL LEADED, ROHS COMPLIANT
RESISTOR, METAL FILM, 0.5 W, 1 %, 80.6 ohm, THROUGH HOLE MOUNT AXIAL LEADED, ROHS COMPLIANT
RESISTOR, METAL FILM, 0.5 W, 1 %, 2150 ohm, THROUGH HOLE MOUNT AXIAL LEADED, ROHS COMPLIANT
RESISTOR, METAL FILM, 0.5 W, 1 %, 21.5 ohm, THROUGH HOLE MOUNT AXIAL LEADED, ROHS COMPLIANT
RESISTOR, METAL FILM, 2 W, 1 %, 158 ohm, THROUGH HOLE MOUNT AXIAL LEADED
RESISTOR, METAL FILM, 2 W, 1 %, 28 ohm, THROUGH HOLE MOUNT AXIAL LEADED
RESISTOR, METAL FILM, 2 W, 1 %, 48.7 ohm, THROUGH HOLE MOUNT AXIAL LEADED
RESISTOR, METAL FILM, 2 W, 5 %, 18 ohm, THROUGH HOLE MOUNT AXIAL LEADED
RESISTOR, METAL FILM, 2 W, 1 %, 28.7 ohm, THROUGH HOLE MOUNT AXIAL LEADED
RESISTOR, METAL FILM, 2 W, 5 %, 68 ohm, THROUGH HOLE MOUNT AXIAL LEADED
RESISTOR, METAL FILM, 2 W, 1 %, 88.7 ohm, THROUGH HOLE MOUNT AXIAL LEADED
RESISTOR, METAL FILM, 2 W, 1 %, 768 ohm, THROUGH HOLE MOUNT AXIAL LEADED
RESISTOR, METAL FILM, 2 W, 1 %, 178 ohm, THROUGH HOLE MOUNT AXIAL LEADED
RESISTOR, METAL FILM, 2 W, 1 %, 348 ohm, THROUGH HOLE MOUNT AXIAL LEADED
RESISTOR, METAL FILM, 2 W, 1 %, 8.25 ohm, THROUGH HOLE MOUNT AXIAL LEADED
RESISTOR, METAL FILM, 2 W, 1 %, 68.1 ohm, THROUGH HOLE MOUNT AXIAL LEADED
RESISTOR, METAL FILM, 2 W, 1 %, 8.45 ohm, THROUGH HOLE MOUNT AXIAL LEADED
RESISTOR, METAL FILM, 2 W, 1 %, 38.3 ohm, THROUGH HOLE MOUNT AXIAL LEADED
RESISTOR, METAL FILM, 2 W, 1 %, 8.66 ohm, THROUGH HOLE MOUNT AXIAL LEADED
RESISTOR, METAL FILM, 2 W, 1 %, 698 ohm, THROUGH HOLE MOUNT AXIAL LEADED
RESISTOR, METAL FILM, 2 W, 1 %, 18.7 ohm, THROUGH HOLE MOUNT AXIAL LEADED
RESISTOR, METAL FILM, 2 W, 1 %, 8.06 ohm, THROUGH HOLE MOUNT AXIAL LEADED
Vishay Intertechnology, Inc.
FA1F4Z FA1F4ZL65 FA1F4Z-L FA1F4Z-T2B Compound transistor
MEDIUM SPEED SWITCHING RESISTOR BUILT-IN TYPE NPN TRANSISTOR MINI MOLD
TRANSISTOR | 60V V(BR)CEO | 100MA I(C) | SOT-346
NEC Corp.
CPCP-5 CPCC-10 CPCC-2 CPCC-3 CPCC-5 CPCF-2 CPCF-3 RESISTOR, WIRE WOUND, 5 W, 1 %, 20 ppm, 45.3 ohm, THROUGH HOLE MOUNT RADIAL LEADED
RESISTOR, WIRE WOUND, 5 W, 1 %, 20 ppm, 63.4 ohm, THROUGH HOLE MOUNT RADIAL LEADED
RESISTOR, WIRE WOUND, 5 W, 10 %, 300 ppm, 2.7 ohm, THROUGH HOLE MOUNT RADIAL LEADED
RESISTOR, WIRE WOUND, 5 W, 1 %, 20 ppm, 68.1 ohm, THROUGH HOLE MOUNT RADIAL LEADED
RESISTOR, WIRE WOUND, 5 W, 1 %, 20 ppm, 28.7 ohm, THROUGH HOLE MOUNT RADIAL LEADED
RESISTOR, WIRE WOUND, 2 W, 5 %, 600 ppm, 0.22 ohm, THROUGH HOLE MOUNT RADIAL LEADED
RESISTOR, WIRE WOUND, 5 W, 1 %, 20 ppm, 121 ohm, THROUGH HOLE MOUNT RADIAL LEADED
RESISTOR, WIRE WOUND, 2 W, 5 %, 50 ppm, 1 ohm, THROUGH HOLE MOUNT RADIAL LEADED
RESISTOR, WIRE WOUND, 2 W, 5 %, 300 ppm, 2 ohm, THROUGH HOLE MOUNT RADIAL LEADED
RESISTOR, WIRE WOUND, 2 W, 5 %, 300 ppm, 68 ohm, THROUGH HOLE MOUNT RADIAL LEADED
RESISTOR, WIRE WOUND, 5 W, 10 %, 300 ppm, 68 ohm, THROUGH HOLE MOUNT RADIAL LEADED
RESISTOR, WIRE WOUND, 5 W, 5 %, 300 ppm, 82 ohm, THROUGH HOLE MOUNT RADIAL LEADED
RESISTOR, WIRE WOUND, 5 W, 5 %, 300 ppm, 12 ohm, THROUGH HOLE MOUNT RADIAL LEADED
RESISTOR, WIRE WOUND, 5 W, 5 %, 300 ppm, 68 ohm, THROUGH HOLE MOUNT RADIAL LEADED
RESISTOR, WIRE WOUND, 2 W, 5 %, 300 ppm, 51 ohm, THROUGH HOLE MOUNT RADIAL LEADED
RESISTOR, WIRE WOUND, 5 W, 10 %, 300 ppm, 3.3 ohm, THROUGH HOLE MOUNT RADIAL LEADED
RESISTOR, WIRE WOUND, 5 W, 5 %, 20 ppm, 68 ohm, THROUGH HOLE MOUNT RADIAL LEADED
RESISTOR, WIRE WOUND, 5 W, 1 %, 20 ppm, 64.9 ohm, THROUGH HOLE MOUNT RADIAL LEADED
RESISTOR, WIRE WOUND, 2 W, 5 %, 50 ppm, 7.5 ohm, THROUGH HOLE MOUNT RADIAL LEADED
RESISTOR, WIRE WOUND, 5 W, 1 %, 50 ppm, 6.04 ohm, THROUGH HOLE MOUNT RADIAL LEADED
RESISTOR, WIRE WOUND, 2 W, 5 %, 90 ppm, 0.12 ohm, THROUGH HOLE MOUNT RADIAL LEADED
RESISTOR, WIRE WOUND, 5 W, 1 %, 50 ppm, 6.49 ohm, THROUGH HOLE MOUNT RADIAL LEADED
RESISTOR, WIRE WOUND, 2 W, 5 %, 300 ppm, 7.5 ohm, THROUGH HOLE MOUNT RADIAL LEADED
RESISTOR, WIRE WOUND, 5 W, 5 %, 300 ppm, 3.6 ohm, THROUGH HOLE MOUNT RADIAL LEADED
RESISTOR, WIRE WOUND, 2 W, 5 %, 20 ppm, 68 ohm, THROUGH HOLE MOUNT RADIAL LEADED
RESISTOR, WIRE WOUND, 5 W, 1 %, 20 ppm, 24.3 ohm, THROUGH HOLE MOUNT RADIAL LEADED
RESISTOR, WIRE WOUND, 5 W, 1 %, 20 ppm, 30.1 ohm, THROUGH HOLE MOUNT RADIAL LEADED
RESISTOR, WIRE WOUND, 2 W, 5 %, 50 ppm, 2 ohm, THROUGH HOLE MOUNT RADIAL LEADED
RESISTOR, WIRE WOUND, 5 W, 10 %, 300 ppm, 22 ohm, THROUGH HOLE MOUNT RADIAL LEADED
RESISTOR, WIRE WOUND, 2 W, 5 %, 300 ppm, 91 ohm, THROUGH HOLE MOUNT RADIAL LEADED
RESISTOR, WIRE WOUND, 2 W, 5 %, 20 ppm, 13 ohm, THROUGH HOLE MOUNT RADIAL LEADED
RESISTOR, WIRE WOUND, 5 W, 5 %, 300 ppm, 2 ohm, THROUGH HOLE MOUNT RADIAL LEADED
RESISTOR, WIRE WOUND, 2 W, 5 %, 600 ppm, 0.27 ohm, THROUGH HOLE MOUNT RADIAL LEADED
RESISTOR, WIRE WOUND, 5 W, 1 %, 20 ppm, 13.3 ohm, THROUGH HOLE MOUNT RADIAL LEADED
RESISTOR, WIRE WOUND, 2 W, 5 %, 300 ppm, 2.7 ohm, THROUGH HOLE MOUNT RADIAL LEADED
RESISTOR, WIRE WOUND, 5 W, 1 %, 20 ppm, 133 ohm, THROUGH HOLE MOUNT RADIAL LEADED
RESISTOR, WIRE WOUND, 5 W, 1 %, 50 ppm, 6.34 ohm, THROUGH HOLE MOUNT RADIAL LEADED
RESISTOR, WIRE WOUND, 2 W, 5 %, 300 ppm, 3.9 ohm, THROUGH HOLE MOUNT RADIAL LEADED
RESISTOR, WIRE WOUND, 2 W, 5 %, 300 ppm, 11 ohm, THROUGH HOLE MOUNT RADIAL LEADED
RESISTOR, WIRE WOUND, 2 W, 5 %, 20 ppm, 33 ohm, THROUGH HOLE MOUNT RADIAL LEADED
RESISTOR, WIRE WOUND, 5 W, 10 %, 300 ppm, 33 ohm, THROUGH HOLE MOUNT RADIAL LEADED
RESISTOR, WIRE WOUND, 2 W, 5 %, 50 ppm, 3.9 ohm, THROUGH HOLE MOUNT RADIAL LEADED
RESISTOR, WIRE WOUND, 2 W, 5 %, 300 ppm, 3.3 ohm, THROUGH HOLE MOUNT RADIAL LEADED
RESISTOR, WIRE WOUND, 5 W, 1 %, 20 ppm, 40.2 ohm, THROUGH HOLE MOUNT RADIAL LEADED
RESISTOR, WIRE WOUND, 10 W, 5 %, 400 ppm, 0.011 ohm, THROUGH HOLE MOUNT RADIAL LEADED
RESISTOR, WIRE WOUND, 2 W, 5 %, 300 ppm, 43 ohm, THROUGH HOLE MOUNT RADIAL LEADED
RESISTOR, WIRE WOUND, 5 W, 5 %, 300 ppm, 3.3 ohm, THROUGH HOLE MOUNT RADIAL LEADED
RESISTOR, WIRE WOUND, 5 W, 5 %, 300 ppm, 3 ohm, THROUGH HOLE MOUNT RADIAL LEADED
RESISTOR, WIRE WOUND, 2 W, 5 %, 600 ppm, 0.62 ohm, THROUGH HOLE MOUNT RADIAL LEADED
RESISTOR, WIRE WOUND, 5 W, 1 %, 50 ppm, 3.09 ohm, THROUGH HOLE MOUNT RADIAL LEADED
RESISTOR, WIRE WOUND, 5 W, 1 %, 20 ppm, 56.2 ohm, THROUGH HOLE MOUNT RADIAL LEADED
RESISTOR, WIRE WOUND, 5 W, 1 %, 20 ppm, 69.8 ohm, THROUGH HOLE MOUNT RADIAL LEADED
RESISTOR, WIRE WOUND, 2 W, 5 %, 20 ppm, 22 ohm, THROUGH HOLE MOUNT RADIAL LEADED
RESISTOR, WIRE WOUND, 5 W, 1 %, 20 ppm, 60.4 ohm, THROUGH HOLE MOUNT RADIAL LEADED
RESISTOR, WIRE WOUND, 2 W, 5 %, 300 ppm, 82 ohm, THROUGH HOLE MOUNT RADIAL LEADED
RESISTOR, WIRE WOUND, 2 W, 5 %, 600 ppm, 0.47 ohm, THROUGH HOLE MOUNT RADIAL LEADED
RESISTOR, WIRE WOUND, 5 W, 1 %, 20 ppm, 61.9 ohm, THROUGH HOLE MOUNT RADIAL LEADED
RESISTOR, WIRE WOUND, 5 W, 5 %, 300 ppm, 91 ohm, THROUGH HOLE MOUNT RADIAL LEADED
RESISTOR, WIRE WOUND, 5 W, 1 %, 20 ppm, 13 ohm, THROUGH HOLE MOUNT RADIAL LEADED
RESISTOR, WIRE WOUND, 5 W, 5 %, 300 ppm, 11 ohm, THROUGH HOLE MOUNT RADIAL LEADED
RESISTOR, WIRE WOUND, 5 W, 1 %, 50 ppm, 3.24 ohm, THROUGH HOLE MOUNT RADIAL LEADED
RESISTOR, WIRE WOUND, 2 W, 5 %, 600 ppm, 0.91 ohm, THROUGH HOLE MOUNT RADIAL LEADED
RESISTOR, WIRE WOUND, 5 W, 10 %, 300 ppm, 82 ohm, THROUGH HOLE MOUNT RADIAL LEADED
RESISTOR, WIRE WOUND, 5 W, 5 %, 300 ppm, 22 ohm, THROUGH HOLE MOUNT RADIAL LEADED
RESISTOR, WIRE WOUND, 2 W, 5 %, 50 ppm, 3.3 ohm, THROUGH HOLE MOUNT RADIAL LEADED
RESISTOR, WIRE WOUND, 2 W, 5 %, 300 ppm, 62 ohm, THROUGH HOLE MOUNT RADIAL LEADED
RESISTOR, WIRE WOUND, 5 W, 5 %, 50 ppm, 6.8 ohm, THROUGH HOLE MOUNT RADIAL LEADED
RESISTOR, WIRE WOUND, 5 W, 5 %, 300 ppm, 6.8 ohm, THROUGH HOLE MOUNT RADIAL LEADED
RESISTOR, WIRE WOUND, 2 W, 5 %, 50 ppm, 3.6 ohm, THROUGH HOLE MOUNT RADIAL LEADED
RESISTOR, WIRE WOUND, 5 W, 10 %, 300 ppm, 6.8 ohm, THROUGH HOLE MOUNT RADIAL LEADED
RESISTOR, WIRE WOUND, 2 W, 5 %, 50 ppm, 2.7 ohm, THROUGH HOLE MOUNT RADIAL LEADED
RESISTOR, WIRE WOUND, 2 W, 5 %, 20 ppm, 82 ohm, THROUGH HOLE MOUNT RADIAL LEADED
RESISTOR, WIRE WOUND, 2 W, 5 %, 90 ppm, 0.22 ohm, THROUGH HOLE MOUNT RADIAL LEADED
RESISTOR, WIRE WOUND, 2 W, 5 %, 600 ppm, 0.75 ohm, THROUGH HOLE MOUNT RADIAL LEADED
RESISTOR, WIRE WOUND, 5 W, 10 %, 300 ppm, 3.9 ohm, THROUGH HOLE MOUNT RADIAL LEADED
RESISTOR, WIRE WOUND, 2 W, 5 %, 300 ppm, 3.6 ohm, THROUGH HOLE MOUNT RADIAL LEADED
RESISTOR, WIRE WOUND, 2 W, 5 %, 300 ppm, 33 ohm, THROUGH HOLE MOUNT RADIAL LEADED
RESISTOR, WIRE WOUND, 2 W, 5 %, 600 ppm, 0.68 ohm, THROUGH HOLE MOUNT RADIAL LEADED
RESISTOR, WIRE WOUND, 5 W, 1 %, 20 ppm, 113 ohm, THROUGH HOLE MOUNT RADIAL LEADED
RESISTOR, WIRE WOUND, 5 W, 5 %, 300 ppm, 13 ohm, THROUGH HOLE MOUNT RADIAL LEADED
RESISTOR, WIRE WOUND, 5 W, 5 %, 300 ppm, 1 ohm, THROUGH HOLE MOUNT RADIAL LEADED
RESISTOR, WIRE WOUND, 5 W, 5 %, 300 ppm, 62 ohm, THROUGH HOLE MOUNT RADIAL LEADED
RESISTOR, WIRE WOUND, 2 W, 5 %, 300 ppm, 22 ohm, THROUGH HOLE MOUNT RADIAL LEADED
RESISTOR, WIRE WOUND, 5 W, 5 %, 300 ppm, 33 ohm, THROUGH HOLE MOUNT RADIAL LEADED
RESISTOR, WIRE WOUND, 2 W, 5 %, 20 ppm, 51 ohm, THROUGH HOLE MOUNT RADIAL LEADED
RESISTOR, WIRE WOUND, 2 W, 5 %, 600 ppm, 0.56 ohm, THROUGH HOLE MOUNT RADIAL LEADED
RESISTOR, WIRE WOUND, 2 W, 5 %, 20 ppm, 62 ohm, THROUGH HOLE MOUNT RADIAL LEADED
RESISTOR, WIRE WOUND, 10 W, 5 %, 400 ppm, 0.039 ohm, THROUGH HOLE MOUNT RADIAL LEADED
RESISTOR, WIRE WOUND, 2 W, 5 %, 600 ppm, 0.2 ohm, THROUGH HOLE MOUNT RADIAL LEADED
RESISTOR, WIRE WOUND, 5 W, 1 %, 50 ppm, 3.01 ohm, THROUGH HOLE MOUNT RADIAL LEADED
RESISTOR, WIRE WOUND, 5 W, 1 %, 20 ppm, 143 ohm, THROUGH HOLE MOUNT RADIAL LEADED
RESISTOR, WIRE WOUND, 2 W, 5 %, 50 ppm, 3 ohm, THROUGH HOLE MOUNT RADIAL LEADED
RESISTOR, WIRE WOUND, 5 W, 5 %, 300 ppm, 51 ohm, THROUGH HOLE MOUNT RADIAL LEADED
RESISTOR, WIRE WOUND, 5 W, 1 %, 20 ppm, 243 ohm, THROUGH HOLE MOUNT RADIAL LEADED
RESISTOR, WIRE WOUND, 5 W, 1 %, 20 ppm, 11 ohm, THROUGH HOLE MOUNT RADIAL LEADED
RESISTOR, WIRE WOUND, 5 W, 5 %, 300 ppm, 2.7 ohm, THROUGH HOLE MOUNT RADIAL LEADED
RESISTOR, WIRE WOUND, 5 W, 1 %, 50 ppm, 3.16 ohm, THROUGH HOLE MOUNT RADIAL LEADED
RESISTOR, WIRE WOUND, 5 W, 5 %, 300 ppm, 3.9 ohm, THROUGH HOLE MOUNT RADIAL LEADED
RESISTOR, WIRE WOUND, 2 W, 5 %, 300 ppm, 13 ohm, THROUGH HOLE MOUNT RADIAL LEADED
RESISTOR, METAL FILM, 3 W, 5 %, 50 ppm, 910 ohm, THROUGH HOLE MOUNT RADIAL LEADED
RESISTOR, WIRE WOUND, 2 W, 5 %, 20 ppm, 43 ohm, THROUGH HOLE MOUNT RADIAL LEADED
RESISTOR, WIRE WOUND, 5 W, 10 %, 300 ppm, 12 ohm, THROUGH HOLE MOUNT RADIAL LEADED
RESISTOR, WIRE WOUND, 2 W, 5 %, 300 ppm, 12 ohm, THROUGH HOLE MOUNT RADIAL LEADED
RESISTOR, WIRE WOUND, 2 W, 5 %, 600 ppm, 0.39 ohm, THROUGH HOLE MOUNT RADIAL LEADED
RESISTOR, WIRE WOUND, 2 W, 5 %, 300 ppm, 3 ohm, THROUGH HOLE MOUNT RADIAL LEADED
RESISTOR, WIRE WOUND, 2 W, 5 %, 20 ppm, 12 ohm, THROUGH HOLE MOUNT RADIAL LEADED
RESISTOR, WIRE WOUND, 5 W, 1 %, 50 ppm, 1 ohm, THROUGH HOLE MOUNT RADIAL LEADED
RESISTOR, WIRE WOUND, 2 W, 5 %, 600 ppm, 0.36 ohm, THROUGH HOLE MOUNT RADIAL LEADED
RESISTOR, WIRE WOUND, 2 W, 5 %, 20 ppm, 11 ohm, THROUGH HOLE MOUNT RADIAL LEADED
RESISTOR, WIRE WOUND, 2 W, 5 %, 300 ppm, 1 ohm, THROUGH HOLE MOUNT RADIAL LEADED
RESISTOR, WIRE WOUND, 2 W, 5 %, 600 ppm, 0.16 ohm, THROUGH HOLE MOUNT RADIAL LEADED
RESISTOR, WIRE WOUND, 5 W, 5 %, 20 ppm, 13 ohm, THROUGH HOLE MOUNT RADIAL LEADED
RESISTOR, WIRE WOUND, 5 W, 5 %, 300 ppm, 43 ohm, THROUGH HOLE MOUNT RADIAL LEADED
RESISTOR, METAL FILM, 3 W, 5 %, 50 ppm, 801 ohm, THROUGH HOLE MOUNT RADIAL LEADED
RESISTOR, WIRE WOUND, 5 W, 1 %, 20 ppm, 191 ohm, THROUGH HOLE MOUNT RADIAL LEADED
RESISTOR, WIRE WOUND, 5 W, 10 %, 300 ppm, 1 ohm, THROUGH HOLE MOUNT RADIAL LEADED
RESISTOR, WIRE WOUND, 5 W, 5 %, 20 ppm, 11 ohm, THROUGH HOLE MOUNT RADIAL LEADED
RESISTOR, WIRE WOUND, 10 W, 5 %, 100 ppm, 0.091 ohm, THROUGH HOLE MOUNT RADIAL LEADED
RESISTOR, WIRE WOUND, 2 W, 5 %, 600 ppm, 0.12 ohm, THROUGH HOLE MOUNT RADIAL LEADED
RESISTOR, WIRE WOUND, 10 W, 5 %, 400 ppm, 0.022 ohm, THROUGH HOLE MOUNT RADIAL LEADED
RESISTOR, WIRE WOUND, 5 W, 10 %, 300 ppm, 1.8 ohm, THROUGH HOLE MOUNT RADIAL LEADED
RESISTOR, WIRE WOUND, 5 W, 1 %, 20 ppm, 16.2 ohm, THROUGH HOLE MOUNT RADIAL LEADED
RESISTOR, WIRE WOUND, 2 W, 5 %, 300 ppm, 1.8 ohm, THROUGH HOLE MOUNT RADIAL LEADED
RESISTOR, WIRE WOUND, 5 W, 5 %, 50 ppm, 2.7 ohm, THROUGH HOLE MOUNT RADIAL LEADED
RESISTOR, WIRE WOUND, 2 W, 5 %, 600 ppm, 0.43 ohm, THROUGH HOLE MOUNT RADIAL LEADED
RESISTOR, WIRE WOUND, 2 W, 5 %, 600 ppm, 0.33 ohm, THROUGH HOLE MOUNT RADIAL LEADED
RESISTOR, WIRE WOUND, 5 W, 5 %, 300 ppm, 1.8 ohm, THROUGH HOLE MOUNT RADIAL LEADED
RESISTOR, WIRE WOUND, 2 W, 5 %, 600 ppm, 0.24 ohm, THROUGH HOLE MOUNT RADIAL LEADED
RESISTOR, WIRE WOUND, 10 W, 5 %, 400 ppm, 0.049 ohm, THROUGH HOLE MOUNT RADIAL LEADED
RESISTOR, WIRE WOUND, 2 W, 5 %, 50 ppm, 1.8 ohm, THROUGH HOLE MOUNT RADIAL LEADED
RESISTOR, METAL FILM, 3 W, 5 %, 50 ppm, 820 ohm, THROUGH HOLE MOUNT RADIAL LEADED
RESISTOR, WIRE WOUND, 2 W, 5 %, 600 ppm, 0.13 ohm, THROUGH HOLE MOUNT RADIAL LEADED
RESISTOR, WIRE WOUND, 5 W, 5 %, 50 ppm, 1.8 ohm, THROUGH HOLE MOUNT RADIAL LEADED
RESISTOR, WIRE WOUND, 2 W, 5 %, 600 ppm, 0.18 ohm, THROUGH HOLE MOUNT RADIAL LEADED
RESISTOR, WIRE WOUND, 2 W, 5 %, 600 ppm, 0.1 ohm, THROUGH HOLE MOUNT RADIAL LEADED
RESISTOR, WIRE WOUND, 2 W, 5 %, 600 ppm, 0.15 ohm, THROUGH HOLE MOUNT RADIAL LEADED
RESISTOR, WIRE WOUND, 2 W, 5 %, 600 ppm, 0.3 ohm, THROUGH HOLE MOUNT RADIAL LEADED
RESISTOR, WIRE WOUND, 2 W, 5 %, 600 ppm, 0.51 ohm, THROUGH HOLE MOUNT RADIAL LEADED
RESISTOR, WIRE WOUND, 5 W, 1 %, 50 ppm, 3.32 ohm, THROUGH HOLE MOUNT RADIAL LEADED
RESISTOR, WIRE WOUND, 5 W, 1 %, 20 ppm, 32.4 ohm, THROUGH HOLE MOUNT RADIAL LEADED
RESISTOR, METAL FILM, 3 W, 5 %, 50 ppm, 110000 ohm, THROUGH HOLE MOUNT RADIAL LEADED
RESISTOR, METAL FILM, 3 W, 5 %, 50 ppm, 100000 ohm, THROUGH HOLE MOUNT RADIAL LEADED
RESISTOR, METAL FILM, 3 W, 5 %, 50 ppm, 1600 ohm, THROUGH HOLE MOUNT RADIAL LEADED
RESISTOR, METAL FILM, 3 W, 5 %, 50 ppm, 1500 ohm, THROUGH HOLE MOUNT RADIAL LEADED
RESISTOR, METAL FILM, 3 W, 5 %, 50 ppm, 1800 ohm, THROUGH HOLE MOUNT RADIAL LEADED
RESISTOR, METAL FILM, 3 W, 5 %, 50 ppm, 13000 ohm, THROUGH HOLE MOUNT RADIAL LEADED
RESISTOR, METAL FILM, 3 W, 5 %, 50 ppm, 11000 ohm, THROUGH HOLE MOUNT RADIAL LEADED
RESISTOR, METAL FILM, 3 W, 5 %, 50 ppm, 1100 ohm, THROUGH HOLE MOUNT RADIAL LEADED
RESISTOR, METAL FILM, 3 W, 5 %, 50 ppm, 1200 ohm, THROUGH HOLE MOUNT RADIAL LEADED
RESISTOR, METAL FILM, 3 W, 5 %, 50 ppm, 130000 ohm, THROUGH HOLE MOUNT RADIAL LEADED
RESISTOR, METAL FILM, 3 W, 5 %, 50 ppm, 1300 ohm, THROUGH HOLE MOUNT RADIAL LEADED
RESISTOR, METAL FILM, 3 W, 5 %, 50 ppm, 10000 ohm, THROUGH HOLE MOUNT RADIAL LEADED
Wirewound Resistors, Commercial Power, Vertical Mount
Vishay Intertechnology, Inc.
VISAY[Vishay Siliconix]
Vishay Intertechnology,Inc.
RN1964FE RN1963FE RN1961FE RN1962FE RN1965FE RN196 Transistor Silicon NPN Epitaxial Type (PCT process) (Bias Resistor built-in Transistor) Switching, Inverter Circuit, Interface Circuit and Driver Circuit Applications.
TOSHIBA Transistor Silicon NPN Epitaxial Type (PCT process) (Bias Resistor built-in Transistor)
TOSHIBA[Toshiba Semiconductor]
UNR9216 UNR9213 UNR9215 UNR9214 UNR9210 UNR9211 UN Transistors with built-in Resistor
ST72321 - 8-BIT MCU WITH NESTED INTERRUPTS, FLASH,10-BIT ADC, FIVE TIMERS, SPI, SCI, I2C INTERFACE
TRANSISTOR | 50V V(BR)CEO | 100MA I(C) | SOT-416
UNR921X Series (UN921X Series) - NPN Transistor with built-in Resistor
DC-DC converter from 5 V to 12 V, 0.03 A for Flash memory programming supply 晶体管| 50V五(巴西)总裁| 100mA的一(c)|的SOT - 416
Matsshita / Panasonic
Panasonic, Corp.
FN1A4Z FN1A4Z-L FN1A4Z-T2B FN1A4ZM69 100 mA, 50 V, PNP, Si, SMALL SIGNAL TRANSISTOR MINIMOLD, SC-59, 3 PIN
MEDIUM SPEED SWITCHING RESISTOR BUILT-IN TYPE PNP TRANSISTOR MINI MOLD
Compound transistor
Honeywell International, Inc.
NEC
 
 Related keyword From Full Text Search System
RT1N14HC Mixed RT1N14HC ptc data RT1N14HC capacitors RT1N14HC module RT1N14HC rectifier
RT1N14HC single RT1N14HC Iconline RT1N14HC dropout RT1N14HC Micropower RT1N14HC filetype:pdf
 

 

Price & Availability of RT1N14HC

All Rights Reserved © IC-ON-LINE 2003 - 2022  

[Add Bookmark] [Contact Us] [Link exchange] [Privacy policy]
Mirror Sites :  [www.datasheet.hk]   [www.maxim4u.com]  [www.ic-on-line.cn] [www.ic-on-line.com] [www.ic-on-line.net] [www.alldatasheet.com.cn] [www.gdcy.com]  [www.gdcy.net]


 . . . . .
  We use cookies to deliver the best possible web experience and assist with our advertising efforts. By continuing to use this site, you consent to the use of cookies. For more information on cookies, please take a look at our Privacy Policy. X
0.31536293029785