Part Number Hot Search : 
NJM064 4LS38FPE FX26N90 KK4050BD RF2173 SLVU030 NB2780A 5ST101
Product Description
Full Text Search

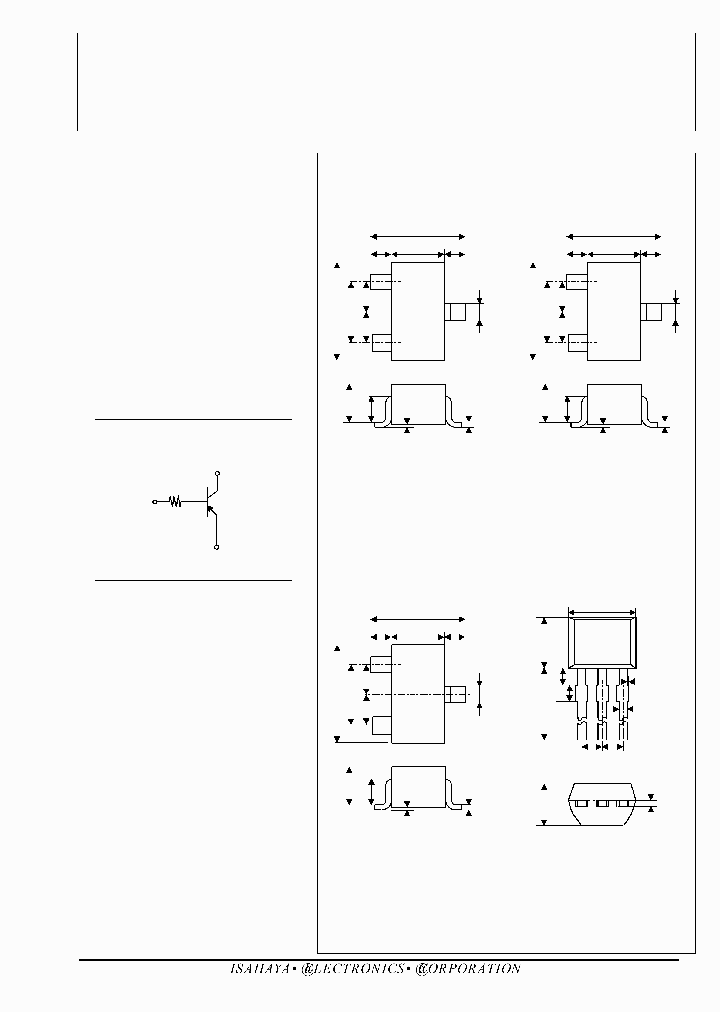
RT1P440C - Transistor With Resistor For Switching Application Silicon PNP Epitaxial Type

RT1P440C_4243962.PDF Datasheet


 Full text search : Transistor With Resistor For Switching Application Silicon PNP Epitaxial Type
 Product Description search : Transistor With Resistor For Switching Application Silicon PNP Epitaxial Type


 Related Part Number
PART Description Maker
MUN2111T1G MUN2111T1 MUN2140T1 DTA144W MUN211 MUN2    Bias Resistor Transistor
Bias Resistor Transistor 100 mA, 50 V, PNP, Si, SMALL SIGNAL TRANSISTOR
DIODE ZENER SINGLE 150mW 27Vz 2mA-Izt 0.0704 0.1uA-Ir 18.9 SOT-523 3K/REEL
LED 2HI 5MM SUP BRIGHT GRN PCMNT
BRT Transistor PNP
ONSEMI[ON Semiconductor]
DTC144T1 DTC144TT1 NPN Silicon Surface Mount Transistor with Monolithic Bias Resistor Network
Bias Resistor Transistor
ONSEMI[ON Semiconductor]
DTC114E-D DTC143ZM3T5G Bias Resistor Transistor NPN Silicon Surface Mount Transistor with Monolithic Bias Resistor Network
ON Semiconductor
DTC114EET1-D Bias Resistor Transistor NPN Silicon Surface Mount Transistor with Monolithic Bias Resistor Network
ON Semiconductor
MMUN2134LT1 MMUN2111LT1 MMUN2112LT1 MMUN2113LT1 MM Bias Resistor Transistors PNP Silicon Surface Mount Transistors with Monolithic Bias Resistor Network
SSP PNP
PNP SILICON BIAS RESISTOR TRANSISTOR 100 mA, 50 V, PNP, Si, SMALL SIGNAL TRANSISTOR, TO-236AB
ONSEMI[ON Semiconductor]
FP002P2K74F9256EA FP002P1K74F9256CH FP002P1K74F925 RESISTOR, METAL FILM, 2 W, 1 %, 2740 ohm, THROUGH HOLE MOUNT AXIAL LEADED, ROHS COMPLIANT
RESISTOR, METAL FILM, 2 W, 1 %, 1740 ohm, THROUGH HOLE MOUNT AXIAL LEADED, ROHS COMPLIANT
RESISTOR, METAL FILM, 0.5 W, 1 %, 69.8 ohm, THROUGH HOLE MOUNT AXIAL LEADED, ROHS COMPLIANT
RESISTOR, METAL FILM, 0.5 W, 1 %, 95.3 ohm, THROUGH HOLE MOUNT AXIAL LEADED, ROHS COMPLIANT
RESISTOR, METAL FILM, 0.5 W, 1 %, 97.6 ohm, THROUGH HOLE MOUNT AXIAL LEADED, ROHS COMPLIANT
RESISTOR, METAL FILM, 0.5 W, 2 %, 100 ohm, THROUGH HOLE MOUNT AXIAL LEADED, ROHS COMPLIANT
RESISTOR, METAL FILM, 0.5 W, 2 %, 100000 ohm, THROUGH HOLE MOUNT AXIAL LEADED, ROHS COMPLIANT
RESISTOR, METAL FILM, 0.5 W, 2 %, 10000 ohm, THROUGH HOLE MOUNT AXIAL LEADED, ROHS COMPLIANT
RESISTOR, METAL FILM, 0.5 W, 1 %, 93.1 ohm, THROUGH HOLE MOUNT AXIAL LEADED, ROHS COMPLIANT
RESISTOR, METAL FILM, 0.5 W, 2 %, 110000 ohm, THROUGH HOLE MOUNT AXIAL LEADED, ROHS COMPLIANT
RESISTOR, METAL FILM, 0.5 W, 2 %, 10 ohm, THROUGH HOLE MOUNT AXIAL LEADED, ROHS COMPLIANT
RESISTOR, METAL FILM, 0.5 W, 1 %, 127000 ohm, THROUGH HOLE MOUNT AXIAL LEADED, ROHS COMPLIANT
RESISTOR, METAL FILM, 0.5 W, 1 %, 107000 ohm, THROUGH HOLE MOUNT AXIAL LEADED, ROHS COMPLIANT
RESISTOR, METAL FILM, 0.5 W, 1 %, 147000 ohm, THROUGH HOLE MOUNT AXIAL LEADED, ROHS COMPLIANT
RESISTOR, METAL FILM, 0.5 W, 1 %, 17800 ohm, THROUGH HOLE MOUNT AXIAL LEADED, ROHS COMPLIANT
RESISTOR, METAL FILM, 0.5 W, 1 %, 137000 ohm, THROUGH HOLE MOUNT AXIAL LEADED, ROHS COMPLIANT
RESISTOR, METAL FILM, 0.5 W, 1 %, 17400 ohm, THROUGH HOLE MOUNT AXIAL LEADED, ROHS COMPLIANT
RESISTOR, METAL FILM, 0.5 W, 1 %, 12400 ohm, THROUGH HOLE MOUNT AXIAL LEADED
RESISTOR, METAL FILM, 0.5 W, 1 %, 34.8 ohm, THROUGH HOLE MOUNT AXIAL LEADED, ROHS COMPLIANT
RESISTOR, METAL FILM, 0.5 W, 1 %, 187000 ohm, THROUGH HOLE MOUNT AXIAL LEADED
RESISTOR, METAL FILM, 0.5 W, 1 %, 34 ohm, THROUGH HOLE MOUNT AXIAL LEADED, ROHS COMPLIANT
RESISTOR, METAL FILM, 3 W, 1 %, 412000 ohm, THROUGH HOLE MOUNT AXIAL LEADED, ROHS COMPLIANT
RESISTOR, METAL FILM, 3 W, 1 %, 402000 ohm, THROUGH HOLE MOUNT AXIAL LEADED, ROHS COMPLIANT
RESISTOR, METAL FILM, 3 W, 1 %, 40.2 ohm, THROUGH HOLE MOUNT AXIAL LEADED, ROHS COMPLIANT
RESISTOR, METAL FILM, 3 W, 1 %, 442 ohm, THROUGH HOLE MOUNT AXIAL LEADED, ROHS COMPLIANT
RESISTOR, METAL FILM, 3 W, 1 %, 46.4 ohm, THROUGH HOLE MOUNT AXIAL LEADED, ROHS COMPLIANT
RESISTOR, METAL FILM, 3 W, 1 %, 40200 ohm, THROUGH HOLE MOUNT AXIAL LEADED, ROHS COMPLIANT
RESISTOR, METAL FILM, 3 W, 1 %, 42200 ohm, THROUGH HOLE MOUNT AXIAL LEADED, ROHS COMPLIANT
RESISTOR, METAL FILM, 3 W, 1 %, 41200 ohm, THROUGH HOLE MOUNT AXIAL LEADED, ROHS COMPLIANT
RESISTOR, METAL FILM, 2 W, 1 %, 475000 ohm, THROUGH HOLE MOUNT AXIAL LEADED, ROHS COMPLIANT
RESISTOR, METAL FILM, 2 W, 1 %, 47.5 ohm, THROUGH HOLE MOUNT AXIAL LEADED, ROHS COMPLIANT
RESISTOR, METAL FILM, 2 W, 1 %, 475 ohm, THROUGH HOLE MOUNT AXIAL LEADED, ROHS COMPLIANT
RESISTOR, METAL FILM, 3 W, 1 %, 422000 ohm, THROUGH HOLE MOUNT AXIAL LEADED, ROHS COMPLIANT
RESISTOR, METAL FILM, 3 W, 1 %, 412 ohm, THROUGH HOLE MOUNT AXIAL LEADED, ROHS COMPLIANT
RESISTOR, METAL FILM, 3 W, 1 %, 402 ohm, THROUGH HOLE MOUNT AXIAL LEADED, ROHS COMPLIANT
RESISTOR, METAL FILM, 3 W, 1 %, 4420 ohm, THROUGH HOLE MOUNT AXIAL LEADED, ROHS COMPLIANT
RESISTOR, METAL FILM, 3 W, 1 %, 422 ohm, THROUGH HOLE MOUNT AXIAL LEADED, ROHS COMPLIANT
RESISTOR, METAL FILM, 3 W, 1 %, 442000 ohm, THROUGH HOLE MOUNT AXIAL LEADED, ROHS COMPLIANT
RESISTOR, METAL FILM, 0.5 W, 1 %, 2050 ohm, THROUGH HOLE MOUNT AXIAL LEADED, ROHS COMPLIANT
RESISTOR, METAL FILM, 0.5 W, 1 %, 21500 ohm, THROUGH HOLE MOUNT AXIAL LEADED, ROHS COMPLIANT
RESISTOR, METAL FILM, 0.5 W, 1 %, 25.5 ohm, THROUGH HOLE MOUNT AXIAL LEADED, ROHS COMPLIANT
RESISTOR, METAL FILM, 2 W, 1 %, 76.8 ohm, THROUGH HOLE MOUNT AXIAL LEADED, ROHS COMPLIANT
RESISTOR, METAL FILM, 0.5 W, 1 %, 20500 ohm, THROUGH HOLE MOUNT AXIAL LEADED, ROHS COMPLIANT
RESISTOR, METAL FILM, 0.5 W, 1 %, 25500 ohm, THROUGH HOLE MOUNT AXIAL LEADED, ROHS COMPLIANT
RESISTOR, METAL FILM, 3 W, 1 %, 41.2 ohm, THROUGH HOLE MOUNT AXIAL LEADED, ROHS COMPLIANT
RESISTOR, METAL FILM, 0.5 W, 1 %, 20.5 ohm, THROUGH HOLE MOUNT AXIAL LEADED, ROHS COMPLIANT
RESISTOR, METAL FILM, 0.5 W, 1 %, 80.6 ohm, THROUGH HOLE MOUNT AXIAL LEADED, ROHS COMPLIANT
RESISTOR, METAL FILM, 0.5 W, 1 %, 2150 ohm, THROUGH HOLE MOUNT AXIAL LEADED, ROHS COMPLIANT
RESISTOR, METAL FILM, 0.5 W, 1 %, 21.5 ohm, THROUGH HOLE MOUNT AXIAL LEADED, ROHS COMPLIANT
RESISTOR, METAL FILM, 2 W, 1 %, 158 ohm, THROUGH HOLE MOUNT AXIAL LEADED
RESISTOR, METAL FILM, 2 W, 1 %, 28 ohm, THROUGH HOLE MOUNT AXIAL LEADED
RESISTOR, METAL FILM, 2 W, 1 %, 48.7 ohm, THROUGH HOLE MOUNT AXIAL LEADED
RESISTOR, METAL FILM, 2 W, 5 %, 18 ohm, THROUGH HOLE MOUNT AXIAL LEADED
RESISTOR, METAL FILM, 2 W, 1 %, 28.7 ohm, THROUGH HOLE MOUNT AXIAL LEADED
RESISTOR, METAL FILM, 2 W, 5 %, 68 ohm, THROUGH HOLE MOUNT AXIAL LEADED
RESISTOR, METAL FILM, 2 W, 1 %, 88.7 ohm, THROUGH HOLE MOUNT AXIAL LEADED
RESISTOR, METAL FILM, 2 W, 1 %, 768 ohm, THROUGH HOLE MOUNT AXIAL LEADED
RESISTOR, METAL FILM, 2 W, 1 %, 178 ohm, THROUGH HOLE MOUNT AXIAL LEADED
RESISTOR, METAL FILM, 2 W, 1 %, 348 ohm, THROUGH HOLE MOUNT AXIAL LEADED
RESISTOR, METAL FILM, 2 W, 1 %, 8.25 ohm, THROUGH HOLE MOUNT AXIAL LEADED
RESISTOR, METAL FILM, 2 W, 1 %, 68.1 ohm, THROUGH HOLE MOUNT AXIAL LEADED
RESISTOR, METAL FILM, 2 W, 1 %, 8.45 ohm, THROUGH HOLE MOUNT AXIAL LEADED
RESISTOR, METAL FILM, 2 W, 1 %, 38.3 ohm, THROUGH HOLE MOUNT AXIAL LEADED
RESISTOR, METAL FILM, 2 W, 1 %, 8.66 ohm, THROUGH HOLE MOUNT AXIAL LEADED
RESISTOR, METAL FILM, 2 W, 1 %, 698 ohm, THROUGH HOLE MOUNT AXIAL LEADED
RESISTOR, METAL FILM, 2 W, 1 %, 18.7 ohm, THROUGH HOLE MOUNT AXIAL LEADED
RESISTOR, METAL FILM, 2 W, 1 %, 8.06 ohm, THROUGH HOLE MOUNT AXIAL LEADED
Vishay Intertechnology, Inc.
UN4123 UNR4123 UN4121/4122/4123/4124/412X/412Y UN4121/4122/4123/4124/412X/412Y - PNP Transistor with built-in Resistor
Transistors with built-in Resistor
Matsshita / Panasonic
CNS020135MOHM0.05 CNS020205MOHM0.05 CNS020105MOHM0 RESISTOR, THIN FILM, 0.25 W, 0.05 %, 10 ppm, 1350000 ohm, THROUGH HOLE MOUNT RADIAL LEADED
RESISTOR, THIN FILM, 0.25 W, 0.05 %, 10 ppm, 2050000 ohm, THROUGH HOLE MOUNT RADIAL LEADED
RESISTOR, THIN FILM, 0.25 W, 0.1 %, 10 ppm, 1050000 ohm, THROUGH HOLE MOUNT RADIAL LEADED
RESISTOR, THIN FILM, 0.25 W, 0.05 %, 10 ppm, 1450000 ohm, THROUGH HOLE MOUNT RADIAL LEADED
RESISTOR, THIN FILM, 0.25 W, 1 %, 10 ppm, 1050000 ohm, THROUGH HOLE MOUNT RADIAL LEADED
RESISTOR, THIN FILM, 0.25 W, 1 %, 10 ppm, 1650000 ohm, THROUGH HOLE MOUNT RADIAL LEADED
RESISTOR, THIN FILM, 0.25 W, 0.1 %, 10 ppm, 1450000 ohm, THROUGH HOLE MOUNT RADIAL LEADED
RESISTOR, THIN FILM, 0.25 W, 1 %, 10 ppm, 1500000 ohm, THROUGH HOLE MOUNT RADIAL LEADED
RESISTOR, THIN FILM, 0.25 W, 1 %, 10 ppm, 2050000 ohm, THROUGH HOLE MOUNT RADIAL LEADED
RESISTOR, THIN FILM, 0.25 W, 0.05 %, 10 ppm, 1150000 ohm, THROUGH HOLE MOUNT RADIAL LEADED
RESISTOR, THIN FILM, 0.25 W, 1 %, 10 ppm, 1150000 ohm, THROUGH HOLE MOUNT RADIAL LEADED
RESISTOR, THIN FILM, 0.25 W, 0.1 %, 10 ppm, 2050000 ohm, THROUGH HOLE MOUNT RADIAL LEADED
RESISTOR, THIN FILM, 0.25 W, 0.05 %, 10 ppm, 1650000 ohm, THROUGH HOLE MOUNT RADIAL LEADED
RESISTOR, THIN FILM, 0.25 W, 0.05 %, 10 ppm, 1050000 ohm, THROUGH HOLE MOUNT RADIAL LEADED
RESISTOR, THIN FILM, 0.25 W, 0.1 %, 10 ppm, 1350000 ohm, THROUGH HOLE MOUNT RADIAL LEADED
RESISTOR, THIN FILM, 0.25 W, 0.1 %, 10 ppm, 1650000 ohm, THROUGH HOLE MOUNT RADIAL LEADED
RESISTOR, THIN FILM, 0.25 W, 0.1 %, 10 ppm, 1150000 ohm, THROUGH HOLE MOUNT RADIAL LEADED
RESISTOR, THIN FILM, 0.25 W, 0.05 %, 10 ppm, 2150000 ohm, THROUGH HOLE MOUNT RADIAL LEADED
RESISTOR, THIN FILM, 0.25 W, 0.05 %, 10 ppm, 1500000 ohm, THROUGH HOLE MOUNT RADIAL LEADED
RESISTOR, THIN FILM, 0.25 W, 0.05 %, 10 ppm, 105000 ohm, THROUGH HOLE MOUNT RADIAL LEADED
RESISTOR, THIN FILM, 0.25 W, 0.05 %, 10 ppm, 205000 ohm, THROUGH HOLE MOUNT RADIAL LEADED
RESISTOR, THIN FILM, 0.25 W, 0.05 %, 10 ppm, 305000 ohm, THROUGH HOLE MOUNT RADIAL LEADED
RESISTOR, THIN FILM, 0.25 W, 0.05 %, 10 ppm, 5050000 ohm, THROUGH HOLE MOUNT RADIAL LEADED
RESISTOR, THIN FILM, 0.25 W, 0.05 %, 10 ppm, 505000 ohm, THROUGH HOLE MOUNT RADIAL LEADED
RESISTOR, THIN FILM, 0.25 W, 0.05 %, 10 ppm, 3050000 ohm, THROUGH HOLE MOUNT RADIAL LEADED
RESISTOR, THIN FILM, 0.25 W, 0.05 %, 10 ppm, 988000 ohm, THROUGH HOLE MOUNT RADIAL LEADED
RESISTOR, THIN FILM, 0.25 W, 0.05 %, 10 ppm, 208000 ohm, THROUGH HOLE MOUNT RADIAL LEADED
RESISTOR, THIN FILM, 0.25 W, 0.05 %, 10 ppm, 258000 ohm, THROUGH HOLE MOUNT RADIAL LEADED
RESISTOR, THIN FILM, 0.25 W, 0.05 %, 10 ppm, 388000 ohm, THROUGH HOLE MOUNT RADIAL LEADED
RESISTOR, THIN FILM, 0.25 W, 0.05 %, 10 ppm, 178000 ohm, THROUGH HOLE MOUNT RADIAL LEADED
RESISTOR, THIN FILM, 0.25 W, 0.05 %, 10 ppm, 698000 ohm, THROUGH HOLE MOUNT RADIAL LEADED
RESISTOR, THIN FILM, 0.25 W, 0.05 %, 10 ppm, 298000 ohm, THROUGH HOLE MOUNT RADIAL LEADED
RESISTOR, THIN FILM, 0.25 W, 0.05 %, 10 ppm, 328000 ohm, THROUGH HOLE MOUNT RADIAL LEADED
RESISTOR, THIN FILM, 0.25 W, 0.05 %, 10 ppm, 138000 ohm, THROUGH HOLE MOUNT RADIAL LEADED
RESISTOR, THIN FILM, 0.25 W, 0.05 %, 10 ppm, 348000 ohm, THROUGH HOLE MOUNT RADIAL LEADED
RESISTOR, THIN FILM, 0.25 W, 0.05 %, 10 ppm, 218000 ohm, THROUGH HOLE MOUNT RADIAL LEADED
RESISTOR, THIN FILM, 0.25 W, 0.05 %, 10 ppm, 768000 ohm, THROUGH HOLE MOUNT RADIAL LEADED
RESISTOR, THIN FILM, 0.25 W, 0.05 %, 10 ppm, 158000 ohm, THROUGH HOLE MOUNT RADIAL LEADED
RESISTOR, THIN FILM, 0.25 W, 0.05 %, 10 ppm, 1800000 ohm, THROUGH HOLE MOUNT RADIAL LEADED
RESISTOR, THIN FILM, 0.25 W, 0.05 %, 10 ppm, 9880000 ohm, THROUGH HOLE MOUNT RADIAL LEADED
RESISTOR, THIN FILM, 0.25 W, 0.05 %, 10 ppm, 1180000 ohm, THROUGH HOLE MOUNT RADIAL LEADED
RESISTOR, THIN FILM, 0.25 W, 0.05 %, 10 ppm, 2800000 ohm, THROUGH HOLE MOUNT RADIAL LEADED
RESISTOR, THIN FILM, 0.25 W, 0.05 %, 10 ppm, 2580000 ohm, THROUGH HOLE MOUNT RADIAL LEADED
RESISTOR, THIN FILM, 0.25 W, 0.05 %, 10 ppm, 4480000 ohm, THROUGH HOLE MOUNT RADIAL LEADED
RESISTOR, THIN FILM, 0.25 W, 0.05 %, 10 ppm, 2180000 ohm, THROUGH HOLE MOUNT RADIAL LEADED
RESISTOR, THIN FILM, 0.25 W, 0.05 %, 10 ppm, 198000 ohm, THROUGH HOLE MOUNT RADIAL LEADED
RESISTOR, THIN FILM, 0.25 W, 0.05 %, 10 ppm, 448000 ohm, THROUGH HOLE MOUNT RADIAL LEADED
RESISTOR, THIN FILM, 0.25 W, 0.05 %, 10 ppm, 898000 ohm, THROUGH HOLE MOUNT RADIAL LEADED
RESISTOR, THIN FILM, 0.25 W, 0.05 %, 10 ppm, 3280000 ohm, THROUGH HOLE MOUNT RADIAL LEADED
RESISTOR, THIN FILM, 0.25 W, 0.05 %, 10 ppm, 3880000 ohm, THROUGH HOLE MOUNT RADIAL LEADED
RESISTOR, THIN FILM, 0.25 W, 0.05 %, 10 ppm, 118000 ohm, THROUGH HOLE MOUNT RADIAL LEADED
RESISTOR, THIN FILM, 0.25 W, 0.05 %, 10 ppm, 8980000 ohm, THROUGH HOLE MOUNT RADIAL LEADED
RESISTOR, THIN FILM, 0.25 W, 0.05 %, 10 ppm, 1980000 ohm, THROUGH HOLE MOUNT RADIAL LEADED
RESISTOR, THIN FILM, 0.25 W, 0.05 %, 10 ppm, 2980000 ohm, THROUGH HOLE MOUNT RADIAL LEADED
RESISTOR, THIN FILM, 0.25 W, 0.05 %, 10 ppm, 1580000 ohm, THROUGH HOLE MOUNT RADIAL LEADED
RESISTOR, THIN FILM, 0.25 W, 0.05 %, 10 ppm, 6980000 ohm, THROUGH HOLE MOUNT RADIAL LEADED
RESISTOR, THIN FILM, 0.25 W, 0.05 %, 10 ppm, 2080000 ohm, THROUGH HOLE MOUNT RADIAL LEADED
RESISTOR, THIN FILM, 0.25 W, 0.05 %, 10 ppm, 1380000 ohm, THROUGH HOLE MOUNT RADIAL LEADED
RESISTOR, THIN FILM, 0.25 W, 0.05 %, 10 ppm, 3480000 ohm, THROUGH HOLE MOUNT RADIAL LEADED
RESISTOR, THIN FILM, 0.25 W, 0.05 %, 10 ppm, 7680000 ohm, THROUGH HOLE MOUNT RADIAL LEADED
Vishay Intertechnology, Inc.
RN1964FE RN1963FE RN1961FE RN1962FE RN1965FE RN196 Transistor Silicon NPN Epitaxial Type (PCT process) (Bias Resistor built-in Transistor) Switching, Inverter Circuit, Interface Circuit and Driver Circuit Applications.
TOSHIBA Transistor Silicon NPN Epitaxial Type (PCT process) (Bias Resistor built-in Transistor)
TOSHIBA[Toshiba Semiconductor]
FN1A4Z FN1A4Z-L FN1A4Z-T2B FN1A4ZM69 100 mA, 50 V, PNP, Si, SMALL SIGNAL TRANSISTOR MINIMOLD, SC-59, 3 PIN
MEDIUM SPEED SWITCHING RESISTOR BUILT-IN TYPE PNP TRANSISTOR MINI MOLD
Compound transistor
Honeywell International, Inc.
NEC
 
 Related keyword From Full Text Search System
RT1P440C Switching RT1P440C Memory RT1P440C Cirkuit diagram RT1P440C Series RT1P440C atmel
RT1P440C Micropower RT1P440C Processor RT1P440C amp RT1P440C 电子元器件 RT1P440C bit
 

 

Price & Availability of RT1P440C

All Rights Reserved © IC-ON-LINE 2003 - 2022  

[Add Bookmark] [Contact Us] [Link exchange] [Privacy policy]
Mirror Sites :  [www.datasheet.hk]   [www.maxim4u.com]  [www.ic-on-line.cn] [www.ic-on-line.com] [www.ic-on-line.net] [www.alldatasheet.com.cn] [www.gdcy.com]  [www.gdcy.net]


 . . . . .
  We use cookies to deliver the best possible web experience and assist with our advertising efforts. By continuing to use this site, you consent to the use of cookies. For more information on cookies, please take a look at our Privacy Policy. X
0.055516004562378