Part Number Hot Search : 
82V1054 TBB469 ADAV4622 MN6076 LNBP12SP EPC1007H FES3D DEI1066
Product Description
Full Text Search

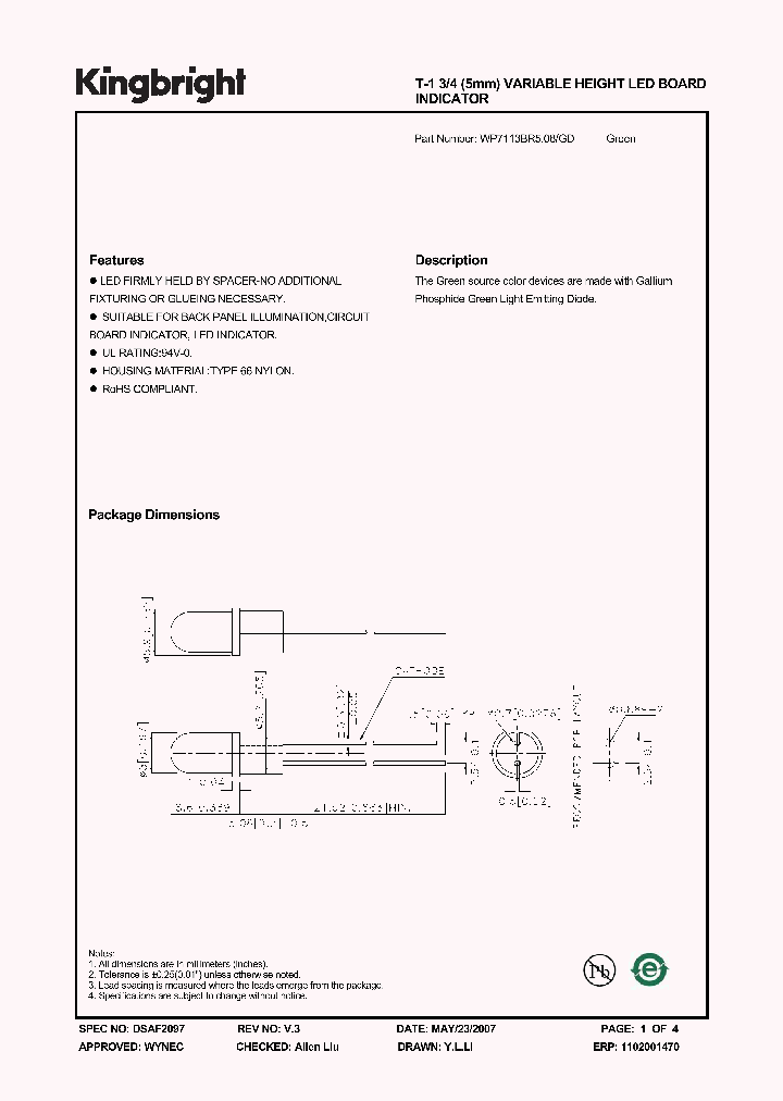
WP7113BR508GD - T-1 3/4 (5mm) VARIABLE HEIGHT LED BOARD INDICATOR 的T 1 3 / 4mm)的可变高度的LED板指示器

WP7113BR508GD_1336642.PDF Datasheet


 Full text search : T-1 3/4 (5mm) VARIABLE HEIGHT LED BOARD INDICATOR 的T 1 3 / 4mm)的可变高度的LED板指示器
 Product Description search : T-1 3/4 (5mm) VARIABLE HEIGHT LED BOARD INDICATOR 的T 1 3 / 4mm)的可变高度的LED板指示器


 Related Part Number
PART Description Maker
WP7113BR5.08_ID WP7113BR5.08-ID WP7113BR5.08/ID T-1 3/4 (5mm) VARIABLE HEIGHT LED BOARD INDICATOR
Kingbright Corporation.
KINGBRIGHT[Kingbright Corporation]
WP7113BR9.52_YD WP7113BR9.52-YD WP7113BR9.52/YD T-1 3/4 (5mm) VARIABLE HEIGHT LED BOARD INDICATOR 的T 1 3 / 4mm)的可变高度的LED板指示器
Kingbright, Corp.
Kingbright Corporation.
KINGBRIGHT[Kingbright Corporation]
5335H1-5V 5330H7LC 5330H3-5V 5335H3-5V 5330H1-5V Variable Height LED T-1 3/4 (5mm) Lamp Assembly
   Variable Height LED T-1 3/4 (5mm) Lamp Assembly
Visual Communications Company
Visual Communications Compa...
Visual Communications C...
1SV228 FILTER, INLET, IEC, 6A, SPST; Voltage rating, AC:250V; Current rating:6A; Phases, No. of:1; Length / Height, external:24mm; Width, external:48.5mm
VARIABLE CAPACITANCE DIODE (ELECTRONIC TUNING APPLICATIONS OF FM RECEIVERS)
Toshiba Corporation
TOSHIBA[Toshiba Semiconductor]
1SV225 FILTER, INLET, IEC, 6A, SPST; Voltage rating, AC:250V; Current rating:6A; Phases, No. of:1; Length / Height, external:24mm; Width, external:48.5mm; Depth, external:65.7mm; Approval Bodies:VDE, CSA, UL; Capacitance, X type RoHS Compliant: Yes
VARIABLE CAPACITANCE DIODE (ELECTRONIC TUNING APPLICATIONS OF FM RECEIVERS)
Toshiba Corporation
TOSHIBA[Toshiba Semiconductor]
15-215-R6C-AM2P1VY-2T 1206 Package Chip LED (0.5mm Height)
Everlight Electronics Co., Ltd
15-215-G7C-BN1P2B-2T11 1206 Package Chip LED (0.5mm Height)
Everlight Electronics Co., Ltd
Everlight Electronics C...
H-275C-2 H-277C H-277C-2 H-278C-2 H-276C H-276C-2 BI-LEVEL T-1 (5mm) LED HOLDER INTERLOCKING VARIABLE INSIDE DIAMETER
Bivar Inc.
List of Unclassifed Man...
P20-0445R PITCH 2.5mm HEIGHT 4.2mm 4-POS POGO PIN CONNECTOR
Harwin Plc
BM8090 8.5×8.5mm Max.(L×W),9.5mm Max. Height
8.5】8.5mm Max.(L】W),9.5mm Max. Height
Sumida Corporation
M22-2022646 M22-2023905 M22-2023046 M22-2020205 M2 2.00mm Pitch DIL Vertical 3.5mm PC Tail Pin Header, 3.5mm mating pin height, tin, 26 26-way 52 CONTACT(S), MALE, STRAIGHT TWO PART BOARD CONNECTOR, SOLDER
2.00mm Pitch DIL Vertical 3.5mm PC Tail Pin Header, 3.5mm mating pin height, gold, 39 39-way 78 CONTACT(S), MALE, STRAIGHT TWO PART BOARD CONNECTOR, SOLDER
2.00mm Pitch DIL Vertical 3.5mm PC Tail Pin Header, 3.5mm mating pin height, tin, 30 30-way 60 CONTACT(S), MALE, STRAIGHT TWO PART BOARD CONNECTOR, SOLDER
2.00mm Pitch DIL Vertical 3.5mm PC Tail Pin Header, 3.5mm mating pin height, gold, 2 2-way 4 CONTACT(S), MALE, STRAIGHT TWO PART BOARD CONNECTOR, SOLDER
2.00mm Pitch DIL Vertical 3.5mm PC Tail Pin Header, 3.5mm mating pin height, gold, 29 29-way 58 CONTACT(S), MALE, STRAIGHT TWO PART BOARD CONNECTOR, SOLDER
2.00mm Pitch DIL Vertical 3.5mm PC Tail Pin Header, 3.5mm mating pin height, gold, 24 24-way 48 CONTACT(S), MALE, STRAIGHT TWO PART BOARD CONNECTOR, SOLDER
2.00mm Pitch DIL Vertical 3.5mm PC Tail Pin Header, 3.5mm mating pin height, gold, 38 38-way 76 CONTACT(S), MALE, STRAIGHT TWO PART BOARD CONNECTOR, SOLDER
2.00mm Pitch DIL Vertical 3.5mm PC Tail Pin Header, 3.5mm mating pin height, tin, 6 6-way 12 CONTACT(S), MALE, STRAIGHT TWO PART BOARD CONNECTOR, SOLDER
2.00mm Pitch DIL Vertical 3.5mm PC Tail Pin Header, 3.5mm mating pin height, gold, 12 12-way 24 CONTACT(S), MALE, STRAIGHT TWO PART BOARD CONNECTOR, SOLDER
2.00mm Pitch DIL Vertical 3.5mm PC Tail Pin Header, 3.5mm mating pin height, tin, 10 10-way 20 CONTACT(S), MALE, STRAIGHT TWO PART BOARD CONNECTOR, SOLDER
Harwin PLC
Ecliptek, Corp.
 
 Related keyword From Full Text Search System
WP7113BR508GD protection WP7113BR508GD Corporation WP7113BR508GD Nation WP7113BR508GD semicon WP7113BR508GD high-speed usb
WP7113BR508GD video WP7113BR508GD 参数查询 WP7113BR508GD Engine WP7113BR508GD connector WP7113BR508GD Adjustable
 

 

Price & Availability of WP7113BR508GD

All Rights Reserved © IC-ON-LINE 2003 - 2022  

[Add Bookmark] [Contact Us] [Link exchange] [Privacy policy]
Mirror Sites :  [www.datasheet.hk]   [www.maxim4u.com]  [www.ic-on-line.cn] [www.ic-on-line.com] [www.ic-on-line.net] [www.alldatasheet.com.cn] [www.gdcy.com]  [www.gdcy.net]


 . . . . .
  We use cookies to deliver the best possible web experience and assist with our advertising efforts. By continuing to use this site, you consent to the use of cookies. For more information on cookies, please take a look at our Privacy Policy. X
0.49750685691833