Part Number Hot Search : 
PCA9561 TK11850L MT5880IR SM5544TW 24C01C TB0768A 23012 A2057
Product Description
Full Text Search

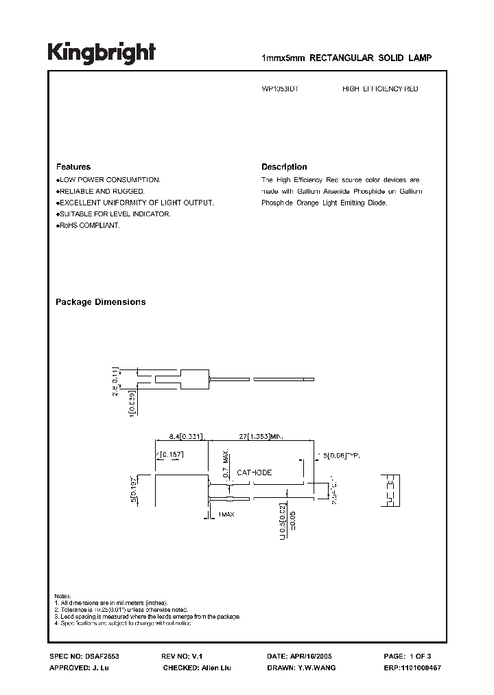
WP1053IDT - 1mmx5mm RECTANGULAR SOLID LAMP

WP1053IDT_1336407.PDF Datasheet


 Full text search : 1mmx5mm RECTANGULAR SOLID LAMP
 Product Description search : 1mmx5mm RECTANGULAR SOLID LAMP


 Related Part Number
PART Description Maker
WP1053GDT 1mmx5mm RECTANGULAR SOLID LAMP
KINGBRIGHT[Kingbright Corporation]
MV5B123 MV52123 MV53123 MV54123 MV57123 MV57123E3R Yellow Rectangular Solid State Lamp
High Efficiency Green Rectangular Solid State Lamp
High Efficiency Red Rectangular Solid State Lamp
SOLID STATE LED LAMP RECTANGULAR 2 X 5 mm LED LAMPS
FAIRCHILD[Fairchild Semiconductor]
MV3750 HLMP3950AA6R0 HLMP3750AA4R0 HLMP3850AA4R0 H    T-1 3/4 (5mm) SOLID STATE LAMPS
T-1 3/4 (5mm) SOLID STATE LAMPS T-1 3/4 SINGLE COLOR LED, GREEN, 5 mm
High Efficiency Green/AlGaAs Red Rectangular Solid State Lamp
High Efficiency Red T-1 3/4 (5 mm) Solid State Lamp
Green T-1 3/4 (5 mm) Solid State Lamp
Yellow T-1 3/4 (5 mm) Solid State Lamp
2 mA High Efficiency Red Low Current T-100 & T-1 3/4 Solid State Lamp
Fairchild Semiconductor, Corp.
http://
HLMP-1540 HLMP-1340 MV5460 MV5360 MV5762X HLMP-144 CLEAR LENS T-100 SOLID STATE LAMPS T-1 SINGLE COLOR LED, YELLOW, 3 mm
High Efficiency Red Rectangular Solid State Lamp
2 mA High Efficiency Red Low Current T-100 & T-1 3/4 Solid State Lamp
Fairchild Semiconductor, Corp.
Fairchild Semiconductor Corporation
FAIRCHILD[Fairchild Semiconductor]
WP383EDT 2.5x5mm RECTANGULAR SOLID LAMP
Kingbright Corporation.
KINGBRIGHT[Kingbright Corporation]
WP103YDT 2mmx5mm RECTANGULAR SOLID LAMP
KINGBRIGHT[Kingbright Corporation]
WP914GDT-15 2x3mm RECTANGULAR SOLID LAMP
Kingbright Corporation
WP169XGD 2x3mm RECTANGULAR SOLID LAMP
Kingbright Corporation.
KINGBRIGHT[Kingbright Corporation]
L-383EDT 2.5x5mm RECTANGULAR SOLID LAMP
KINGBRIGHT[Kingbright Corporation]
WP914PGT 2x3mm RECTANGULAR SOLID LAMP
Kingbright Corporation.
WP513HDT 2.5x5mm RECTANGULAR SOLID LAMP
KINGBRIGHT[Kingbright Corporation]
 
 Related keyword From Full Text Search System
WP1053IDT pitch WP1053IDT datasheet | даташит WP1053IDT header WP1053IDT electric WP1053IDT Source
WP1053IDT cmos WP1053IDT Price WP1053IDT FRE DOUNLODE WP1053IDT sonardyne WP1053IDT Single
 

 

Price & Availability of WP1053IDT

All Rights Reserved © IC-ON-LINE 2003 - 2022  

[Add Bookmark] [Contact Us] [Link exchange] [Privacy policy]
Mirror Sites :  [www.datasheet.hk]   [www.maxim4u.com]  [www.ic-on-line.cn] [www.ic-on-line.com] [www.ic-on-line.net] [www.alldatasheet.com.cn] [www.gdcy.com]  [www.gdcy.net]


 . . . . .
  We use cookies to deliver the best possible web experience and assist with our advertising efforts. By continuing to use this site, you consent to the use of cookies. For more information on cookies, please take a look at our Privacy Policy. X
0.14376592636108