Part Number Hot Search : 
31814 PAL16R42 A1760 2SA1933 N4737 LC75742W 42042 LR6219
Product Description
Full Text Search

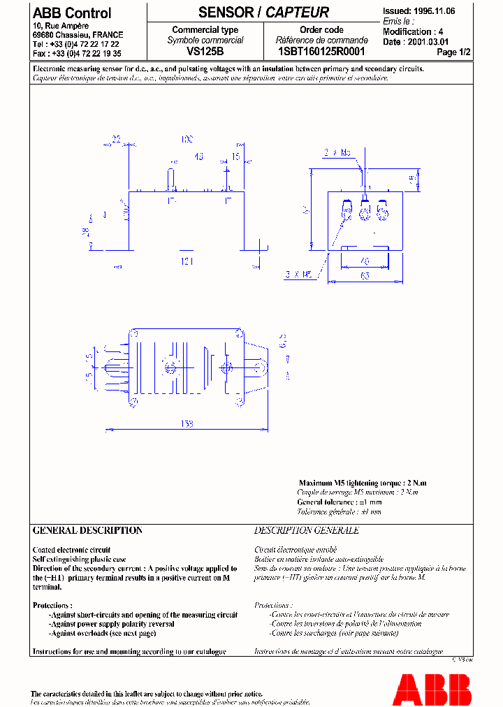
VS125B - SENSOR /CAPTEUR 传感 CAPTEUR

VS125B_1334991.PDF Datasheet


 Full text search : SENSOR /CAPTEUR 传感 CAPTEUR
 Product Description search : SENSOR /CAPTEUR 传感 CAPTEUR


 Related Part Number
PART Description Maker
PTPA0110 CAPTEUR DE PROXIMITE MAGNETIQUE
celduc-relais
R1288A Linear Sensor Photodiode Array: 64x1 Sensor-Elements Organization; 200 Dots-Per-Inch (DPI) Sensor Pitch; High Linearity and Uniformity; Wide Dynamic
PHOTOCULTIPLIER TUBE
Hamamatsu Photonics
HAMAMATSU[Hamamatsu Corporation]
TK11034 TK11034M TK11034MTL TK11034MTL_34C TK11034 TEMPERATURE SENSOR IC ANALOG TEMP SENSOR-VOLTAGE, 1.57-1.65V, RECTANGULAR, SURFACE MOUNT
TEMPERATURE SENSOR IC 温度传感器IC
TOKO, Inc.
TOKO Inc.
TOKO[TOKO, Inc]
QT110-D QT110-S QT110-IS QT110H-IS QT110H-S Charge-transfer touch sensor
IC-SMD-QPROX SENSOR
IC-QPROX SENSOR
Quantum Research Group ltd
KM110BH KM110BH2430 KM110BH2470 30° and 70° angle sensor hybrids
30?and 70?angle sensor hybrids
30 and 70 angle sensor hybrids
30∑ and 70∑ angle sensor hybrids
30and 70angle sensor hybrids
30deg angle sensor hybrid.
NXP Semiconductors
PHILIPS[Philips Semiconductors]
MAX1154BEUET MAX6662MSA-T MAX6662MSAT MAX6517UKP07 Stand-Alone, 10-Channel, 10-Bit System Monitors with Internal Temperature Sensor and VDD Monitor
12-Bit Sign Temperature Sensor with SPI-Compatible Serial Interface DIGITAL TEMP SENSOR-SERIAL, 12BIT(s), 2.50Cel, RECTANGULAR, SURFACE MOUNT
DIGITAL TEMP SENSOR-SINGLE TRIP POINT, 1.50Cel, RECTANGULAR, SURFACE MOUNT
SMBus-Compatible Remote/Local Temperature Sensor with Overtemperature Alarm
Maxim Integrated Products, Inc.
MAXIM INTEGRATED PRODUCTS INC
MK16-C-2 SENSOR MAGNETIC 15-20 A/T SMD PROXIMITY SENSOR-PHOTOELECTRIC, RECTANGULAR, SURFACE MOUNT
MEDER electronic
MK26-1C90E-500W 9265901054 MK Reed Sensor
PROXIMITY SENSOR-PHOTOELECTRIC, RECTANGULAR, PANEL MOUNT
Meder Electronic
MEDER ELECTRONIC AG
STV-6502V-D01 STV-6502V/F-D01 Sensor Daughter Board for VS 6502 CMOS Image Sensor Module
ST Microelectronics
ISL29018IROZ-EVALZ ISL29018 ISL29018IROZ-T7 Digital Ambient Light Sensor and Proximity Sensor with Interrupt Function
Intersil Corporation
MK12-1B90D-1500W MK Reed Sensor
PROXIMITY SENSOR-PHOTOELECTRIC, RECTANGULAR, PANEL MOUNT
MEDER ELECTRONIC AG
MK18-B-100W SENSOR MAGNETIC CYLINDER REED PROXIMITY SENSOR-PHOTOELECTRIC, CYLINDRICAL, PANEL MOUNT
MEDER electronic
 
 Related keyword From Full Text Search System
VS125B download VS125B ic查找网站 VS125B hot VS125B 価格 VS125B uncooled cel
VS125B battery mcu VS125B type VS125B Voltage VS125B specs VS125B audio
 

 

Price & Availability of VS125B

All Rights Reserved © IC-ON-LINE 2003 - 2022  

[Add Bookmark] [Contact Us] [Link exchange] [Privacy policy]
Mirror Sites :  [www.datasheet.hk]   [www.maxim4u.com]  [www.ic-on-line.cn] [www.ic-on-line.com] [www.ic-on-line.net] [www.alldatasheet.com.cn] [www.gdcy.com]  [www.gdcy.net]


 . . . . .
  We use cookies to deliver the best possible web experience and assist with our advertising efforts. By continuing to use this site, you consent to the use of cookies. For more information on cookies, please take a look at our Privacy Policy. X
0.1936719417572