Part Number Hot Search : 
AN7712 Y8C24 WA102 KK24LC16 MA726 SMAZ11V PDTA144T SMBG1
Product Description
Full Text Search

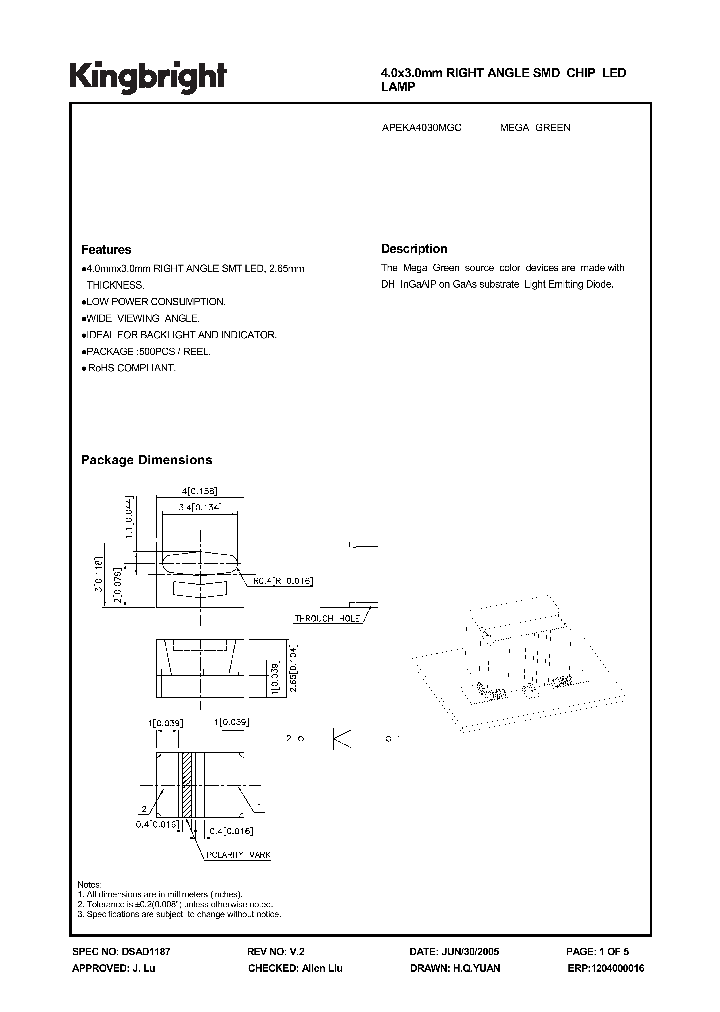
APEKA4030MGC - 4.0x3.0mm RIGHT ANGLE SMD CHIP LED LAMP

APEKA4030MGC_1210840.PDF Datasheet


 Full text search : 4.0x3.0mm RIGHT ANGLE SMD CHIP LED LAMP
 Product Description search : 4.0x3.0mm RIGHT ANGLE SMD CHIP LED LAMP


 Related Part Number
PART Description Maker
APEKA4030PBC_A-F01 APEKA4030PBC APEKA4030PBC-A-F01    4.0x3.0mm RIGHT ANGLE SMD CHIP LED LAMP
4.0x3.0mm RIGHT ANGLE SMD CHIP LED LAMP SINGLE COLOR LED, BLUE, 3.4 mm
KINGBRIGHT[Kingbright Corporation]
Kingbright Corporation.
Kingbright, Corp.
APEKA4030SEC 4.0x3.0mm RIGHT ANGLE SMD CHIP LED LAMP
KINGBRIGHT[Kingbright Corporation]
ZSG91W SDSA6429 4.0x3.0mm RIGHT ANGLE SMD CHIP LED LAMP
SunLED Corporation
APEKA4030VGC_A-F01 APEKA4030VGC-A-F01 APEKA4030VGC 4.0x3.0mm RIGHT ANGLE SMD CHIP LED LAMP SINGLE COLOR LED, GREEN, 3.4 mm
Kingbright, Corp.
Kingbright Corporation.
KINGBRIGHT[Kingbright Corporation]
APKA4110QBC_D-F01 APKA4110QBC-D-F01 APKA4110QBC/D- 4.1 x 1.0mm RIGHT ANGLE SMD CHIP LED LAMP
Kingbright Corporation.
KINGBRIGHT[Kingbright Corporation]
APKA4110TGC 4.1 x 1.0mm RIGHT ANGLE SMD CHIP LED LAMP
KINGBRIGHT[Kingbright Corporation]
ZM2CR88W 3.2x1.0mm RIGHT ANGLE SMD CHIP LED LAMP
SunLED Corporation
ZMDKVG56W 3.0x1.0mm RIGHT ANGLE SMD CHIP LED LAMP
SunLED Corporation
APPA3010SYCK 3.0mmx1.0mm RIGHT ANGLE SMD CHIP LED LAMP
Kingbright Corporation
ZM2BG81W-1 2.8X1.0mm RIGHT ANGLE SMD CHIP LED LAMP
SunLED Corporation
 
 Related keyword From Full Text Search System
APEKA4030MGC bus switch APEKA4030MGC international APEKA4030MGC Emitter APEKA4030MGC regulator APEKA4030MGC Mount
APEKA4030MGC eeprom pdf APEKA4030MGC preis APEKA4030MGC ocr APEKA4030MGC state APEKA4030MGC receiver
 

 

Price & Availability of APEKA4030MGC

All Rights Reserved © IC-ON-LINE 2003 - 2022  

[Add Bookmark] [Contact Us] [Link exchange] [Privacy policy]
Mirror Sites :  [www.datasheet.hk]   [www.maxim4u.com]  [www.ic-on-line.cn] [www.ic-on-line.com] [www.ic-on-line.net] [www.alldatasheet.com.cn] [www.gdcy.com]  [www.gdcy.net]


 . . . . .
  We use cookies to deliver the best possible web experience and assist with our advertising efforts. By continuing to use this site, you consent to the use of cookies. For more information on cookies, please take a look at our Privacy Policy. X
0.04237699508667