Part Number Hot Search : 
SMBJ16 RB1E11N 180XXX HZK2C 00090 L431L 230006 DFB50N06
Product Description
Full Text Search

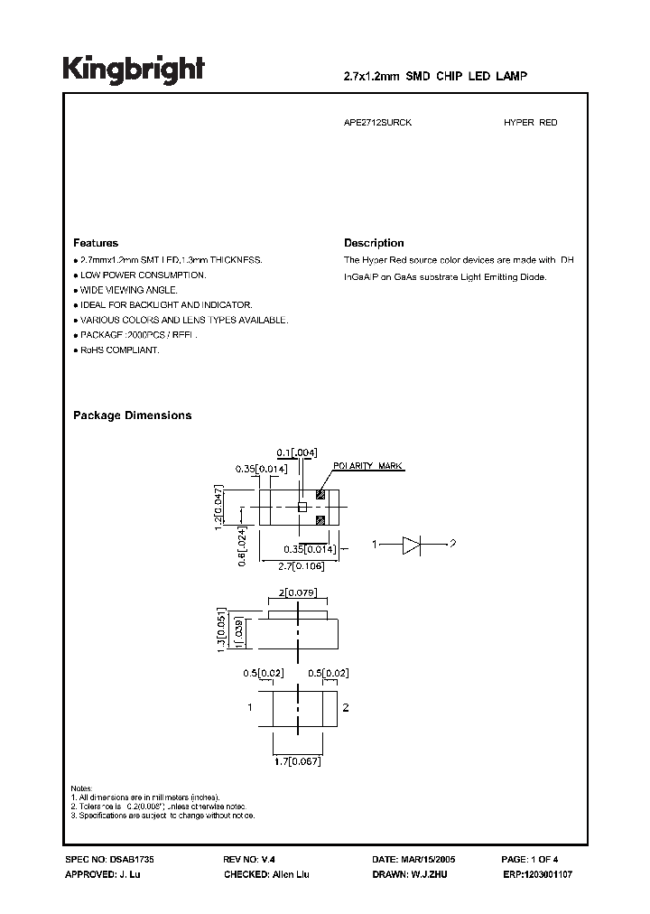
APE2712SURCK - 2.7x1.2mm SMD CHIP LED LAMP

APE2712SURCK_1210792.PDF Datasheet


 Full text search : 2.7x1.2mm SMD CHIP LED LAMP
 Product Description search : 2.7x1.2mm SMD CHIP LED LAMP


 Related Part Number
PART Description Maker
APE2712SECK 2.7x1.2mm SMD CHIP LED LAMP
KINGBRIGHT[Kingbright Corporation]
APT3216SURC 3.2mm x1.6mm SMD CHIP LED LAMP
KINGBRIGHT[Kingbright Corporation]
KPTB-1612ESGC 1.6x1.2mm BI-COLOR SMD CHIP LED LAMP
Kingbright Corporation
AP2012YC 2.0 x 1.2mm SMD chip LED lamp. Yellow. Peak wavelength 590 nm. Lens type water clear.
Kingbright Electronic
AP2012PBC 2.0 x 1.2mm SMD chip LED lamp. Blue. Peak wavelength 468 nm. Lens type water clear.
Kingbright Electronic
AP2012SRCPRV 2.0 x 1.2mm SMD chip LED lamp. Super bright red. Peak wavelength 660 nm. Lens type water clear.
Kingbright Electronic
AP2012SYC 2.0 x 1.2mm SMD chip LED lamp. Super bright yellow. Peak wavelength 590 nm. Lens type water clear.
Kingbright Electronic
AP2012SGC 2.0 x 1.2mm SMD chip LED lamp. Super bright orange. Peak wavelength 565 nm. Lens type water clear.
Kingbright Electronic
APGA1602CGC/KA APGA1602CGC-KA    1.6x0.2mm RIGHT ANGLE SMD CHIP LED LAMP
Kingbright Corporation
APED3528PBC-A-F01 APED3528PBC_A-F01 APED3528PBC/A- SINGLE COLOR LED, BLUE, 2.6 mm 3.50 X 2.80 MM, ROHS COMPLIANT, SMD, 2 PIN
3.5 x2.8mm SMD CHIP LED LAMP
Kingbright, Corp.
Kingbright Corporation
BL-HW134A BL-HG634A BL-HA134A BL-HY034A BL-HD034A Pure green, 30 mA, surface mount chip LED lamp
Amber , 30 mA, surface mount chip LED lamp
Yellow, 30 mA, surface mount chip LED lamp
Super red , 30 mA, surface mount chip LED lamp
Bluish green, 30 mA, surface mount chip LED lamp
Yellow Stone Corp
APTD3216PBC_A APTD3216PBC APTD3216PBC-A APTD3216PB 3.2 x 1.6mm SMD CHIP LED LAMP
3.2x1.6mm SMD CHIP LED LAMP
KINGBRIGHT[Kingbright Corporation]
Kingbright Corporation.
 
 Related keyword From Full Text Search System
APE2712SURCK taping code APE2712SURCK china datasheet APE2712SURCK schematic APE2712SURCK Regulators APE2712SURCK file
APE2712SURCK step APE2712SURCK byte APE2712SURCK pulse APE2712SURCK vcc APE2712SURCK fet
 

 

Price & Availability of APE2712SURCK

All Rights Reserved © IC-ON-LINE 2003 - 2022  

[Add Bookmark] [Contact Us] [Link exchange] [Privacy policy]
Mirror Sites :  [www.datasheet.hk]   [www.maxim4u.com]  [www.ic-on-line.cn] [www.ic-on-line.com] [www.ic-on-line.net] [www.alldatasheet.com.cn] [www.gdcy.com]  [www.gdcy.net]


 . . . . .
  We use cookies to deliver the best possible web experience and assist with our advertising efforts. By continuing to use this site, you consent to the use of cookies. For more information on cookies, please take a look at our Privacy Policy. X
0.9730179309845