Part Number Hot Search : 
BL0930E ANS1N4 HE711 CS841 EL5411 BYW29E BV03CL 3502W
Product Description
Full Text Search

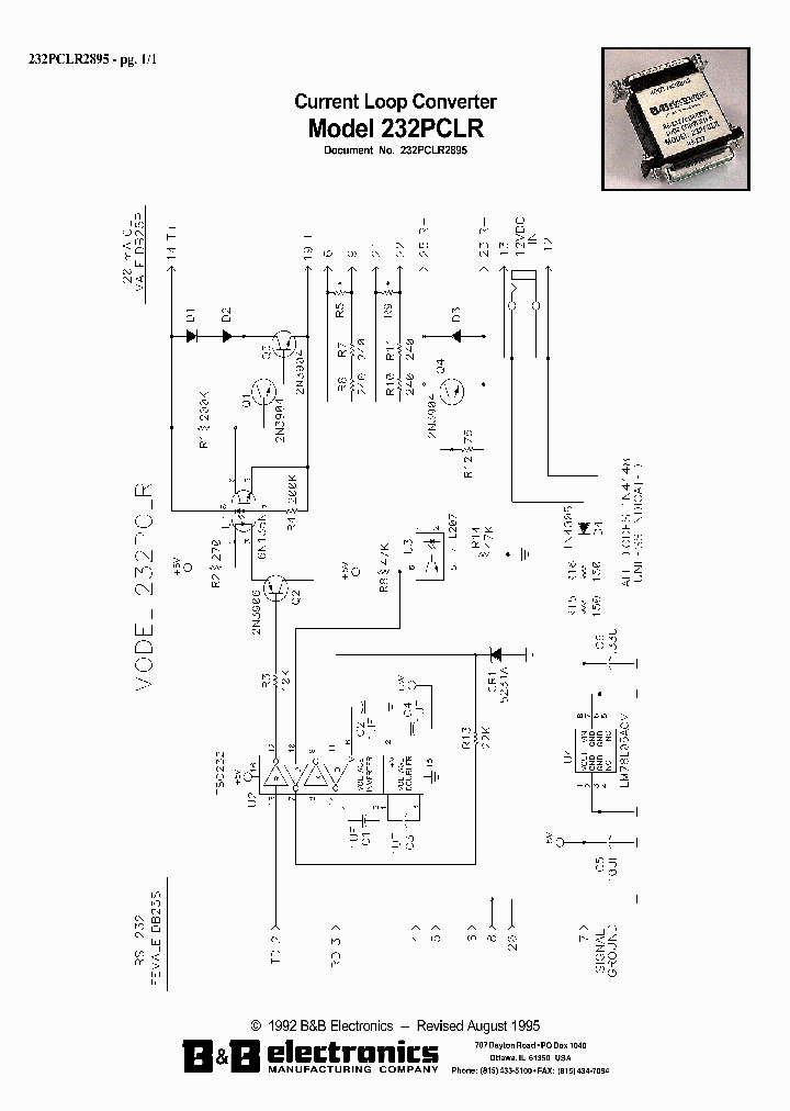
232PCLR2895 - Current Loop Converter

232PCLR2895_1193033.PDF Datasheet


 Full text search : Current Loop Converter
 Product Description search : Current Loop Converter


 Related Part Number
PART Description Maker
232PCLR Current Loop Converter
B&B Electronics
232PCLR2895 232PCLR Current Loop Converter
List of Unclassifed Manufacturers
B&B Electronics
ETC[ETC]
Electronic Theatre Controls, Inc.
6N138 E001819 6N139 IRED & PHOTO IC (CURRENT LOOP DRIVER/ LOW INPUT CURRENT LINE RECEIVER/ COMS LOGIC INTERFACE)
IRED & PHOTO IC (CURRENT LOOP DRIVER, LOW INPUT CURRENT LINE RECEIVER, COMS LOGIC INTERFACE)
CURRENT LOOP DRIVER LOW INPUT CURRENT LINE RECEIVER CMOS LOGIC INTERFACE
From old datasheet system
TOSHIBA[Toshiba Semiconductor]
6N13807 6N139 GaA搂陇As Ired & Photo IC Current Loop Driver.
GaA?As Ired & Photo IC Current Loop Driver.
Toshiba Semiconductor
BP5232-33A BP5233-33A BP5234-33A BP5232-25A DC / DC converter
Regulator LSIs > General purpose regulator module > Large current output DC/DC converter module
Power Modules > Step-down DC/DC Converter > Large current output DC/DC Converter
Rohm CO.,LTD.
ROHM[Rohm]
LA305-S/SP22 Sensor, 300A Closed Loop Current Transducer
LEM Components
HCC4046B HCC4046BF HCF4046B HCF4046BEY HCC4046 HCC MICRMICROPOWER PHASE-LOCKED LOOP _ MICRMICROPOWER锁相环_
Analog Phase-Locked Loop
Dual Line Driver 14-SOIC 0 to 70
IC,PHASE-LOCKED LOOP,CMOS,DIP,16PIN,CERAMIC
From old datasheet system
STMicroelectronics N.V.
意法半导
ST Microelectronics
STMICROELECTRONICS[STMicroelectronics]
ADF5001 CN-0174 OP184 Low Noise, 12 GHz, Microwave Fractional-N Phase-Locked Loop Using an Active Loop Filter and RF Prescaler
Analog Devices
FDC20-12T3312 FDC20-12T3315 FDC20-24T3312 FDC20-48 Input range:9-18 VDC;output voltage:3.3/ /-12 VDC; output current:3000 / /-300 mA;input current:1926 mA; 20 W DC-DC converter
Input range:9-18 VDC;output voltage:3.3/ /-15 VDC; output current:3000 / /-250 mA;input current:1959 mA; 20 W DC-DC converter
Input range:18-36 VDC;output voltage:3.3/ /-12 VDC; output current:3000 / /-300 mA;input current:950 mA; 20 W DC-DC converter
Input range:36-75 VDC;output voltage:5/ /-12 VDC; output current:2000 / /-300 mA;input current:459 mA; 20 W DC-DC converter
Input range:36-75 VDC;output voltage:5/ /-15 VDC; output current:2000 / /-250 mA;input current:467 mA; 20 W DC-DC converter
Power Mate Technology
PWR6011 PWR6016 PWR6018 PWR6010 PWR6012 PWR6017 PW 1.8 Watt regulated DC/DC converter. Nom.input voltage 15VDC, rated output voltage 5VDC, rated output current 360mA.
1.8 Watt regulated DC/DC converter. Nom.input voltage 12VDC, rated output voltage -15VDC, rated output current -60mA.
1.8 Watt regulated DC/DC converter. Nom.input voltage 12VDC, rated output voltage -12VDC, rated output current -75mA.
1.8 Watt regulated DC/DC converter. Nom.input voltage 12VDC, rated output voltage 5VDC, rated output current 360mA.
1.8 Watt regulated DC/DC converter. Nom.input voltage 5VDC, rated output voltage -15VDC, rated output current -60mA.
1.8 Watt regulated DC/DC converter. Nom.input voltage 5VDC, rated output voltage -12VDC, rated output current -75mA.
1.8 Watt regulated DC/DC converter. Nom.input voltage 5VDC, rated output voltage 5VDC, rated output current 360mA.
Analog IC 模拟IC
1.8 WATT UNREGULATED DC/DC CONVERTER 2-OUTPUT 1.8 W DC-DC REG PWR SUPPLY MODULE
DIODE ZENER SINGLE 500mW 2.5Vz 20mA-Izt 0.05 100uA-Ir 1Vr DO35-GLASS 5K/AMMO 2-OUTPUT 1.8 W DC-DC REG PWR SUPPLY MODULE
Molex, Inc.
Bourns, Inc.
CANDD[C&D Technologies]
CSNL361 CSNK471 CSND671 CSND661 CSND591 CSNK581 CS Solid State Sensors Closed Loop Current Sensors 固态传感器闭环电流传感
Honeywell International Inc.
Honeywell International, Inc.
Glenair, Inc.
 
 Related keyword From Full Text Search System
232PCLR2895 eeprom 232PCLR2895 pitch 232PCLR2895 example commands 232PCLR2895 gate threshold 232PCLR2895 什么封装
232PCLR2895 where to buy 232PCLR2895 mosfet 232PCLR2895 Battery MCU 232PCLR2895 complimentary 232PCLR2895 watt
 

 

Price & Availability of 232PCLR2895

All Rights Reserved © IC-ON-LINE 2003 - 2022  

[Add Bookmark] [Contact Us] [Link exchange] [Privacy policy]
Mirror Sites :  [www.datasheet.hk]   [www.maxim4u.com]  [www.ic-on-line.cn] [www.ic-on-line.com] [www.ic-on-line.net] [www.alldatasheet.com.cn] [www.gdcy.com]  [www.gdcy.net]


 . . . . .
  We use cookies to deliver the best possible web experience and assist with our advertising efforts. By continuing to use this site, you consent to the use of cookies. For more information on cookies, please take a look at our Privacy Policy. X
0.5810558795929