Part Number Hot Search : 
72925 10M5X PXT8550 BAS86 ON1898 F25L16PA AZ5501 XP6212
Product Description
Full Text Search

SI-50082 - SI-50082

SI-50082_1104524.PDF Datasheet


 Full text search : SI-50082
 Product Description search : SI-50082


 Related Part Number
PART Description Maker
SI-50082 SI-50082
Bel Fuse Inc.
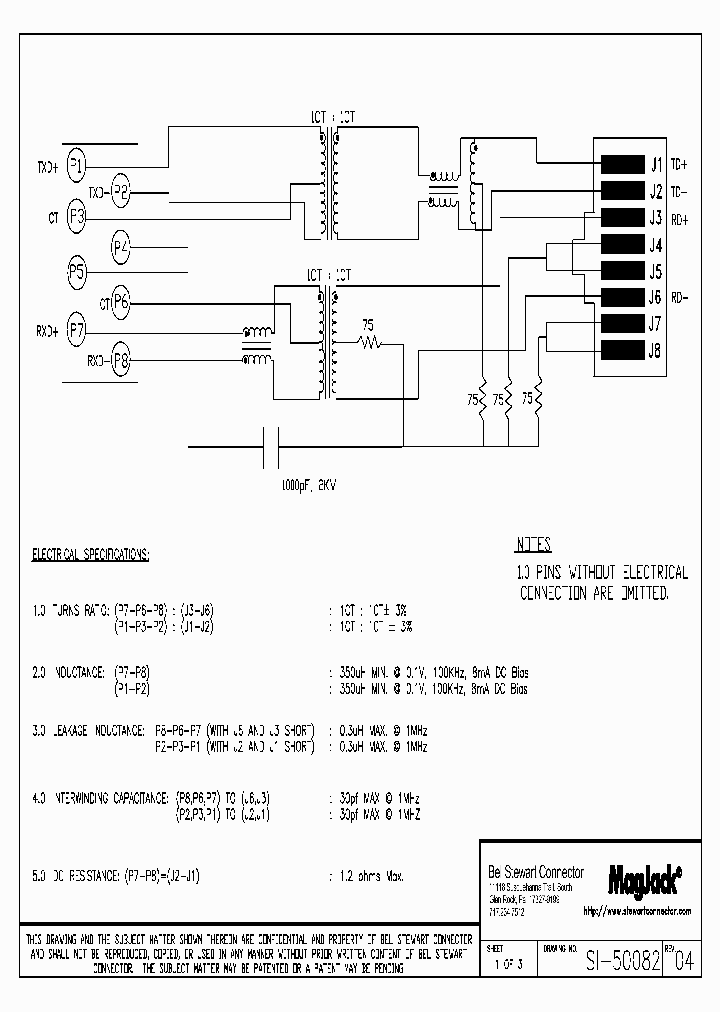
SI-50082 SI-50082 DATACOM TRANSFORMER FOR GENERAL PURPOSE APPLICATION(S)
Bel Fuse, Inc.
 
 Related keyword From Full Text Search System
SI-50082 Module SI-50082 serial SI-50082 maker SI-50082 preis SI-50082 pwm
SI-50082 Iconline SI-50082 data SI-50082 supply SI-50082 описание SI-50082 Bit
 

 

Price & Availability of SI-50082

All Rights Reserved © IC-ON-LINE 2003 - 2022  

[Add Bookmark] [Contact Us] [Link exchange] [Privacy policy]
Mirror Sites :  [www.datasheet.hk]   [www.maxim4u.com]  [www.ic-on-line.cn] [www.ic-on-line.com] [www.ic-on-line.net] [www.alldatasheet.com.cn] [www.gdcy.com]  [www.gdcy.net]


 . . . . .
  We use cookies to deliver the best possible web experience and assist with our advertising efforts. By continuing to use this site, you consent to the use of cookies. For more information on cookies, please take a look at our Privacy Policy. X
0.66580986976624