Part Number Hot Search : 
AD814 203292 1203S 2N883 LL5711 AN831 STK5324 150B12E2
Product Description
Full Text Search

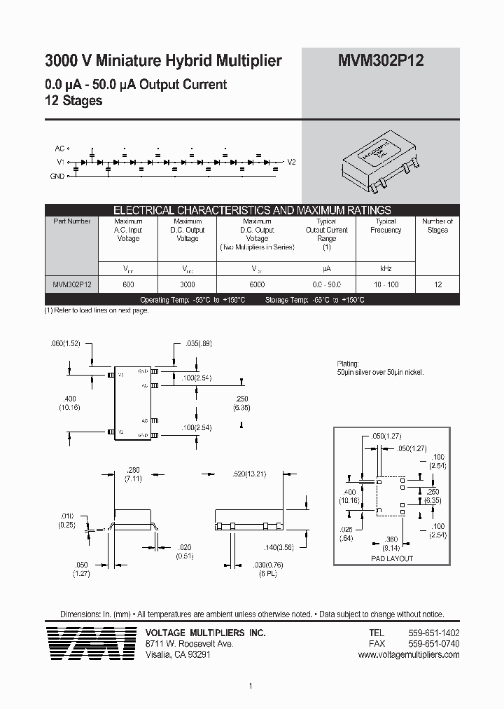
MVM302P12 - 3000 V Miniature Hybrid Multiplier

MVM302P12_1108063.PDF Datasheet


 Full text search : 3000 V Miniature Hybrid Multiplier
 Product Description search : 3000 V Miniature Hybrid Multiplier


 Related Part Number
PART Description Maker
MAALSS0034TR-3000 Miniature Broadband Gain Stage 70 - 3000 MHz
M/A-COM Technology Solu...
AM50-0015 AM50-0015SMB AM50-0015TR AM50-0015TR3000 200-3000 MHz, miniature broadband gain stage
Miniature Broadband Gain Stage 200 - 3000 MHz
MA-Com
MACOM[Tyco Electronics]
MVM402P10 Miniature Hybrid Multiplier
VMI
NV202N08S NV202P08S 2000 V miniature hybrid multiplier, 10nA output current
Voltage Multipliers
HM202P10 HM202N8 2,000V - 4,000V Miniature Hybrid Multiplier 2000 4,000 V小型混合乘法
Voltage Multipliers, Inc.
3SMC90A 3SMC9.0A 3SMC78A 3SMC130A 3SMC170A 3SMC7.0 SURFACE MOUNT UNI-DIRECTIONAL GLASS PASSIVATED JUNCTION SILICON TRANSIENT VOLTAGE SUPPRESSOR 3000 WATTS
3000 W, UNIDIRECTIONAL, SILICON, TVS DIODE
Central Semiconductor Corp
Central Semiconductor C...
HX80ML HIGH VOLTAGE RECTIFIERS ULTRA-MINIATURE AND MINIATURE
Electronic devices inc.
4271 PE4271-EK 4271-00 4271-01 4271-02 4271-51 427 SPST CATV UltraCMOS?/a> Switch DC - 3000 MHz
SPST CATV UltraCMOS⑩ Switch DC - 3000 MHz
SPST CATV UltraCMOSSwitch DC - 3000 MHz
SPST CATV UltraCMOS?/a> Switch DC - 3000 MHz
SPST CATV UltraCMOS Switch DC - 3000 MHz
Peregrine Semiconductor Cor...
PEREGRINE[Peregrine Semiconductor Corp.]
http://
2SD882 2SD882G-X-T60-K 2SD882G-X-T6C-K 2SD882G-X-T MEDIUM POWER LOW VOLTAGE TRANSISTOR
3000 mA, 30 V, NPN, Si, SMALL SIGNAL TRANSISTOR, TO-252
3000 mA, 30 V, NPN, Si, SMALL SIGNAL TRANSISTOR, TO-251
UNISONIC TECHNOLOGIES CO LTD
AD8004 AD8004AN AD8004AR-14 AD8004AR-14-REEL AD800 Quad 3000 V/s 35mW Current Feedback Amplifier
Quad 3000 V/us, 35 mW Current Feedback Amplifier
REMOVAL TOOL
CONNECTOR
AD[Analog Devices]
Analog Devices, Inc.
HFR-RFK72LF-C250OHMF HFR-RFH52LF-C100OHMF HFR-RFH5 0 MHz - 3000 MHz 800 ohm RF/MICROWAVE TERMINATION
High Frequency Surface Mount Terminators
0 MHz - 3000 MHz 100 ohm RF/MICROWAVE TERMINATION
IRC - a TT electronics Company.
INTERNATIONAL RESISTIVE CO INC
 
 Related keyword From Full Text Search System
MVM302P12 Mount MVM302P12 Memory MVM302P12 pitch MVM302P12 Terminal MVM302P12 Interface
MVM302P12 complimentary MVM302P12 control MVM302P12 datasheet pdf MVM302P12 ptc data MVM302P12 electric
 

 

Price & Availability of MVM302P12

All Rights Reserved © IC-ON-LINE 2003 - 2022  

[Add Bookmark] [Contact Us] [Link exchange] [Privacy policy]
Mirror Sites :  [www.datasheet.hk]   [www.maxim4u.com]  [www.ic-on-line.cn] [www.ic-on-line.com] [www.ic-on-line.net] [www.alldatasheet.com.cn] [www.gdcy.com]  [www.gdcy.net]


 . . . . .
  We use cookies to deliver the best possible web experience and assist with our advertising efforts. By continuing to use this site, you consent to the use of cookies. For more information on cookies, please take a look at our Privacy Policy. X
0.40582585334778