Part Number Hot Search : 
MA840B CS10D07 SFH301 SOP123 C1099CX SA9602 51128 KV139DA
Product Description
Full Text Search

SI-50057 - SI-50057

SI-50057_1101180.PDF Datasheet


 Full text search : SI-50057
 Product Description search : SI-50057


 Related Part Number
PART Description Maker
SI-50057 SI-50057
Bel Fuse Inc.
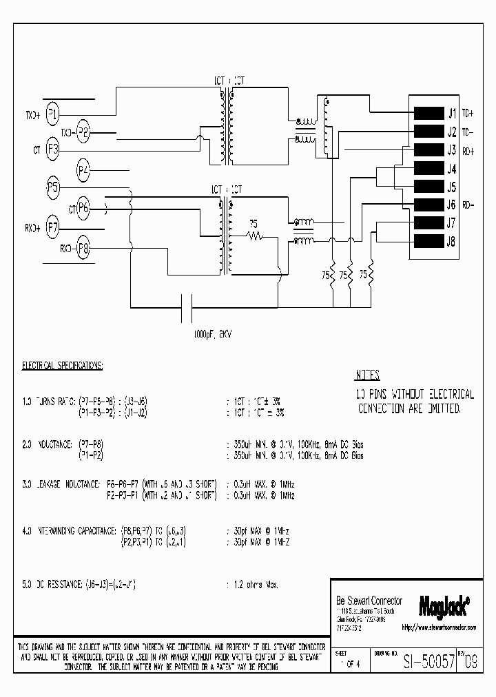
SI-50057 SI-50057 DATACOM TRANSFORMER FOR GENERAL PURPOSE APPLICATION(S)
Bel Fuse, Inc.
 
 Related keyword From Full Text Search System
SI-50057 bit SI-50057 purpose SI-50057 Test SI-50057 protection ic SI-50057 型号替换
SI-50057 Register SI-50057 ic查尋 SI-50057 Cycle SI-50057 器件参数 SI-50057 pressure sensor
 

 

Price & Availability of SI-50057

All Rights Reserved © IC-ON-LINE 2003 - 2022  

[Add Bookmark] [Contact Us] [Link exchange] [Privacy policy]
Mirror Sites :  [www.datasheet.hk]   [www.maxim4u.com]  [www.ic-on-line.cn] [www.ic-on-line.com] [www.ic-on-line.net] [www.alldatasheet.com.cn] [www.gdcy.com]  [www.gdcy.net]


 . . . . .
  We use cookies to deliver the best possible web experience and assist with our advertising efforts. By continuing to use this site, you consent to the use of cookies. For more information on cookies, please take a look at our Privacy Policy. X
0.44926118850708