Part Number Hot Search : 
XXXXLXXX MAZL120H CN1E4 43371 HET200PC STA001 2SA205 PS280
Product Description
Full Text Search

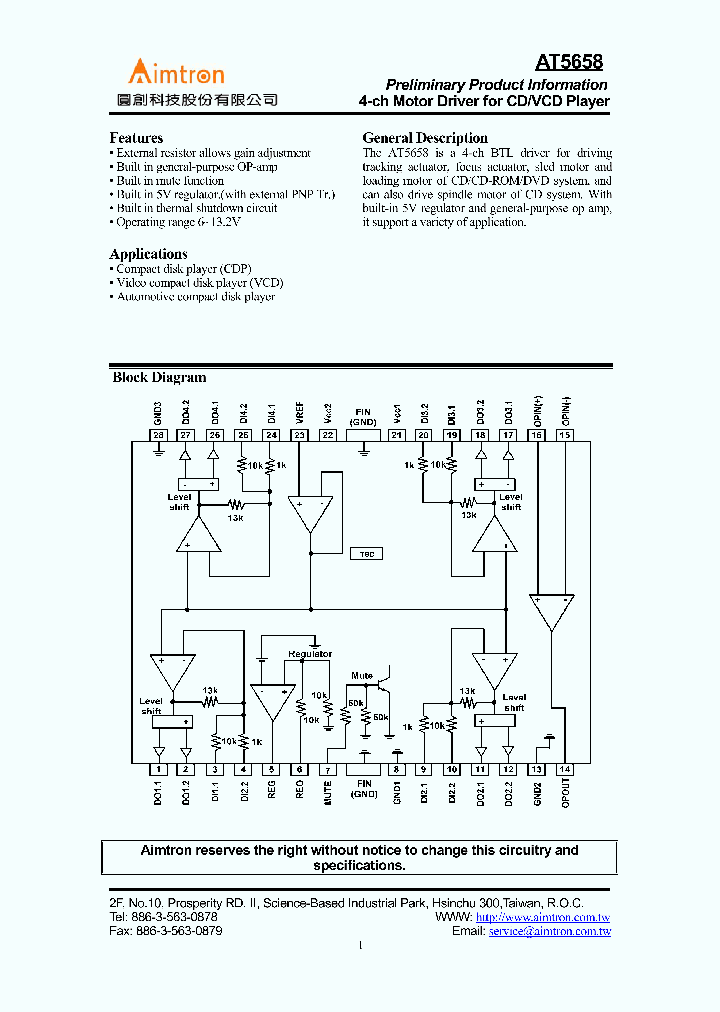
AT5658 - 4-ch Motor Driver for CD/VCD Player

AT5658_1097458.PDF Datasheet

 
Part No. AT5658 AT5658H
Description 4-ch Motor Driver for CD/VCD Player

File Size 280.09K  /  8 Page  

Maker


Aimtron Technology Corp.



JITONG TECHNOLOGY
(CHINA HK & SZ)
Datasheet.hk's Sponsor

Part: AT5658H
Maker:
Pack: SOP28
Stock: Reserved
Unit price for :
    50: $0.46
  100: $0.44
1000: $0.42

Email: oulindz@gmail.com

Contact us

Homepage http://www.aimtron.com.tw/
Download [ ]
[ AT5658 AT5658H Datasheet PDF Downlaod from Datasheet.HK ]
[AT5658 AT5658H Datasheet PDF Downlaod from Maxim4U.com ] :-)


[ View it Online ]   [ Search more for AT5658 ]

[ Price & Availability of AT5658 by FindChips.com ]

 Full text search : 4-ch Motor Driver for CD/VCD Player
 Product Description search : 4-ch Motor Driver for CD/VCD Player


 Related Part Number
PART Description Maker
AT5659 AT5659H 5-CH MOTOR DRIVER FOR DC/VCD PLAYER
From old datasheet system
List of Unclassifed Man...
Aimtron
Electronic Theatre Controls, Inc.
BA6849 BA6849FM BA6849FP BA6849FP-Y BA6849FS BA684 From old datasheet system
3-phase motor driver for CD-ROMs
Optical Disc LSIs > Motor/Actuator driver > Spindle motor driver
Rohm CO.,LTD.
BA6288FS A5800944 Motor Drivers LSIs > DC motor driver > Reversible DC motor driver for one motor
From old datasheet system
Reversible motor driver
ROHM[Rohm]
Rohm CO.,LTD.
BA6826FS BA6825FS A5800951 BA6825 2-phase motor driver for VCR cylinder motors(VCR柱面电机的两相电机驱动器) 两相的录像机缸发动机电动机驱动器(录像机柱面电机的两相电机驱动器
2-phase motor driver for VCR cylinder motors 两相的录像机缸发动机电机驱动
From old datasheet system
Motor Drivers LSIs > VCR motor driver > Two-phase full-wave motor driver for cylinder
Rohm Co., Ltd.
Rohm CO.,LTD.
ROHM[Rohm]
BA6409F Motor Drivers LSIs > Fan motor driver > Two-phase half-wave motor driver
ROHM
CS98200 DVD Video Processor Supports CD, DVD Movie, DVD Audio and VCD/VCD 2.0/SVCD
Cirrus Logic
LB1923M Brushless Motor Drivers (3-phase drive): PPC and printer paper feed and drum motor driver
Power Brushless Motor Pre-Driver IC for OA Equipment
SANYO[Sanyo Semicon Device]
BA6467FP-Y A5800962 Motor Drivers LSIs > General-Purpose three-phase brushless motor driver > Sensor type
3-phase motor driver for VCR cylinders
From old datasheet system
Rohm
BA6219B BA6219BFP-Y BA6219BFPY A5800938 BA6219B/BF Reversible Motor Driver(可逆电机驱动器) 可逆电机驱动器(可逆电机驱动器
From old datasheet system
Motor Drivers LSIs > DC motor driver > Reversible DC motor driver for one motor
Rohm Co., Ltd.
ROHM[Rohm]
BA6283N BA6955N Motor Drivers LSIs > DC motor driver > Reversible DC motor driver for one motor
ROHM
BA6819AF BA6809F A5800844 BA6809 From old datasheet system
2-phase half-wave motor driver
Motor Drivers LSIs > Fan motor driver > Two-phase half-wave motor driver
http://
ROHM[Rohm]
TLE4206-G Smart Motorbridges Driver ICs - 1A DC Motor Driver for Servo Driver Applications
1 A DC Motor Driver for Servo Driver ...
Infineon
 
 Related keyword From Full Text Search System
AT5658 pdf AT5658 video monitor AT5658 Chip AT5658 pin AT5658 filtran xfmr
AT5658 Planar AT5658 Level AT5658 описание AT5658 command AT5658 audio
 

 

Price & Availability of AT5658

All Rights Reserved © IC-ON-LINE 2003 - 2022  

[Add Bookmark] [Contact Us] [Link exchange] [Privacy policy]
Mirror Sites :  [www.datasheet.hk]   [www.maxim4u.com]  [www.ic-on-line.cn] [www.ic-on-line.com] [www.ic-on-line.net] [www.alldatasheet.com.cn] [www.gdcy.com]  [www.gdcy.net]


 . . . . .
  We use cookies to deliver the best possible web experience and assist with our advertising efforts. By continuing to use this site, you consent to the use of cookies. For more information on cookies, please take a look at our Privacy Policy. X
0.30238485336304