Part Number Hot Search : 
NTE1128 LZ0P3646 RFCA8830 28610 74LVC00 75452N MBR850D 7511C
Product Description
Full Text Search

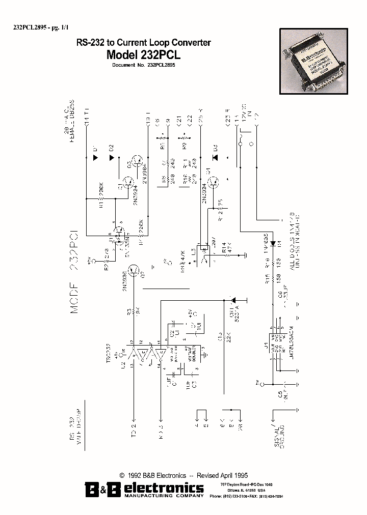
232PCL2895 - RS-232 to Current Loop Converter

232PCL2895_953168.PDF Datasheet


 Full text search : RS-232 to Current Loop Converter
 Product Description search : RS-232 to Current Loop Converter


 Related Part Number
PART Description Maker
232CL9R0900 232CL9R 9 Pin RS-232 to Current Loop Converter
5V High-Speed RS-232 Transceivers with 0.1uF Capacitors
List of Unclassifed Manufacturers
ETC[ETC]
Electronic Theatre Controls, Inc.
MAX3311 MAX3311CUB MAX3311EUB MAX3311-MAX3313 MAX3 5V High-Speed RS-232 Transceivers with 0.1uF Capacitors 5V的高速RS - 232收发器与0.1uF电容
460kbps, 1µA Supply Current, RS-232-Compatible Transceivers in µMAX LINE TRANSCEIVER, PDSO10
Quad LVDS Receiver with -4 to 5V Common-mode Range 16-TSSOP -40 to 85
Dual LVDS Receiver with -4 to 5V Common-mode Range 8-SOIC -40 to 85
460kbps, 1μA Supply Current, RS-232-Compatible Transceivers in μMAX
460kbps, 1A Supply Current, RS-232-Compatible Transceivers in MAX
" 460kbps, 1?A Supply Current, RS-232-Compatible Transceivers in ?MAX"
460kbps 1A Supply Current RS-232-Compatible Transceivers in MAX
460KBPS, 1ヌA SUPPLY CURRENT, RS-232-COMPATIBLE TRANSCEIVERS IN ヌMAX
460kbps, 1レA Supply Current, RS-232-Compatible Transceivers in レMAX
460kbps, 1µA Supply Current, RS-232-Compatible Transceivers in µMAX
460kbps / 1A Supply Current / RS-232-Compatible Transceivers in MAX
Maxim Integrated Products, Inc.
MAXIM[Maxim Integrated Products]
MAXIM - Dallas Semiconductor
MAX3244 MAX3224 MAX3224CAP MAX3224CPP MAX3224EAP M 1µA Supply Current, 3.0V to 5.5V, 1Mbps RS-232 Transceivers with AutoShutdown Plus
1µA Supply Current, 1Mbps, 3.0V to 5.5V, RS-232 Transceivers with AutoShutdown Plus
1A Supply Current 1Mbps 3.0V to 5.5V RS-232 Transceivers with AutoShutdown Plus
"1?A Supply Current, 3.0V to 5.5V, 1Mbps RS-232 Transceivers with AutoShutdown Plus"
1A Supply Current, 1Mbps, 3.0V to 5.5V, RS-232 Transceivers with AutoShutdown Plus
1レA Supply Current, 1Mbps, 3.0V to 5.5V, RS-232 Transceivers with AutoShutdown Plus
1microA supply current, 1Mbps, 3.0V to 5.5V, RS-232 transceiver with autoshutdown plus
MAXIM - Dallas Semiconductor
MAXIM[Maxim Integrated Products]
5962-9206103H5X 5962-9206104H5X 5962-9206106H5X 59 ±15kV ESD-Protected, Down to 10nA, 3.0V to 5.5V, Up to 1Mbps, True RS-232 Transceivers
1µA Supply-Current, True 3V to 5.5V RS-232 Transceivers with AutoShutdown
3.0V to 5.5V, Low-Power, up to 1Mbps, True RS-232 Transceivers Using Four 0.1µF External Capacitors
±15kV ESD-Protected, 1µA, 3.0V to 5.5V, 250kbps, RS-232 Transceivers with AutoShutdown
1µA Supply-Current, True 3V to 5.5V RS-232 Transceivers with AutoShutdown 收发
Transceiver 收发
Littelfuse, Inc.
6N13807 6N139 GaA搂陇As Ired & Photo IC Current Loop Driver.
GaA?As Ired & Photo IC Current Loop Driver.
Toshiba Semiconductor
ICL3244 ICL3244CA ICL3232 ICL3238 ICL3224 ICL3244I 1Microamp/ 3V to 5.5V/ 250kbps/ RS-232 Transceiver with Enhanced Automatic Powerdown
1 Microamp Supply-Current/ 3V to 5.5V/ 250kbps/ RS-232 Transmitters/Receivers
1 Microamp/ 3V to 5.5V/ 250kbps/ RS-232 Transceivers with Enhanced Automatic Powerdown
1mA, 3V To 5.5V, 250kbps, RS-232 Transceivers With Enhanced Automatic Powerdown; Temperature Range: -40°C to 85°C; Package: 28-TSSOP T&R TRIPLE LINE TRANSCEIVER, PDSO28
Intersil, Corp.
ICL3221 ICL3222 ICL3223 ICL3232 ICL3241 ICL3243 IC 1 Microamp Supply-Current/ 3V to 5.5V/ 250kbps/ RS-232 Transmitters/Receivers
1 Microamp Supply-Current, 3V to 5.5V, 250kbps, RS-232 Transmitters/Receivers
From old datasheet system
INTERSIL[Intersil Corporation]
BAS70-04T BAS70-05 BAS70-04 BAS70-02L BAS70-05W BA SENSOR VACUUM GAGE .3PSI
CSCA-A Series Hall-effect based, open-loop current sensor, Gallant connector, 400 A rms nominal, ±900 A range
CSCA-A Series Hall-effect based, open-loop current sensor, Molex-type connector, 200 A rms nominal, ±600 A range
CSCA-A Series Hall-effect based, open-loop current sensor, Gallant connector, 100 A rms nominal, ±300 A range
Silicon Schottky Diode
Latest Silicon Discretes - Schottky Diode for switching applications
INFINEON[Infineon Technologies AG]
CSNE151 CSN Series closed loop current sensor, measures AC, DC or impulse current, 25 amp-turns nominal, 卤 36 amp-turns range, smaller housing, 1000 turn
Honeywell Solid State Electronics Center
LA305-S/SP22 Sensor, 300A Closed Loop Current Transducer
LEM Components
 
 Related keyword From Full Text Search System
232PCL2895 Manufacturer 232PCL2895 GaAs Hall Device 232PCL2895 analog devices 232PCL2895 Single 232PCL2895 datasheet
232PCL2895 noise 232PCL2895 configuration 232PCL2895 astable multivibrators 232PCL2895 prezzo baumer 232PCL2895 MARKING
 

 

Price & Availability of 232PCL2895

All Rights Reserved © IC-ON-LINE 2003 - 2022  

[Add Bookmark] [Contact Us] [Link exchange] [Privacy policy]
Mirror Sites :  [www.datasheet.hk]   [www.maxim4u.com]  [www.ic-on-line.cn] [www.ic-on-line.com] [www.ic-on-line.net] [www.alldatasheet.com.cn] [www.gdcy.com]  [www.gdcy.net]


 . . . . .
  We use cookies to deliver the best possible web experience and assist with our advertising efforts. By continuing to use this site, you consent to the use of cookies. For more information on cookies, please take a look at our Privacy Policy. X
0.27056884765625