Part Number Hot Search : 
SX1277 M68729 BFR93A TND303S 10020 0402J DS1836A ML4423CS
Product Description
Full Text Search

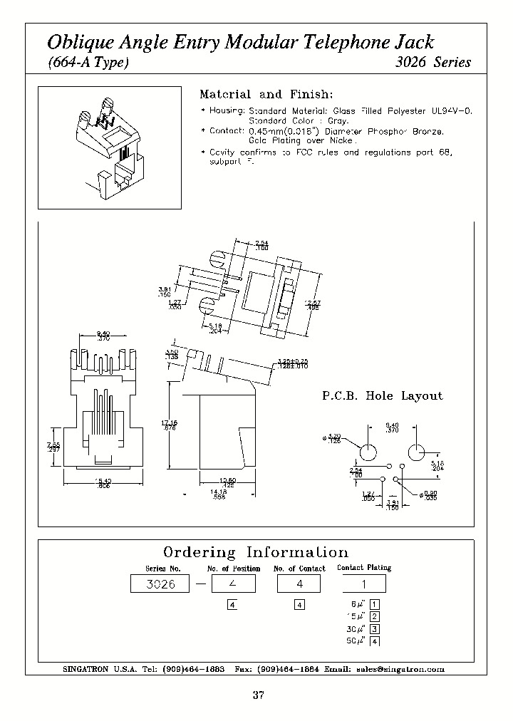
3026-XXX - Oblique Angle Entry Modular Telephone Jack

3026-XXX_727862.PDF Datasheet


 Full text search : Oblique Angle Entry Modular Telephone Jack
 Product Description search : Oblique Angle Entry Modular Telephone Jack


 Related Part Number
PART Description Maker
A-2014-2S-4-N-R MODULAR JACK, RJ45 TOP ENTRY
Assmann Electronics Inc.
MTJ-88AX1-FSE MTJ-88TX1 MTJ-88TX1-FSE-PG MODULAR TELEPHONE JACKS CATEGORY 5, 5e, SIDE & TOP ENTRY
Adam Technologies, Inc.
0955022443 Modular Jack, Through Hole Version, Bottom Entry, 4/4 Circuits
Molex Electronics Ltd.
MTJ-889X1 MTJ-889X1-FSE MTJ-889X1-FSE-PG MODULAR TELEPHONE JACKS .484 HEIGHT, SIDE ENTRY - TYPE 9
Adam Technologies, Inc.
MTJ-880X1 MODULAR TELEPHONE JACKS .498 HEIGHT, SIDE ENTRY - TYPE 0
Adam Technologies, Inc.
MTJ-64GX1 MODULAR TELEPHONE JACKS .500 HEIGHT, SIDE ENTRY - TYPE G
Adam Technologies, Inc.
MTJ-660X1 MODULAR TELEPHONE JACKS .498 HEIGHT, SIDE ENTRY - TYPE 0
Adam Technologies, Inc.
MTJ-442X2 MTJ-442BX2 MTJ-662X2 MODULAR TELEPHONE JACKS .571 HEIGHT, SIDE ENTRY - TYPE 2
Adam Technologies, Inc.
MTJ-88EX1 MODULAR TELEPHONE JACKS .551 HEIGHT, SIDE ENTRY - TYPE E
Adam Technologies, Inc.
MTJG-3-667VX2 MTJG-3-667HX2 MODULAR TELEPHONE JACKS GANGED JACK, TOP & SIDE ENTRY-TYPE 7
Adam Technologies, Inc.
MTJ-44VX1 MTJ-66VX1 MODULAR TELEPHONE JACKS .626 HEIGHT, SMT, TOP ENTRY-TYPE V
Adam Technologies, Inc.
MTJ-88KX1 MTJ-44KX1 MODULAR TELEPHONE JACKS .626 HEIGHT, SMT, TOP ENTRY-TYPE K
Adam Technologies, Inc.
 
 Related keyword From Full Text Search System
3026-XXX 替换的 3026-XXX audio 3026-XXX MUX HCSL 3026-XXX 参数网 3026-XXX Regulators
3026-XXX terminal 3026-XXX gate 3026-XXX Octal 3026-XXX datasheet pdf 3026-XXX corp
 

 

Price & Availability of 3026-XXX

All Rights Reserved © IC-ON-LINE 2003 - 2022  

[Add Bookmark] [Contact Us] [Link exchange] [Privacy policy]
Mirror Sites :  [www.datasheet.hk]   [www.maxim4u.com]  [www.ic-on-line.cn] [www.ic-on-line.com] [www.ic-on-line.net] [www.alldatasheet.com.cn] [www.gdcy.com]  [www.gdcy.net]


 . . . . .
  We use cookies to deliver the best possible web experience and assist with our advertising efforts. By continuing to use this site, you consent to the use of cookies. For more information on cookies, please take a look at our Privacy Policy. X
0.25154709815979