Part Number Hot Search : 
2SC4596 SFT1016 24220 L5256 LA7565B UM221X ZTX756 ML4825IQ
Product Description
Full Text Search

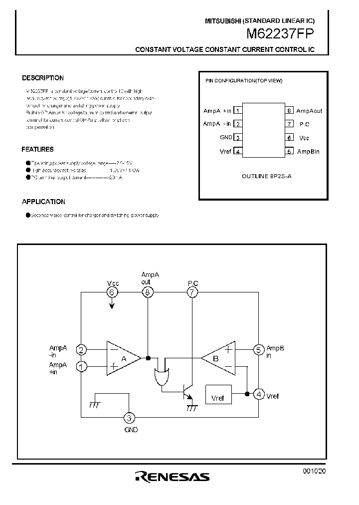
M62237FP - CONSTANT VOLTAGE CONSTANT CURRENT CONTROL IC

M62237FP_673308.PDF Datasheet


 Full text search : CONSTANT VOLTAGE CONSTANT CURRENT CONTROL IC
 Product Description search : CONSTANT VOLTAGE CONSTANT CURRENT CONTROL IC


 Related Part Number
PART Description Maker
LT1512 LT1512C LT1512CN8 LT1512CS8 LT1512I LT1512I CAP 220PF 250VAC CERAMIC Y2/X1 2.7 A BATTERY CHARGE CONTROLLER, 580 kHz SWITCHING FREQ-MAX, PDSO8
SEPIC Constant-Current/ Constant-Voltage Battery Charger
SEPIC Constant-Current/Constant-Voltage Battery Charger
From old datasheet system
Linear Technology, Corp.
LINER[Linear Technology]
TSM1052 Constant voltage and constant current controller for battery chargers and adapters
STMicroelectronics
FAN6100MMPX Secondary-Side Constant Voltage and Constant Current Controller Compatible
ON Semiconductor
TS1051 Constant Voltage and Constant Current Controller For Battery Chargers and Adaptors
Taiwan Semiconductor Co., Ltd.
LB1939T 2 Channel H Bridge Constant Voltage/ Constant Current Driver IC
Sanyo Semicon Device
UC34363 CONSTANT VOLTAGE AND CONSTANT CURRENT CONTROLLER FOR BATTERY CHARGERS
Unisonic Technologies
UM608G-S08-R UM608G-S08-T UM608L-S08-R UM608L-S08- CONSTANT VOLTAGE AND CONSTANT CURRENT CONTROLLER FOR BATTERY CHARGERS
Unisonic Technologies
LT1618EMS Constant-Current/ Constant-Voltage 1.4MHz Step-Up DC/DC Converter
LINEAR
LT1511 LT1511CSW LT1511ISW 1511FB Constant-Current/ Constant-Voltage 3A Battery Charger with Input Current Limiting
Constant-Current/Constant-Voltage 3ABattery Charger with Input Current Limiting
From old datasheet system
Linear Technology Corporation
LINER[Linear Technology]
LT1512 SEPIC (Single-Ended Primary Inductance Converter) Constant-Current/ Constant-Voltage Battery Charger(初级线圈感应转换,恒定电恒定电压电池充电
Linear Technology Corporation
LED12W-36 LED12W-36-C0350 Switch Mode LED Drivers Constant Current & Constant Voltage with Isolation Black Magic Thermal Advantage?Plastic Housing
List of Unclassifed Man...
LED25W-62-C0400-XX LED25W-40-C0500-XX LED25W-56-C0 Switch Mode LED Drivers Constant Current & Constant Voltage with Isolation Black Magic Thermal Advantage?Plastic Housing
List of Unclassifed Man...
 
 Related keyword From Full Text Search System
M62237FP datasheet | даташит M62237FP Interface M62237FP flash M62237FP Technique M62237FP semiconductor
M62237FP standard M62237FP Application M62237FP ic equivalent M62237FP board M62237FP barrier
 

 

Price & Availability of M62237FP

All Rights Reserved © IC-ON-LINE 2003 - 2022  

[Add Bookmark] [Contact Us] [Link exchange] [Privacy policy]
Mirror Sites :  [www.datasheet.hk]   [www.maxim4u.com]  [www.ic-on-line.cn] [www.ic-on-line.com] [www.ic-on-line.net] [www.alldatasheet.com.cn] [www.gdcy.com]  [www.gdcy.net]


 . . . . .
  We use cookies to deliver the best possible web experience and assist with our advertising efforts. By continuing to use this site, you consent to the use of cookies. For more information on cookies, please take a look at our Privacy Policy. X
0.50643110275269