Part Number Hot Search : 
DTA144 MC683 IRF120EA PUMA6 1S4B1 KPC354NT 50402 DIP05
Product Description
Full Text Search

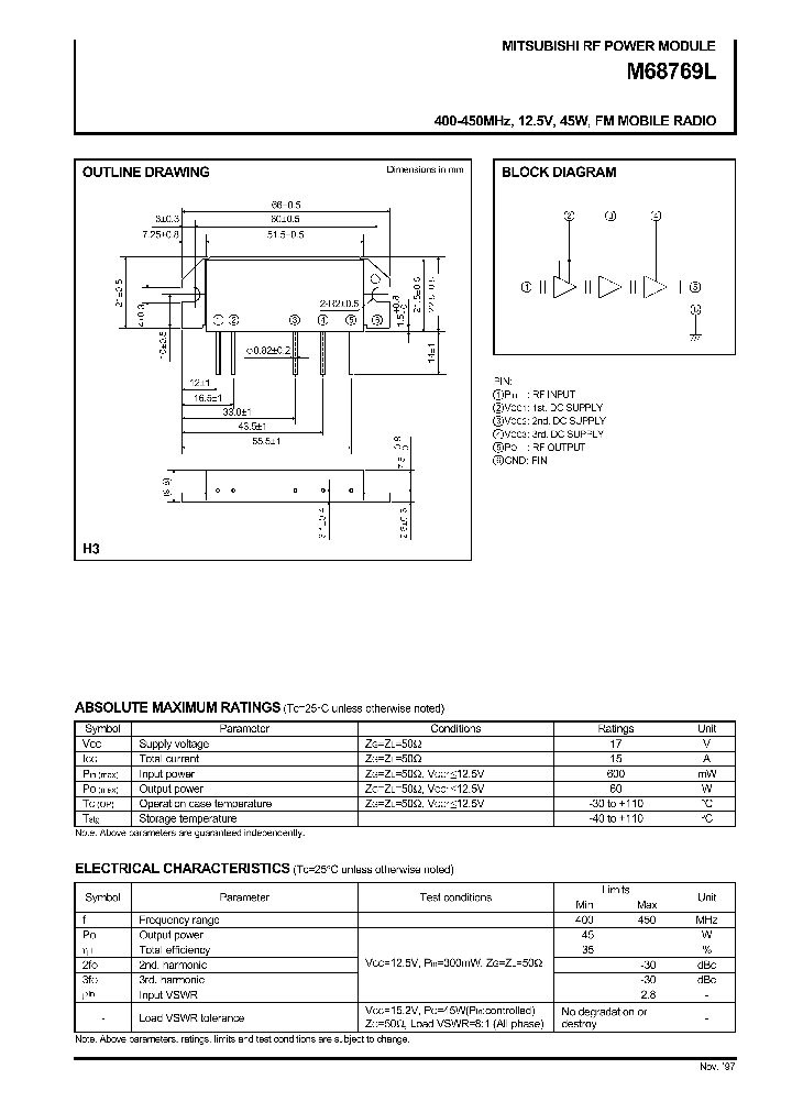
M68769L - From old datasheet system 400-450MHz, 12.5V, 45W, FM MOBILE RADIO

M68769L_574351.PDF Datasheet


 Full text search : From old datasheet system 400-450MHz, 12.5V, 45W, FM MOBILE RADIO
 Product Description search : From old datasheet system 400-450MHz, 12.5V, 45W, FM MOBILE RADIO


 Related Part Number
PART Description Maker
TA2030FN E008100 TV/FM SYSTEM F/E (1.5V USE) 电视/调频系统F / E(下1.5V的使用)
From old datasheet system
TV / FM SYSTEM F / E (1.5V USE)
Toshiba, Corp.
TOSHIBA[Toshiba Semiconductor]
http://
TC9309AF-119 EE08717 SINGLE CHIP DIGITAL TUNING SYSTEM FOR CD RADIO CASSETTE
From old datasheet system
Toshiba
M51943AGP From old datasheet system
VOLTAGE DETECTING, SYSTEM RESETTING IC SERIES 电压检测,系统重调IC系列
Mitsubishi Electric Corporation
Mitsubishi Electric Semiconductor
Mitsubishi Electric, Corp.
LA7975 From old datasheet system
PAL SIF Converter Circuit for TV and VCR Multi-system
SANYO[Sanyo Semicon Device]
LTC1289 LTC1289BC LTC1289BCJ LTC1289BCN LTC1289BCS From old datasheet system
3 Volt Single Chip 12-Bit Data Acquisition System
LINER[Linear Technology]
IPM6220 FN4903 Multi-Output System Electronics Regulator for Mobile PCs
From old datasheet system
Intersil
LTC1283 LTC1283AC LTC1283ACN LTC1283ACS LTC1283C L From old datasheet system
3V Single Chip 10-Bit Data Acquisition System
LINER[Linear Technology]
SA606D SA606DK SA606 Low-voltage high performance mixer FM IF system
From old datasheet system
PHILIPS[Philips Semiconductors]
SA604A SA604AD SA604 NE604AD NE604AN From old datasheet system
High performance low power FM IF system IF系统高性能低功耗调
PHILIPS[Philips Semiconductors]
NXP Semiconductors N.V.
AT90LS2343-4SINBSP AT90LS2343-4SCNBSP AT90LS2343-4 8-Bit Microcontroller with 2K Bytes of In-System Programmable Flash
From old datasheet system
ATMEL[ATMEL Corporation]
MC33989NBSP XC33989 MC33989 System Basis Chip With High Speed CAN Transceiver
From old datasheet system
Motorola, Inc
BA3918 A5800865 System Power Supply for Car Stereos(汽车立体声的系统电源)
From old datasheet system
Rohm CO.,LTD.
ROHM[Rohm]
 
 Related keyword From Full Text Search System
M68769L coilcraft M68769L band M68769L Fairchild M68769L Fairchild M68769L serial
M68769L ic查找网站 M68769L Data sheet M68769L mosfet M68769L ICPRICE M68769L advantech pdf
 

 

Price & Availability of M68769L

All Rights Reserved © IC-ON-LINE 2003 - 2022  

[Add Bookmark] [Contact Us] [Link exchange] [Privacy policy]
Mirror Sites :  [www.datasheet.hk]   [www.maxim4u.com]  [www.ic-on-line.cn] [www.ic-on-line.com] [www.ic-on-line.net] [www.alldatasheet.com.cn] [www.gdcy.com]  [www.gdcy.net]


 . . . . .
  We use cookies to deliver the best possible web experience and assist with our advertising efforts. By continuing to use this site, you consent to the use of cookies. For more information on cookies, please take a look at our Privacy Policy. X
0.43159198760986