Part Number Hot Search : 
A6079 294RB382 TCDT1MMW X1478 MAX97 N74F620D CXA3246Q SMCJ48A
Product Description
Full Text Search

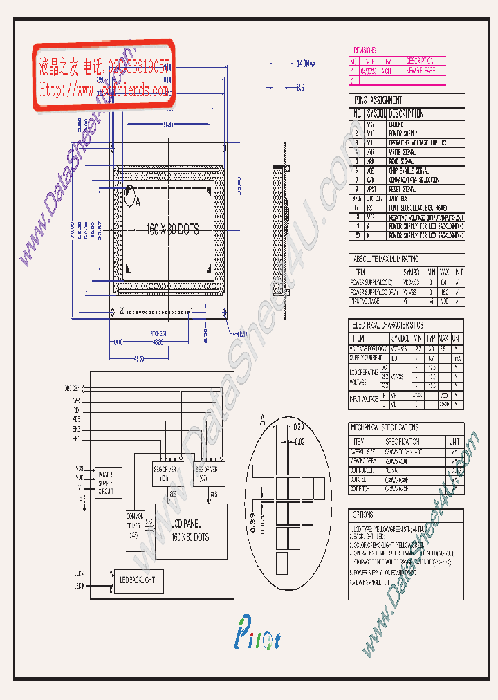
PL-G160802A - LCD PANEL

PL-G160802A_470607.PDF Datasheet


 Full text search : LCD PANEL
 Product Description search : LCD PANEL


 Related Part Number
PART Description Maker
MN5814 For LCD - LCD Controler
TFT AV Panel Controller IC
PANASONIC[Panasonic Semiconductor]
AD8381 AD8381AST AD8381AST-REEL Fast, High Voltage Drive, 6-Channel Output DecDriverTM Decimating LCD Panel Driver 快速,高电压驱动器通道输出DecDriverTM元气,液晶面板驱
Fast, High Voltage Drive, 6-Channel Output DecDriverTM Decimating LCD Panel Driver LIQUID CRYSTAL DISPLAY DRIVER, PQFP48
Fast/ High Voltage Drive/ 6-Channel Output DecDriverTM Decimating LCD Panel Driver
Fast, 6-Channel Output DecDriver?Decimating LCD Panel Driver
Analog Devices, Inc.
1757001317 TPC-1570H-B1E TPC-1570H-WMKE TPC-1570H- 15 XGA TFT LCD Pentium垄莽 M/ Celeron垄莽 M Touch Panel Computer
15 XGA TFT LCD Pentium? M/ Celeron? M Touch Panel Computer
Advantech Co., Ltd.
16080-00 160 x 80 Dot Graphic LCD Assembly With LC7981 Sanyo Graphic LCD Controller EL Panel / LED Backlight Options
ETC
IPPC-6172A IPPC-6172A-R0AE IPPC-6172A-X0AE 17 SXGA TFT LCD Pentium垄莽 M/Celeron垄莽 M Industrial Panel PC with 2 x PCI Slots
17 SXGA TFT LCD Pentium? M/Celeron? M Industrial Panel PC with 2 x PCI Slots
Advantech Co., Ltd.
LCX028BMT 4.6cm(1.8-inch)Black-and-White LCD Panel
4.6cm (1.8-inch) Black-and-White LCD Panel
From old datasheet system
SONY[Sony Corporation]
DSD-40LCD-1_2-5-C DSD-40LCD-0_1-5-C DSD-40LCD-0_1- 4? Digit, LCD Display Digital Panel Voltmeters
4陆 Digit, LCD Display Digital Panel Voltmeters
4篓枚 Digit, LCD Display Digital Panel Voltmeters
4? Digit, LCD Display Digital Panel Voltmeters
http://
Murata Power Solutions Inc.
DMS-30LCD-2-5B-C DMS-30LCD-2-9-C DMS-30LCD-2-9B-C 3? Digit, LCD Display Digital Panel Voltmeters
3? Digit, LCD Display Digital Panel Voltmeters
3篓枚 Digit, LCD Display Digital Panel Voltmeters
Murata Power Solutions Inc.
PL-G128642A LCD PANEL
Pilot
PL-G128643A LCD PANEL
Pilot
PL-G192642A LCD PANEL
Pilot
PL-G192643A LCD PANEL
Pilot
 
 Related keyword From Full Text Search System
PL-G160802A Fairchild PL-G160802A receiver PL-G160802A audio PL-G160802A lcd PL-G160802A Fixed
PL-G160802A 描述 PL-G160802A 资料查找 PL-G160802A volts PL-G160802A Polarity PL-G160802A power suppiy
 

 

Price & Availability of PL-G160802A

All Rights Reserved © IC-ON-LINE 2003 - 2022  

[Add Bookmark] [Contact Us] [Link exchange] [Privacy policy]
Mirror Sites :  [www.datasheet.hk]   [www.maxim4u.com]  [www.ic-on-line.cn] [www.ic-on-line.com] [www.ic-on-line.net] [www.alldatasheet.com.cn] [www.gdcy.com]  [www.gdcy.net]


 . . . . .
  We use cookies to deliver the best possible web experience and assist with our advertising efforts. By continuing to use this site, you consent to the use of cookies. For more information on cookies, please take a look at our Privacy Policy. X
0.5896270275116