Part Number Hot Search : 
AH9479 51N25 NBXDPA MAX20005 MAX7325 IDTQS32 2SA1626 LH46B
Product Description
Full Text Search

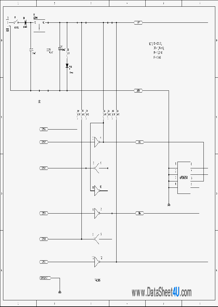
UPD6254 - uPD6254 Programmer Hardware Schematic diagram

UPD6254_398818.PDF Datasheet

 
Part No. UPD6254
Description uPD6254 Programmer Hardware Schematic diagram

File Size 10.20K  /  1 Page  

Maker


ETC



JITONG TECHNOLOGY
(CHINA HK & SZ)
Datasheet.hk's Sponsor

Part: UPD6254GS-BA1-T1
Maker: NEC
Pack: SOP 5.2MM
Stock: 2034
Unit price for :
    50: $2.95
  100: $2.81
1000: $2.66

Email: oulindz@gmail.com

Contact us

Homepage
Download [ ]
[ UPD6254 Datasheet PDF Downlaod from Datasheet.HK ]
[UPD6254 Datasheet PDF Downlaod from Maxim4U.com ] :-)


[ View it Online ]   [ Search more for UPD6254 ]

[ Price & Availability of UPD6254 by FindChips.com ]

 Full text search : uPD6254 Programmer Hardware Schematic diagram
 Product Description search : uPD6254 Programmer Hardware Schematic diagram


 Related Part Number
PART Description Maker
KMPC880 MPC885 KMPC880CZP66 (MPC880 / MPC885) Hardware Specifications
(KMPC880 / KMPC885) Hardware Specifications
Freescale Semiconductor, Inc
ETC
DCP100 Digital Controller Programmer
Honeywell
GS820322T-138 GS82032T-66 GS82032Q-150 GS82032Q-5I 66MHz 18ns 64K x 32 2M synchronous burst SRAM
PROGRAMMER UNIVERSAL 40-PIN
64K x 32 / 2M Synchronous Burst SRAM
64K x 32 2M Synchronous Burst SRAM 64K的32 200万同步突发静态存储器
PROGRAMMER UNIV W/USB 48-PIN 64K的32 200万同步突发静态存储器
.56UF/100VDC METAL POLY CAP 64K的32 200万同步突发静态存储器
64K X 32 CACHE SRAM, 11 ns, PQFP100
GSI Technology
List of Unclassifed Manufacturers
Electronic Theatre Controls, Inc.
MEL-EPICA MEL-1884PLCC MEL-68PLCC MEL-8SOIC MEL-18 Low Cost PIC Programmer
rfsolutions.ltd
DS87000 87000 Microcontroller Programmer
From old datasheet system
MAXIM - Dallas Semiconductor
DALLAS[Dallas Semiconductor]
LTC1706-85 Intel VRM8.5 VID Voltage Programmer
Linear
LTC1706-821 LTC1706-82 LTC1706EMS-82 VID Voltage Programmer for Intel VRM9.0/9.1
Linear Technology
E100 EA101 EA102 EA103 EA104 EPAD® Programmer and Adapter Modules
Advanced Linear Devices
ANX7150 Ultra-Low Power HDMI Transmitter Programmer Guide
Analogix
PSD854F2V-90J PSD854F2V-90M Parallel Port Programmer for STs Programmable System Device (PSD) Products
ST Microelectronics
STM32PRIM-LABUPG Complete EvoPrimer ready-to-use from Raisonance for STM32 standalone programmer & application monitor
ST Microelectronics
 
 Related keyword From Full Text Search System
UPD6254 sonardyne UPD6254 nec UPD6254 linear UPD6254 transceiver UPD6254 pdf
UPD6254 filetype:pdf UPD6254 Amplifier UPD6254 ram UPD6254 specs UPD6254 precision
 

 

Price & Availability of UPD6254

All Rights Reserved © IC-ON-LINE 2003 - 2022  

[Add Bookmark] [Contact Us] [Link exchange] [Privacy policy]
Mirror Sites :  [www.datasheet.hk]   [www.maxim4u.com]  [www.ic-on-line.cn] [www.ic-on-line.com] [www.ic-on-line.net] [www.alldatasheet.com.cn] [www.gdcy.com]  [www.gdcy.net]


 . . . . .
  We use cookies to deliver the best possible web experience and assist with our advertising efforts. By continuing to use this site, you consent to the use of cookies. For more information on cookies, please take a look at our Privacy Policy. X
0.053005933761597