Part Number Hot Search : 
C330K CR2PM8UE 10180 HFBR1531 URAM2HS1 1N4730AP TFDT4500 74V1G03C
Product Description
Full Text Search

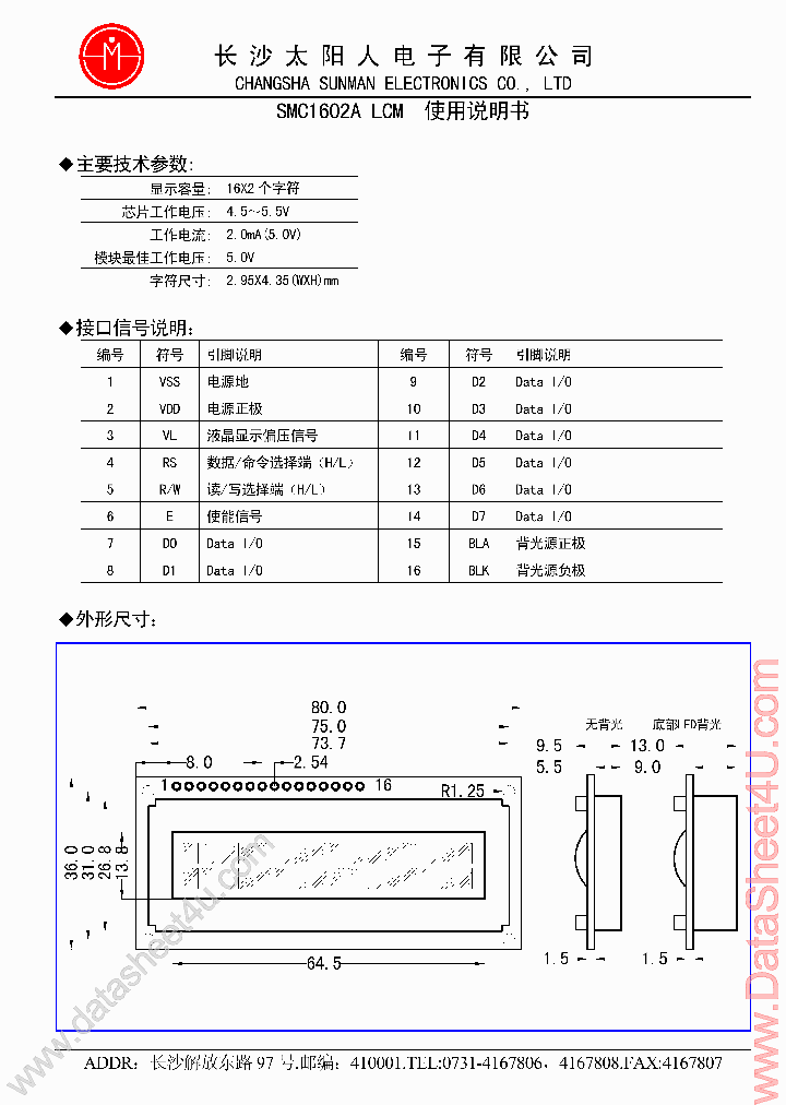
LCD1602A - LCD Module

LCD1602A_398763.PDF Datasheet


 Full text search : LCD Module
 Product Description search : LCD Module


 Related Part Number
PART Description Maker
DMF5010NB-FW 240 x 64dots; dot size: 0.49 x 0.49mm; 0.3-7.0V 8.2mA LCD module
LCD Module Specification
Optrex Corporation
Optrex America, Inc.
DMC20261NY-LY-AXE DMC20261NYU-LY 20characters x 2lines; 5x8dots (1character); 0.3-7.0V 2.0mA LCD module
LCD Module Specification
Optrex Corporation
OPTEK[OPTEK Technologies]
DMC5005N-EW DMF5005N-EW 0.3-7.0V 7.0mA LCD module
240 x 64dots;Dot size: 0.49 x 0.49mm; 0.3-7.0V; 1.0mA LCD module
Optrex Corporation
LQ6AN102 Color TFT-LCD Module for AV/Car Navigation (LCD TV/Digital still camera/LCD camcorder)
Color TFT-LCD Module for AV/Car Navigation(LCD TV/Digital still camera/LCD camcorder)
Sharp Corporation
Sharp Electrionic Components
LQ5AW116 Color TFT-LCD Module for AV/Car Navigation (Digital still camera/LCD camcorder/LCD TV)
Color TFT-LCD Module for AV/Car Navigation(Digital still camera/LCD camcorder/LCD TV)
Sharp Electrionic Components
Sharp Corporation
C9303-03 Color sensor module RGB-LED backlight monitor for TFT-LCD (Liquid Crystal Display) 色彩传感器模块的RGB - LED背光显示器的TFT - LCD(液晶显示器
Hamamatsu Photonics K.K.
B156XW01-V0 B156XW01V0 Color TFT-LCD
LCD Module
AUO
B154EW04-VB B154EW04VB Color TFT-LCD
LCD Module
AUO
FLC38XGC6V-06 TFT LCD Module
Specification of FUJITSU TFT-LCD module
Fujitsu Microelectronics
Fujitsu Media Devices Limited
LCM-S01602DTR-M LCM-S01602DTRM 16x2 CHARACTER LCD MODULE
16X2 CHARACTER LCD MODULE, TN, REFLECTIVE. 1/16 DUTY, 1/5 BIAS.
LUMEX INC.
HDG12864F-3 128x64 GRAPHICS Chip-On-Glass Parallel interface LCD DISPLAY MODULE 128x64图形芯片玻璃上并行接口液晶显示模
128 x 64 Graphics Chip On Glass LCD Display Module
Electronic Theatre Controls, Inc.
Hantronix,Inc
MB203LCD MB203LCD-1 /- 5 1/2 Digit DVM (Digital Voltmeter) Boards
16 x 2 LCD Character Display Module for the MB203 module board
Advanced Linear Devices
 
 Related keyword From Full Text Search System
LCD1602A filetype:pdf LCD1602A Switch LCD1602A Processor LCD1602A sensor LCD1602A speech voice
LCD1602A pin LCD1602A programmable LCD1602A Drain LCD1602A relay LCD1602A port
 

 

Price & Availability of LCD1602A

All Rights Reserved © IC-ON-LINE 2003 - 2022  

[Add Bookmark] [Contact Us] [Link exchange] [Privacy policy]
Mirror Sites :  [www.datasheet.hk]   [www.maxim4u.com]  [www.ic-on-line.cn] [www.ic-on-line.com] [www.ic-on-line.net] [www.alldatasheet.com.cn] [www.gdcy.com]  [www.gdcy.net]


 . . . . .
  We use cookies to deliver the best possible web experience and assist with our advertising efforts. By continuing to use this site, you consent to the use of cookies. For more information on cookies, please take a look at our Privacy Policy. X
0.12265205383301