Part Number Hot Search : 
TA48M03F H15018JP RD35221K 1620C AQW277A EDZ22B 26G11L SF121600
Product Description
Full Text Search

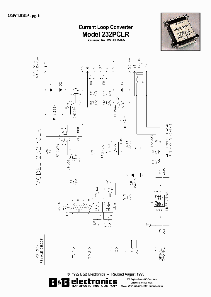
232PCLR - Current Loop Converter

232PCLR_376445.PDF Datasheet


 Full text search : Current Loop Converter
 Product Description search : Current Loop Converter


 Related Part Number
PART Description Maker
1B21AN 1B21 Isolated/ Loop-Powered Voltage-to-Current Converter
Isolated, Loop-Powered Voltage-to-Current Converter
Analog Devices, Inc.
AD[Analog Devices]
232PCLIN1795 232PCLIN Industrial Current Loop Converter 工业电流环转换器
From old datasheet system
Electronic Theatre Controls, Inc.
List of Unclassifed Manufacturers
ETC[ETC]
B&B Electronics
232PCL2895 232PCL 5V High-Speed RS-232 Transceivers with 0.1uF Capacitors
RS-232 to Current Loop Converter
From old datasheet system
Electronic Theatre Controls, Inc.
List of Unclassifed Manufacturers
ETC[ETC]
B&B Electronics
6N13807 6N139 GaA搂陇As Ired & Photo IC Current Loop Driver.
GaA?As Ired & Photo IC Current Loop Driver.
Toshiba Semiconductor
7B35 7B35-01-1 7B35-01-2 Isolated Process Current Input Signal Conditioning Module with Isolated 24 V Loop Power
Isolated Process Current Input with Loop Power
Analog Devices
CSNE151 CSN Series closed loop current sensor, measures AC, DC or impulse current, 25 amp-turns nominal, 卤 36 amp-turns range, smaller housing, 1000 turn
Honeywell Solid State Electronics Center
CSNR161 CSNP661 CSNT651 CSNF161 (CSN Series) Closed Loop Current Sensors
Soild State Sensors
CSCA0100A000B15B02 Hall-Effect Based Open-Loop Current Sensors
Honeywell Accelerometer...
5B42-02 5B42 5B42-01 5B42-15 Isolated Current Input with loop power Signal Conditioning Module
ISOLATED, PROCESS CURRENT INPUT
AD[Analog Devices]
LTC1779 1779F LTC1779ES6 LTC1779ES6TRPBF 250mA Current Mode Step-Down DC/DC Converter in ThinSOT
From old datasheet system
250mA Current Mode Step-Down Converter in SOT-23
250mA Current Mode Step-Down DC/DC Converter in SOT-23; Package: SOT; No of Pins: 6; Temperature Range: -40°C to 125°C 0.5 A SWITCHING REGULATOR, 650 kHz SWITCHING FREQ-MAX, PDSO6
LINER[Linear Technology]
Linear Technology, Corp.
HA-5002 Buffer, Open Loop, Analog, 110MHz, High Slew Rate, High Current Output
Intersil
 
 Related keyword From Full Text Search System
232PCLR Control 232PCLR Purpose 232PCLR infineon 232PCLR uncooled cel 232PCLR ic equivalent
232PCLR speed 232PCLR for sale 232PCLR Frequenc 232PCLR samsung 232PCLR taping code
 

 

Price & Availability of 232PCLR

All Rights Reserved © IC-ON-LINE 2003 - 2022  

[Add Bookmark] [Contact Us] [Link exchange] [Privacy policy]
Mirror Sites :  [www.datasheet.hk]   [www.maxim4u.com]  [www.ic-on-line.cn] [www.ic-on-line.com] [www.ic-on-line.net] [www.alldatasheet.com.cn] [www.gdcy.com]  [www.gdcy.net]


 . . . . .
  We use cookies to deliver the best possible web experience and assist with our advertising efforts. By continuing to use this site, you consent to the use of cookies. For more information on cookies, please take a look at our Privacy Policy. X
0.26037502288818