Part Number Hot Search : 
SAA7111H MZ55B180 ML5805 PA210 3844B 30108 HK8S05IB NCP15
Product Description
Full Text Search

M57714SH - 490-512MHz 12.5V,7W,FM MOBILE RADIO From old datasheet system 490-512MHZ, 12.5V, 7W, FM MOBILE RADIO 490-512MHz 12.5V /7W /FM MOBILE RADIO

M57714SH_349937.PDF Datasheet


 Full text search : 490-512MHz 12.5V,7W,FM MOBILE RADIO From old datasheet system 490-512MHZ, 12.5V, 7W, FM MOBILE RADIO 490-512MHz 12.5V /7W /FM MOBILE RADIO
 Product Description search : 490-512MHz 12.5V,7W,FM MOBILE RADIO From old datasheet system 490-512MHZ, 12.5V, 7W, FM MOBILE RADIO 490-512MHz 12.5V /7W /FM MOBILE RADIO


 Related Part Number
PART Description Maker
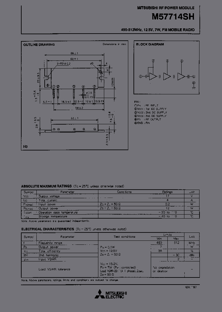
M57714SH 490-512MHz, 12.5V, 7W, FM MOBILE RADIO
Mitsubishi Electric Corporation
M67799SHA RF POWER MODULE SILICON MOS FET POWER AMPLIFIER, 490-512MHz, 7W, FM PORTABLE RADIO
Mitsubishi Electric Corporation
MITSUBISHI[Mitsubishi Electric Semiconductor]
M68703SHA 68703SHA 470-512MHz, 12.5V, 50W, FM MOBILE RADIO
From old datasheet system
Mitsubishi
GRM21BF51C106ZE15L GRM188R71H103KA01D 100A0R8BW150 30MHz TO 512MHz, 9W GaN WIDEBAND
RF Micro Devices
NTE365 Silicon NPN Transistor RF Power Output PO = 15W @ 512MHz
NTE[NTE Electronics]
TA1112A SAW Filter 490 MHz
TAI-SAW TECHNOLOGY CO., LTD.
IXFH26N49Q 26 A, 490 V, 0.2 ohm, N-CHANNEL, Si, POWER, MOSFET, TO-247AD
IXYS CORP
HYB18L128160BC-7.5 HYE18L128160BC-7.5 HYB18L128160 DRAMs for Mobile Applications 128-Mbit Mobile-RAM
Qimonda AG
HT150RS HT450RB MD821RC MX800RC SFU821RC MX150RS 450 MHz - 470 MHz MOBILE STATION ANTENNA
821 MHz - 896 MHz MOBILE STATION ANTENNA
806 MHz - 866 MHz MOBILE STATION ANTENNA
150 MHz - 162 MHz MOBILE STATION ANTENNA

ICS954201 ICS954201YFLNT ICS954201YGLNT 16-Bit Registered Transceivers With 3-State Outputs 56-TSSOP -40 to 85
Programmable Timing Control Hub??for Mobile P4??Systems
PROGRAMMABLE TIMING CONTROL HUB⒙ FOR MOBILE P4⒙ SYSTEMS
From old datasheet system
Clock Synthesizer
Programmable Timing Control Hub?/a> for Mobile P4?/a> Systems
Programmable Timing Control Hub for Mobile P4 Systems
Integrated Circuit Systems
ICS
 
 Related keyword From Full Text Search System
M57714SH transistor M57714SH Pin M57714SH standard M57714SH international M57714SH astable multivibrators
M57714SH lead M57714SH external rom M57714SH band M57714SH byte M57714SH integrated circuit
 

 

Price & Availability of M57714SH

All Rights Reserved © IC-ON-LINE 2003 - 2022  

[Add Bookmark] [Contact Us] [Link exchange] [Privacy policy]
Mirror Sites :  [www.datasheet.hk]   [www.maxim4u.com]  [www.ic-on-line.cn] [www.ic-on-line.com] [www.ic-on-line.net] [www.alldatasheet.com.cn] [www.gdcy.com]  [www.gdcy.net]


 . . . . .
  We use cookies to deliver the best possible web experience and assist with our advertising efforts. By continuing to use this site, you consent to the use of cookies. For more information on cookies, please take a look at our Privacy Policy. X
0.028455972671509