Part Number Hot Search : 
05D15 GT5G102 DZ2J150 AP108610 2R150 NJG1130 MA4E2544 GL1PR212
Product Description
Full Text Search

AS7C251MFT3236A -    2.5V 1M x 32/36 Flow-through synchronous SRAM Sync SRAM - 2.5V High Speed CMOS Logic Dual Negative-Edge-Triggered J-K Flip-Flops with Set and Reset 16-SO -55 to 125 DIODE ZENER SINGLE 1000mW 20Vz 12.5mA-Izt 0.05 5uA-Ir 15.2Vr DO41-GLASS 5K/AMMO DIODE ZENER SINGLE 1000mW 30Vz 8.5mA-Izt 0.05 5uA-Ir 22.8Vr DO41-GLASS 5K/AMMO DIODE ZENER SINGLE 1000mW 39Vz 6.5mA-Izt 0.05 5uA-Ir 29.7Vr DO41-GLASS 5K/REEL High Speed CMOS Logic Dual Negative-Edge-Triggered J-K Flip-Flops with Set and Reset 16-SOIC -55 to 125 1M X 32 STANDARD SRAM, 7.5 ns, PQFP100 2.5V 1M x 32/36 Flow-through synchronous SRAM 1M X 32 STANDARD SRAM, 7.5 ns, PQFP100 2.5V 1M x 32/36 Flow-through synchronous SRAM 1M X 32 STANDARD SRAM, 8.5 ns, PQFP100 2.5V 1M x 32/36 Flow-through synchronous SRAM 1M X 32 STANDARD SRAM, 10 ns, PQFP100 2.5V 1M x 32/36 Flow-through synchronous SRAM 1M X 36 STANDARD SRAM, 10 ns, PQFP100 High Speed CMOS Logic Dual Negative-Edge-Triggered J-K Flip-Flops with Set and Reset 16-TSSOP -55 to 125 2.5V00万x 32/36流通过同步SRAM

AS7C251MFT3236A_281204.PDF Datasheet

 
Part No. AS7C251MFT32_36A AS7C251MFT32A AS7C251MFT32A-10TQCN AS7C251MFT32A-10TQI AS7C251MFT32A-10TQIN AS7C251MFT32A-75TQI AS7C251MFT32A-85TQC AS7C251MFT32A-85TQCN AS7C251MFT32A-85TQIN AS7C251MFT36A AS7C251MFT36A-10TQC AS7C251MFT32A-10TQC AS7C251MFT32A-75TQC AS7C251MFT32A-75TQCN AS7C251MFT32A-75TQIN AS7C251MFT32A-85TQI AS7C251MFT36A-10TQCN AS7C251MFT36A-10TQI AS7C251MFT36A-85TQIN AS7C251MFT36A-10TQIN AS7C251MFT36A-75TQC AS7C251MFT36A-75TQCN AS7C251MFT36A-75TQI AS7C251MFT36A-75TQIN AS7C251MFT36A-85TQC AS7C251MFT36A-85TQCN AS7C251MFT36A-85TQI
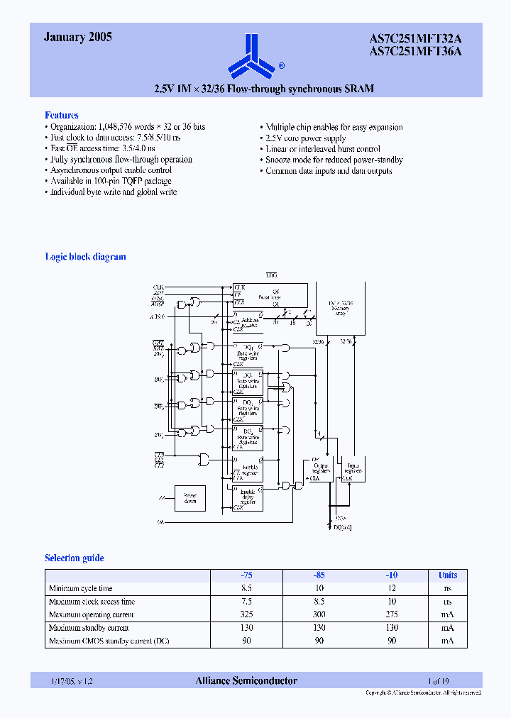
Description    2.5V 1M x 32/36 Flow-through synchronous SRAM
Sync SRAM - 2.5V
High Speed CMOS Logic Dual Negative-Edge-Triggered J-K Flip-Flops with Set and Reset 16-SO -55 to 125
DIODE ZENER SINGLE 1000mW 20Vz 12.5mA-Izt 0.05 5uA-Ir 15.2Vr DO41-GLASS 5K/AMMO
DIODE ZENER SINGLE 1000mW 30Vz 8.5mA-Izt 0.05 5uA-Ir 22.8Vr DO41-GLASS 5K/AMMO
DIODE ZENER SINGLE 1000mW 39Vz 6.5mA-Izt 0.05 5uA-Ir 29.7Vr DO41-GLASS 5K/REEL
High Speed CMOS Logic Dual Negative-Edge-Triggered J-K Flip-Flops with Set and Reset 16-SOIC -55 to 125 1M X 32 STANDARD SRAM, 7.5 ns, PQFP100
2.5V 1M x 32/36 Flow-through synchronous SRAM 1M X 32 STANDARD SRAM, 7.5 ns, PQFP100
2.5V 1M x 32/36 Flow-through synchronous SRAM 1M X 32 STANDARD SRAM, 8.5 ns, PQFP100
2.5V 1M x 32/36 Flow-through synchronous SRAM 1M X 32 STANDARD SRAM, 10 ns, PQFP100
2.5V 1M x 32/36 Flow-through synchronous SRAM 1M X 36 STANDARD SRAM, 10 ns, PQFP100
High Speed CMOS Logic Dual Negative-Edge-Triggered J-K Flip-Flops with Set and Reset 16-TSSOP -55 to 125 2.5V00万x 32/36流通过同步SRAM

File Size 500.82K  /  19 Page  

Maker


Alliance Semiconductor ...
ALSC[Alliance Semiconductor Corporation]
Alliance Semiconductor, Corp.



Homepage http://www.alsc.com/
Download [ ]
[ AS7C251MFT32_36A AS7C251MFT32A AS7C251MFT32A-10TQCN AS7C251MFT32A-10TQI AS7C251MFT32A-10TQIN AS7C251 Datasheet PDF Downlaod from Datasheet.HK ]
[AS7C251MFT32_36A AS7C251MFT32A AS7C251MFT32A-10TQCN AS7C251MFT32A-10TQI AS7C251MFT32A-10TQIN AS7C251 Datasheet PDF Downlaod from Maxim4U.com ] :-)


[ View it Online ]   [ Search more for AS7C251MFT3236A ]

[ Price & Availability of AS7C251MFT3236A by FindChips.com ]

 Full text search :    2.5V 1M x 32/36 Flow-through synchronous SRAM Sync SRAM - 2.5V High Speed CMOS Logic Dual Negative-Edge-Triggered J-K Flip-Flops with Set and Reset 16-SO -55 to 125 DIODE ZENER SINGLE 1000mW 20Vz 12.5mA-Izt 0.05 5uA-Ir 15.2Vr DO41-GLASS 5K/AMMO DIODE ZENER SINGLE 1000mW 30Vz 8.5mA-Izt 0.05 5uA-Ir 22.8Vr DO41-GLASS 5K/AMMO DIODE ZENER SINGLE 1000mW 39Vz 6.5mA-Izt 0.05 5uA-Ir 29.7Vr DO41-GLASS 5K/REEL High Speed CMOS Logic Dual Negative-Edge-Triggered J-K Flip-Flops with Set and Reset 16-SOIC -55 to 125 1M X 32 STANDARD SRAM, 7.5 ns, PQFP100 2.5V 1M x 32/36 Flow-through synchronous SRAM 1M X 32 STANDARD SRAM, 7.5 ns, PQFP100 2.5V 1M x 32/36 Flow-through synchronous SRAM 1M X 32 STANDARD SRAM, 8.5 ns, PQFP100 2.5V 1M x 32/36 Flow-through synchronous SRAM 1M X 32 STANDARD SRAM, 10 ns, PQFP100 2.5V 1M x 32/36 Flow-through synchronous SRAM 1M X 36 STANDARD SRAM, 10 ns, PQFP100 High Speed CMOS Logic Dual Negative-Edge-Triggered J-K Flip-Flops with Set and Reset 16-TSSOP -55 to 125 2.5V00万x 32/36流通过同步SRAM
 Product Description search :    2.5V 1M x 32/36 Flow-through synchronous SRAM Sync SRAM - 2.5V High Speed CMOS Logic Dual Negative-Edge-Triggered J-K Flip-Flops with Set and Reset 16-SO -55 to 125 DIODE ZENER SINGLE 1000mW 20Vz 12.5mA-Izt 0.05 5uA-Ir 15.2Vr DO41-GLASS 5K/AMMO DIODE ZENER SINGLE 1000mW 30Vz 8.5mA-Izt 0.05 5uA-Ir 22.8Vr DO41-GLASS 5K/AMMO DIODE ZENER SINGLE 1000mW 39Vz 6.5mA-Izt 0.05 5uA-Ir 29.7Vr DO41-GLASS 5K/REEL High Speed CMOS Logic Dual Negative-Edge-Triggered J-K Flip-Flops with Set and Reset 16-SOIC -55 to 125 1M X 32 STANDARD SRAM, 7.5 ns, PQFP100 2.5V 1M x 32/36 Flow-through synchronous SRAM 1M X 32 STANDARD SRAM, 7.5 ns, PQFP100 2.5V 1M x 32/36 Flow-through synchronous SRAM 1M X 32 STANDARD SRAM, 8.5 ns, PQFP100 2.5V 1M x 32/36 Flow-through synchronous SRAM 1M X 32 STANDARD SRAM, 10 ns, PQFP100 2.5V 1M x 32/36 Flow-through synchronous SRAM 1M X 36 STANDARD SRAM, 10 ns, PQFP100 High Speed CMOS Logic Dual Negative-Edge-Triggered J-K Flip-Flops with Set and Reset 16-TSSOP -55 to 125 2.5V00万x 32/36流通过同步SRAM


 Related Part Number
PART Description Maker
 
 Related keyword From Full Text Search System
AS7C251MFT3236A amplifier AS7C251MFT3236A digital AS7C251MFT3236A rohm AS7C251MFT3236A Integrated AS7C251MFT3236A ghz
AS7C251MFT3236A GaAs Hall Device AS7C251MFT3236A standard AS7C251MFT3236A application AS7C251MFT3236A precision AS7C251MFT3236A dropout
 

 

Price & Availability of AS7C251MFT3236A

All Rights Reserved © IC-ON-LINE 2003 - 2022  

[Add Bookmark] [Contact Us] [Link exchange] [Privacy policy]
Mirror Sites :  [www.datasheet.hk]   [www.maxim4u.com]  [www.ic-on-line.cn] [www.ic-on-line.com] [www.ic-on-line.net] [www.alldatasheet.com.cn] [www.gdcy.com]  [www.gdcy.net]


 . . . . .
  We use cookies to deliver the best possible web experience and assist with our advertising efforts. By continuing to use this site, you consent to the use of cookies. For more information on cookies, please take a look at our Privacy Policy. X
0.43787693977356