Part Number Hot Search : 
BC80816 MA2B171 MUR1040 V48C1 CLD370F ESD24 LTC3714 02S75B
Product Description
Full Text Search

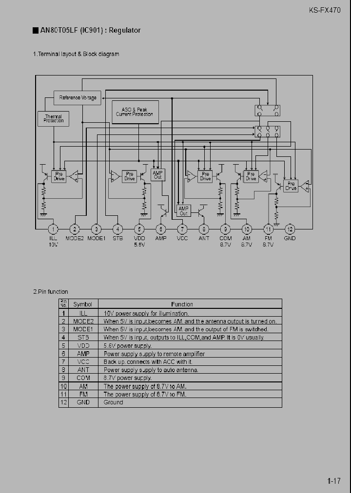
AN80T05LF - AN80T05LF (IC901) : REGULATOR

AN80T05LF_249046.PDF Datasheet

 
Part No. AN80T05LF
Description AN80T05LF (IC901) : REGULATOR

File Size 20.53K  /  1 Page  

Maker


Unknow
ETC
List of Unclassifed Manufacturers
Electronic Theatre Controls, Inc.



JITONG TECHNOLOGY
(CHINA HK & SZ)
Datasheet.hk's Sponsor

Part: AN80T05LF
Maker: Panasonic - SSG
Pack: ETC
Stock: Reserved
Unit price for :
    50: $0.00
  100: $0.00
1000: $0.00

Email: oulindz@gmail.com

Contact us

Homepage
Download [ ]
[ AN80T05LF Datasheet PDF Downlaod from Datasheet.HK ]
[AN80T05LF Datasheet PDF Downlaod from Maxim4U.com ] :-)


[ View it Online ]   [ Search more for AN80T05LF ]

[ Price & Availability of AN80T05LF by FindChips.com ]

 Full text search : AN80T05LF (IC901) : REGULATOR
 Product Description search : AN80T05LF (IC901) : REGULATOR


 Related Part Number
PART Description Maker
BA17800T BA17805T BA17805TFP BA17806T BA17806TFP B 24V regulator
7V regulator
Standard 78 series/ 3-pin regulator
Standard 78 series, 3-pin regulator 标准78系列针调节器
Regulators LSIs 稳压器大规模集成电路
18V regulator
15V regulator
ROHM[Rohm]
Rohm CO.,LTD.
Rohm Co., Ltd.
DO-204AH BZX55C56RL BZX55C2V4 BZX55C62RL BZX83C2V7 ECONOLINE: RQS & RQD - 1kVDC Isolation- Internal SMD Construction- UL94V-0 Package Material- Toroidal Magnetics- Efficiency to 80%
SMALL SIGNAL SCHOTTKY DIODE
IC,QUAD 2:1,MUX/DEMUX,ANALOG LANSW,6.2V,SOIC16
500 mW DO-35 Glass Zener Voltage Regulator Diodes 16 V, 0.5 W, SILICON, UNIDIRECTIONAL VOLTAGE REGULATOR DIODE, DO-204AH
Single Supply, High Speed, Quad SPDT CMOS Analog Switch w/Master Enable 130 V, 0.5 W, SILICON, UNIDIRECTIONAL VOLTAGE REGULATOR DIODE, DO-204AH
500 mW DO-35 Glass Zener Voltage Regulator Diodes 3 V, 0.5 W, SILICON, UNIDIRECTIONAL VOLTAGE REGULATOR DIODE, DO-204AH
500 mW DO-35 Glass Zener Voltage Regulator Diodes 36 V, 0.5 W, SILICON, UNIDIRECTIONAL VOLTAGE REGULATOR DIODE, DO-204AH
500 mW DO-35 Glass Zener Voltage Regulator Diodes 43 V, 5 W, SILICON, UNIDIRECTIONAL VOLTAGE REGULATOR DIODE
500 mW DO-35 Glass Zener Voltage Regulator Diodes 3.3 V, 0.5 W, SILICON, UNIDIRECTIONAL VOLTAGE REGULATOR DIODE, DO-204AH
500 mW DO-35 Glass Zener Voltage Regulator Diodes 20 V, 0.5 W, SILICON, UNIDIRECTIONAL VOLTAGE REGULATOR DIODE, DO-204AH
500 mW DO-35 Glass Zener Voltage Regulator Diodes 43 V, 0.5 W, SILICON, UNIDIRECTIONAL VOLTAGE REGULATOR DIODE, DO-204AH
500 mW DO-35 Glass Zener Voltage Regulator Diodes 100 V, 0.5 W, SILICON, UNIDIRECTIONAL VOLTAGE REGULATOR DIODE, DO-204AH
500 mW DO-35 Glass Zener Voltage Regulator Diodes 9.1 V, 0.5 W, SILICON, UNIDIRECTIONAL VOLTAGE REGULATOR DIODE, DO-204AH
500 mW DO-35 Glass Zener Voltage Regulator Diodes 8.2 V, 0.5 W, SILICON, UNIDIRECTIONAL VOLTAGE REGULATOR DIODE, DO-204AH
500 mW DO-35 Glass Zener Voltage Regulator Diodes 8.2 V, 0.5 W, SILICON, UNIDIRECTIONAL VOLTAGE REGULATOR DIODE, DO-35
500 mW DO-35 Glass Zener Voltage Regulator Diodes 3.3 V, 0.5 W, SILICON, UNIDIRECTIONAL VOLTAGE REGULATOR DIODE, DO-35
500 mW DO-35 Glass Zener Voltage Regulator Diodes 27 V, 0.5 W, SILICON, UNIDIRECTIONAL VOLTAGE REGULATOR DIODE, DO-35
500 mW DO-35 Glass Zener Voltage Regulator Diodes 22 V, 0.5 W, SILICON, UNIDIRECTIONAL VOLTAGE REGULATOR DIODE, DO-35
500 mW DO-35 Glass Zener Voltage Regulator Diodes 500毫瓦DO - 35玻璃封装稳压二极
GLASS ZENER DIODES 500 MILLIWATTS 1.8.200 VOLTS 玻璃封装二极管电压为500毫瓦1.8.200
500mW ZENER DIODE
   500 mW DO-35 Glass Zener Voltage Regulator Diodes
http://
MOTOROLA INC
Microsemi, Corp.
Motorola Mobility Holdings, Inc.
Diodes Incorporated
Motorola Inc
Motorola, Inc.
HZU16B1TRF-E HZU2.7B1TLF HZU2.0BTLF HZU2.4BTRF-E H 15.69 V, 0.2 W, SILICON, UNIDIRECTIONAL VOLTAGE REGULATOR DIODE
2.625 V, 0.2 W, SILICON, UNIDIRECTIONAL VOLTAGE REGULATOR DIODE
2.05 V, 0.2 W, SILICON, UNIDIRECTIONAL VOLTAGE REGULATOR DIODE
2.45 V, 0.2 W, SILICON, UNIDIRECTIONAL VOLTAGE REGULATOR DIODE
2.925 V, 0.2 W, SILICON, UNIDIRECTIONAL VOLTAGE REGULATOR DIODE
3.225 V, 0.2 W, SILICON, UNIDIRECTIONAL VOLTAGE REGULATOR DIODE
2.25 V, 0.2 W, SILICON, UNIDIRECTIONAL VOLTAGE REGULATOR DIODE
3.525 V, 0.2 W, SILICON, UNIDIRECTIONAL VOLTAGE REGULATOR DIODE
3.075 V, 0.2 W, SILICON, UNIDIRECTIONAL VOLTAGE REGULATOR DIODE
3.375 V, 0.2 W, SILICON, UNIDIRECTIONAL VOLTAGE REGULATOR DIODE
2.775 V, 0.2 W, SILICON, UNIDIRECTIONAL VOLTAGE REGULATOR DIODE
7.21 V, 0.2 W, SILICON, UNIDIRECTIONAL VOLTAGE REGULATOR DIODE
5.795 V, 0.2 W, SILICON, UNIDIRECTIONAL VOLTAGE REGULATOR DIODE
4.515 V, 0.2 W, SILICON, UNIDIRECTIONAL VOLTAGE REGULATOR DIODE
30 V, 0.2 W, SILICON, UNIDIRECTIONAL VOLTAGE REGULATOR DIODE
23.445 V, 0.2 W, SILICON, UNIDIRECTIONAL VOLTAGE REGULATOR DIODE
21.325 V, 0.2 W, SILICON, UNIDIRECTIONAL VOLTAGE REGULATOR DIODE

AMS1117 AMS1117-15 AMS1117-18 AMS1117-25 AMS1117-3 5.0V 800mA low dropout voltage regulator
3.3V 800mA low dropout voltage regulator
2.85V 800mA low dropout voltage regulator
2.5V 800mA low dropout voltage regulator
1.8V 800mA low dropout voltage regulator
1.5V 800mA low dropout voltage regulator
800mA LOW DROPOUT VOLTAGE REGULATOR 800mA的低压差稳压
BZ Series Standard Basic Switch, Single Pole Double Throw Circuitry, 15 A at 250 Vac, Overtravel Plunger Actuator, 2,5 N - 3,61 N [9 oz - 13 oz] Operating Force, Silver Contacts, Screw Termination, CE, CSA, DEMKO,
Advanced Monolithic Systems, Inc.
ADMOS[Advanced Monolithic Systems]
http://
A440212 The A4402 is a dual-output regulator, combining in a single package a constant on-time buck regulator and a linear regulator (LDO)―each with adjustable output voltages.
Allegro MicroSystems
SIC402A SIC402ACD-T1-GE3 SIC402BCD SIC402BCD-T1-GE 10 A microBUCK SiC402A/B Integrated Buck Regulator with Programmable LDO
IC SWITCHING REGULATOR, Switching Regulator or Controller
Vishay Siliconix
BZX284-B10 BZX284-B12 BZX284-B15 BZX284 BZX284-B3V Voltage regulator diodes 39 V, 0.4 W, SILICON, UNIDIRECTIONAL VOLTAGE REGULATOR DIODE
Voltage regulator diodes 3.6 V, 0.4 W, SILICON, UNIDIRECTIONAL VOLTAGE REGULATOR DIODE
Voltage regulator diodes 5.6 V, 0.4 W, SILICON, UNIDIRECTIONAL VOLTAGE REGULATOR DIODE
Voltage Regulator Diodes 6.2 V, 0.4 W, SILICON, UNIDIRECTIONAL VOLTAGE REGULATOR DIODE
Voltage regulator diodes 5.1 V, 0.4 W, SILICON, UNIDIRECTIONAL VOLTAGE REGULATOR DIODE
Voltage Regulator Diodes 8.2 V, 0.4 W, SILICON, UNIDIRECTIONAL VOLTAGE REGULATOR DIODE
Voltage regulator diodes 47 V, 0.4 W, SILICON, UNIDIRECTIONAL VOLTAGE REGULATOR DIODE
Voltage regulator diodes 9.1 V, 0.4 W, SILICON, UNIDIRECTIONAL VOLTAGE REGULATOR DIODE
Voltage regulator diodes 51 V, 0.4 W, SILICON, UNIDIRECTIONAL VOLTAGE REGULATOR DIODE
CAP ROUND W/SHUTTER WINDOW ORG 10 V, 0.4 W, SILICON, UNIDIRECTIONAL VOLTAGE REGULATOR DIODE
Voltage regulator diodes 30 V, 0.4 W, SILICON, UNIDIRECTIONAL VOLTAGE REGULATOR DIODE
Voltage regulator diodes 10 V, 0.4 W, SILICON, UNIDIRECTIONAL VOLTAGE REGULATOR DIODE
Voltage regulator diodes 20 V, 0.4 W, SILICON, UNIDIRECTIONAL VOLTAGE REGULATOR DIODE
Voltage regulator diodes 3 V, 0.4 W, SILICON, UNIDIRECTIONAL VOLTAGE REGULATOR DIODE
Voltage regulator diodes(稳压二极
NXP Semiconductors N.V.
齐纳二极
PHILIPS[Philips Semiconductors]
SZ5706 SZ5740 SZ5740KS SZ5110 SZ5706-1 SZ5709K SZ5 6.8 ?270 VOLTS ZENER DIODES
40 V, 0.5 W, SILICON, UNIDIRECTIONAL VOLTAGE REGULATOR DIODE
5.0 WATT 6.8 ?270 VOLTS ZENER DIODES
9.1 V, 0.5 W, SILICON, UNIDIRECTIONAL VOLTAGE REGULATOR DIODE
24 V, 0.5 W, SILICON, UNIDIRECTIONAL VOLTAGE REGULATOR DIODE
120 V, 0.5 W, SILICON, UNIDIRECTIONAL VOLTAGE REGULATOR DIODE
13 V, 0.5 W, SILICON, UNIDIRECTIONAL VOLTAGE REGULATOR DIODE
190 V, 0.5 W, SILICON, UNIDIRECTIONAL VOLTAGE REGULATOR DIODE
200 V, 0.5 W, SILICON, UNIDIRECTIONAL VOLTAGE REGULATOR DIODE
45 V, 0.5 W, SILICON, UNIDIRECTIONAL VOLTAGE REGULATOR DIODE
7.5 V, 0.5 W, SILICON, UNIDIRECTIONAL VOLTAGE REGULATOR DIODE
180 V, 0.5 W, SILICON, UNIDIRECTIONAL VOLTAGE REGULATOR DIODE
220 V, 0.5 W, SILICON, UNIDIRECTIONAL VOLTAGE REGULATOR DIODE
33 V, 0.5 W, SILICON, UNIDIRECTIONAL VOLTAGE REGULATOR DIODE
170 V, 0.5 W, SILICON, UNIDIRECTIONAL VOLTAGE REGULATOR DIODE
75 V, 0.5 W, SILICON, UNIDIRECTIONAL VOLTAGE REGULATOR DIODE
10 V, 0.5 W, SILICON, UNIDIRECTIONAL VOLTAGE REGULATOR DIODE
Solid States Devices, Inc
SOLID STATE DEVICES INC
Solid States Devices, I...
BA9744FV A5800966 Regulator LSIs > Switching regulator
2-channel switching regulator controller
From old datasheet system
ROHM[Rohm]
MC33363B MC33363BP HIGH VOLTAGE OFF-LINE SWITCHING REGULATOR
Isolated Flyback Switching Regulator with 9V Output 1 A SWITCHING REGULATOR, 315 kHz SWITCHING FREQ-MAX, PDIP13
Motorola
ON Semiconductor
MC7912ACD2T MC7912ACD2TR4 MC7912ACT MC7912BD2T MC7 1.0 A Negative Voltage Regulators
1A, 5V, Negative Voltage Regulator
1A, 5.2V, Negative Voltage Regulator
1A, 18V, Negative Voltage Regulator
1A, 15V, Negative Voltage Regulator
1A, 8V, Negative Voltage Regulator
1A, 12V, Negative Voltage Regulator
1A, 24V, Negative Voltage Regulator
http://
ONSEMI[ON Semiconductor]
 
 Related keyword From Full Text Search System
AN80T05LF temperature AN80T05LF Data sheet AN80T05LF Signal AN80T05LF Protect AN80T05LF 资料网站
AN80T05LF high-speed usb AN80T05LF vcc AN80T05LF Search AN80T05LF image sensor AN80T05LF DIFFERENTIAL CLOCK
 

 

Price & Availability of AN80T05LF

All Rights Reserved © IC-ON-LINE 2003 - 2022  

[Add Bookmark] [Contact Us] [Link exchange] [Privacy policy]
Mirror Sites :  [www.datasheet.hk]   [www.maxim4u.com]  [www.ic-on-line.cn] [www.ic-on-line.com] [www.ic-on-line.net] [www.alldatasheet.com.cn] [www.gdcy.com]  [www.gdcy.net]


 . . . . .
  We use cookies to deliver the best possible web experience and assist with our advertising efforts. By continuing to use this site, you consent to the use of cookies. For more information on cookies, please take a look at our Privacy Policy. X
0.35593914985657