Part Number Hot Search : 
MAT01GHZ S4660 2N6545 PZTA14NL UN511F SM501 BFS17S 2245A
Product Description
Full Text Search

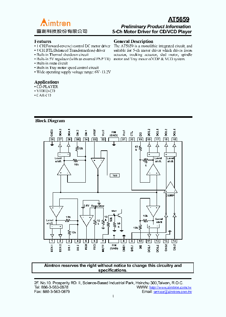
AT5659 - 5-CH MOTOR DRIVER FOR DC/VCD PLAYER

AT5659_242363.PDF Datasheet

 
Part No. AT5659 AT5659H
Description 5-CH MOTOR DRIVER FOR DC/VCD PLAYER

File Size 285.29K  /  9 Page  

Maker


ETC



JITONG TECHNOLOGY
(CHINA HK & SZ)
Datasheet.hk's Sponsor

Part: AT5659H
Maker: N/A
Pack: SOP
Stock: 72
Unit price for :
    50: $1.11
  100: $1.05
1000: $1.00

Email: oulindz@gmail.com

Contact us

Homepage
Download [ ]
[ AT5659 AT5659H Datasheet PDF Downlaod from Datasheet.HK ]
[AT5659 AT5659H Datasheet PDF Downlaod from Maxim4U.com ] :-)


[ View it Online ]   [ Search more for AT5659 ]

[ Price & Availability of AT5659 by FindChips.com ]

 Full text search : 5-CH MOTOR DRIVER FOR DC/VCD PLAYER
 Product Description search : 5-CH MOTOR DRIVER FOR DC/VCD PLAYER


 Related Part Number
PART Description Maker
AT5659 AT5659H 5-CH MOTOR DRIVER FOR DC/VCD PLAYER
ETC
BA6871 BA6871BS A5800843 Motor Drivers LSIs > VCR motor driver > Three-phase full-wave motor driver for cylinder
3-phase motor driver
From old datasheet system
ROHM[Rohm]
BA6191 A5800795 Optical Disc LSIs > Motor/Actuator driver > Loading motor driver
2-channel reversible-motor driver
From old datasheet system
ROHM[Rohm]
BA6811 BA6811F BA6813F A5801086 BA6813 From old datasheet system
Fan motor driver IC
Motor Drivers LSIs > Fan motor driver > Two-phase half-wave motor driver
http://
ROHM[Rohm]
BA6438 BA6438S Motor Drivers LSIs > VCR motor driver > Three-phase full-wave motor driver for cylinder
3-phase motor driver
ROHM[Rohm]
BA6289F BA6417F A5801076 From old datasheet system
Reversible motor driver
Motor Drivers LSIs > DC motor driver > Reversible DC motor driver for one motor
Rohm CO.,LTD.
ROHM[Rohm]
BA6229 A5800940 Motor Drivers LSIs > DC motor driver > Reversible DC motor driver for one motor
Reversible motor driver
From old datasheet system
ROHM[Rohm]
BA6826FS BA6825FS A5800951 BA6825 2-phase motor driver for VCR cylinder motors(VCR柱面电机的两相电机驱动器) 两相的录像机缸发动机电动机驱动器(录像机柱面电机的两相电机驱动器
2-phase motor driver for VCR cylinder motors 两相的录像机缸发动机电机驱动
From old datasheet system
Motor Drivers LSIs > VCR motor driver > Two-phase full-wave motor driver for cylinder
Rohm Co., Ltd.
Rohm CO.,LTD.
ROHM[Rohm]
BA6467FP-Y A5800962 Motor Drivers LSIs > General-Purpose three-phase brushless motor driver > Sensor type
3-phase motor driver for VCR cylinders
From old datasheet system
Rohm
BA6819AF BA6809F A5800844 BA6809 From old datasheet system
2-phase half-wave motor driver
Motor Drivers LSIs > Fan motor driver > Two-phase half-wave motor driver
http://
ROHM[Rohm]
LB11822 Brushless Motor Drivers (3-phase drive): PPC and printer paper feed and drum motor driver
Three-Phase Brushless Motor Driver for OA Products
Sanyo Semicon Device
BA5960FS    5 Channel Driver for with Regulator
Optical Disc LSIs > Motor/Actuator driver > CD/CD-ROM driver(5ch,6ch)
DISK DRIVE MOTOR CONTROLLER, 1 A, PDSO54
ROHM
 
 Related keyword From Full Text Search System
AT5659 microsemi AT5659 Switching AT5659 resistor AT5659 Serie AT5659 MARKING
AT5659 Regulators AT5659 epitaxial AT5659 led AT5659 state AT5659 cmos
 

 

Price & Availability of AT5659

All Rights Reserved © IC-ON-LINE 2003 - 2022  

[Add Bookmark] [Contact Us] [Link exchange] [Privacy policy]
Mirror Sites :  [www.datasheet.hk]   [www.maxim4u.com]  [www.ic-on-line.cn] [www.ic-on-line.com] [www.ic-on-line.net] [www.alldatasheet.com.cn] [www.gdcy.com]  [www.gdcy.net]


 . . . . .
  We use cookies to deliver the best possible web experience and assist with our advertising efforts. By continuing to use this site, you consent to the use of cookies. For more information on cookies, please take a look at our Privacy Policy. X
0.31394386291504