Part Number Hot Search : 
FAN3100C CY7C144 74LVT SF310 94HBC08T M74HCT74 2N4117A SC6BA6
Product Description
Full Text Search

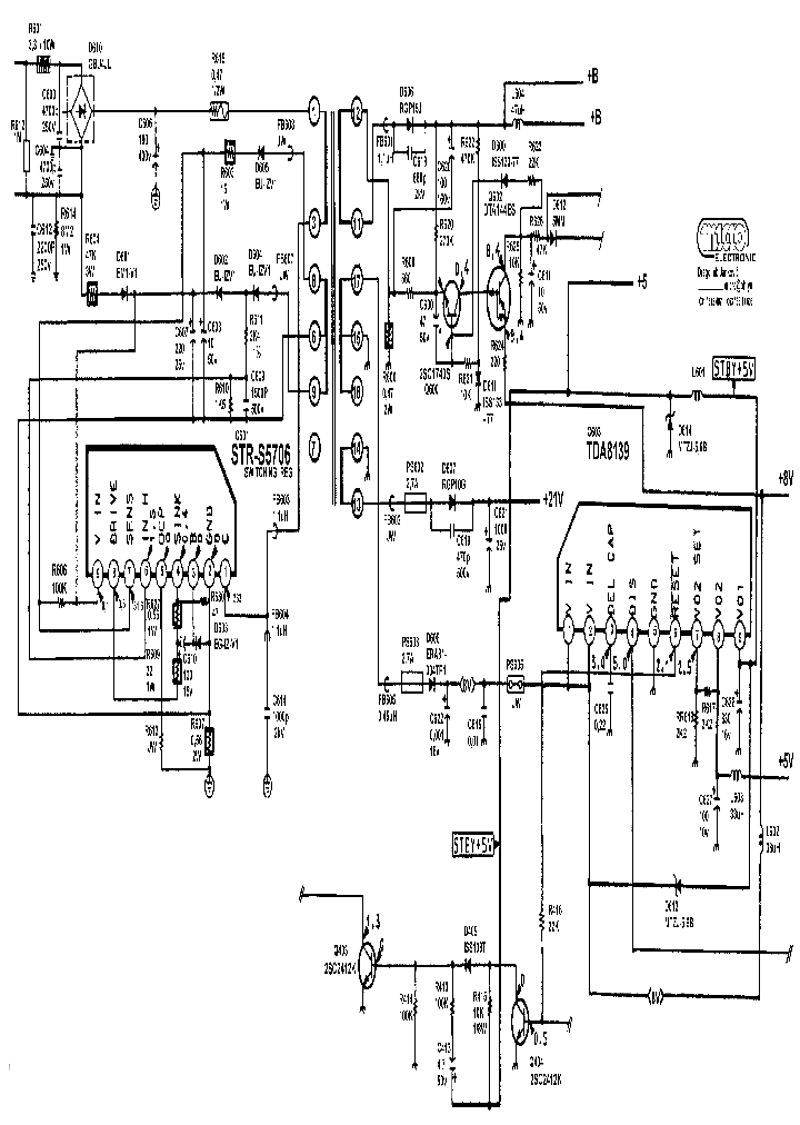
STRS5706 - STRS5706 From old datasheet system

STRS5706_221865.PDF Datasheet

 
Part No. STRS5706
Description STRS5706
From old datasheet system

File Size 92.06K  /  1 Page  

Maker


List of Unclassifed Manufacturers
ETC



JITONG TECHNOLOGY
(CHINA HK & SZ)
Datasheet.hk's Sponsor

Part: STRS5703
Maker: SK
Pack: DIP-9
Stock: 60
Unit price for :
    50: $2.66
  100: $2.53
1000: $2.39

Email: oulindz@gmail.com

Contact us

Homepage
Download [ ]
[ STRS5706 Datasheet PDF Downlaod from Datasheet.HK ]
[STRS5706 Datasheet PDF Downlaod from Maxim4U.com ] :-)


[ View it Online ]   [ Search more for STRS5706 ]

[ Price & Availability of STRS5706 by FindChips.com ]

 Full text search : STRS5706 From old datasheet system
 Product Description search : STRS5706 From old datasheet system


 Related Part Number
PART Description Maker
STRS5706 STRS5706
From old datasheet system
List of Unclassifed Manufacturers
ETC
TDA1029N LT1050CP LM393P3 IC,SIGNAL SOURCE SWITCH,BIPOLAR,DIP,16PIN,PLASTIC
Diode - Datasheet Reference
Voltage Comparator - Datasheet Reference
From old datasheet system
Philips Semiconductors
Rochester Electronics Inc
RF2514 From old datasheet system
VHF/UHF TRANSMITTER
Communication Miscellaneous - Datasheet Reference
RFMD[RF Micro Devices]
IDT71342L35L52 IDT71342S55J IDT71342S35J x8 Dual-Port SRAM x8双端口SRAM
From old datasheet system
Memory - Datasheet Reference
Glenair, Inc.
Integrated Device Technology Inc
PT2262IR PT2262 PT2272 PT2272L4 Logic IC - Datasheet Reference
PT2262 Encoder, PT2272 Decoder
From old datasheet system
Princeton Technology Corp
UM91611 10 Memory Pulse Dialer
From old datasheet system
Telecommunication IC - Datasheet Reference
UMC Corporation
United Microelectronics Corp (USA)
TC35273 From old datasheet system
Converter IC - Datasheet Reference
MPEG-4 Audiovisual LSI
Toshiba Semiconductor
Toshiba.
UM91230 UM91230C UM91230CM UM91230D UM91230DM UM91 From old datasheet system
Telecommunication IC - Datasheet Reference
TONE/PULSE DIALER
UMC[UMC Corporation]
Unicorn Microelectronics Corp
TC9149 TC9149P TC9150P For Infrared Ray Remote Control Receiver
Consumer IC - Datasheet Reference
From old datasheet system
Toshiba.
TOSHIBA[Toshiba Semiconductor]
LTC1878EMS8 LTC18781 High Efficiency Monolithic Synchronous Step-Down Regulator
From old datasheet system
Analog IC - Datasheet Reference
Linear Technology Corp
X1226V8I X1226V8 X1226S8I X1226S8 Real-Time Clock - Datasheet Reference
From old datasheet system
Xicor Inc
ISD1110S ISD1110P Stereo/Audio - Datasheet Reference
From old datasheet system
Winbond Electronics Corp
 
 Related keyword From Full Text Search System
STRS5706 integrated gigabit STRS5706 查ic资料 STRS5706 电子元件中文资料网站 STRS5706 motor STRS5706 ocr
STRS5706 Product STRS5706 Audio STRS5706 microchip STRS5706 ac/dc eurocard STRS5706 connector
 

 

Price & Availability of STRS5706

All Rights Reserved © IC-ON-LINE 2003 - 2022  

[Add Bookmark] [Contact Us] [Link exchange] [Privacy policy]
Mirror Sites :  [www.datasheet.hk]   [www.maxim4u.com]  [www.ic-on-line.cn] [www.ic-on-line.com] [www.ic-on-line.net] [www.alldatasheet.com.cn] [www.gdcy.com]  [www.gdcy.net]


 . . . . .
  We use cookies to deliver the best possible web experience and assist with our advertising efforts. By continuing to use this site, you consent to the use of cookies. For more information on cookies, please take a look at our Privacy Policy. X
0.48484802246094