Part Number Hot Search : 
15KW22CA 74451247 AN1229 HD404329 SFWI9614 D1NK100 AD7302BN AS321K
Product Description
Full Text Search

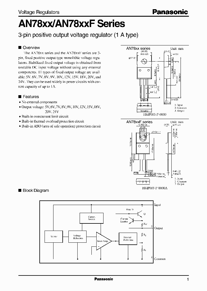
AN78XXFSERIES - 3-pin positive output voltage regulator (1 A type) Voltage Regulators

AN78XXFSERIES_202846.PDF Datasheet

 
Part No. AN78XXFSERIES AN78XXSERIES AN78XXF AN7805 AN7805F AN7806 AN7806F AN7807 AN7807F AN7808 AN7808F AN7809 AN7809F AN7810 AN7810F AN7812 AN7812F AN7815 AN7815F AN7818 AN7818F AN7820 AN7820F AN7824 AN7824F AN78XX
Description 3-pin positive output voltage regulator (1 A type)
Voltage Regulators

File Size 487.58K  /  9 Page  

Maker

PANASONIC[Panasonic Semiconductor]
Matsshita / Panasonic



Homepage
Download [ ]
[ AN78XXFSERIES AN78XXSERIES AN78XXF AN7805 AN7805F AN7806 AN7806F AN7807 AN7807F AN7808 AN7808F AN780 Datasheet PDF Downlaod from Datasheet.HK ]
[AN78XXFSERIES AN78XXSERIES AN78XXF AN7805 AN7805F AN7806 AN7806F AN7807 AN7807F AN7808 AN7808F AN780 Datasheet PDF Downlaod from Maxim4U.com ] :-)


[ View it Online ]   [ Search more for AN78XXFSERIES ]

[ Price & Availability of AN78XXFSERIES by FindChips.com ]

 Full text search : 3-pin positive output voltage regulator (1 A type) Voltage Regulators
 Product Description search : 3-pin positive output voltage regulator (1 A type) Voltage Regulators


 Related Part Number
PART Description Maker
AN7800R AN78M12R AN7812R AN7809R AN7805R AN78M00R Positive Output Voltage Regulators with Reset pin 1A/500mA Type
(AN78xxR) Voltage Regulator
Positive Output Voltage Regulators with Reset pin (1A/500mA Type)
PANASONIC[Panasonic Semiconductor]
Panasonic Corporation
77034052 7703405N 7703405T 7703405U 7703405Y OM132 1.5 AMP POSITIVE ADJUSTABLE VOLTAGE REGULATOR APPROVED TO DESC DRAWING 7703405
Hi-Rel Adjustable Voltage 3-Terminal Positive Regulator
Three Terminal, Precision Adjustable Positive Voltage Regulator In Hermetic Style Packages
MB 8C 8#20 PIN PLUG
MB 3C 3#16 PIN PLUG
MB 8C 8#20 SKT PLUG RoHS Compliant: No
1.2 V-37 V ADJUSTABLE POSITIVE REGULATOR, MSFM3
International Rectifier
List of Unclassifed Manufacturers
ETC[ETC]
Electronic Theatre Controls, Inc.
AN78XXF 3-pin positive output voltage regulator (1 A type) 3针正输出电压调节器(1 A型)
Panasonic, Corp.
AN77L05M-E1 3-pin, positive output, low dropout voltage regulator (100 mA type)
Panasonic Semiconductor
LX8117-00 LX8117-00CDD LX8117-00CDT LX8117-00CST L    0.8, 1 & 1.2A LOW DROPOUT POSITIVE REGULATORS
Low Drop Out Regulator - Positive Adjustable
Low Drop Out Regulator - Positive Fixed
0.8/ 1 & 1.2A LOW DROPOUT POSITIVE REGULATORS
0.8 1 & 1.2A LOW DROPOUT POSITIVE REGULATORS
IC CRSYSTAL OSC 19MHZ SSMINI-5
PC CARD SRAM 4 MB W/ATTRIB MEM
5-pin, low dropout voltage regulator with standby function (50 mA type)
GIGABASE 350 CAT5E PATCH 30 FT, NO BOOT BL 25PAK
9µVrms Ultra-Low-Noise, 92dB High-PSRR LDO, 300mA, Vout=1.8V, POK, Sot23 6-pin package
9µVrms Ultra-Low-Noise, 92dB High-PSRR LDO, 150mA, 4.5V Output Voltage, POK, Sot23 6-pin package
CAT 5E PATCH CORD, BLUE 7 FT.
Positive Adjustable Voltage Regulator
CAT5E PATCH CORD 100MHZ 50 FOOT WHITE
CAT5E PATCH CORD 100MHZ 30 FOOT GRAY
9µVrms Ultra-Low-Noise, 92dB High-PSRR LDO, 300mA, Vout=2.6V, POK, Sot23 6-pin package
12 Bit A/D Converter with 400ksps, 8 Channel, TSSOP-20
CAT5E PATCH CORD 100MHZ 25 FOOT GRAY
CAT5E PATCH CORD 100MHZ 50 FOOT GRAY
5.08MM EURO HEADER RA OE BLK 2CKT
9µVrms Ultra-Low-Noise, 92dB High-PSRR LDO, 300mA, Vout=2.85V, POK, Sot23 6-pin package
9µVrms Ultra-Low-Noise, 92dB High-PSRR LDO, 300mA, 3.3V Output Voltage, POK, Sot23 6-pin package
CAT5 COLOR PATCH CABLE W/MOLDED BOOTS 6 FT ORANGE
PC CARD FLASH 10 MB SERIES 2 2.85 V FIXED POSITIVE LDO REGULATOR, 1.3 V DROPOUT, PSSO3
THREE-TERMINAL POSITIVE FIXED VOLTAGE REGULATORS 3.3 V FIXED POSITIVE LDO REGULATOR, 1.3 V DROPOUT, PDSO4
0.8, 1 & 1.2A LOW DROPOUT POSITIVE REGULATORS 2.85 V FIXED POSITIVE LDO REGULATOR, 1.3 V DROPOUT, PDSO4
0.8, 1 & 1.2A LOW DROPOUT POSITIVE REGULATORS 3.3 V FIXED POSITIVE LDO REGULATOR, 1.3 V DROPOUT, PDSO4
CAT5E PATCH CORD, 25FT PURPLE, MOLDED ADJUSTABLE POSITIVE LDO REGULATOR, 1.3 V DROPOUT, PDSO4
THREE-TERMINAL POSITIVE FIXED VOLTAGE REGULATORS 2.5 V FIXED POSITIVE LDO REGULATOR, 1.3 V DROPOUT, PDSO4
CAT 5E PATCH CORD, BLUE, 10FT ADJUSTABLE POSITIVE LDO REGULATOR, 1.3 V DROPOUT, PSSO3
0.8, 1 & 1.2A LOW DROPOUT POSITIVE REGULATORS 2.5 V FIXED POSITIVE LDO REGULATOR, 1.2 V DROPOUT, PDSO4
PC CARD 1MB SRAM 68 PIN W/BATT 3.3 V FIXED POSITIVE LDO REGULATOR, 1.3 V DROPOUT, PSSO2
THREE-TERMINAL POSITIVE FIXED VOLTAGE REGULATORS 3.3 V FIXED POSITIVE LDO REGULATOR, 1.3 V DROPOUT, PSSO2
0.8, 1 & 1.2A LOW DROPOUT POSITIVE REGULATORS 2.85 V FIXED POSITIVE LDO REGULATOR, 1.2 V DROPOUT, PSSO3
9µVrms Ultra-Low-Noise, 92dB High-PSRR LDO, 300mA, Vout=2.85V, POK, Sot23 6-pin package
MICROSEMI[Microsemi Corporation]
Microsemi, Corp.
MICROSEMI CORP-ANALOG MIXED SIGNAL GROUP
L78L12ABDTR L78L05CDTR 78L05 L78L05 L78L05ACZ L78L    POSITIVE VOLTAGE REGULATORS
Photoelectric Sensor; Sensor Input Type:Optical; Sensing Range Max:3.5m; Sensor Output Type:NPN; Load Current Max:100mA; Mounting Type:Vertical
INDUCTOR SM 390NH 10% 1812
JT 65C 65#22 PIN RECP
JT 79C 79#22D PIN RECP
Circular Connector; MIL SPEC:MIL-DTL-38999 Series II; Body Material:Metal; Series:JT; No. of Contacts:32; Connector Shell Size:18; Connecting Termination:Crimp; Circular Shell Style:Wall Mount Receptacle; Body Style:Straight RoHS Compliant: No
5.0 AMP POSITIVE VOLTAGE REGULATOR 5.0放大器正电压稳压
8-Bit Shift Registers With 3-State Output Registers 16-SOIC -40 to 85 正电压调节器
Octal Edge-Triggered D-Type Flip-Flops With 3-State Outputs 20-TVSOP -40 to 85 正电压调节器
positive voltage regulators 正电压调节器
ST Microelectronics
STMICROELECTRONICS[STMicroelectronics]
意法半导
Cornell Dubilier Electronics, Inc.
STMicroelectronics N.V.
http://
MC78L05ABD MC78L05ABDG MC78L05ABPG MC78L05AC MC78L 100mA, 5V, Positive Voltage Regulator
100mA, 15V, Positive Voltage Regulator
100mA, 12V, Positive Voltage Regulator
100mA, 8V, Positive Voltage Regulator
100mA, 24V, Positive Voltage Regulator
100mA, 9V, Positive Voltage Regulator
4.5V to 18V Input, Low Pin Count Synchronous Buck Controller with Power Good 10-SON -40 to 85 15 V FIXED POSITIVE REGULATOR, PBCY3
5.0 AMP POSITIVE VOLTAGE REGULATOR 5 V FIXED POSITIVE REGULATOR, PBCY3
5.0 AMP POSITIVE VOLTAGE REGULATOR 5.0放大器正电压稳压
5.0 AMP POSITIVE VOLTAGE REGULATOR 9 V FIXED POSITIVE REGULATOR, PDSO8
DIODE RECT 200V 200MA S-MINI 2P FIXED POSITIVE REGULATOR, PBCY3
1.6A, 1.25-MHz Buck Converter in a 3 mm SON Package 6-VSON -40 to 125 FIXED POSITIVE REGULATOR, PBCY3
1.6A, 1.25-MHz Buck Converter in a 3 mm SON Package 6-VSON -40 to 125 18 V FIXED POSITIVE REGULATOR, PBCY3
High Efficiency, Mid-Range Input, Synchronous Buck Controller with Voltage Feed Forward 16-HTSSOP -40 to 85
Circular Connector; MIL SPEC:MIL-C-5015; Body Material:Metal; Series:GTS; No. of Contacts:6; Connector Shell Size:36; Connecting Termination:Solder; Body Style:Right Angle; Circular Contact Gender:Socket; Gender:Male
Three-Terminal Low Current Positive Voltage Regulators
ONSEMI[ON Semiconductor]
http://
JAN7805K JAN7805T JAN7815K JAN7815T SG7815AIG_DESC    POSITIVE FIXED VOLTAGE REGULATOR
Positive Fixed Linear Voltage Regulators
THREE-TERMINAL POSITIVE FIXED VOLTAGE REGULATORS 12 V FIXED POSITIVE REGULATOR, SFM3
THREE-TERMINAL POSITIVE FIXED VOLTAGE REGULATORS 12 V FIXED POSITIVE REGULATOR, MBCY3
THREE-TERMINAL POSITIVE FIXED VOLTAGE REGULATORS 12 V FIXED POSITIVE REGULATOR, MBFM2
SINGLEMODE FIBER PATCH CABLE, PLEM ST-SC 30M 15 V FIXED POSITIVE REGULATOR, CSFM3
THREE-TERMINAL POSITIVE FIXED VOLTAGE REGULATORS 15 V FIXED POSITIVE REGULATOR, MBFM2
Circular Connector; No. of Contacts:23; Series:MS27473; Body Material:Aluminum; Connecting Termination:Crimp; Connector Shell Size:16; Circular Contact Gender:Socket; Circular Shell Style:Straight Plug; Insert Arrangement:16-99 RoHS Compliant: No
JT 26C 26#20 SKT WALL RECP
JT 55C 55#22D PIN PLUG
JT 10C 10#20 SKT RECP
JT 23C 21#20 2#16 SKT PLUG
Coaxial Cable; Coaxial RG/U Type:8; Impedance:50ohm; Conductor Size AWG:16; No. Strands x Strand Size:19 x 29; Jacket Material:Polyvinylchloride (PVC); Leaded Process Compatible:Yes RoHS Compliant: Yes
JT 10C 10#20 PIN RECP
From old datasheet system
Microsemi, Corp.
MICROSEMI[Microsemi Corporation]
http://
OMR186STM OMR183 OMR183NC OMR183NCM OMR183NH OMR18    30 kRad - 100kRad RADIATION TOLERANT 7.5A, 5A, 3A, 1.5A LOW DROPOUT POSITIVE ADJUSTABLE REGULATORS
Hi-Rel Adjustable Voltage 3-Terminal Positive Radiation Hardened Regulator
Hi-Rel Fixed Voltage 3-Terminal Positive Radiation Hardened Regulator 高可靠性的固定电压三端稳压器的积极抗辐
ADJUSTABLE POSITIVE LDO REGULATOR, 1.5 V DROPOUT, CSFM3 ISOLATED, HERMETIC SEALED, TO-258, 3 PIN
ADJUSTABLE POSITIVE LDO REGULATOR, 1.5 V DROPOUT, MSFM3 TO-258AA, 3 PIN
ADJUSTABLE POSITIVE LDO REGULATOR, 1.5 V DROPOUT, CBCC3
IRF[International Rectifier]
Aimtec
International Rectifier, Corp.
IRC Advanced Film
NJM7800 NJM7800DL1A NJM7800DLA NJM7800FA NJM7812A FIXED POSITIVE REGULATOR, PSSO2 TO-252, 3 PIN
3-Terminal Positive Voltage Regulator(15V端正电压稳压
3-Terminal Positive Voltage Regulator(12V端正电压稳压
New Japan Radio Co., Ltd.
NJRC[New Japan Radio]
EZ5Z3L-L3.3 EZ5Z3L-LADJ EZ5Z3L-S3.3TR EZ5Z3L-SADJT 250mA Voltage Regulator(输出电流250mA ,5V输入.3V输出或可调输出稳压器) 250mA的稳压器50mA的输出电流,5V的输入到3.3V的输出或可调输出稳压器)
Voltage Reference 电压基准
1-OUTPUT TWO TERM VOLTAGE REFERENCE, 3.3 V, PSFM3 TO-220, 3 PIN
1-OUTPUT TWO TERM VOLTAGE REFERENCE, 3.3 V, PBCY3 TO-92, 3 PIN
High-Efficiency Synchronous Buck Converter with PWM Controller 模拟IC
250mA 5V to 3.3V or Adjustable Output EZ DROPPER 250mAV.3V或可调输出易滴管
Analog IC 模拟IC
250mA 5V to 3.3V or Adjustable Output EZ DROPPER 250mAV3.3V或可调输出易滴管
ADS1625 Evaluation Module
NXP Semiconductors N.V.
Semtech, Corp.
SEMTECH[Semtech Corporation]
 
 Related keyword From Full Text Search System
AN78XXFSERIES 参数 封装 AN78XXFSERIES huck AN78XXFSERIES Range AN78XXFSERIES 查ic资料 AN78XXFSERIES channel
AN78XXFSERIES Corporate AN78XXFSERIES Corporation AN78XXFSERIES Package AN78XXFSERIES informacion de AN78XXFSERIES chip
 

 

Price & Availability of AN78XXFSERIES

All Rights Reserved © IC-ON-LINE 2003 - 2022  

[Add Bookmark] [Contact Us] [Link exchange] [Privacy policy]
Mirror Sites :  [www.datasheet.hk]   [www.maxim4u.com]  [www.ic-on-line.cn] [www.ic-on-line.com] [www.ic-on-line.net] [www.alldatasheet.com.cn] [www.gdcy.com]  [www.gdcy.net]


 . . . . .
  We use cookies to deliver the best possible web experience and assist with our advertising efforts. By continuing to use this site, you consent to the use of cookies. For more information on cookies, please take a look at our Privacy Policy. X
0.50030303001404