Part Number Hot Search : 
MH100 A3810 03000 UCC21220 E3A2565 DF01GS EA09840 TL494
Product Description
Full Text Search

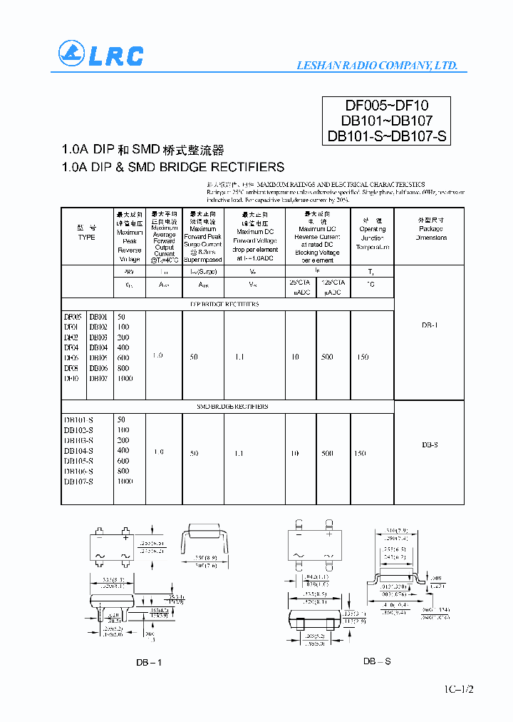
DB105-S - 1.0A DIP & SMD BRIDGE RECTIFIERS

DB105-S_154114.PDF Datasheet


 Full text search : 1.0A DIP & SMD BRIDGE RECTIFIERS
 Product Description search : 1.0A DIP & SMD BRIDGE RECTIFIERS


 Related Part Number
PART Description Maker
KBP206 KBP208 TECHNICAL SPECIFICATIONS OF SINGLE-PHASE GLASS PASSIVATED BRIDGE RECTIFIE
Yea Shin Technology Co., Ltd
1-1825059-8 DIP, Rotary DIP, SIP Switches and DIP Shunts - Standard; ADF04STTR04=DIP S,FLUSH,SMT-GW ( Tyco Electronics )
Tyco Electronics
DF04S DF06S DF005S DF02S 400V Bridge in a D-71 package
SMD Genenal Purpose Bridge Rectifier
International Rectifier
Comchip Technology Co., Ltd.
PS7206-1A-E3 PS7206-1A-F3 PS7206-1A-F4 PS7206-1A-E Half Bridge Driver, Soft Turn-On, Separate High and Low Side Inputs, Fixed 500ns Deadtime in a 8-pin DIP package; A IR2108 packaged in a Lead-Free 8-Lead PDIP
Half Bridge Driver, SoftTurn-On, Noninverting Inputs in a 8-pin DIP package; A IR2304 packaged in a Lead-Free 8-Lead PDIP 场效应管输出光耦合
Half Bridge Driver, SoftTurn-On, Noninverting Inputs in a 8-pin DIP package; A IR2304 packaged in a Lead-Free 8-Lead SOIC 场效应管输出光耦合
Half Bridge Driver, Soft Turn-On, Separate High and Low Side Inputs, Fixed 500ns Deadtime in a 8-pin DIP package; A IR2108 packaged in a Lead-Free 8-Lead SOIC 场效应管输出光耦合
California Eastern Laboratories, Inc.
DF06STR16 1 A, 600 V, SILICON, BRIDGE RECTIFIER DIODE SURFACE MOUNT, DIP-4
TE Connectivity, Ltd.
DF005S DF005M DF10S DF01M DF01S DF02M DF02S DF04M 1000V Bridge in a D-71 package
800V Bridge in a D-71 package
400V Bridge in a D-71 package
200V Bridge in a D-71 package
100V Bridge in a D-71 package
50V Bridge in a D-71 package
600V Bridge in a D-71 package
1A Single Phase D.I.L. Rectifier Bridge (1.0A, from 50 to 1000V)
IRF[International Rectifier]
2042110LPSRTRN 204211ESRTRN 2042112LPSRTRN 204212E SMD DIP SWITCH
CTS Corporation
218-02LPST 218-2LPSTR 218-12LPSTJRF SMT Half Pitch DIP Switch?Auto Placeable
Half Pitch, SMD DIP Switch
CTS Corporation
JITO2-DP5DE132.8100MHZ JITO2-DC3BM22.2184MHZ JITO2 CRYSTAL OSCILLATOR, CLOCK, 132.81 MHz, HCMOS OUTPUT FULL SIZE, DIP-4
CRYSTAL OSCILLATOR, CLOCK, 22.2184 MHz, HCMOS OUTPUT FULL SIZE, DIP-4
CRYSTAL OSCILLATOR, CLOCK, 22.1184 MHz, HCMOS OUTPUT FULL SIZE, DIP-4
CRYSTAL OSCILLATOR, CLOCK, 37.5 MHz, HCMOS OUTPUT FULL SIZE, DIP-4
CRYSTAL OSCILLATOR, CLOCK, 3.2 MHz, HCMOS OUTPUT FULL SIZE, DIP-4
CRYSTAL OSCILLATOR, CLOCK, 65 MHz, HCMOS OUTPUT FULL SIZE, DIP-4
CRYSTAL OSCILLATOR, CLOCK, 65.536 MHz, HCMOS OUTPUT FULL SIZE, DIP-4
CRYSTAL OSCILLATOR, CLOCK, 34.368 MHz, HCMOS OUTPUT FULL SIZE, DIP-4
CRYSTAL OSCILLATOR, CLOCK, 0.34 MHz, HCMOS OUTPUT FULL SIZE, DIP-4
CRYSTAL OSCILLATOR, CLOCK, 65.1 MHz, HCMOS OUTPUT FULL SIZE, DIP-4
CRYSTAL OSCILLATOR, CLOCK, 50.688 MHz, HCMOS OUTPUT FULL SIZE, DIP-4
CRYSTAL OSCILLATOR, CLOCK, 58.9824 MHz, HCMOS OUTPUT FULL SIZE, DIP-4
CRYSTAL OSCILLATOR, CLOCK, 7.5 MHz, HCMOS OUTPUT FULL SIZE, DIP-4
CRYSTAL OSCILLATOR, CLOCK, 69.148 MHz, HCMOS OUTPUT FULL SIZE, DIP-4
CRYSTAL OSCILLATOR, CLOCK, 50.7 MHz, HCMOS OUTPUT FULL SIZE, DIP-4
CRYSTAL OSCILLATOR, CLOCK, 0.85 MHz, HCMOS OUTPUT FULL SIZE, DIP-4
CRYSTAL OSCILLATOR, CLOCK, 4.8 MHz, HCMOS OUTPUT FULL SIZE, DIP-4
CRYSTAL OSCILLATOR, CLOCK, 14.75 MHz, HCMOS OUTPUT FULL SIZE, DIP-4
CRYSTAL OSCILLATOR, CLOCK, 20.48 MHz, HCMOS OUTPUT FULL SIZE, DIP-4
CRYSTAL OSCILLATOR, CLOCK, 156.25 MHz, HCMOS OUTPUT FULL SIZE, DIP-4
CRYSTAL OSCILLATOR, CLOCK, 48.75 MHz, HCMOS OUTPUT FULL SIZE, DIP-4
CRYSTAL OSCILLATOR, CLOCK, 63.7 MHz, HCMOS OUTPUT FULL SIZE, DIP-4
CRYSTAL OSCILLATOR, CLOCK, 0.4608 MHz, HCMOS OUTPUT FULL SIZE, DIP-4
CRYSTAL OSCILLATOR, CLOCK, 74.25 MHz, HCMOS OUTPUT FULL SIZE, DIP-4
CRYSTAL OSCILLATOR, CLOCK, 53.125 MHz, HCMOS OUTPUT FULL SIZE, DIP-4
CRYSTAL OSCILLATOR, CLOCK, 73.728 MHz, HCMOS OUTPUT FULL SIZE, DIP-4
CRYSTAL OSCILLATOR, CLOCK, 0.9216 MHz, HCMOS OUTPUT FULL SIZE, DIP-4
CRYSTAL OSCILLATOR, CLOCK, 31.25 MHz, HCMOS OUTPUT FULL SIZE, DIP-4
CRYSTAL OSCILLATOR, CLOCK, 0.468 MHz, HCMOS OUTPUT FULL SIZE, DIP-4
CRYSTAL OSCILLATOR, CLOCK, 106.25 MHz, HCMOS OUTPUT FULL SIZE, DIP-4
CRYSTAL OSCILLATOR, CLOCK, 6.14 MHz, HCMOS OUTPUT FULL SIZE, DIP-4
CRYSTAL OSCILLATOR, CLOCK, 24.576 MHz, HCMOS OUTPUT FULL SIZE, DIP-4
CRYSTAL OSCILLATOR, CLOCK, 24.5454 MHz, HCMOS OUTPUT FULL SIZE, DIP-4
CRYSTAL OSCILLATOR, CLOCK, 24 MHz, HCMOS OUTPUT FULL SIZE, DIP-4
CRYSTAL OSCILLATOR, CLOCK, 6.144 MHz, HCMOS OUTPUT FULL SIZE, DIP-4
CRYSTAL OSCILLATOR, CLOCK, 12.4416 MHz, HCMOS OUTPUT FULL SIZE, DIP-4
CRYSTAL OSCILLATOR, CLOCK, 24.54 MHz, HCMOS OUTPUT FULL SIZE, DIP-4
CRYSTAL OSCILLATOR, CLOCK, 24.671 MHz, HCMOS OUTPUT FULL SIZE, DIP-4
CRYSTAL OSCILLATOR, CLOCK, 0.66 MHz, HCMOS OUTPUT FULL SIZE, DIP-4
CRYSTAL OSCILLATOR, CLOCK, 15.36 MHz, HCMOS OUTPUT FULL SIZE, DIP-4
CRYSTAL OSCILLATOR, CLOCK, 27 MHz, HCMOS OUTPUT
CRYSTAL OSCILLATOR, CLOCK, 30 MHz, HCMOS OUTPUT
CRYSTAL OSCILLATOR, CLOCK, 160 MHz, HCMOS OUTPUT
CRYSTAL OSCILLATOR, CLOCK, 16 MHz, HCMOS OUTPUT
CRYSTAL OSCILLATOR, CLOCK, 25 MHz, HCMOS OUTPUT
CRYSTAL OSCILLATOR, CLOCK, 21.25 MHz, HCMOS OUTPUT
CRYSTAL OSCILLATOR, CLOCK, 41.66 MHz, HCMOS OUTPUT
CRYSTAL OSCILLATOR, CLOCK, 40 MHz, HCMOS OUTPUT
CRYSTAL OSCILLATOR, CLOCK, 150 MHz, HCMOS OUTPUT
IRC Advanced Film
Fox Electronics
SDHH-8-TR SDHH-4-TR Half Pitch SMD DIP Switch
Bourns Inc.
1KAB20E 1KAB100E 1KAB80E 1KAB-E 1KAB10E 1KAB40E 1K 200V Bridge in a D-38 package
50V Bridge in a D-38 package
1000V Bridge in a D-38 package
100V Bridge in a D-38 package
400V Bridge in a D-38 package
600V Bridge in a D-38 package
800V Bridge in a D-38 package
   1.2 amp rectifier bridge
http://
IRF[International Rectifier]
 
 Related keyword From Full Text Search System
DB105-S taping code DB105-S Search DB105-S inductors DB105-S 资料网站 DB105-S battery mcu
DB105-S read DB105-S mitsubishi DB105-S Instruments DB105-S Octal DB105-S 替换表
 

 

Price & Availability of DB105-S

All Rights Reserved © IC-ON-LINE 2003 - 2022  

[Add Bookmark] [Contact Us] [Link exchange] [Privacy policy]
Mirror Sites :  [www.datasheet.hk]   [www.maxim4u.com]  [www.ic-on-line.cn] [www.ic-on-line.com] [www.ic-on-line.net] [www.alldatasheet.com.cn] [www.gdcy.com]  [www.gdcy.net]


 . . . . .
  We use cookies to deliver the best possible web experience and assist with our advertising efforts. By continuing to use this site, you consent to the use of cookies. For more information on cookies, please take a look at our Privacy Policy. X
0.041692972183228