Part Number Hot Search : 
1410460 PX0575 AT5FC004 TMP68652 DS1220 MB6010 48006 SMBJ30A
Product Description
Full Text Search

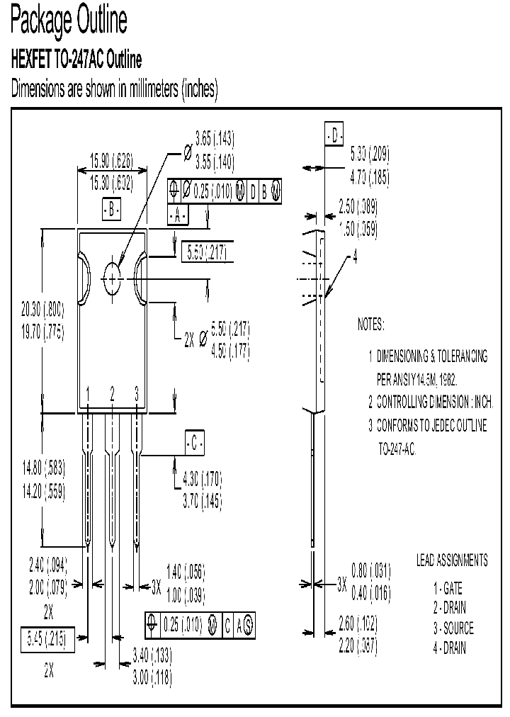
TO247 - HEXFET TO-247AC Outline Dimensions are shown in millimeters (inches)

TO247_65934.PDF Datasheet


 Full text search : HEXFET TO-247AC Outline Dimensions are shown in millimeters (inches)
 Product Description search : HEXFET TO-247AC Outline Dimensions are shown in millimeters (inches)


 Related Part Number
PART Description Maker
TO247 TO247AC TO247C HEXFET TO-247AC Outline Dimensions are shown in millimeters (inches)
International Rectifier
IRFP150 IRFP150PBF 100V Single N-Channel HEXFET Power MOSFET in a TO-247AC package
HEXFET? Power MOSFET
International Rectifier
IRFP2907ZPBF IRFP2907Z 75V Single N-Channel HEXFET Power MOSFET in a TO-247AC package
International Rectifier
IRFP31N50L IRFP31N50LPBF 500V Single N-Channel HEXFET Power MOSFET in a TO-247AC package
International Rectifier
IRFPC60LCPBF 600V Single N-Channel HEXFET Power MOSFET in a TO-247AC package
International Rectifier
IRFP150V 100V Single N-Channel HEXFET Power MOSFET in a TO-247AC package
Fairchild Semiconductor
International Rectifier
IRFP360LCPBF 400V Single N-Channel HEXFET Power MOSFET in a TO-247AC package
International Rectifier
IRFP4229PBF 250V Single N-Channel HEXFET Power MOSFET PDP Switch in a TO-247AC package
International Rectifier
AM29LV017B-80FC AM29LV017B-70RFC AM29LV017B-80EE x8 Flash EEPROM
200V Single N-Channel HEXFET Power MOSFET in a TO-247AC package x8闪存EEPROM
Advanced Micro Devices, Inc.
IRFPS40N60K 40 A, 600 V, 0.13 ohm, N-CHANNEL, Si, POWER, MOSFET, TO-247AC
HEXFETPower MOSFET
HEXFET-R Power MOSFET
IRF[International Rectifier]
IRFP9140 IRFP9140PBF 21 A, 100 V, 0.2 ohm, P-CHANNEL, Si, POWER, MOSFET, TO-247AC
HEXFET? Power MOSFET
VISHAY INTERTECHNOLOGY INC
International Rectifier
IRFP460P IRFP460PPBF 500V Single N-Channel HEXFET Power MOSFET in a TO-247AC package
Power MOSFET(Vdss=500V, Rds(on)=0.27ohm, Id=20A)
IRF[International Rectifier]
 
 Related keyword From Full Text Search System
TO247 替换表 TO247 chip TO247 pci endian mode TO247 Data TO247 resistor
TO247 components TO247 complimentary TO247 digital TO247 external rom TO247 参数 封装
 

 

Price & Availability of TO247

All Rights Reserved © IC-ON-LINE 2003 - 2022  

[Add Bookmark] [Contact Us] [Link exchange] [Privacy policy]
Mirror Sites :  [www.datasheet.hk]   [www.maxim4u.com]  [www.ic-on-line.cn] [www.ic-on-line.com] [www.ic-on-line.net] [www.alldatasheet.com.cn] [www.gdcy.com]  [www.gdcy.net]


 . . . . .
  We use cookies to deliver the best possible web experience and assist with our advertising efforts. By continuing to use this site, you consent to the use of cookies. For more information on cookies, please take a look at our Privacy Policy. X
0.41729998588562